El control activo de trampillas de aire para los frenos mejora la aerodinámica del vehículo. De esta manera se consiguen disminuir las emisiones de CO2. Dependiendo de la variante de motor y del equipo opcional, se instala un control de trampillas de aire para los frenos en el vehículo.
El sistema está compuesto por:
Las dos trampillas de aire para los frenos están montadas debajo en el parachoques. La válvula de conmutación está fijada en la bóveda izquierda del tubo amortiguador porta ruedas.
Las trampillas de aire para los frenos se accionan mediante presión negativa. La bomba de vacío situada en el motor genera esa presión negativa. La presión negativa actúa sobre una caja de vacío ubicada en la carcasa de la trampilla de aire para los frenos.

Índice |
Explicación |
Índice |
Explicación |
|---|---|---|---|
1 |
Parachoques |
2 |
Trampilla de aire para los frenos derecha |
3 |
Trampilla de aire para los frenos izquierda |
|
|
En cada trampilla de aire para los frenos se encuentra un 1 sensor Hall. Los sensores Hall detectan la posición de las trampillas de aire para los frenos (abiertas o cerradas).

Índice |
Explicación |
Índice |
Explicación |
|---|---|---|---|
1 |
Trampilla de aire para los frenos |
2 |
Sensor Hall |
3 |
Conexión de depresión |
4 |
Caja de baja presión |
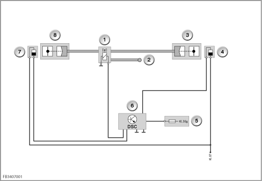
El Control Dinámico de Estabilidad (DSC) acciona la válvula de conmutación.

Índice |
Explicación |
Índice |
Explicación |
|---|---|---|---|
1 |
Válvula de conmutación |
2 |
Por la bomba de vacío |
3 |
Trampilla de aire para los frenos derecha |
4 |
Sensor Hall derecho |
5 |
Alimentación eléctrica, borne 30 g |
6 |
Control dinámico de la estabilidad (DSC) |
3 |
Sensor Hall izquierdo |
4 |
Trampilla de aire para los frenos izquierda |
Mediante la activación de las trampillas de aire para los frenos se optimizan las propiedades aerodinámicas del vehículo.
Dependiendo de la marcha del motor se producen 2 situaciones para las trampillas de aire para los frenos:
Motor parado |
Trampillas de aire para los frenos abiertas |
Motor en marcha |
Las trampillas de aire para los frenos se cierran tras pocos segundos |
Para evitar un sobrecalentamiento de los discos de freno, las trampillas de aire se abren a partir de una temperatura de los discos de freno de 250 °C.
Si se produce una avería, las trampillas de aire para los frenos no se pueden abrir más durante unos instantes.
Entonces se reduce la potencia del motor como protección contra el sobrecalentamiento de los discos de freno.
¡Atención! Realizar los trabajos con el motor apagado.
Los trabajos en las trampillas de aire para los frenos, sobre todo cuando se comprueba la dificultad de movimiento de las trampillas, solamente se deben llevar a cabo con el motor apagado. De lo contrario, existirá peligro de lesiones.
Salvo error u omisión; sujeto a modificaciones técnicas.