Indicación Estructura de este documento.
Al principio de este documento se describen las indicaciones para el diagnóstico más importantes. Al final se encuentra la descripción del funcionamiento.
Si, tras una reparación, se presentan problemas para borrar la memoria de defectos, debe aplicarse el siguiente modo de proceder:
¡Atención!
En determinadas averías, los testigos de control y de advertencia no se borran hasta haber realizado un corto recorrido de prueba.
Después de sustituir la unidad DSC o la unidad de mando DSC se deben codificar los parámetros para el indicador de incidencias en neumáticos (RPA) y la regulación de velocidad mediante el programa.
En relación a la función DSC la unidad de mando DSC se autocodifica. En este proceso se almacena también el número de chasis. Por esto no es precisa una igualación del sensor de ángulo de la dirección con el DSC 8/DSC 8Plus. Con cada arranque (conexión del encendido) el DSC compara el número de chasis memorizado con el actual. El DSC se codifica de acuerdo con el tipo de vehículo si los números de chasis no coinciden. En esta ocasión, los valores de compensación aprendidos de los sensores se ajustan con los valores básicos (excepción: el sensor de aceleración longitudinal). 
Llevar a cabo las siguientes tareas:
Tras el cambio de un sensor del DSC es preciso ejecutar la función de servicio ”Igualación del sensor del DSC”. En el sensor del DSC se iguala el sensor de aceleración longitudinal.
El sensor de ángulo de la dirección constituye una unidad junto con el centro de mandos de la columna de dirección. El sensor de ángulo de la dirección no puede reemplazarse por separado. Debe llevarse a cabo la función de servicio ”Igualación del sensor de ángulo de la dirección”, o bien, en vehículos con dirección activa, la función de servicio ”Puesta en marcha/ajuste de la dirección activa”, tras los trabajos siguientes:
El E70 va equipado de serie con el Control Dinámico de Estabilidad (DSC).
E60/E61 a partir de 03/2007.
El DSC es una evolución continua del DSC 8Plus. Para diferenciar este sistema del chasis se denomina ”DSC Premium”. El proveedor del sistema del DSC es Bosch.
Las funciones de regulación del DSC se han optimizado más. La mejora se ha obtenido mediante el uso de una bomba de retroceso con 6 émbolos, así como un sistema electrónico más potente. En comparación al modelo precedente (E53) el E70 obtiene funciones ampliadas:
Se aumenta la seguridad de marcha en combinación con otros sistemas:
El DSC es un sistema para la dinámica de marcha que mantiene la estabilidad de marcha. El DSC optimiza:
Además, el DSC detecta estados no estables del vehículo, como el subviraje o el superviraje. El DSC contribuye a mantener el vehículo dentro de los límites físicos de un rumbo seguro.
Para ello, el DSC debe conocer las siguientes magnitudes de medición de la dinámica de la marcha:
Además detecta los deseos del conductor mediante el ángulo de dirección y la presión de frenado que ejerce el conductor con el pedal. Asimismo, los sensores del número de revoluciones de la rueda proporcionan información sobre la velocidad de cada rueda. A partir de los valores de medición disponibles, se determina el estado real con el que se mueve el vehículo en ese momento. El estado real se compara con los valores nominales calculados en la unidad de mando DSC. Si los valores reales actuales difieren del estado nominal, el DSC se activa e interviene activamente en el sistema de frenos o en el sistema de control del motor.
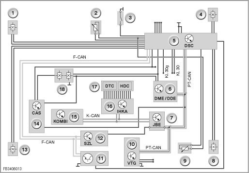
Se describen los siguientes componentes para el Control Dinámico de Estabilidad:
La unidad DSC consta de la unidad de mando DSC y del grupo hidráulico. La unidad de mando DSC controla el grupo hidráulico mediante bobinas de válvula.

| Índice | Explicación | Índice | Explicación | 
|---|---|---|---|
| 1 | Unidad de mando DSC con conexión enchufable | 2 | Grupo hidráulico | 
| 3 | Motor de bomba | 
 | 
 | 
La unidad DSC dispone de un sensor de presión de frenado. Este sensor de presión de frenado capta la presión de frenado aplicada mediante el pedal de freno y el amplificador de frenos.
El sensor de presión de frenado presenta un margen de medición de 0 a 250 bares. Su punto cero solo se iguala durante la marcha.
La unidad DSC permite con su nuevo concepto una regulación más precisa. En el motor de bomba trabajan 2 x 3 elementos de bomba con un   de 6,5 mm. Mediante este concepto se mejora considerablemente la dinámica de presión. De este modo el pedal de freno impulsa menos con una regulación ABS. Además, se ajusta una calidad de regulación más elevada con el Sistema de control en pendientes (HDC).

| Índice | Explicación | Índice | Explicación | 
|---|---|---|---|
| A | DSC 8Plus | B | DSC Premium | 
| 1 | Caudal [l/min] | 2 | Tiempo [s] | 
El distribuidor de corriente en cada sistema electrónico caja de conexión (JBE) alimenta la unidad DSC con tensión. Una vez el borne 30 para la bomba de retroceso, una vez el borne 30 para las válvulas magnéticas. La unidad de mando DSC se conecta al borne 30g.
Los sensores del número de revoluciones de la rueda activos registran las velocidades del perímetro de cada una de las ruedas. Además, los sensores del número de revoluciones de la rueda detectan la dirección de giro (hacia adelante o hacia atrás). Con la rueda parada, el sensor del número de revoluciones de la rueda envía cada 
0,75 segundos un impulso. Mediante el impulso de corriente, se muestra la disponibilidad del sensor del número de revoluciones de la rueda.
Las siguientes ventajas se obtienen mediante los sensores del número de revoluciones de la rueda activos:

| Índice | Explicación | Índice | Explicación | 
|---|---|---|---|
| 1 | Sensor del número de revoluciones de la rueda del eje delantero | 2 | Sensor del número de revoluciones de la rueda del eje trasero | 
| 3 | Impulso para el número de revoluciones | 4 | Información adicional, como dirección de giro y espacio de aire | 
| 5 | Avance de la señal | 6 | Cojinete de rueda con imanes | 
Tanto en el eje delantero como en el trasero, hay en torno al cojinete de rueda un círculo compuesto de imanes (corona de incremento). Los polos norte y sur de la corona de incremento se alternan. Un polo norte con un polo sur equivalen a 1 incremento (diente/espacio equiparables de un disco de incremento). El sensor del número de revoluciones de la rueda se compone de 3 sensores Hall y un sistema electrónico de evaluación.
Los sensores del número de revoluciones de la rueda activos cambian su resistencia eléctrica bajo la influencia de un campo magnético. Cada incremento provoca 2 impulsos en el sensor del número de revoluciones de la rueda (96 impulsos/giro de rueda). Para la transmisión de datos a la unidad de mando se añaden a los flancos del impulso otros datos. Este procesamiento de datos integrado parte funcionalmente de la detección del número de revoluciones. Es posible p. ej. la siguiente información adicional:
El sensor DSC mide:

| Índice | Explicación | Índice | Explicación | 
|---|---|---|---|
| 1 | Sensor DSC | 2 | Conector | 
El elemento sensor consta de 2 sensores de aceleración piezoeléctricos. En el elemento de medición de los sensores de aceleración existe una masa suspendida de forma elástica.
En el caso de un movimiento de aceleración, se acelerarán 2 masas suspendidas de forma elástica. La fuerza necesaria para ello genera una tensión mecánica en el material piezoeléctrico. El desplazamiento eléctrico de la carga que se genera se reduce con electrodos de metal y se sigue procesando como señal eléctrica. A partir de la diferencia entre las dos señales de aceleración se deriva la guiñada. El sensor DSC suministra de esta forma una señal de guiñada y una señal de aceleración.
El sensor de aceleración longitudinal es necesario para la asistencia al inicio de la marcha.
El sensor de la dirección está conectado mediante el CAN del chasis (F-CAN) con la unidad de mando DSC.
La unidad de mando DSC alimenta el sensor DSC con tensión.
En el centro de mandos de la columna de dirección (SZL) está integrado el sensor de ángulo de la dirección. El sensor de ángulo de la dirección mide ópticamente y sin contacto el ángulo de dirección. El sensor de ángulo de la dirección está fijado en la platina con la electrónica de evaluación. El sensor de ángulo de la dirección se compone de los siguientes componentes: Disco codificador y sensor óptico.
El disco codificador está unido mediante la caja de muelle espiral con el volante. Si se mueve el volante, se mueve el disco codificador dentro del sensor óptico. En el disco codificador hay distintos modelos de líneas para la evaluación.

| Índice | Explicación | Índice | Explicación | 
|---|---|---|---|
| 1 | Centro de mandos en la columna de dirección (SZL) | 2 | Sensor óptico | 
| 3 | Disco codificador | 
 | 
 | 
El SZL está conectado mediante el CAN del chasis (F-CAN) con la unidad de mando DSC.
Con la tecla DTC se conmuta el estado de servicio del sistema de regulación del chasis. La tecla DTC lleva la inscripción ”DTC”. Mediante la tecla DTC se pueden seleccionar 3 estados de mando:
E70:
La tecla DTC está en el centro de conmutación de la consola central (ninguna unidad de mando). El centro de conmutación de la consola central está unida con el sistema automática de calefacción y climatización (IHKA). El IHKA envía la señal al K-CAN.
E60 y E61 a partir de 03/2007:
La tecla DTC está en el centro de conmutación a la izquierda junto al cenicero. El bloque de interruptores está conectado en el centro de conmutación de la consola central (SZM). La unidad de mando SZM se encuentra en el soporte de equipos detrás de la guantera.

El gráfico muestra el E70
| Índice | Explicación | Índice | Explicación | 
|---|---|---|---|
| 1 | Central de conmutación en la consola central | 2 | Tecla HDC HCD significa Hill Descent Control: Sistema de control en pendientes | 
| 3 | Tecla DTC | 
 | 
 | 
E70:
La tecla HDC también se encuentra en el centro de conmutación de la consola central.
E60 y E61:
las teclas programables libremente en el volante pueden acompañarse con el Sistema de control en pendientes (HDC). Además, el HCD se puede activar mediante el iDrive.
El DSC recibe señales de entrada adicionales de los siguientes componentes:
Se capta un nivel del líquido de frenos demasiado bajo (en el depósito de expansión mediante un contacto de láminas) y se notifica a la unidad de mando DSC. Si el nivel del líquido de frenos es demasiado bajo, el DSC se desactiva. En caso contrario, existiría el peligro de que entrara aire en el sistema de frenos.
Conjuntamente con la señal del sensor de presión de frenado se detectan los frenados.
El interruptor de luz de freno está montado con 2 interruptores (2 niveles). Se envía una señal al DSC a través de un cable. La unidad de mando del motor recibe ambas señales. La unidad de mando del motor envía la señal en el PT-CAN. A partir de las dos señales, la unidad de mando DSC detecta si se ha pisado el pedal de freno.

| Índice | Explicación | Índice | Explicación | 
|---|---|---|---|
| 1 | Interruptor de luz de freno | 2 | Conector | 
El Car Access System (CAS) alimenta el interruptor de luz de freno con el borne R.
Los sensores de desgaste de forro de freno (adelante a la izquierda y atrás a la derecha en los forros de freno interiores) se utilizan como información adicional para el espesor del forro de freno. Mediante la información adicional (2 posiciones de soporte) se iguala el valor calculado del DSC.

| Índice | Explicación | Índice | Explicación | 
|---|---|---|---|
| 1 | Disco de freno | 2 | Pinza de freno | 
| 3 | Sensor de desgaste de forro de freno (ejemplo de eje trasero) | 
 | 
 | 
Se muestra de color rojo un espesor crítico de forro de freno en el cuadro de instrumentos mediante el indicador de las necesidades de servicio (Condition Based Service, CBS), así como el testigo de aviso de freno general.
Las siguientes unidades de mando adicionales también participan en el control dinámico de estabilidad:
En caso de fallo o avería del DSC aparecerá en la pantalla LC un símbolo del Check-Control. Todos símbolos del Check-Control tienen un significado determinado.
Si aparece un aviso del Check-Control, las indicaciones complementarias correspondientes se muestran de forma adicional en el Central Information Display (CID).
El CAS recibe del DSC una señal de número de revoluciones preparada. El CAS detecta a partir de la señal, si el vehículo está parado o en marcha.
El distribuidor de corriente en el sistema electrónico caja de conexión alimenta la unidad DSC con tensión.
Borne 30 para la bomba de retroceso, así como las válvulas magnéticas.
Borne 30g para la unidad de mando DSC.

El gráfico muestra el E70
| Índice | Explicación | Índice | Explicación | 
|---|---|---|---|
| 1 | Sensor del número de revoluciones de la rueda delantera izquierda | 2 | Sensor de desgaste de forro de freno delante izquierda | 
| 3 | Interruptor de nivel del líquido de frenos | 4 | Sensor del número de revoluciones de la rueda delantera derecha | 
| 5 | Control dinámico de la estabilidad (DSC) | 6 | Electrónica Digital del Motor o bien Electrónica Digital Diesel (DME o DDE) | 
| 7 | Sistema electrónico caja de conexión (JBE) | 8 | Sensor del número de revoluciones de la rueda detrás derecha | 
| 9 | Sensor de desgaste de forro de freno delante izquierda | 10 | Engranaje de distribución (VTG) | 
| 11 | Sensor DSC | 12 | Centro de mandos en la columna de dirección (SZL) | 
| 13 | Sensor del número de revoluciones de la rueda detrás izquierda | 14 | Car Access System (CAS) CAS | 
| 15 | Cuadro de instrumentos (KOMBI) | 16 | Sistema automático integrado de calefacción y climatización (IHKA) | 
| 17 | Central de conmutación en la consola central | 18 | Interruptor de luz de freno | 
| F-CAN | CAN del chasis | CAN K | CAN de la carrocería | 
| Borne 30 | Borne 30 | Borne 30g | Borne 30g | 
| PT-CAN | Powertrain-CAN | 
 | 
 | 
Las nuevas funciones de sistema para el E70 se describen para la DSC:
Otras funciones de sistema conocidas para el DSC son:
Además se han integrado las siguientes funciones que no pertenecen a la regulación de la dinámica de la marcha:
DTC es una versión del DSC optimizada en la propulsión para determinadas relaciones de la calzada. El control dinámico de la tracción (DTC) ofrece una tracción mejorada con una estabilidad de marcha reducida, por lo que solo se recomienda para situaciones excepcionales. En las siguientes situaciones extraordinarias puede ser de utilidad, activar brevemente el DTC:
La función DTC equivale al DSC con una estrategia de regulación ligeramente modificada. El DTC se puede activar desconectando del DSC (tecla DTC). El DTC copia mediante el uso del freno la función de un bloqueo diferencial convencional. De este modo, aumenta el momento de propulsión sobre las ruedas que se encuentran sobre una capa con un valor de fricción más elevado.
Ventaja: Con DTC se dispone de una tracción más elevada. Las acciones para estabilizar el vehículo (p. ej. reducir la potencia del motor) se ejecutan un poco más tarde que en el DSC. En determinadas situaciones, el conductor debe actuar el mismo para corregir con mayor firmeza para que el vehículo pueda estabilizarse.
La aplicación temprana de los forros del freno acorta el tiempo de respuesta de los mismos. Al retroceder rápidamente el acelerador (ángulo del acelerador) los forros de freno se aplican de forma inmediata. El DSC genera una presión de frenado reducida, sin que se produzca un retardo apreciable en el vehículo. Así, la holgura entre el forro de freno y el disco de freno se compensa. Si dentro de medio segundo no se frena. se reduce de nuevo tempranamente la presión de frenado generada. La aplicación temprana de los forros de freno está activa con una velocidad de marcha superior a 70 km/h.
El frenado para secar los discos de freno elimina la humedad que se fija en los recorridos sobre calzadas mojadas o bajo lluvia en el disco de freno. Los forros de freno se aplican ligeramente. Esta función también acorta el tiempo de respuesta de los frenos. En función de la señal del sensor de lluvia o la posición del interruptor del limpiaparabrisas el DSC genera cíclicamente una presión de frenado baja. Además, no se produce ningún retardo apreciable en el vehículo. Los forros de freno se aplican cíclicamente. Asimismo, los discos de freno se limpian periódicamente. La frecuencia y la duración de la aplicación de los forros de freno depende de:
Fading significa que: el efecto de frenado es menor debido a la temperatura de los discos de freno. Como reacción al fading, el DSC aumenta la presión de frenado mediante la presión del freno predeterminada por el conductor. Con una temperatura muy elevada del disco de freno, se muestra lo siguiente debido a la compensación del fading:
El DSC detecta el fading de la siguiente manera: El DSC compara el retardo actual del vehículo con un valor teórico referido a la presión actual de frenado. El DSC aumenta la presión de frenado hasta que se alcanza el retardo teórico o hasta que todas las ruedas se encuentran en la regulación ABS. El proceso finaliza cuando el pedal de freno se deja de pisar o el umbral de velocidad queda por debajo.
Durante la marcha es necesario cambiar del pedal de freno al acelerador. La asistencia al inicio de la marcha evita así el deslizamiento del vehículo en las siguientes situaciones:
Para ello, la presión de frenado necesaria para mantener el vehículo se conserva. El sensor de aceleración longitudinal de la unidad de mando DSC capta la inclinación de la calzada. A partir de la inclinación de la calzada se calcula el momento de frenado o el momento de giro del motor necesarios. Después de detectar los deseos del conductor se reduce la presión de frenado hasta que el momento de giro del motor existente sea suficiente para desplazar al vehículo en la dirección de marcha deseada. Al accionar los frenos de estacionamiento se desactiva la asistencia al inicio de la marcha. Si después de soltar el pedal de freno en aprox. 2 segundos no se detecta ningún deseo de marcha, la asistencia al inicio de la marcha también se desactiva.
La regulación de velocidad con función de frenado está integrada en el DSC de forma funcional. La regulación de velocidad mantiene la velocidad seleccionada entre 30 km/h y 250 km/h de forma constante.
En comparación a la regulación de velocidad convencional existen las siguientes funciones adicionales:
El EMF es un freno de estacionamiento.
Con el motor en marcha el DSC genera la fuerza de forma hidráulica.
Con el motor parado, el EMF genera la fuerza mediante la unidad de regulación de forma mecánica.
El sistema antibloqueo (ABS) evita el bloqueo de las ruedas al frenar. Ventajas: recorridos de frenado más cortos, el vehículo conserva una dirección estable y se puede dirigir. La presión de frenado de todas las ruedas se regula de forma que cada rueda se mueve en un intervalo óptimo de deslizamiento. De esta forma, el deslizamiento se regula para que se pueda transmitir la máxima fuerza de frenado y de guía lateral.
La distribución electrónica de la fuerza de frenado (EBV) es un componente del ABS. La EBV regula la distribución de la fuerza de frenado entre el eje delantero y el eje trasero, en función de la carga. Ventajas: independientemente de la carga, se alcanzan recorridos de frenado óptimos, al mismo tiempo que una elevada estabilidad de marcha. El desgaste de los forros de freno se distribuye mejor. En el caso de avería del ABS, la función de EBV se mantiene en mayor tiempo posible. Para la función de EBV se requieren las señales de 2 sensores del número de revoluciones de la rueda por eje como mínimo.
El Control de frenada en curvas (CBC) es una ampliación del ABS. El CBC incrementa la estabilidad en la marcha al frenar el curvas (”lógica de curvas”). Ventajas: Optimización de la estabilidad en la marcha en el comportamiento de frenado parcial en la marcha en curva. La prolongación de las cargas de la rueda en las marchas en curva (ya en frenados ligeros) puede provocar que la estabilidad en la marcha disminuya. Si es necesario, el CBC genera un momento antagónico al frenar ligeramente fuera del campo de regulación del ABS.
La regulación del momento de arrastre del motor (MSR) evita la tendencia al bloqueo de las ruedas de accionamiento en una calzada llana. Al cambiar a una marcha inferior o en un cambio de carga abrupto existe el peligro de que las ruedas de accionamiento se bloqueen por el momento de arrastre del motor (especialmente en una calzada con un valor de fricción bajo). Mediante los sensores del número de revoluciones de la rueda, la MSR detecta la tendencia al bloqueo ya en el inicio. La MSR reduce rápidamente el momento de arrastre del motor dando gas ligeramente. Ventajas: de esta forma, las ruedas de accionamiento conservan también en la marcha por inercia sus fuerzas de guía lateral.
El control automático de estabilidad (ASC) evita el giro de las ruedas al acelerar interviniendo en los frenos y en el motor. Ventajas: más tracción y mejor estabilidad en la marcha. Si las ruedas del eje accionado intervienen de forma diferente, la rueda que tiende a girar se frenará. Si es necesario, también se reduce la potencia del motor.
El control dinámico de estabilidad (DSC) detecta el estado actual del vehículo gracias a la evaluación de las señales del sensor. Este estado del vehículo se compara con los valores nominales determinados mediante un modelo de cálculo. De esta forma se detectan estados del vehículo inestables ya en el inicio. En el caso de desviaciones que se detecten mediante la abrazadera de regulación de la unidad de mando DSC, el vehículo se estabilizará. La estabilización (dentro de los límites físicos) se alcanza mediante la reducción de la potencia del motor y mediante el frenado individual de las ruedas individuales. Las intervenciones en el DSC interfieren en las funciones del ABS y el ASC. La función DSC se puede desconectar mediante una tecla. El R56 no dispone de ningún control dinámico de tracción (DTC).
El control dinámico de frenos (DBC) da asistencia en situaciones de frenado de emergencia, amplificando la presión de frenado. Ventajas: recorridos de frenado lo más cortos posibles en situaciones de frenado de emergencia gracias a la regulación del ABS en las 4 ruedas. Con frecuencia, en las situaciones de frenado de emergencia no se pisa el pedal de freno con la fuerza suficiente. De esta forma no se alcanza el campo de regulación del ABS. La bomba de transporte lleva los frenos al campo de regulación del ABS incrementando la presión de frenado en las siguientes situaciones:
El control dinámico de estabilidad (DSC) predetermina el valor teórico para la regulación a las cuatro ruedas con xDrive. La unidad de mando DSC calcula el momento de bloqueo para el embrague de discos múltiples en el engranaje de distribución. El valor teórico depende de las tendencias sobre el viraje y el subviraje del vehículo y el deslizamiento de la rueda. El valor teórico se envía por el PT-CAN a la unidad de mando VTG. La unidad de mando VTG comunica el momento de bloqueo real a la unidad de mando DSC. La unidad de mando DSC calcula el momento de bloqueo del embrague de discos múltiples de la siguiente manera:
El Sistema de control en pendientes (HDC) es una regulación automática de la velocidad para las marchas en descenso en los vehículos con tracción a las cuatro ruedas. El HDC se puede conectar y desconectar en el centro de conmutación de la consola central. El HDC reduce la velocidad de marcha de forma automática. La velocidad de marcha se reduce mediante la actuación del freno en las cuatro ruedas algo más que en la velocidad del paso normal. De este modo, resulta una marcha en descenso estable sobre una calzada empinada y lisa. El HDC mantiene constante esta velocidad (las funciones DSC permanecen todas activas). Con el acelerador y el pedal de freno o la palanca de mando de la dirección para la regulación de velocidad se puede variar la velocidad de marcha de forma continua dentro de los valores fijados. De fábrica la tecla inferior de programación libre en el volante multifuncional está asignada con el HDC.
El control de estabilización del remolque detecta las oscilaciones de péndulo de un remolque en torno al eje elevado. El sistema funciona a partir de una velocidad de aprox. 65 km/h con el enchufe de remolque ocupado. El control dinámico de estabilidad (DSC) supervisa con ayuda de los sensores DSC el comportamiento de guiñada del vehículo. Con tracción oscilante, se sobrepasa el valor límite, se reduce la potencia del motor. Además, el DSC frena las 4 ruedas de forma automática. Con el DSC desactivado o defectuoso, el control de estabilización del remolque también estará fuera de servicio.
El indicador de incidencias en neumáticos (RPA) no es una función de la regulación de la dinámica de marcha. El RPA está integrado en la unidad de mando DSC, ya que para esta función se requieren 4 señales de velocidad de giro de rueda. El sistema compara mediante las 4 velocidades de giro de rueda una desviación de la circunferencia de rodadura de cada rueda. De este forma se detecta una lenta pérdida de presión de inflado de los neumáticos.
El indicador de incidencias en neumáticos se puede inicializar de la siguiente forma:
El CBS no se una función de la regulación de la dinámica de marcha. Condition Based Service significa ”servicio orientado a las necesidades”. En el CBS se han integrado diferentes volúmenes de mantenimiento, p. ej., aceite de motor, bujías y forros de freno. En la unidad de mando DSC se calcula por separado el recorrido restante para los forros de freno delanteros y traseros. Para el cálculo también se utiliza el estado de los sensores de desgaste de forro de freno (posición de soporte para 6 mm y 4 mm).
¡Atención! Cambiar la unidad de mando DSC.
Al cambiar la unidad de mando DSC se debe tener en cuenta el Manual de reparaciones (requiere herramienta especial).
El sistema de diagnóstico BMW incluye las siguientes funciones de servicio:
Después del cambio, la unidad de mando DSC debe codificarse.
Después de cada arranque del motor, el DSC está listo para el servicio.
Salvo error u omisión; sujeto a modificaciones técnicas.