La función de elevalunas eléctrico se realiza por varias unidades de mando. El módulo del espacio reposapiés acciona los elevalunas delanteros. El sistema electrónico caja de conexión, si está montado, acciona los elevalunas traseros.

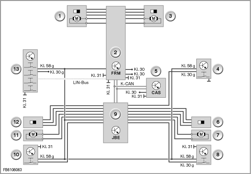
Gráfico que muestra el E70
Indice |
Descripción |
Indice |
Descripción |
1 |
Motor del elevalunas del lado del conductor delantero |
2 |
Módulo del espacio apoyapiés (FRM) |
3 |
Motor del elevalunas del lado del acompañante delantero |
4 |
Interruptor del elevalunas del lado del acompañante delantero |
5 |
Car Access System (CAS) |
6 |
Sensor Hall elevalunas del lado del acompañante trasero |
7 |
Motor del elevalunas lado del acompañante trasero |
8 |
Interruptor del elevalunas lado del acompañante trasero |
9 |
Caja de conexión con sistema electrónico caja de conexión (JBE) |
10 |
Interruptor del elevalunas lado del conductor trasero |
11 |
Motor del elevalunas lado del conductor trasero |
12 |
Sensor Hall elevalunas lado del conductor trasero |
13 |
Bloque de interruptores de la puerta del conductor |
|
|
Las unidades de mando participantes se comunican a través de los buses de datos en el vehículo. La caja de conexión suministra tensión a las unidades de mando.
Salvo error u omisión; sujeto a modificaciones técnicas.