El levantador eléctrico de la puerta del maletero se oferta en E70 a partir de 10/07. Se aplica por primera vez un sistema accionado por husillo.
La puerta del maletero superior se puede abrir y cerrar automáticamente pulsando un botón. La puerta del maletero inferior continúa abriéndose de forma manual.
El ángulo de abertura de la puerta del maletero se puede predeterminar con el Controlador en cinco niveles a través del menú del Central Information Display. Por tanto, la puerta del maletero solo se desplaza hasta el ángulo ajustado.
Se describen los siguientes componentes para el levantador de la puerta del maletero:
Los accionamientos de husillo se montan en el lugar de los resortes de compresión por gas a izquierda y derecha en la puerta del maletero. El accionamiento de husillo dispone de los siguientes componentes:

Índice |
Explicación |
Índice |
Explicación |
|---|---|---|---|
1 |
Paquete de resortes |
2 |
Husillo |
3 |
Nivel de accionamiento |
4 |
Motor accionamiento del husillo |
5 |
Sensores Hall |
|
|

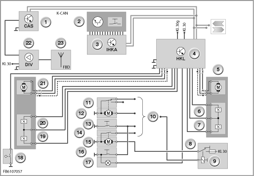
Índice |
Explicación |
Índice |
Explicación |
|---|---|---|---|
1 |
Car Access System (CAS) |
2 |
Botón de la puerta del maletero en el centro de conexiones de la consola central |
3 |
Sistema automático integrado de calefacción y climatización (IHKA) |
4 |
Levantador de la puerta del maletero (HKL) |
5 |
Motor accionado mediante husillo derecho |
6 |
Sensor Hall derecho |
7 |
Sensor Hall derecho |
8 |
Distribuidor de corriente trasero |
9 |
Relé Sistema de cierre automático Soft-Close (SCA) |
10 |
Conexiones para la unidad de mando de la Junction Box (caja de conexiones) |
11 |
Conmutador de contacto de la puerta del maletero |
12 |
Cierre del motor de la puerta superior del maletero |
13 |
Botón de la puerta del maletero fuera de la puerta del maletero |
14 |
Contacto accionamiento cierre automático Soft-Close |
15 |
Motor cierre automático Soft-Close de la puerta del maletero |
16 |
Botón de la puerta del maletero dentro de la puerta del maletero |
17 |
Iluminación del botón interior de la puerta del maletero |
18 |
Microinterruptor puerta inferior del maletero |
19 |
Sensor Hall izquierdo |
20 |
Sensor Hall izquierdo |
21 |
Motor accionado mediante husillo izquierdo |
22 |
Receptor del mando a distancia |
23 |
Sensor Hall izquierdo |
|
|

Índice |
Explicación |
Índice |
Explicación |
|---|---|---|---|
1 |
Unidad de mando levantador de la puerta del maletero |
|
|
El levantador de la puerta del maletero está montado en el maletero a la derecha en el portaherramientas. El HKL controla y supervisa la función del accionamiento automático de la puerta del maletero.
La logística de accionamiento está conectada al borne 30g. El HKL está conectado adicionalmente al borne 30 para la corriente bajo carga del accionamiento del husillo.
El levantador de la puerta del maletero funciona entre 9 V y 16 V. Fuera de esta gama, no se pueden mantener las funciones.
El Car Access System (CAS) recibe la señal del mando a distancia o del emisor de identificación y lo comprueba. Si la comprobación (autenticación) se realizó con éxito, el CAS emite la autorización para el desbloqueo de la puerta del maletero.
El sistema electrónico caja de conexión lleva a cabo el desbloqueo de la puerta del maletero. El sistema electrónico caja de conexión está integrado en el distribuidor de corriente delantero.
El botón de la puerta del maletero se conmuta a masa. El sistema electrónico caja de conexión registra la señal del botón de la puerta del maletero. El sistema electrónico caja de conexión indica mediante el K-CAN el estado del botón de la puerta del maletero al HKL.
El botón interior de la puerta del maletero se encuentra conectado en paralelo al botón exterior de la puerta del maletero en el sistema electrónico caja de conexión. Por eso, el sistema electrónico caja de conexión no distingue entre ambos botones de la puerta del maletero.
La señal de radio del mando a distancia se recibe a través de la antena de la luneta trasera. El receptor del mando a distancia en el módulo Diversity transmite la señal a través del K-CAN al Car Access System. El Car Access System es responsable central de la función del cierre centralizado. El emisor de identificación utilizado en vehículos con acceso confort tiene la misma funcionalidad que el mando a distancia.
El botón de la puerta del maletero está codificado contra la resistencia. El estado del botón de la puerta del maletero se evalúa mediante la unidad de mando del climatizador. La unidad de mando del climatizador envía el estado a través del K-CAN.
El conmutador de contacto de la puerta del maletero se conmuta a masa con la puerta del maletero cerrada. El estado del conmutador de contacto de la puerta del maletero es evaluado y puesto a disposición por parte del sistema electrónico caja de conexión.

Índice |
Explicación |
Índice |
Explicación |
|---|---|---|---|
1 |
Microinterruptor puerta inferior del maletero |
|
|
El contacto de la puerta inferior del maletero se realiza como microconmutador y se conmuta a masa. HKL evalúa el estado del microconmutador. Si la puerta inferior del maletero no está cerrada correctamente, no se puede llevar a cabo el accionamiento automático de la puerta del maletero. El levantador de la puerta del maletero genera entonces un aviso Check-Control y lo envía a través de K-CAN.
Se describen las siguientes funciones del sistema para el levantador de la puerta del maletero:
Accionando un botón de la puerta del maletero, se abre y cierra automáticamente la puerta del maletero. Está excluido el botón de la puerta del maletero en el cuadro de mandos Consola central. Con éste solo se puede abrir automáticamente.
Tras la autorización por parte del CAS, el sistema electrónico caja de conexión realiza el desbloqueo de la puerta del maletero. Primero se activa el accionamiento del cierre automático Soft-Close para aflojar la puerta del maletero. Después se activa el cierre de la puerta del maletero.
El conmutador de contacto de la puerta del maletero cambia de cerrado a abierto y los accionamientos de husillo se activan para la apertura.
La puerta del maletero se abrirá completamente o hasta el ángulo de abertura configurado. Si hubiese una condición de bloqueo activa (véanse condiciones de bloqueo) durante el movimiento de la puerta del maletero, dicho movimiento pararía.
Si se pulsa brevemente el botón de la puerta del maletero durante la apertura, se detiene la misma.
En el HKL está integrada la función ”marcha suave adelante” o ”marcha suave atrás”. Esto significa que la puerta del maletero, un poco antes de alcanzar los topes finales, se mueve suavemente hacia el tope final, gracias a la reducción de la velocidad de cierre y de abertura. (excepción: sin marcha suave atrás al cerrar). Ésta se consigue mediante la modificación de la duración de impulsos de la tensión de excitación.
En el caso de vehículos con acceso confort, también se puede llevar a cabo el cierre de la puerta del maletero con el vehículo bloqueado. Pulsando el botón exterior de la puerta del maletero, se puede abrir automáticamente la puerta del maletero. Para ello, debe disponer del adecuado transmisor de identificación y encontrarse a una distancia media de la parte posterior del vehículo.
El accionamiento automático de la puerta del maletero no se podrá activar mientras el vehículo esté en marcha, solo se podrá accionar con el vehículo parado.
Si está un poco abierta, se puede mover la puerta del maletero con la mano en el sentido ”ABIERTO” o ”CERRADO”.
En cada accionamiento de husillo hay integrado motor. En el motor hay dos sensores Hall colocados apartados entre sí. Gracias a ello se puede reconocer el sentido de giro del motor. Además se puede reconocer, sobre la base de los impulsos de los sensores Hall, el recorrido y con ello el ángulo de abertura de la puerta del maletero. Los impulsos de los sensores Hall se utilizan, por ejemplo, para el ajuste del grado de abertura a través del Central Information Display
El reconocimiento de bloqueo actúa al abrirse y cerrarse la puerta del maletero. Un bloqueo del movimiento de la puerta del maletero al abrirse provoca que se detenga inmediatamente el movimiento de la puerta del maletero. Si el movimiento de la puerta del maletero se bloquea al cerrarse, el HKL activa los accionamientos de husillo brevemente en el sentido contrario (= revertir). Si la puerta del maletero continúa bloqueada, se dejan de activar los accionamientos de husillo.
Se reconoce un bloqueo cuando los impulsos de los sensores Hall no aparecen o cuando la corriente del motor aumenta.
Para evitar el sobrecalentamiento de los motores, se ha integrado en el HKL un bloqueo de repetición. Para el bloqueo de repetición se suma el tiempo de marcha del motor. Si la suma excede el tiempo de marcha total de 2 minutos, no se acepta una nueva activación. Una acción que ya está en marcha se termina siempre. Tras una fase de enfriamiento de 6 minutos es posible un tiempo de marcha del motor de 2 minutos.
La puerta del maletero no se puede activar en diferentes situaciones para proteger el motor de posibles daños.
A continuación, indicamos las más usuales:
Condiciones de bloqueo |
Explicación/Advertencia |
|---|---|
Velocidad del vehículo máx>3 km/h |
Excepción: una orden de cierre se realiza hasta el final. Señal de velocidad de la combinación de instrumentos mediante K-CAN. |
Temperatura exterior entre < - 30 °C y +80 °C |
Señal de temperatura exterior de la combinación de instrumentos mediante K-CAN |
Tensión de red a bordo <9 V hasta 16 V> |
|
Puerta inferior del maletero mal cerrada |
Interrupción durante el movimiento de la puerta del maletero, bloqueo de mando de la puerta del maletero. Aún se puede abrir. |
Arranque del motor (estado ”Borne 50 CON”) |
Señal de CAS a través de K-CAN. Interrupción durante el movimiento de la puerta del maletero, bloqueo de mando de la puerta del maletero. |
Si la señal de velocidad o de temperatura no es válida, es posible mover la puerta del maletero.
Un accionamiento de husillo defectuoso se debe cambiar completo.
Para cambiar los accionamientos de husillo, el borne 30g debería permanecer desconectado. De lo contrario se generará una entrada de acumulación de error y el accionamiento automático de la puerta trasera no funciona.
Tras un cambio de la unidad de mando del levantador de la puerta del maletero o de los accionamientos de husillo, es necesario aprender de nuevo el tope final superior. Para ello, la puerta del maletero se mueve en la primera apertura en el tope superior sobre el bloque.
El bloqueo de la puerta del maletero, y con ello la ausencia de impulsos de los sensores Hall de los accionamientos de husillo, marca el punto del ángulo máximo de abertura de la puerta del maletero. De este punto se extrae un valor de aprox. el 5 % de todos los impulsos de los sensores Hall. Éste es el ángulo de abertura futuro de la puerta del maletero. Este punto también se denomina parada suave.
Gracias a la parada suave se evita que la puerta del maletero se abra hasta el tope final y que resulte dañada por ello.
El tope final inferior se transmite mediante el cambio de abierto a cerrado del conmutador de contacto de la puerta del maletero del cerrojo de la de la puerta del maletero.
El movimiento de la puerta del maletero comienza después de soltar el botón de la puerta del maletero.
No se puede llevar a cabo el cierre de la puerta del maletero mediante el mando a distancia.
Salvo error u omisión; sujeto a modificaciones técnicas.