El asistente de luz de carretera (FLA) en E70 ayuda al conductor en el manejo de la luz de carretera. Gracias a la ayuda del asistente de luz de carretera la luz de carretera se apaga y enciende automáticamente en función de la situación de tráfico. El asistente de luz de carretera detecta los vehículos que circulan delante y los que vienen en dirección contraria, así como las localidades con iluminación continua.
Se describen los siguientes componentes del asistente de luz de carretera:
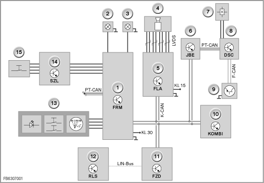
El asistente para las luces de carretera solo se puede activar si el mando de las luces está en posición ”A”. La posición de interruptor ”A” corresponde a la conexión automatizada de la luz de cruce.
Con el interruptor de luz de carretera de dirección de marcha en SZL se activa y desactiva el asistente de luz de carretera. Las señales del interruptor combinado de los intermitentes y la luz de carretera se reciben y evalúan en el SZL. El SZL envía las señales de interruptor del interruptor de luz de carretera de dirección de marcha directamente al módulo del espacio reposapiés (FRM).
El RLSS mide la luz ambiental. A partir del crepúsculo el módulo del espacio reposapiés (FRM) conecta la luz de cruce. El asistente de luz de carretera (FLA) solamente se puede activar con la luz de cruce conectada. Para ello el mando de las luces debe estar en posición ”A”. El RLSS envía su información al centro de funciones del techo (FZD) a través del bus LIN.
El FZD procesa la información del RLSS. El FZD comunica al módulo del espacio reposapiés (FRM) la condición de conexión del RLSS a través del K-CAN.
El cuadro de instrumentos contiene las siguientes indicaciones:
El sensor óptico es una cámara especial que sirve para detectar fuentes luminosas. El sensor óptico transmite imágenes al asistente de luz de carretera (FLA). Las imágenes se transmiten a través de una línea de datos de LVDS (LVDS: Low Voltage Differential Signaling). El FLA interpreta estas imágenes. El FLA envía al módulo del espacio reposapiés (FRM) una recomendación de conexión, o bien de desconexión, para la luz de carretera a través del K-CAN. Esta recomendación depende de la situación del tráfico, la luminosidad existente y la velocidad de marcha.
El DSC calcula con las señales de los sensores del número de revoluciones de la rueda la velocidad de marcha. El DSC calcula con la señal del sensor DSC la guiñada. El FLA utiliza la información de la guiñada para poder interpretar mejor la imagen en una marcha en curva. El DSC envía los resultados de los cálculos de la velocidad de marcha y la guiñada, a través del PT-CAN, al sistema electrónico caja de conexión (JBE).
El FRM recibe diferentes magnitudes de entrada para la luz de carretera.
El FRM procesa las siguientes magnitudes de entrada:
En función de las magnitudes de entrada el FRM enciende o apaga la luz de carretera. El FRM controla los faros para la luz de carretera. El FRM controla el testigo de control en el cuadro de instrumentos. En caso de fallo del asistente de luz de carretera se muestra un símbolo de Check-Control. El FRM está conectado al K-CAN.
El JBE recibe a través del PT-CAN los cálculos del DSC. El JBE envía su información a través del K-CAN al FRM.

El gráfico muestra el retrovisor interior E70
Índice |
Explicación |
Índice |
Explicación |
|---|---|---|---|
1 |
Sensor solar de lluvia y luminosidad (RLSS) |
2 |
Unidad de mando FLA en el retrovisor interior |
3 |
Teclas para el mando a distancia universal integrado |
4 |
Diodo luminoso para la alarma antirrobo |
5 |
sensor óptico |
6 |
Cubierta |

Esquema de conexiones por bloques E70
Índice |
Explicación |
Índice |
Explicación |
|---|---|---|---|
1 |
Módulo del espacio apoyapiés (FRM) |
2 |
Luz de carretera a la izquierda |
3 |
Luz de carretera a la derecha |
4 |
sensor óptico |
5 |
Asistente para las luces de carretera (FLA) |
6 |
Sistema electrónico caja de conexión (JBE) |
7 |
Sensor de velocidad de giro de la rueda: |
8 |
Control dinámico de la estabilidad (DSC) |
9 |
Sensor DSC |
10 |
Cuadro de instrumentos |
11 |
Centro de funciones de techo (FZD) |
12 |
Sensor solar de lluvia y luminosidad (RLSS) |
13 |
Interruptor de luces |
14 |
Centro de mandos en la columna de dirección (SZL) |
15 |
Interruptor de luz de carretera de dirección de marcha |
|
|
El asistente de luz de carretera envía al FRM en función de la situación de tráfico una recomendación de conexión o de desconexión para la luz de carretera. Dependiendo de esta recomendación y de otras magnitudes de entrada diferentes el FRM decide si se conecta o desconecta la luz de carretera.
Se describen las siguientes funciones del asistente de luz de carretera:

Campo de detección del sensor óptico
Índice |
Explicación |
Índice |
Explicación |
|---|---|---|---|
1 |
Cono luminoso de la luz de carretera |
2 |
Luces traseras de un vehículo circulando delante del propio |
3 |
Campo de detección del sensor óptico hacia delante |
4 |
Faros de un vehículo aproximándose en sentido opuesto |
El cono luminoso de la luz de carretera tiene un alcance de aprox. 400 m. El sensor óptico tiene un alcance de aprox. 1.000 m. De esta forma se garantiza que el sensor óptico detecte los vehículos que se aproximan en sentido opuesto al de marcha antes de que estos puedan llegar a ser deslumbrados por el cono luminoso de la luz de carretera. Cuando el sensor óptico detecta un vehículo que se aproxima en dirección opuesta a la marcha, el FLA envía una recomendación de desconexión al FRM. El FRM desconecta la luz de carretera.
Cuando el sensor óptico detecta un vehículo que circula delante, el FLA envía una recomendación de desconexión al FRM. El FRM desconecta la luz de carretera.
Cuando el sensor óptico detecta un entorno con suficiente iluminación, el FLA envía una recomendación de desconexión al FRM. El FRM desconecta la luz de carretera. Por iluminación suficiente se entiende:
Cuando no existe ningún motivo para un antideslumbramiento de la luz de carretera, el FRM conecta la luz de carretera. Los faros se encienden.
En el cuadro de instrumentos el testigo de control para el asistente de luz de carretera (naranja) se enciende en cuanto el FLA está activado. De forma adicional, el testigo de control de la luz de carretera se enciende (azul) en cuanto se conecta la luz de carretera. Cuando el FLA detecta un fallo en el sistema, se muestra un símbolo de Check-Control (amarillo).
Puede haber limitaciones de funcionamiento del FLA en las siguientes circunstancias:
Para garantizar la función perfecta del asistente de luz de carretera, el sensor óptico debe estar alineado en paralelo al eje central. En viajes nocturnos el FLA puede alinearse automáticamente hasta 3° hacia la izquierda y 3° hacia la derecha. De esta forma se compensa cualquier pequeña desviación del eje central. Condiciones de circulación necesarias para la alienación automática del asistente para las luces de carretera:
Salvo error u omisión; sujeto a modificaciones técnicas.