La luz de curva solo está disponible en combinación con el equipo opcional de luz autoadaptable en curvas. La luz de curva ilumina de forma adicional a la luz autoadaptable en curvas las zonas delanteras y laterales del vehículo.
Se describen los siguientes componentes para la luz de curva:
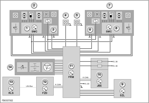
Para que la luz de curva pueda activarse, el interruptor de luz debe encontrarse en posición de interruptor ”A”. El interruptor de luz tiene para la conexión automatizada de la luz de cruce un testigo de control verde. Cuando se detecta un error en el sistema, el testigo de control comienza a parpadear. El interruptor de luz está unido directamente con el módulo del espacio reposapiés (FRM).
Para la luz de curva se necesita un faro antiniebla especial. El faro antiniebla dispone de un reflector para la luz de curva. En el momento que el faro antiniebla se conecta, la luz de la lámpara del faro antiniebla alcanza el reflector de la luz de curva. El reflector tiene una forma especial y refleja la luz hacia la zona de curva. Desde el exterior el faro antiniebla con función de luz de curva se reconoce porque el reflector está completamente cromado.
El RLSS se encuentra integrado en el cristal parabrisas en la pata del espejo del retrovisor interior. El RLSS detecta el crepúsculo o la oscuridad. El RLSS envía al sobrepasar el valor umbral un mensaje al centro de funciones del techo (FZD). El RLSS está unido con el FZD a través del bus LIN. El FZD transmite el mensaje, a través del K-CAN, al módulo del espacio reposapiés (FRM).
En el SZL se encuentra el interruptor de luz de carretera de dirección de marcha. El interruptor de luz de carretera de dirección de marcha envía señales al SZL. El SZL envía las señales recibidas directamente al módulo del espacio reposapiés (FRM).
El FRM se encarga del control de la luz de curva. El FRM controla también el testigo de control en el interruptor de luz. El FRM recibe todas las condiciones de conexión directamente o a través del K-CAN. El FRM se encuentra en el lateral del espacio reposapiés del lado del conductor debajo del tablero de instrumentos.
El JBE se encarga de la alimentación de tensión. El JBE está unido con el FRM a través del K-CAN. El JBE se encuentra debajo del tablero de instrumentos en el espacio reposapiés del acompañante.

Montaje del faro antiniebla en E70
Índice |
Explicación |
Índice |
Explicación |
|---|---|---|---|
1 |
Reflector de la luz de curva |
2 |
Reflector del faro antiniebla |
3 |
Lámpara del faro antiniebla |
|
|

Esquema de conexiones por bloques E70
Índice |
Explicación |
Índice |
Explicación |
|---|---|---|---|
1 |
Controlador del motor paso a paso (SMC) izquierdo |
2 |
Faro principal a la izquierda |
3 |
Unidad de mando de xenón a la izquierda |
4 |
Faro antiniebla del lado izquierdo |
5 |
Faro antiniebla del lado derecho |
6 |
Unidad de mando de xenón a la derecha |
7 |
Faro principal a la derecha |
8 |
Controlador del motor paso a paso (SMC) derecho |
9 |
Centro de mandos en la columna de dirección (SZL) |
10 |
Sistema electrónico caja de conexión (JBE) |
11 |
Módulo del espacio apoyapiés (FRM) |
12 |
Centro de funciones de techo (FZD) |
13 |
Sensor solar de lluvia y luminosidad (RLSS) |
14 |
Interruptor de luces |
La luz de curva no se conecta y desconecta de forma súbita. La luz de curva se conecta y desconecta de forma atenuada según unos parámetros temporales especiales. En función del país la luz de curva se conecta y desconecta en marcha en curva.
Se describen las siguientes funciones de la luz de curva:
A coche parado la luz de curva se desconecta después de un tiempo determinado, p. ej. esperar en un semáforo. No obstante, la luz de giro se puede volver a conectar mediante el interruptor de luz de carretera de dirección de marcha
El lateral de la luz de curva a activar depende de las siguientes condiciones:
dirección de marcha hacia delante
dirección de marcha hacia atrás
Solo en la versión para EE.UU.:
Cuando se detecta un defecto en la luz de curva, tienen validez los mismos avisos del Check-Control de los faros antiniebla.
Salvo error u omisión; sujeto a modificaciones técnicas.