Den elektroniska körspärren (EWS) fungerar som stöldsäkring och startgodkännande.
Vår EWS av den 4:e generationen är en vidareutveckling av den tidigare EWS. Denna vidareutveckling utnyttjar en ny och modern låskodsmetod.
Varje bil tilldelas en 128 bitars lång hemlig kod. Denna hemliga kod lagras i en BMW-databas. På så sätt är det bara BMW som känner till den hemliga koden.
Den hemliga koden programmeras och spärras i följande styrenheter:
När den hemliga koden är spärrad i styrenheterna, kan den inte raderas eller ändras längre. Därmed tillhör varje styrenhet en bestämd bil. Styrenheterna identifieras sig sinsemellan med den hemliga koden och samma algoritm.
Vid EWS av 4:e generationen utgår den direkta kabeln (EWS-datakabeln) mellan DME/DDE och CAS (inte E83).
För dataöverföringen av EWS-signalen används CAN-datakabeln (PT-CAN och K-CAN) och K-bussen (även kallad CAS-buss). K-bussen används när en EWS-signal inte kan sändas via CAN-datakabeln.
> E83: Dataöverföringen mellan EWS-styrenheten och DME/DDE sker som tidigare via den direkta EWS-datakabeln.
Användning av EWS (4:e generationen):
Utvecklings-modellserie |
Motorer |
Motorstyrenhet |
|---|---|---|
Kompetensnivåer: |
||
E60, E61, E63, E64 |
N52B25U1, N52B25O1, N52B30M1, N52B30O1 |
MSV80 |
N53B25U0, N53B30U0, N53B30O0, N54B30O0 |
MSD80 |
|
N43B20O0 |
MSD80.2 |
|
N46B20O2 |
MEV17.2.1 |
|
N47D20O0 |
DDE70 |
|
E81, E82, E87, E88, E90, E90 M3, E91, E92, E92 M3, E93, E93 M3 |
N43B16, N43B20U0, N43B20O0 |
MSD80.2 |
N45B16O2, N46B20U2, N46B20O2 |
MEV17.2.1 |
|
N51B30M0, N52B25U1, N52B25O1, N52B30U0, N52B30M1, N52B30O1 |
MSV80 |
|
N47D20U0, N47D20O0 |
DDE70 |
|
N53B30U0, N53B30O0, N54B30O0 |
MSD80 |
|
S65 |
MSS60 |
|
E83 |
N52B25O1, N52B30U1, N52B30O1 |
MSV80 |
N46B20O2 |
MEV17.2.1 |
|
N47D20O0 |
DDE70 |
|
E70 |
N52B30O1 |
MSV80 |
R55, R56 |
N12 |
MEV17.2 |
N14 |
MED17.2 |
|
Följande komponenter för EWS beskrivs:
I varje fjärrkontroll är ett transponderchip integrerat, vilket både kan sända och ta emot. Dataöverföringen sker, som för en transformator, mellan ringantennen i insticksfacket resp tändningslåset (endast E83) och transponderchipet. Fjärrkontrollem sänder data till EWS- resp CAS-styrenheten och mottar även data från dessa.
I transponderchipet är även behörigheten till fjärrkontrollen för det aktuella fordonet kodat.
EWS- resp CAS-styrenheten kan hantera max 10 styrenheter som passar till fjärrkontrollen, dvs man kan lägga till ytterligare max 6 fjärrkontroller som reserver.
EWS- resp CAS-styrenheten kan identifiera de enskilda fjärrkontrollerna. Därmed kan man spärra eller frige enskilda fjärrkontroller. Uppstår det fel under kommunikationen mellan EWS- resp CAS-styrenheten och de enskilda fjärrkontrollerna, så lagras dessa i felminnet för varje enskild fjärrkontroll separat.
I insticksfacket för fjärrkontrollen resp runt tändningslåset (endast E83) finns det en ringantenn (spole) för avläsning av transponderchipet. Via ringantennen kommunicerar transponderchipet och EWS- resp CAS-styrenheten.
I bilar med ett elektriskt rattlås, beläggs detta med ström, efter autentiseringen via CAS. Först därefter kan en upplåsning eller låsning ske. En motorstart medges endast, om det elektriska rattlåset är upplåst och säkrat.
> E83
Via EWS-datakabeln autentiseras EWS-styrenheten och DME/DDE inbördes.
I bilar med automatisk växellåda avges ett startgodkännande via EWS- resp CAS-styrenheten endast om växelspaken står i läge ”P” eller ”N”.
Följande styrenheter berörs av den elektronisk körspärren (EWS):
> inte E83
CAS-styrenheten är ”master”-styrenheten för EWS. EWS är integrerad i CAS.
I CAS-styrenheten är den hemliga koden manipuleringssäkert lagrad.
CAS-styrenheten är en bussdeltagare i K-CAN (karosseri-CAN) och i K-bussen (karosseri-bussen).
CAS-styrenheten är gränssnitt för insticksfacket för fjärrkontrollen.

Index |
Förklaring |
Index |
Förklaring |
|---|---|---|---|
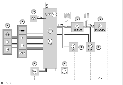
1 |
Comfort Access-system (CAS) |
2 |
Junction-boxens elektronik (JBE) resp Karosseri-/gateway-modulen (KGM) |
3 |
Digital motorelektronik (DME) resp Digital dieselelektronik (DDE) |
4 |
Elektroniska växellådsstyrningen (EGS) |
5 |
Komfortåtkomst (CA: Comfort Access) |
6 |
Fjärrkontrollmottagare |
7 |
Elektrisk styrspärr |
8 |
START-/STOPP-knapp |
9 |
Insticksfack med fjärrkontroll |
10 |
Startmotor |
Kl. 30L |
Kl. 30L |
Kl. 50L |
Kl. 50L |
K-buss |
Karosseri-buss (även kallad CAS-buss) |
K-CAN |
Karosseri-CAN |
PT-CAN |
Drivlinans CAN |
|
|
> endast E83
EWS-styrenheten är en bussdeltagare i K-bussen (karosseri-bussen).
EWS-styrenheten är gränssnittet till tändningslåset.

Index |
Förklaring |
Index |
Förklaring |
|---|---|---|---|
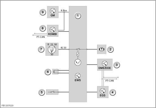
1 |
Elektronisk körspärr (EWS) |
2 |
Startmotor |
3 |
Digital motorelektronik (DME) resp Digital dieselelektronik (DDE) |
4 |
Elektronisk växellådsstyrning (EGS) |
5 |
Kopplingskontakt vid manuell växellåda (beroende på landsutförandet) |
6 |
Ringantennen (spole) |
7 |
Tändstartkontakt |
8 |
Instrumentkombination (KOMBI) |
9 |
Grundmodul (GM) |
|
|
K-buss |
Karosseribuss |
Kl. 50 |
Kl. 50 |
PT-CAN |
Drivlinans CAN |
|
|
DME-/DDE-styrenheten friger inte starten, förrän en korrekt frigivningssignal från EWS- resp CAS-styrenheten har ankommit. I DME/DDE är den hemliga koden manipuleringssäkert lagrad.
> E70, E81, E82, E87, E88, E90, E91, E92, E93, R55, R56
JBE är datagränssnitt mellan PT-CAN (drivlinans CAN) och K-CAN (karosseri-CAN).
> E60, E61, E63, E64
KGM är datagränssnitt mellan PT-CAN (drivlinans CAN) och K-CAN (karosseri-CAN).
> E83
Kombiinstrumentet KGM är datagränssnitt mellan PT-CAN (drivlinans CAN) och K-buss (karosseri-bussen).
> endast E70
Den elektroniska växellådsstyrningen (EGS) är integrerad som ytterligare körspärr i EWS av den 4:e generationen. EGS-styrenheten är bussdeltagare i K-bussen.
En frigivning av växellådsfunktionen sker först efter det att CAS-styrenheten och EGS-styrenheten har autentiserats inbördes
Vid SA 322”Komfortåtkomst” (CA: Vid Comfort Access behövs en identifieringsgivare istället för den vanliga fjärrkontrollen. Identifieringsgivaren uppfyller även fjärrkontrollens vanliga funktioner.
Styrenheten för komfortåtkomst (CA-styrenheten) styr innerantennen och ytterantennen. Därmed avläses möjliga identifieringsgivare. Samtidigt aktiveras fjärrkontrollmottagaren för svarande identifieringsgivare (FBD: fjärrkontrolltjänst).
CAS-styrenheten är master-styrenheten för alla funktioner till SA ”komfortåtkomst”:
Följande systemfunktioner för EWS beskrivs:
Vid upplåsningen verkställs en autentisering mellan Car Access System (CAS) och det elektriska rattlåset. Det elektriska rattlåset får endast påbörja upplåsningen efter ett positivt resultat av autentiseringen. Av säkerhetsskäl är det elektriska rattlåset inte spänningsförsörjt under färd. Det elektriska rattlåset försörjs endast med spänning för upplåsningsproceduren eller låsningsproceduren.
När identifikationsdatainformationen är korrekt, aktiverar CAS-styrenheten startmotorn via ett relä i styrenheten. Samtidigt sänder CAS-styrenheten en kodad frigivningssignal för motorstarten till DME-styrenheten. DME-styrenheten godkänner bara starten när en korrekt frigivningssignal har kommit fram från CAS-styrenheten.
Efter det att tändningslåset stuckits in i tändningslåset resp fjärrkontrollen stuckits in i insticksfacket, äger följande rum:
I styrenheterna är identiska växelkoder lagrade, vilkas värden ändras efter varje start. Växelkoden bildas ur ett slumptal och den hemliga koden.
Justering av motorstyrning med elektronisk körspärr
I och med införandet av vår nya EWS (4:e generationen) utgår justeringen mellan motorstyrenheten och den elektroniska körspärren.
Från och med denna tidpunkt kan vissa styrenheter endast bytas med för den aktuella bilen speciellt beställda styrenheterna.
Anmärkning! Tillvägagångssätt vid defekt styrenhet!
Om CAS, EWS (endast E83) eller DME/DDE är defekt, så måste ett speciellt tillvägagångssätt följas.
Den erforderliga styrenheten måste beställas specifikt för den aktuella bilen. Därtill krävs bilens data (chassinummer).
Efter styrenhetsbyte krävs inte någon EWS-justering.
> E70
Om den elektroniska växellådsstyrningen byts, krävs en justering. Vid justeringen överför CAS-styrenheten en individuell kod till EGS-styrenheten. Denna individuella kod krävs för autentiseringen för frigivning av växellådsfunktionen.
OBS!
Ett försöksbyte av styrenheter med hemlig kod är inte möjlig!
Reservnycklar kan endast beställas genom en BMW-handlares BMW reservdelsförsäljning. Där programmeras en av de 6 reservnycklarna anpassat efter bilen. Denna nyckel är ingen kopia av den förlorade nyckeln utan en ny nyckel.
Totalt kan inte mer än 6 st, till den monterade EWS-styrenheten passande reservnycklar, tillverkas resp levereras.
När en nyckel sticks in i tändningslåset för allra första gången, uppstår en märklig startfördröjning på 1 till 2 sekunder. Från och med detta tillfälle måste starterna alltid ske utan fördröjning.
Förlorade nycklar måste spärras via diagnosen. Se även ”Speciella egenskaper i diagnosprogrammet”.
OBS!
Varje nyckelbeställning dokumenteras, för att förfrågningar från försäkringar och myndigheter skall kunna följas upp.
Om alla fjärrkontroller resp tändningsnycklar går förlorade, krävs en ny EWS- resp CAS-styrenhet.
Via diagnosen (Servicefunktioner) kan man spärra resp frige enskilda fjärrkontroller resp tändningnycklar.
OBS!
Elektroniskt spärrad innebär, att vare sig startmotorn eller motorstyrenheten friges för start. Därvid ska man ovillkorligen uppmärksamma, att även en elektroniskt spärrad tändningsnyckel, liksom tidigare, passar mekaniskt, dvs alla luckor och dörrar kan fortfarande öppnas.
Här visas för varje enskild tändningsnyckel, som administreras av EWS- resp CAS-styrenheten, om den redan minst en gång har identifierats av EWS- resp CAS-styrenheten, dvs det är möjligt att även för äldre bilar rekonstruera hur många fjärrkontroller resp tändningsnycklar redan används för denna bil.
Med förbehåll för tryckfel, felaktigheter och tekniska ändringar.