Den aktiva bromsluftspjällsstyrningen förbättrar bilens aerodynamik. På så sätt minskas koldioxidutsläppen. Beroende på motorvariant och extrautrustning är en bromsluftspjällsstyrning monterad i bilen.
Systemet består av:
De båda bromsluftsspjällen är fastmonterade i stötfångaren. Omkopplingsventilen är fastsatt på det vänstra fjäderbenets valv.
Bromsluftsspjällen aktiveras med hjälp av vakuum. Vakuumpumpen på motorn alstrar detta vakuum. Vakuumet påverkar en vakuumdosa på bromsluftsspjällets hus.

Index |
Förklaring |
Index |
Förklaring |
|---|---|---|---|
1 |
Stötfångare |
2 |
Bromsluftsspjäll höger |
3 |
Bromsluftsspjäll vänster |
|
|
På båda bromsluftsspjällen befinner sig vardera 1 hallgivare. Hallgivarna fastställer bromsluftsspjällens läge (öppna eller stängda).

Index |
Förklaring |
Index |
Förklaring |
|---|---|---|---|
1 |
Bromsluftsspjäll |
2 |
Hallgivare |
3 |
Vakuumanslutning |
4 |
Vakuumdosa |
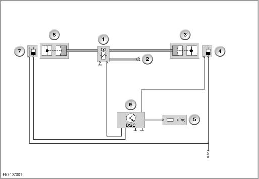
Omkopplingsventilen aktiveras av den dynamiska stabilitetskontrollen (DSC).

Index |
Förklaring |
Index |
Förklaring |
|---|---|---|---|
1 |
Omkopplingsventil |
2 |
från vakuumpumpen |
3 |
Bromsluftsspjäll höger |
4 |
Hallgivare höger |
5 |
Spänningsförsörjning, Kl. 30g |
6 |
Dynamisk stabilitetskontroll (DSC) |
3 |
Hallgivare vänster |
4 |
Bromsluftsspjäll vänster |
Genom aktiveringen av bromsluftsspjällen optimeras bilens aerodynamiska egenskaper.
Beroende av motorgången framgår 2 tillstånd för bromsluftsspjällen:
Motorn frånkopplad |
Bromsluftsspjäll öppen |
Motorn tillkopplad |
Bromsluftsspjällen stänger efter några sekunder |
För att förhindra att bromsskivorna överhettas, öppnas bromsluftsspjällen fr o m en bromsskivstemperatur på 250 °C.
Om det föreligger en störning, kan bromsluftsspjällen eventuellt inte längre öppnas.
Som överhettningsskydd för bromsskivorna reduceras då motoreffekten.
Varning! Genomför arbetena vid avstängd motor.
Arbeten på bromsluftspjällen, speciellt kontroll av bromsluftsspjällens tröghet får endast utföras med avstängd motor.Annars föreligger risk för personskador.
Med förbehåll för tryckfel, felaktigheter och tekniska ändringar.