Anmärkning! SA 5DF i vissa landsutföranden endast i kombination med vissa extrautrustningar.
Den aktiva farthållningen med Stop&Go-funktion är för tillfället endast tillgänglig med SA 205 ”Automatisk växellåda” eller med SA 2TB ”Automatisk Sport-växellåda”.
På ett antal marknader erbjuds ACC utan Stop&Go-funktion av tillståndsskäl.
ACC utan Stop&Go-funktion särskiljer sig endast genom att korthållsradar saknas.
I Europa erbjuds SA 5DF endast i kombination med navigationssystem. Orsak: Lagen föreskriver frånkoppling när man närmar sig radioastronomiska stationer.

Index |
Förklaring |
Index |
Förklaring |
|---|---|---|---|
1 |
Korthållsradarns mellanaxel vänster |
2 |
Bilens längdaxel |
3 |
Långhållsradarns mellanaxel |
4 |
Korthållsradarns mellanaxel höger |
5 |
Långhållsradar med hållare |
6 |
Korthållsradar höger med hållare |
7 |
Stötfångarfäste |
8 |
Korthållsradar vänster med hållare |
Följande anvisningar ska följas vid service:
Nedanstående text beskriver den nya aktiva farthållningen med Stop&Go-funktion (extrautrustning 5DF).
Den aktiva farthållningen med Stop&Go-funktion är en utökning av den tidigare aktiva farthållningen (ACC).
Som komplettering till den befintliga aktiva farthållningen ger Stop&Go-funktionen:
Önskad hastighet kan väljas inom området mellan 30 km/h och 180 km/h: i bekväma steg om 10 km/h eller exakta steg om 1 km/h. Den önskade hastigheten visas på kombiinstrumentet. Dessutom kan man välja mellan 4 avstånd.
Med den nya extrautrustningen införs även en ny sub-buss: Sensor-CAN (S-CAN).
Följande komponenter för ACC beskrivs:
Korthållsradarn är radarsensorer (Short Range Radar).
Vid ACC med Stop&Go-funktion är 2 identiska korthållsradarsensorer inbyggda. Sensorerna är monterade på det främre stötfångarfästet med en hållare i plast.

Index |
Förklaring |
Index |
Förklaring |
|---|---|---|---|
1 |
Korthållsradar |
2 |
Hållare |
Korthållsradarn är förbunden med LDM-styrenheten via sensor-CAN (S-CAN).
Korthållsradarn har följande uppgift:
Korthållsradarns objektdata används endast för ACC Stop&Go-funktionen (inte för adaptiv bromshjälp).
LRR står för Long Range Radar.

Index |
Förklaring |
Index |
Förklaring |
|---|---|---|---|
1 |
Långhållsradar |
2 |
Hållare |
Långhållsradarn (den tidigare ACC-givaren) är en radarsensor. Samtidigt är långhållsradarn en styrenhet. Den har alltså en styrenhetsadress och är diagnos- och programmerbar.
En långhållsradar registrerar avstånd, vinkel och hastighet på rörliga objekt. Det registrerade området är upp till 150 meter framför bilen. I LDM-styrenheten (längsdynamikhantering) bearbetas dessa data.
Styrenheten för längsdynamikhantering är monterad på apparathållaren bakom handskfacket.

Index |
Förklaring |
Index |
Förklaring |
|---|---|---|---|
1 |
Apparathållare |
2 |
LDM-styrenhet |
Vid ACC med Stop&Go-funktion har LDM-styrenheten följande uppgifter:
LRR och LDM-styrenheten försörjs av CAS-styrenheten med en separat aktiveringskabel, som är elektriskt frikopplad från den vanliga aktiveringskabeln. Denna lösning har valts eftersom långhållsradarn är monterad på en utsatt plats (bilens front). Om långhållsradarns aktiveringskabel skulle skadas vid en olycka (t ex kortslutning mot jord), så gör denna lösning att effekterna på andra styrenheter begränsas.
Den nya sensor-CAN (S-CAN) förbinder:
S-CAN blev nödvändig pga den stora mängden data från radarsensorerna.
Dessa datamängder skulle annars överskrida den fria överföringskapaciteten i de befintliga bussystemen.

Index |
Förklaring |
Index |
Förklaring |
|---|---|---|---|
1 |
Korthållsradar vänster |
2 |
Långhållsradar (LRR) |
3 |
Korthållsradar höger |
4 |
Dynamisk stabilitetskontroll (DSC) |
5 |
Digital motorelektronik (DME) eller Digital dieselelektronik (DDE) |
6 |
Längsdynamikhantering (LDM) |
7 |
Säkring i bagageutrymmet |
8 |
Car Access System (CAS) |
9 |
Car Communication Computer (CCC) och multi-ljudsystemkontroll (M-ASK) |
10 |
Karosseri-/gateway-modul (KGM) |
11 |
Dörrkontakt förardörr |
12 |
Elektronisk växellådsstyrning (EGS) |
13 |
Rattstångens kopplingsmodul (SZL) |
14 |
Ljusmodul (LM) |
15 |
Instrumentkombination (KOMBI) |
16 |
Advanced Crash Safety Module (ACSM) |
17 |
Bälteslåskontakt |
18 |
Sätesbelastningsmatta |
Egenskaper för sensor-CAN:
Följande systemfunktioner beskrivs:
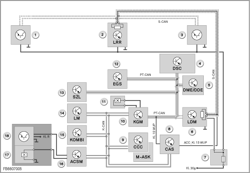
För att Stop&Go-funktionen ska fungera krävs ett komplext system med utlokaliserade funktioner i andra styrenheter. LDM-styrenheten är ansluten till dessa ytterligare styrenheter via databussar.

Index |
Förklaring |
Index |
Förklaring |
|---|---|---|---|
1 |
Långhållsradar (LRR) |
2 |
Korthållsradar vänster |
3 |
Korthållsradar höger |
4 |
Rattstångens kopplingsmodul (SZL) |
5 |
Karosseri-/gateway-modul (KGM) |
6 |
Instrumentkombination (KOMBI) |
7 |
Dynamisk stabilitetskontroll (DSC) |
8 |
Elektronisk växellådsstyrning (EGS) |
9 |
Digital motorelektronik (DME) eller Digital dieselelektronik (DDE) |
10 |
Längsdynamikhantering (LDM) |
För hela funktionen är följande styrenheter sammanbundna:
Styrenhet |
Funktion |
|---|---|
DME eller DDE: Motorstyrning |
Omsättning av momentkravet Signal ”Motorn går” |
DSC: Dynamisk stabilitetskontroll |
Körförhållanden Omsättning av bromsingreppen |
SZL: Rattstångens kopplingsmodul |
Rattomställningsspak Rattvinkel Aktivering av signalhorn |
CCC, M-ASK: Navigationssystem |
Data från navigationssystemet (påverkan på regleringsstorheter) |
KOMBI: Kombiinstrument |
Översikt över indikeringarna (ACC och Check-Control-meddelanden) |
EGS: Växellådsstyrning |
Växelläge |
CAS: Car Access-system |
Klämstatus och aktiveringskabel |
KGM: Karosseriets gateway-modul |
Dörrkontakt (önskan från föraren att kliva ut) |
AHM: Släpvagnsmodul |
Identifiering av körning med släp |
ACSM: Kollisionssäkerhetsmodul |
Förarstolens belastning (önskan från föraren att kliva ut) Bälteslåskontakt (önskan från föraren att kliva ut) |
RLS: Regn-/halvljussensor |
Körbanans skick (väta) |
SZM: Mittkonsolens kopplingsmodul |
DTC-knapp |
LM: Ljusmodul |
Aktivering av varningsblinker |
Den adaptiva bromshjälpen är en funktion i DSC LDM-styrenheten är gatewayen från S-CAN till PT-CAN.
Störst nytta av den adaptiva bromshjälpen har man vid nödinbromsning. Om föraren i framförvarande fordon bromsar kraftigt, känner långhållsradarn av detta.
Bromshjälpen gör det då lättare att bromsa in på bästa möjliga sätt och därmed i möjligaste mån förhindra en påkörningsolycka.
För detta finns följande funktioner:
Den adaptiva bromshjälpen är alltid tillkopplad när ACC är aktiv.
Den adaptiva bromshjälpen finns även tillgänglig vid ACC utan Stop&Go-funktion.
Om funktionsgränserna för ACC uppnås, kan systemet uppträda på ett sätt som föraren inte väntar sig. Nedan beskrivs sådana situationer:
Med förbehåll för tryckfel, felaktigheter och tekniska ändringar.