Anmärkning! Struktur på detta dokument.
I början av detta dokument beskrivs de viktigaste diagnosanvisningarna. Därefter följer funktionsbeskrivningen.
Om det uppstår problem efter reparation när felminnet ska raderas, går man tillväga enligt följande:
OBS!
Kontroll- och varningslampor slocknar vid vissa fel först efter en kort provkörning.
Efter byte av DSC-enheten eller DSC-styrenheten: Parametrarna för punkteringsvarningsindikeringen (RPA) samt farthållningen via Progman måste kodas.
Beträffande DSC-funktionen kodar DSC-styrenheten sig själv. Under denna process lagras även chassinumret. Därför behövs ingen justering av styrvinkelgivaren vid DSC 8/DSC 8Plus. Vid varje start (tändning Till) jämför DSC det lagrade chassinumret med aktuellt chassinummer. DSC kodar sig själv i enlighet med biltypen, om chassinumren inte överensstämmer. Då återställs givarnas inlärda justeringsvärden till grundinställningen (undantag: längsaccelerationsgivaren).
Genomför följande arbetsmoment:
Efter byte av DSC-givaren måste servicefunktionen ”Justering av DSC-givare” genomföras. I DSC-givaren justeras längsaccelerationsgivaren.
Styrvinkelgivaren bildar en enhet med rattstångens kopplingsmodul. Rattvinkelgivaren kan inte bytas ut separat. Servicefunktionerna ”Justering av styrvinkelgivare” resp ”Driftstart/justering av aktiv styrning” (i bilar med aktiv styrning) måste genomföras efter följande arbetsmoment:
E70 är utrustad med dynamisk stabilitetskontroll (DSC) som standard.
E60/E61 fr o m 03/2007.
DSC är en vidareutveckling av DSC 8Plus. För att skilja dem åt, kallas detta chassiregleringssystem för ”DSC Premium”. Systemleverantör för DSC är Bosch.
DSCs reglerfunktioner har optimerats ytterligare. Förbättringen har man fått tack vare användningen av en returpump med 6 kolvar och en effektivare elektronik. Jämfört med föregångaren (E53) har E70 mera funktioner:
Ytterligare körsäkerhet framkommer i kombination med andra system:
DSC är ett kördynamiksystem som upprätthåller körstabiliteten. DSC optimerar:
DSC känner dessutom av instabila körtillstånd, som under- eller överstyrning. DSC hjälper till att hålla bilen på en säker kurs inom de fysiska gränserna.
För detta ändamål måste DSC få följande kördynamiska mätstorheter:
Dessutom identifieras förarmanövrar som rör rattvinkeln och bromstrycket som föraren sätter på pedalen. Information om hastigheten på de enskilda hjulen skickas av hjulvarvtalsgivare. Utifrån de tillgängliga mätvärdena fastställs är-tillståndet, i vilket bilen rör sig för tillfället. Är-tillståndet jämförs med börvärden som räknas fram i DSC-styrenheten. Om de aktuella ärvärdena avviker från bör-tillståndet, kopplas DSC till och påverkar aktivt bromssystemet resp motorstyrningen.
Följande komponenter för den dynamiska stabilitetskontrollen beskrivs:
DSC-enheten består av DSC-styrenhet och hydraulenhet. DSC-styrenheten aktiverar hydraulenheten via ventilspolar.

Index |
Förklaring |
Index |
Förklaring |
|---|---|---|---|
1 |
DSC-styrenhet med kontaktanslutning |
2 |
Hydraulenhet |
3 |
Pumpmotor |
|
|
I DSC-enheten finns en bromstrycksgivare. Denna bromstrycksgivare registrerar bromstrycket som uppstår via bromspedalen och bromsservon.
Bromstrycksgivaren har ett mätområde på 0 till 250 bar. Nollpunkten justeras endast under färd.
DSC-enheten med sitt nya koncept får man en exaktare reglering. I pumpmotorn arbetar 2 x 3 pumpelement med 6,5 mm. Tack vare detta koncept har man fått en avsevärt förbättrad tryckdynamik. Bromspedalen pulserar mycket lite vid en ABS-reglering. Dessutom får man en högre regleringskvalitet vid Hill Descent Control (HDC).

Index |
Förklaring |
Index |
Förklaring |
|---|---|---|---|
A |
DSC 8Plus |
B |
DSC Premium |
1 |
Volymström [l/min] |
2 |
Tid [s] |
Strömfördelaren på kopplingslådans elektronik (JBE) försörjer DSC-enheten med spänning. En gång Kl. 30 för returpumpen, en gång Kl. 30 för magnetventilerna. DSC-styrenheten får Kl. 30g.
De aktiva hjulvarvtalsgivarna beräknar de enskilda hjulens omkretshastighet. Dessutom identifierar hjulvarvtalsgivarna rotationsriktningen (framåt eller bakåt). För ett hjul som står stilla skickar hjulvarvtalsgivaren en impuls var
0,75 sekund. Genom strömimpulsen visas hjulvarvtalsgivarens tillgängliga kapacitet.
Tack vare aktiva hjulvarvtalsgivare får man följande fördelar:

Index |
Förklaring |
Index |
Förklaring |
|---|---|---|---|
1 |
Hjulvarvtalsgivare framaxel |
2 |
Hjulvarvtalsgivare bakaxel |
3 |
Impuls för varvtal |
4 |
Ytterligare information, som rotationsriktning och luftspalt |
5 |
Signalväg |
6 |
Hjullager med magneter |
På fram- och bakaxeln sitter det en krets med magneter (inkrementkrans) runt hjullagret. Inkrementkransens nord- och sydpol alternerar sinsemellan. En nordpol med en sydpol motsvarar 1 inkrement (kan jämföras med en kugge/lucka på ett inkrementhjul). Hjulvarvtalsgivaren består av 3 hallgivare och en utvärderingselektronik.
De aktiva hjulvarvtalsgivarna ändrar sitt elektriska motstånd under inverkan av ett magnetfält. Varje inkrement förorsakar 2 impulser i hjulvarvtalsgivaren (96 impulser/hjulvarv). För dataöverföringen till styrenheten tillkommer ytterligare data på impulsens sida. Denna integrerade databehandling utgår funktionsmässigt från själva varvtalsregistreringen. Följande extra information är exempelvis möjlig:
DSC-givaren mäter:

Index |
Förklaring |
Index |
Förklaring |
|---|---|---|---|
1 |
DSC-givare |
2 |
Kontaktanslutning |
Givarelementet består av 2 piezoelektriska accelerationsgivare. I accelerationsgivarnas mätcell är en massa upphängd fjädrande.
Vid accelerationsrörelser accerelereras också 2 fjädrande upphängda massor. Kraften som krävs för detta skapar en mekanisk spänning i det piezoelektriska materialet. Den elektriska laddningsförskjutningen som uppstår därigenom upptas med metallelektroder och vidarebearbetas som elektrisk signal. Utifrån differensen mellan de båda accelerationssignalerna härleds girningshastigheten. DSC-givaren skickar därmed en signal vardera för girningshastighet och acceleration.
Längsaccelerationsgivaren krävs för startassistenten.
DSC-givaren är ansluten till till DSC-styrenheten via chassi-CAN (F-CAN).
DSC-styrenheten försörjer DSC-givaren med spänning.
Rattvinkelgivaren sitter i rattstångens kopplingsmodul (SZL). Rattvinkelgivaren mäter rattvinkeln optiskt och beröringsfritt. Rattvinkelgivaren sitter fast på kretskortet med utvärderingselektroniken. Rattvinkelgivaren består av följande komponenter: Kodskiva och optisk sensor.
Kodskivan är förenad med ratten via spiralfjäderkassetten. När ratten manövreras, rör sig kodskivan inom den optiska sensorn. På kodskivan finns det olika linjemönster för utvärderingen.

Index |
Förklaring |
Index |
Förklaring |
|---|---|---|---|
1 |
Rattstångens kopplingsmodul (SZL) |
2 |
Optisk sensor |
3 |
Kodskiva |
|
|
SZL är ansluten till DSC-styrenheten via chassi-CAN (F-CAN).
Med DTC-knappen kopplas chassiregleringssystemets driftstatus om. DTC-knappen är märkt med ”DTC”. Med DTC-knappen kan man välja 3 kontaktstatusar:
E70:
DTC-knappen sitter i mittkonsolens kopplingsmodul (ingen styrenhet). Mittkonsolens kopplingsmodul är ansluten till den integrerade värme-/klimatautomatiken (IHKA). IHKA skickar signalen till K-CAN.
E60 och E61 fr o m 03/2007:
DTC-knappen sitter i kontaktblocket till vänster bredvid askkoppen. Kontaktblocket är anslutet till mittkonsolens kopplingsmodul (SZM). SZM-styrenheten är monterad i apparathållaren bakom handskfacket.

Bilden visar E70
Index |
Förklaring |
Index |
Förklaring |
|---|---|---|---|
1 |
Mittkonsolens kopplingscentral |
2 |
HDC-knapp HDC betyder Hill Descent Control: Automatisk farthållning i nedförsbacke |
3 |
DTC-knapp |
|
|
E70:
HDC-knappen sitter också i mittkonsolens kopplingsmodul.
E60 och E61:
De fritt programmerbara knapparna på ratten kan beläggas med automatisk farthållning i nedförsbacke (HDC). Dessutom kan HDC aktiveras via iDrive.
DSC får extra ingångssignaler från följande komponenter:
För låg bromsvätskenivå registreras (i expansionskärlet via en Reed-kontakt) och rapporteras till DSC-styrenheten. Vid för låg bromsvätskenivå är DSC avaktiverad. I annat fall skulle risken finnas att luft sugs in i bromssystemet.
Tillsammans med signalen från bromstrycksgivaren identifieras inbromsningar.
I bromsljuskontakten är 2 kontakter (2-stegs) integrerade. En signal skickas till DSC via en kabel. Motorstyrenheten tar emot båda signalerna. Motorstyrenheten sänder signalen via PT-CAN. DME-styrenheten känner av om bromspedalen är intryckt utifrån de båda signalerna.

Index |
Förklaring |
Index |
Förklaring |
|---|---|---|---|
1 |
Bromsljuskontakt |
2 |
Kontaktanslutning |
Car Access System (CAS) försörjer bromsljuskontakten med Kl. R.
Bromsbeläggens slitagegivare (vänster fram och höger bak i de inre bromsbeläggen) ger tilläggsinformation om bromsbeläggens tjocklek. Via tilläggsinformationen (2 referenspunkter) justeras det beräknade värdet till DSC.

Index |
Förklaring |
Index |
Förklaring |
|---|---|---|---|
1 |
Bromsskiva |
2 |
Bromsok |
3 |
Bromsbeläggens slitagegivare (Exempel bakaxel) |
|
|
En kritisk bromsbeläggtjocklek visas i kombiinstrumentet genom servicebehovsindikering (Condition Based Service CBS) samt den allmänna röda bromsvarningslampan.
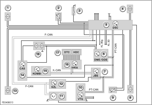
Följande övriga styrenheter berörs av den dynamiska stabilitetskontrollen:
Om DSC inte fungerar eller är störd, visas en Check-Control-symbol på LCD-displayen. Check-Control-symbolerna har alla en viss innebörd.
Om ett Check-Control-meddelande föreligger, kan dessutom en kompletterande åtgärdsanvisning visas på den centrala informationsdisplayen (CID).
CAS får en bearbetad varvtalssignal från DSC. CAS känner av utifrån signalen om bilen står stilla eller går.
Strömfördelaren på kopplingslådans elektronik försörjer DSC-enheten med spänning.
Kl. 30 för returpumpen och magnetventilerna.
Kl. 30g för DSC-styrenheten.

Bilden visar E70
Index |
Förklaring |
Index |
Förklaring |
|---|---|---|---|
1 |
Hjulvarvtalsgivare vänster fram |
2 |
Bromsbeläggslitagegivare vänster fram |
3 |
Bromsvätskenivåbrytare |
4 |
Hjulvarvtalsgivare höger fram |
5 |
Dynamisk stabilitetskontroll (DSC) |
6 |
Digital motorelektronik eller digital dieselelektronik (DME eller DDE) |
7 |
Kopplingslådans elektronik (JBE) |
8 |
Hjulvarvtalsgivare höger bak |
9 |
Bromsbeläggslitagegivare vänster fram |
10 |
Fördelningsväxel (VTG) |
11 |
DSC-givare |
12 |
Rattstångens kopplingsmodul (SZL) |
13 |
Hjulvarvtalsgivare vänster bak |
14 |
Car Access System (CAS) CAS |
15 |
Kombiinstrument (KOMBI) |
16 |
Integrerad värme-/klimatautomatik (IHKA) |
17 |
Mittkonsolens kopplingscentral |
18 |
Bromsljuskontakt |
F-CAN |
Chassi-CAN |
K-CAN |
Karosseri-CAN |
Kl. 30 |
Kl. 30 |
Kl. 30g |
Kl. 30g |
PT-CAN |
Drivlinans CAN |
|
|
Följande systemfunktioner som är nya för E70 beskrivs för DSC:
Ytterligare kända systemfunktioner för DSC är:
Dessutom är följande funktioner integrerade, vilka inte hör till kördynamikregleringen:
DTC är en optimerad version av DSC för vissa vägförhållanden för framåtdrivning. Den dynamiska traktionskontrollen (DTC) ger förbättrad traktion vid delvis reducerad körstabilitet och rekommenderas därför bara i undantagsfall. I följande undantagsfall kan det vara lämpligt att aktivera DTC för en kort stund:
DTC-funktionen motsvarar DSC förutom att den har en något annorlunda regleringsstrategi. Man aktiverar DTC genom att koppla ifrån DSC (med DTC-knappen). DTC kopierar en konventionell differentialspärrs funktion genom ett bromsingrepp. På så sätt höjs drivmomentet på hjulen, som står på en beläggning med högre friktionsvärde.
Fördel: Med DTC får man högre traktion. Ingrepp för stabilisering av bilen (t ex reducering av motoreffekten) utförs något senare än vid DSC. I vissa situationer måste föraren själv ingripa för att justera så att bilen stabiliseras.
Tidig anläggning av bromsbeläggen förkortar reaktionstiden för inbromsningen. Om gaspedalen (vinkeln på gaspedalen) återställs snabbt, läggs bromsbeläggen genast an. DSC alstrar ett lågt bromstryck, utan att det uppstår en mätbar retardation av bilen. Därigenom utjämnas luftspelet mellan bromsbelägg och bromsskiva. Om man inte bromsar inom en halv sekund, återkallas bromstrycket som alstrats i god tid. Den tidiga anläggningen av bromsbeläggen är aktiv vid en hastighet på högre än 70 km/h.
Torrbromsningen tar bort fukten som sätter sig på på bromsskivan vid körning på våt körbana eller vid regn. I detta sammanhang läggs bromsbeläggen lätt an. Även denna funktion förkortar reaktionstiden för inbromsningen. Beroende på regnsensorns signal resp torkarkontaktens läge alstrar DSC periodiskt ett lågt bromstryck. Därvid uppstår ingen mätbar retardation av bilen. Bromsbeläggen läggs an cykliskt. Därvid torkas bromsskivorna av med jämna mellanrum. Hur ofta och hur länge som bromsbeläggen läggs an beror på:
Fading innebär att: bromsverkan avtar till följd av hög bromsskivstemperatur. Som reaktion på identifierad fading ökar DSC bromstrycket utifrån bromstrycket som fastställs av föraren. Vid mycket höga bromsskivstemperaturer visas följande genom fading-kompensationen:
DSC identifierar fading enligt följande: DSC jämför den aktuella fartsänkningen med ett börvärde relaterat till det aktuella bromstrycket. DSC höjer bromstrycket ända tills börfördröjningen uppnås eller tills alla hjul regleras av ABS. Funktionen avslutas när man inte längre trampar ner bromspedalen eller om man underskrider en hastighetströskel.
När man börjar köra i en backe måste man byta från bromspedalen till gaspedalen. Startassistenten förhindrar då att bilen rullar iväg i följande situationer:
Det bromstryck som krävs för att bilen ska stå still bibehålls. Körbanans lutning registreras av längsaccelerationsgivaren i DSC-styrenheten. Utifrån körbanans lutning beräknas det bromsmoment resp motorvridmoment som krävs. Efter att startkommandot identifierats, upphör bromstrycket så snart som motorns vridmoment räcker till för att förflytta bilen i önskad körriktning. Om parkeringsbromsen manövreras avaktiveras startassistenten. Om inget startkommando kommer inom ca 2 sek efter det att bromspedalen släppts upp, avaktiveras också startassistenten.
Farthållningen med bromsfunktion är integrerad i DSC. Farthållningen håller den valda hastigheten mellan 30 km/h och 250 km/h konstant.
Förutom den vanliga farthållningen, finns följande extrafunktioner:
EMF är en parkeringsbroms.
När motorn är igång framkallar DSC hållkraften hydrauliskt.
När motorn är frånkopplad framkallar EMF hållkraften mekaniskt via reglerenheten.
Antiblockeringssystemet (ABS) förhindrar att hjulen blockeras vid inbromsning. Fördel: Korta bromssträckor, bilen håller en stabil riktning och är alltid styrbar. Bromstrycket på alla hjul regleras så att varje hjul rullar i ett optimalt spinnområde. Spinnet regleras så att så höga broms- och sidostyrningskrafter kan överföras.
Den elektroniska bromskraftsfördelningen (EBV) är en del av ABS. EBV reglerar bromskraftfördelningen mellan fram- och bakaxeln beroende på belastningen. Fördel: Oberoende av belastningen uppnås optimala bromssträckor och samtidigt hög körstabilitet. Bromsbeläggslitaget fördelas bättre. Om ABS slutar fungera, fortsätter EBV att fungera så länge som möjligt. För EBV-funktionen krävs signaler från minst 2 hjulvarvtalsgivare per axel.
Cornering Brake Control (CBC) är ett tillägg till ABS. CBC ökar körstabiliteten vid inbromsning i kurva (”Kurvlogik”). Fördel: Optimering av körstabiliteten vid inbromsning i kurvor. Förskjutningen av hjultrycket vid kurvkörning (redan vid lätta inbromsningar) kan leda till att körstabiliteten försämras. CBC skapar vid behov ett stabiliserande motmoment vid lätt bromsning utanför ABS-regleringsområdet.
Motorns släpmomentreglering (MSR) förhindrar att drivhjulen blockeras på hal körbana. Vid nedväxling eller vid plötslig lastväxling finns (särskilt på körbana med lågt friktionsvärde) risken att drivhjulen blockeras pga motorns släpmoment. Via hjulvarvtalsgivarna känner MSR av blockeringstendensen redan i inledningsskedet. MSR reducerar för en kort stund motorns släpmoment genom att ge lätt gas. Fördel: Drivhjulen behåller på detta sätt även vid motorbromsning sina sidostyrningskrafter.
Den automatiska stabilitetskontrollen (ASC) förhindrar att hjulen slirar vid acceleration genom broms- och motoringrepp. Fördel: Mer traktion och bättre körstabilitet. Om hjulen på den drivna axeln griper tag olika, bromsas det hjul som tenderar att slira. Vid behov reduceras också motoreffekten.
Bilens aktuella körstatus identifieras av den dynamiska stabilitetskontrollen (DSC) genom utvärdering av givarsignaler. Denna körstatus jämförs med de börvärden som fastställts med en beräkningsmodell. På så sätt identifieras instabila körsituationer redan i inledningsskedet. Vid avvikelser som ligger över en regleringströskel i DSC-styrenheten, stabiliseras bilen. Stabiliseringen (inom de fysiska gränserna) uppnås genom reducering av motoreffekten och genom individuell inbromsning av de enskilda hjulen. DSC-ingrepp överlagrar funktionerna ABS och ASC. DSC-funktionen kan kopplas ifrån med hjälp av en knapp. R56 har ingen dynamisk traktionskontroll (DTC).
Den dynamiska bromskontrollen (DBC) är ett stöd vid nödbromsningar, genom att bromstrycket automatiskt förstärks. Fördel: Kortast möjliga bromssträckor i nödbromsningssituationer genom att ABS-regleringen uppnås för alla 4 hjulen. I nödbromsningssituationer trycks bromspedalen ofta inte ner med tillräcklig kraft. Därmed uppnås inte ABS-regleringsområdet. Returpumpen ställer bromsarna i ABS-regleringsområdet genom att höja bromstrycket i följande situationer:
Den dynamiska stabilitetskontrollen (DSC) fastställer börvärdet för fyrhjulsregleringen vid xDrive. DSC-styrenheten beräknar spärrmomentet för lamellkopplingen i fördelningsväxeln. Börvärdet är beroende av tendenserna till över- eller understyrning av bilen och hjulspinnet. Börvärdet sänds till VTG-styrenheten via PT-CAN. VTG-styrenheten återrapporterar det faktiska inställda spärrmomentet till DSC-styrenheten. DSC-styrenheten beräknar spärrmomentet för lamellkopplingen enligt följande:
Hill Descent Control (HDC) är en automatisk hastighetsreglering för nedförsbackar i bilar med fyrhjulsdrift. HDC kan kopplas till och ifrån på mittkonsolens kopplingsmodul. HDC reducerar hastigheten automatiskt. Hastigheten minskas nästan till krypfart genom bromsingrepp på alla fyra hjul. Därigenom får man en stabil körning i nedförsbacke på brant och halt underlag. HDC håller denna hastighet konstant (alla DSC-funktioner förblir aktiva). Med gaspedalen och bromspedalen eller manöverspaken för farthållningen kan hastigheten varieras steglöst innanför de fastlagda värdena. Den nedre, valfritt programmerbara knappen på multifunktionsratten är fabriksmärkt med HDC.
Stabiliseringskontroll av släpvagn identifierar en släpvagns pendelsvängningar runt höjdaxeln. Systemet fungerar från en hastighet på ca 65 km/h om släpvagnsuttaget används. Den dynamiska stabilitetskontrollen (DSC) övervakarbilens girningsförhållande med hjälp av DSC-givarna. Om gränsvärdet överskrids vid svängande ekipage, reduceras motoreffekten. Dessutom bromsar DSC automatiskt alla 4 hjul. Vid avaktiverad eller defekt DSC fungerar heller inte stabiliseringskontrollen av släpvagnen.
Punkteringsvarningen (RPA) är ingen funktion inom kördynamikregleringen. RPA är integrerad i DSC-styrenheten, eftersom de 4 hjulvarvtalssignalerna krävs för denna funktion. Systemet jämför avvikelser i rullningsomkrets mellan de 4 hjulvarvtalen. Därigenom kan pyspunkteringar/ringtrycksförluster identifieras.
Punkteringsvarningen initieras på följande sätt:
CBS är ingen funktion inom kördynamikregleringen. Condition Based Service betyder ”behovsorienterad service”. I CBS är olika serviceomfång integrerade, t ex motorolja, tändstift och bromsbelägg. I DSC-styrenheten beräknas resterande körsträcka för främre och bakre bromsbelägg var för sig. Vid beräkningen används även det skick som bromsbeläggens slitagegivare rapporterar (referenspunkt vid 6 mm och 4 mm).
OBS! Byt ut DSC-styrenheten.
Om man byter DSC-styrenheten, måste man följa reparationsanvisningen (specialverktyg krävs).
I BMW diagnossystem finns följande servicefunktioner:
Efter ett byte måste DSC-styrenheten kodas.
Efter varje motorstart är DSC driftklar.
Med förbehåll för tryckfel, felaktigheter och tekniska ändringar.