E70 kan utrustas med extrautrustningen 2VA ”Adaptive Drive”. Denna extrautrustning består av 2 system:
Vertikaldynamikhantering (VDM) och aktiv rullstabilisering (ARS: försäljningsbeteckning Dynamic Drive). I detta dokument beskrivs vertikaldynamikhanteringen.
Vertikaldynamikhanteringen ger följande fördelar:

Index |
Förklaring |
Index |
Förklaring |
|---|---|---|---|
1 |
VDM-styrenhet |
2 |
Stötdämpare med dämparsatellit höger bak (EDCSHR) |
3 |
Nivågivare höger bak |
4 |
Nivågivare vänster bak |
5 |
Stötdämpare med dämparsatellit vänster bak (EDCSHL) |
6 |
Stötdämpare med dämparsatellit vänster fram (EDCSVL) |
7 |
Nivågivare vänster fram |
8 |
Nivågivare höger fram |
9 |
Stötdämpare med dämparsatellit höger fram (EDCSVR) |
|
|
F-CAN |
Chassi-CAN |
FlexRay |
Sub-buss |
PT-CAN |
Drivlinans CAN |
|
|
EDC betyder: Elektronisk dämparkontroll.
Vertikaldynamikhanteringen (VDM) är en vidareutveckling av den kontinuerliga, elektroniska dämparkontrollen (EDC-K) från E65. VDM är en sammansättning av en central styrenhet och de 4 intelligenta dämparsatelliterna, som är fast förbundna med stötdämparna.
Som bussförbindelse används för första gången FlexRay.
Följande komponenter i vertikaldynamikhanteringen beskrivs:
VDM-styrenheten sitter fast i apparathållaren bak till höger i bagageutrymmet.

Index |
Förklaring |
Index |
Förklaring |
|---|---|---|---|
1 |
Comfort Access (CA) |
2 |
Släpvagnsmodul (AHM) |
3 |
Parkeringsavståndskontroll (PDC) |
4 |
Vertikaldynamikhantering (VDM) |
5 |
Elektronisk höjdnivåkontroll (EHC) |
|
|
VDM ökar körkomforten. Den högre körkomforten får man när karossen rör på sig så lite som möjligt vertikalt; både genom bilens impuls pga körbanan (ojämnheter, fogar) och vid kurvkörning.
VDM-styrenheten bestämmer hur dämparsatelliterna ska aktivera stötdämparna (hjulindividuell dämpningskraft). För detta ändamål är VDM-styrenheten ansluten till dämparsatelliterna via den mycket snabba databussen FlexRay.
Med en dataöverföringshastighet på 10 Mbit/sek är FlexRay mycket snabbare än databussarna som används i dagens motorfordon (för karosseri och drivning eller chassi) FlexRay stödjer, förutom den högsta bandbredden, en dataöverföring i realtid. FlexRay kan konfigureras feltolerant.
Det finns 4 dämparsatelliter:
Dämparsatelliterna genomför en elektronisk reglering av dämpningskraften. Dämparsatelliterna och EDC-ventilerna är fast förbundna med stötdämparen Varje dämparsatellit har en egen vertikalaccelerationsgivare Dämparsatelliterna har bland annat följande uppgifter:

Dämparsatellit: Exempel för framaxel vänster fram
Index |
Förklaring |
Index |
Förklaring |
|---|---|---|---|
1 |
Dämparsatellit vänster fram (EDCSVL) |
2 |
Stålfjäder |
3 |
Stötdämpare |
4 |
EDC-ventil |

Dämparsatellit: Exempel för bakaxel höger bak
Index |
Förklaring |
Index |
Förklaring |
|---|---|---|---|
1 |
Dämparsatellit höger bak (EDCSHR) |
2 |
EDC-ventil |
3 |
Stötdämpare |
|
|
Det finns totalt 4 nivågivare:
De 4 nivågivarna är anslutna till VDM-styrenheten. Nivågivarena skickar information om höjdnivån på bilens karosseri dynamiskt till VDM-styrenheten. Utifrån detta beräknar vertikaldynamikhanteringen karossens rörelser och hjulaccelerationen.
Dessutom levererar givarna informationen till den automatiska ljusräckviddsregleringen.
De dubbla nivågivarna på bakaxeln sänder inte bara signalen till VDM-styrenheten utan även till EHC-styrenheten. De dubbla nivågivarna är märkta med ”dubbel” på höljet.

Nivågivare: Exempel för framaxel vänster fram
Index |
Förklaring |
Index |
Förklaring |
|---|---|---|---|
1 |
Nivågivare |
2 |
Kopplingsstång |

Nivågivare: Exempel för bakaxel vänster bak
Index |
Förklaring |
Index |
Förklaring |
|---|---|---|---|
1 |
Nivågivare |
2 |
Kopplingsstång |
SPORT-knappen sitter i mittkonsolen bakom växelspaken (GWS). Använder man SPORT-knappen, förändras dämpningskarakteristiken:
Komfort <-> Sport.
SPORT-knappens elektronik är ansluten till växelspaken (GWS) GWS är en egen styrenhet. Signalen avges sedan via PT-CAN.

Index |
Förklaring |
Index |
Förklaring |
|---|---|---|---|
1 |
Parkeringsbromsknapp |
2 |
Växelspak (GWS) |
3 |
SPORT-knapp |
|
|
En kontroll-LED i SPORT-knappen visar att sportprogrammet är aktiverat. Dessutom visas ”SPORT” på kombiinstrumentets LCD-display.
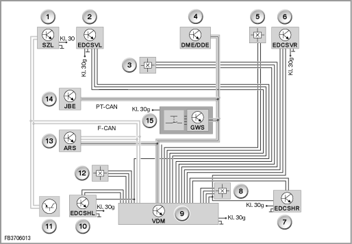
Följande ytterligare styrenheter skickar signaler för vertikaldynamikhanteringen:
ARS-styrenheten skickar tväraccelerationen till VDM via PT-CAN. VDM-styrenheten behöver signalen som ersättningsstorhet.
DSC-styrenheten skickar hastigheten och bromstrycket till VDM via PT-CAN.
SZL skickar rattvinkelgivarsignalen via F-CAN till VDM (förutseende identifiering av kurvkörning).
Motorstyrningen skickar signalen ”Motorn går”. Signalen överförs via PT-CAN.
JBE skickar klämstatusen. Dessutom är JBE gatewayen mellan PT-CAN och K-CAN.

Index |
Förklaring |
Index |
Förklaring |
|---|---|---|---|
1 |
Rattstångens kopplingsmodul (SZL) |
2 |
Dämparsatellit vänster fram (EDCSVL) |
3 |
Nivågivare vänster fram |
4 |
Digital motorelektronik eller Digital dieselelektronik |
5 |
Nivågivare höger fram |
6 |
Dämparsatellit höger fram (EDCSVR) |
7 |
Dämparsatellit höger bak (EDCSHR) |
8 |
Nivågivare höger bak |
9 |
VDM-styrenhet |
10 |
Dämparsatellit vänster bak (EDCSHL) |
11 |
DSC-givare |
12 |
Nivågivare vänster bak |
13 |
Aktiv rullstabilisering (ARS: Dynamic Drive) |
14 |
Junction-boxens elektronik (JBE) |
15 |
Växelspak med SPORT-knapp |
|
|
Följande systemfunktioner för vertikaldynamikhanteringen beskrivs:
För dämpning av hjulens och karossens rörelser övervakas varje förflyttning av bilen. Där räknas följande axlar med:
För övervakningen används t ex följande signaler:
Utifrån signalerna beräknas den aktuella körsituationen.
För bilens höjdaxel är regleringen av dämpningen indelad i komfort och säkerhet.
Vertikaldynamikhanteringen dämpar karossens rörelser för bästa komfort.
Vertikaldynamikhanteringen dämpar hjulaccelerationerna för bästa säkerhet. Därvid är det mycket viktigt att hjulen inte förlorar kontakten med körbanan. Beroende på situationen måste en optimal tryckkraft överföras.
Vertikaldynamikhanteringen tar även hänsyn till rattinslag (t ex övergång från körning rakt fram till kurva). Om en snabb förstoring av rattvinkeln identifieras, drar VDM-styrenheten slutsatsen att en kurvkörning ska påbörjas. Därmed kan stötdämparna aktiveras i motsvarande grad redan i förväg Vertikaldynamikhanteringen stödjer alltså den aktiva rullstabiliseringen (ARS). Därmed bidrar VDM till att minska svajningsrörelser i bilen.
Vertikaldynamikhanteringen identifierar även inbromsningar och accelerationer DSC skickar signalen om bromstryck och längsacceleration. Ett högt bromstryck leder vanligtvis till att bilen niger VDM motverkar denna nigningsrörelse, genom att de främre stötdämparna ställs in hårdare. Även nigningsrörelser i bilen vid acceleration motverkas på detta sätt.
Beroende på den valda dämpningskarakteristiken (Komfort eller Sport via SPORT-knappen) anpassas nivån på dämpningskraften genom VDM-styrenheten Oberoende av detta är körsäkerheten maximal i kritiska körsituationer, även när man valt komfortprogrammet.
Beroende på vilken typ av fel som föreligger, fungerar bortfallssäkringen i 3 steg:

Index |
Förklaring |
Index |
Förklaring |
|---|---|---|---|
1 |
Check-Control-meddelande |
|
|
OBS! Vid byte av stötdämparen ska man ange monteringsplatsen.
Stötdämparen utgör, tillsammans med dämparsatelliterna och EDC-ventilen, en reservdelsenhet. När man beställer en ny del, måste biltypen och monteringsplatsen (t ex vänster fram) anges. Beroendeförhållanden finns beträffande: Motortypen, fjädringen samt extrautrustningen (t ex 3:e stolsrad).
Anm. Flera felminnen i vertikaldynamikhanteringen.
VDM-styrenheten lagrar endast egna fel i det egna felminnet. Fel på dämparsatelliterna lagras i deras felminnen. Vid ett fel måste därför både VDM-styrenhetens felminne och dämparsatelliternas felminnen avläsas Dämparsatelliterna måste vara tillgängliga för BMW diagnossystem. Därför arbetar VDM-styrenheten även som gateway för diagnosen mellan PT-CAN och FlexRay.
OBS! Justera nivågivarna.
Efter ett byte av VDM-styrenheten samt av en nivågivare måste nivågivarnas justeringsvärden läras in på nytt. För detta ändamål måste man använda servicefunktionen ”Nivåjustering” i BMW diagnossystem.
OBS! Justera vertikalaccelerationsgivarna.
Efter att man bytt en eller flera dämparsatelliter, måste man alltid justera vertikalaccelerationsgivarna. Då måste servicefunktionen ”Vertikalaccelerationsgivarjustering” användas i BMW diagnossystem.
Bilen måste stå plant.
Efter ett byte måste VDM-styrenheten kodas.
Vertikaldynamikhanteringen aktiveras under följande villkor:
Med förbehåll för tryckfel, felaktigheter och tekniska ändringar.