Låsningen av den andra stolsraden i E70 övervakas av flera mikrobrytare. Mikrobrytarna är placerade i den andra stolsraden. Mikrobrytarna säkerställer att hela det fastlåsta baksätet inte lossas obemärkt. På så sätt höjs skyddet mot skador på personerna i bilen.
För låsningen av den andra stolsraden beskrivs följande komponenter:
Mikrobrytarna för den andra stolsraden sitter i den stora och den lilla säteshalvan. I den stora säteshalvan finns fyra mikrobrytare. Den lilla säteshalvan övervakas med en mikrobrytare. När säteshalvorna är låsta korrekt skickas en jordsignal till JBE. Om jordsignalen avbryts, känner inte Junction-boxens elektronik (JBE) av den.
Kombiinstrumentet får sin information från Junction-boxens elektronik (JBE) via K-CAN. Om JBE skickar information om att den andra stolsraden inte är låst korrekt, genererar kombiinstrumentet ett motsvarande Check-Control-meddelande. Detta meddelande rapporterar till föraren att stolsraden inte är låst ordentligt. På så sätt ser föraren att det finns en ökad skaderisk för bilens resenärer.
JBE är den styrenhet som övervakar låsningen av den andra stolsraden. JBE får en jordsignal via mikrobrytarna. Om jordsignalen avbryts, identifierar JBE att stolsraden inte är fastlåst ordentligt. Om stolsraden inte är fastlåst ordentligt, skickar JBE information till kombiinstrumentet via K-CAN.

Andra stolsraden i E70
Index |
Förklaring |
Index |
Förklaring |
|---|---|---|---|
1 |
Mikrobrytare för den lilla säteshalvan, låsning mot sätets underrede |
2 |
Mikrobrytare för den stora säteshalvan, låsning insidan |
3 |
Mikrobrytare för den stora säteshalvan, låsning utsidan |
4 |
Mikrobrytare för den stora säteshalvan, ryggstödet utsidan |
5 |
Mikrobrytare för den stora säteshalvan, stolskuddens bärarm insidan |
|
|

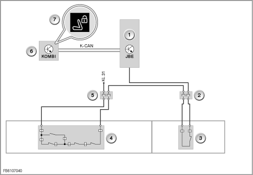
Blockkopplingsschema E70
Index |
Förklaring |
Index |
Förklaring |
|---|---|---|---|
1 |
Junction-boxens elektronik (JBE) |
2 |
Säteskontakt höger |
3 |
Mikrobrytare andra stolsraden höger |
4 |
Mikrobrytare andra stolsraden vänster |
5 |
Säteskontakt vänster |
6 |
Kombiinstrument |
7 |
Check-Control-meddelande (Baksätet ej låst!) |
|
|
För låsningen av den andra stolsraden beskrivs följande systemfunktioner:
För övervakningen av den stora säteshalvan finns mikrobrytare monterade i ryggstödet och sittytan. På ryggstödet finns endast en mikrobrytare på utsidan Två mikrobrytare finns i sätets underrede, på insidan och utsidan Ytterligare en mikrobrytare sitter på stolskuddens bärarm i sätets underrede. Ryggstödet är inte låst när det är nedfällt När säteshalvorna är fastlåsta korrekt skickas en jordsignal till JBE.
Följande sätesstatusar övervakas:
Den lilla säteshalvan övervakas bara med en mikrobrytare Mikrobrytaren sitter på den mekaniska låsningen på insidan av sätets underrede. Om den lilla säteshalvan är låst korrekt, är brytaren stängd.
Om Junction-boxens elektronik (JBE) identifierar att den andra stolsraden inte är låst korrekt, får kombiinstrumentet information om detta. Kombiinstrumentet visar ett Check-Control-meddelande Meddelandet ”Baksätet ej låst!” uppmärksammar föraren på att det finns en ökad skaderisk för bilens resenärer.
Med förbehåll för tryckfel, felaktigheter och tekniska ändringar.