Helljusassistenten (FLA) i E70 hjälper föraren att manövrera helljuset. Med hjälp av helljusassistenten kopplas helljuset till och från automatiskt beroende på trafiksituationen. Helljusassistenten identifierar framförvarande och mötande fordon samt upplysta samhällen.
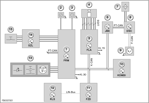
För helljusassistenten beskrivs följande komponenter:
Helljusassistenten kan endast aktiveras, om ljuskontakten står i kontaktläge ”A” Kontaktläget ”A” står för automatisk halvljusstyrning.
Med körriktnings-/helljuskontakten i SZL aktiveras och avaktiveras helljusassistenten. Körriktnings-/helljuskontaktens kontaktsignaler läses in och utvärderas i SZL. SZL skickar kontaktsignalerna från körriktnings-/helljuskontakten direkt till fotrumsmodulen (FRM).
RLSS mäter omgivningsljuset. Från och med halvdager kopplar fotrumsmodulen (FRM) till halvljuset. Helljusassistenten (FLA) kan endast aktiveras när halvljuset är tillkopplat. Detta under förutsättning att ljuskontakten står i kontaktläge ”A” RLSS skickar sin information via LIN-bussen till Funktionscentrum tak (FZD).
FZD bearbetar informationen från RLSS. FZD rapporterar tillkopplingsvillkoret från RLSS till fotrumsmodulen (FRM) via K-CAN.
På kombiinstrumentet finns följande indikeringar:
Bildsensorn är en specialkamera som identifierar ljuskkällor. Bildsensorn överför bilder till helljusassistenten (FLA). Bilderna överförs via en LVDS-datakabel (LVDS: Low Voltage Differential Signaling). FLA utvärderar bilderna FLA skickar en tillkopplings- resp frånkopplingsrekommendation för helljuset via K-CAN till fotrumsmodulen (FRM). Rekommendationen är beroende på trafiksituationen, ljusförhållandena och körhastigheten.
DSC beräknar hastigheten utifrån hjulvarvtalsgivarnas signaler. DSC beräknar girningshastigheten utifrån DSC-givarens signal. FLA utnyttjar informationen om girningshastigheten för att kunna utvärdera bilden bättre under kurvkörning. DSC skickar resultaten från beräkningen av hastighet och girningshastighet via PT-CAN till Junction-boxens elektronik (JBE).
Fotrumsmodulen får olika ingångsstorheter för helljuset.
Följande ingångsstorheter bearbetas av FRM:
Med utgångspunkt från ingångsstorheterna avgör FRM om helljuset ska kopplas till eller ifrån FRM aktiverar strålkastarna för helljuset FRM aktiverar kontrollampan på kombiinstrumentet. Om helljusassistenten slutar fungera visas en Check-Control-symbol. FRM är ansluten till K-CAN.
JBE mottar beräkningarna från DSC via PT-CAN. JBE skickar sin information via K-CAN till FRM.

Bilden visar innerbackspegeln i E70
Index |
Förklaring |
Index |
Förklaring |
|---|---|---|---|
1 |
Regn-/halvljus-/solsensor (RLSS) |
2 |
FLA-styrenhet i innerbackspegeln |
3 |
Knappar för den integrerade universella fjärrkontrollen |
4 |
Lysdiod för stöldskyddssystemet |
5 |
Bildsensor |
6 |
Skydd |

Blockkopplingsschema E70
Index |
Förklaring |
Index |
Förklaring |
|---|---|---|---|
1 |
Fotrumsmodul (FRM) |
2 |
Vänster helljus |
3 |
Höger helljus |
4 |
Bildsensor |
5 |
Helljusassistent (FLA) |
6 |
Junction-boxens elektronik (JBE) |
7 |
Hjulvarvtalsgivare |
8 |
Dynamisk stabilitetskontroll (DSC) |
9 |
DSC-givare |
10 |
Kombiinstrument |
11 |
Funktionscentrum tak (FZD) |
12 |
Regn-/halvljus-/solsensor (RLSS) |
13 |
Ljuskontakt |
14 |
Rattstångens kopplingsmodul (SZL) |
15 |
Körriktnings-/helljuskontakt |
|
|
Helljusassistenten skickar beroende på trafiksituationen en tillkopplingsrekommendation eller en frånkopplingsrekommendation för helljuset till FRM. Utifrån denna rekommendation och flera andra ingångsstorheter avgör FRM om helljuset ska kopplas till eller ifrån.
Följande systemfunktioner för helljusassistenten beskrivs:

Bildsensorns registreringsområde
Index |
Förklaring |
Index |
Förklaring |
|---|---|---|---|
1 |
Helljusets ljuskägla |
2 |
Bakljusen på ett framförvarande fordon |
3 |
Bildsensorns registreringsområde framåt |
4 |
Strålkastarna på ett mötande fordon |
Helljusets ljuskägla har en räckvidd på ca 400 m. Bildsensorns identifieringsområde har en räckvidd på ca 1000 m. Därmed säkerställs att bildsensorn identifierar mötande fordon, innan de bländas av helljusets ljuskägla. Om bildsensorn identifierar ett mötande fordon, skickar FLA en frånkopplingsrekommendation till FRM. FRM kopplar ifrån helljuset.
Om bildsensorn identifierar ett framförvarande fordon, skickar FLA en frånkopplingsrekommendation till FRM. FRM kopplar ifrån helljuset.
Om bildsensorn identifierar en omgivning med tillräcklig belysning, skickar FLA en frånkopplingsrekommendation till FRM. FRM kopplar ifrån helljuset. Tillräcklig belysning innebär:
Om inget skäl finns att blända av helljuset, kopplar FRM till helljuset. Strålkastarna avger helljus.
På kombiinstrumentet tänds kontrollampan för helljusassistenten (orange) så snart som FLA är aktiverad. Dessutom tänds kontrollampan för helljus (blå) varje gång helljuset kopplas till. Om FLA identifierar ett systembortfall, visas en Check-Control-symbol (gul).
I följande situationer kan helljusassistentens funktion begränsas:
För att garantera att helljusassistenten fungerar felfritt måste bildsensorn vara riktad parallellt med mellanaxeln. FLA kan vid mörkerkörning riktas automatiskt upp till 3° åt vänster och 3° åt höger Därmed regleras små avvikelser av mellanaxeln Körvillkor för automatisk justering av helljusassistenten är:
Med förbehåll för tryckfel, felaktigheter och tekniska ändringar.