De elektriska fönsterhissarnas funktion verkställs av flera styrenheter. Fotrumsmodulen styr de främre fönsterhissarna. Om det finns bakre fönsterhissar styrs även dessa av kopplingslådans elektronik.

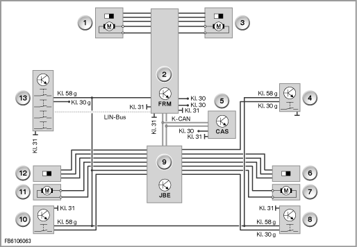
Bilden visar E70
Index |
Beskrivning |
Index |
Beskrivning |
1 |
Fönsterhissmotor förarsida fram |
2 |
Fotrumsmodul (FRM) |
3 |
Fönsterhissmotor passagerarsidan fram |
4 |
Fönsterhisskontakt passagerarsidan fram |
5 |
Car Access System (CAS) |
6 |
Hallgivare fönsterhiss passagerarsida bak |
7 |
Fönsterhissmotor passagerarsida bak |
8 |
Fönsterhisskontakt passagerarsida bak |
9 |
Kopplingslådan och kopplingslådans elektronik (JBE) |
10 |
Fönsterhisskontakt förarsida bak |
11 |
Fönsterhissmotor förarsida bak |
12 |
Hallgivare fönsterhiss förarsida bak |
13 |
Kontaktblock för förardörren |
|
|
De inblandade styrenheterna kommunicerar via bilens databussar. Styrenheterna försörjs med spänning via kopplingslådan.
Med förbehåll för tryckfel, felaktigheter och tekniska ändringar.