För att garantera trafikvarningstjänsten ”Real Time Traffic Information (RTTI)”, monteras en passiv antenneffektdelare på IBOC-styrenheten. Med hjälp av denna kan HF-signalerna ställas till förfogande för IBOC-styrenheten och CCC. RTTI är tillgänglig endast i kombination med navigationssystemet Professional. CCC ställer den mottagna trafikinformationen till förfogande för navigationen.

Index |
Förklaring |
Index |
Förklaring |
|---|---|---|---|
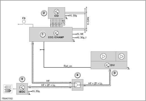
1 |
Huvudenhet |
2 |
Central informationsdisplay |
3 |
Antennförstärkare med diversity-modul |
4 |
Antenneffektdelare |
5 |
IBOC-styrenheten |
Följande komponenter för RTTI-effektdelaren beskrivs:

Index |
Förklaring |
Index |
Förklaring |
|---|---|---|---|
1 |
IBOC |
2 |
RTTI-effektdelare med hållare |
3 |
AM-/FM-signal (antennförstärkare med diversity-modul) kontaktfärgkod: Svart |
4 |
AM-/FM-signal (CCC) kontaktfärgkod: currygul |
5 |
AM-/FM-signal (IBOC) kontaktfärgkod: Svart |
IBOC-styrenheten för High Definition Radio är konstruerad som hybrid-tuner för mottagning av digitala och analoga radiosändare inom AM- och FM-frekvensområdet. För mottagning av digitala signaler används samma signalväg som för mottagning av analoga signaler. Därför kan de befintliga komponenterna antennförstärkare med diversity-modul och AM- och FM-antennerna användas.
IBOC-styrenheten avkodar den digitala ljudinformationen och sänder denna via MOST-bussen (Media-Oriented-System-Transport-Bus) till huvudenheten. Huvudenheten omvandlar ljudinformationen till analoga LF-signaler. LF-signalerna avges via högtalarna.
CCC-styrenheten är konstruerad för mottagning av analoga radiosändare inom AM- och FM-frekvensområdet. I kombination med IBOC omsätts inte funktionen i CCC utan i IBOC. För mottagning av analoga signaler används komponenterna antennförstärkare med diversity-modul och AM- och FM-antennerna.
Antenneffekten indelas asymmetriskt. IBOC-tunern erhåller en signal dämpad med 1 dB och huvudenheten erhåller en signal dämpad med 10 dB. Nivån som levereras av den aktiva FM-antennen delas därmed upp i förhållandet 9:1 (IBOC:RTTI). Antenneffekten uppdelas av effektdelaren i förhållandet 10:1 (IBOC:RTTI). Denna uppdelning av antenneffekten är tillräcklig, för att CCC ska kunna motta RTTI-data. Antenn-diversityn styrs av IBOC-styrenheten.
För kontrollen av RTTI-effektdelaren finns det en testmodul till förfogande. Den är tillgänglig via diagnosens Välja felbild (65006_CCC:funktionsstörning) eller via Välja funktion (Hela bilen/Karosseri/Audio, Video, Telefon, Navigation (MOST-ring)/Navigation).
Med förbehåll för tryckfel, felaktigheter och tekniska ändringar.