
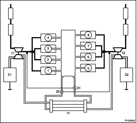
1 - 8 |
กระบอกสูบ 1 ถึง 8 |
10 |
อินเตอร์คูลเลอร์ |
11 |
เทอร์โบชาร์จเจอร์ 1 |
12 |
เทอร์โบชาร์จเจอร์ 2 |
21 |
เซ็นเซอร์วัดการไหลมวลอากาศ 1 |
22 |
เซ็นเซอร์วัดการไหลมวลอากาศ 2 |
31 |
วาล์วหมุนเวียนไอเสีย 1 |
32 |
วาล์วหมุนเวียนไอเสีย 2 |