คำอธิบายลักษณะการทำงานประกอบด้วยส่วนต่างๆ ต่อไปนี้:
บทนำ
จะใช้เครื่องยนต์ซีรี่ย์ M62 แทนเครื่องยนต์ M60 เครื่องยนต์ M62 เป็นการพัฒนามาจาก เครื่องยนต์ V-8 ของ BMW ซึ่งผลิตในปี 1992 ตั้งแต่ 1/96 เครื่องยนต์ดังกล่าว จะติดตั้งในซีรี่ย์ E31, E38 และ E39 ในช่วงเวลาต่างๆ กัน
เครื่องยนต์ M62 ใหม่จะยังคงคุณลักษณะที่สำคัญของเครื่องยนต์ M60 อยู่อย่างครบถ้วน :
เครื่องยนต์ M62 สามารถเลือกประสิทธิภาพได้ 2 แบบคือ คือแบบ 3.5 1 และแบบ 4.4 1
ซึ่งติดตั้งในโมเดลซีรี่ย์ต่อไปนี้ :
โมเดลซีรี่ย์ / เครื่องยนต์ |
M62B35 |
M62B44 |
|---|---|---|
E31 |
- |
840i |
E38 |
735i |
740i |
E39 |
535i |
540i |

เครื่องยนต์ M62 |
|
จุดประสงค์สำคัญสำหรับการพัฒนาได้แก่ ความถูกต้องตามข้อบังคับของกฏหมายใหม่ และ การปรับปรุงเพื่อความสะดวกสบายและคุณภาพที่ดีขึ้น
โดยเน้นหนักไปที่คุณลักษณะเหล่านี้ :
การบรรลุวัตถุประสงค์เหล่านี้ทำได้โดย การเพิ่มประสิทธิภาพของเครื่องยนต์, การปรับปรุงระบบขับข้อเหวี่ยง, การปรับปรุงระบบเพลาลูกเบี้ยว, การพัฒนาส่วนประกอบของเครื่องยนต์ต่างๆ รวมทั้งการใช้ ชุดอิเล็กทรอนิกส์สำหรับเครื่องยนต์แบบดิจิตอล DME M5.2
ด้วยเหตุผลทางการผลิต (ประสิทธิภาพการผลิต ของผู้ผลิตห้องเพลาข้อเหวี่ยง) จึงใช้อลูมิเนียมอัลลอย 2 ชนิด ในการผลิตห้องเพลาข้อเหวี่ยง
ห้องเพลาข้อเหวี่ยงของเครื่องยนต์ สำหรับกลุ่มประเทศซึ่งมีคุณภาพน้ำมันที่ไม่ดี (มีส่วนประกอบของซัลเฟอร์ในน้ำมันสูง) จะทำด้วย Alusil (เหมือน M73) เครื่องยนต์เหล่านี้ใช้ใน
ในทำนองเดียวกับเครื่องยนต์ M73 ห้องเพลาข้อเหวี่ยงของเครื่องยนต์เหล่านี้ จะทำจากอลูมิเนียมอัลลอย (Alusil) ซึ่งผ่านกระบวนการหล่อขึ้นรูปโลหะ (chilled casting process) แล้ว ห้องกระบอกสูบจะไม่มีการเคลือบ คุณภาพพื้นผิวของห้องกระบอกสูบที่ต้องการ จะขึ้นอยู่กับจากกระบวนการกัดผิวแม่พิมพ์ด้วยสารเคมี (etching process) ซึ่งเป็นส่วนหนึ่งของกระบวนการผลิต
ห้องเพลาข้อเหวี่ยงของเครื่องยนต์ M62 สำหรับกลุ่มประเทศอื่นๆ จะทำจากอลูมิเนียมอัลลอย (AlSi9Cu3) ที่เคยใช้ในเครื่องยนต์ M60 ห้องกระบอกสูบของห้องเพลาข้อเหวี่ยงเหล่านี้ จะเคลือบด้วยกระบวนการกระจายนิกเกิ้ล (nickel-dispersion process - Nikasil)
หมายเลขชิ้นส่วนอะไหล่ จะเป็นเครื่องหมายบอกชนิดของห้องเพลาข้อเหวี่ยงทั้งสองชนิด (อลูมีเนียมอัลลอย) วัสดุที่ใช้สำหรับห้องเพลาข้อเหวี่ยงทั้งสองชนิด มีคุณลักษณะที่สอดคล้องกับผิวเคลือบชนิดต่างๆ ของลูกสูบด้วย (ดูหัวข้อ "ลูกสูบ")
เมื่อไม่คำนึงถึงกระบวนการผลิตที่ต่างกันแล้ว รูปแบบของห้องเพลาข้อเหวี่ยงทั้งสองชนิดไม่ต่างกันเลย
M62 ใช้วิธีการหล่อเย็นโดยการใช้หัวฉีดแบบยึดติด เช่นเดียวกับที่ติดตั้งใน M52 และ M73 หัวฉีดแบบยึดติด จะขันเกลียวยึดติดกับชุดรองรับโดยตรง โดยอาศัยหัวฉีดแบบยึดติด จะทำให้การฉีดน้ำมันพุ่งตรงไปที่ฝาครอบลูกสูบ ซึ่งอยู่เหนือทางเดินของลูกสูบทั้งหมด
หัวฉีดแบบยึดติดจะประกอบและถอดออก ด้วยวิธีที่ต่างจากใน M52 / M73 กรุณาทำตามคำแนะนำการซ่อม !

เสื้อสูบ M62 พร้อมลูกสูบ |
|
เนื่องจากการขยายช่วงชัก จึงใช้เพลาข้อเหวี่ยงใหม่สำหรับเครื่องยนต์ทั้งสองแบบ สำหรับ M60 จะติดตั้งในแบริ่ง 5 ชุด สลักข้อเหวี่ยงทำมุม 90 o . น้ำหนักถ่วงดุล 6 ตัว ทำให้แน่ใจว่าเครื่องยนต์เดินเรียบ
เพลาข้อเหวี่ยงสำหรับเครื่องยนต์ M62 ทั้งสองแบบทำจากเหล็ก ซึ่งสามารถลดน้ำหนักได้ โดยการทำช่องกลวงตรงกลาง
เพื่อให้สอดคล้องกับอลูมีเนียมอัลลอยทั้งสองชนิด ที่ใช้สำหรับห้องเพลาข้อเหวี่ยง (โดยขึ้นอยู่กับประเทศ) ลูกสูบและแหวนลูกสูบจึงเคลือบด้วยวัสดุต่างๆ กัน ลูกสูบสำหรับห้องเพลาข้อเหวี่ยงที่ทำด้วย Alusil จะเคลือบด้วยเหล็ก สามารถแยกความแตกต่างระหว่างลูกสูบแต่ละตัว โดยดูที่หมายเลขชิ้นส่วนอะไหล่ของมัน
หากต้องเปลี่ยนลูกสูบในระหว่างการซ่อม จะต้องระวังรถยนต์ที่มาจากตลาดต่างประเทศเป็นพิเศษ เพื่อให้แน่ใจว่า ได้ติดตั้งลูกสูบและแหวนลูกสูบ ในห้องเพลาข้อเหวี่ยง ตามหมายเลขชิ้นส่วนอะไหล่ที่สอดคล้องกัน
เมื่อไม่คำนึงถึงวัสดุเคลือบผิวแล้ว รูปแบบของลูกสูบทั้งหมดจะไม่ต่างกันเลย (ลูกสูบแบบกระโปรงเรียบ)
ลูกสูบถูกออกแบบมาให้สามารถทำงานได้กับน้ำมันเชื้อเพลิง RON 95 อัตราการอัดสำหรับเครื่องยนต์ทั้งสองชนิด ได้แก่ 10.0 : 1
ก้านสูบมีรูปแบบเหมือนกับในเครื่องยนต์ M60
ในตอนแรก จะใช้ก้านสูบแบบผงโลหะอัด (sintered metal) ในเครื่องยนต์ M60 และ ต่อมา ได้นำใช้ในเครื่องยนต์ M62 ด้วยเช่นกัน นอกจากจะมีน้ำหนักลดลง (ส่วนที่เคลื่อนที่) ก้านสูบเปล่านี้ มีความแข็งแรงสูงมากตลอดช่วงเอาต์พุตของเครื่องยนต์
ก้านสูบและฝาปิดแบริ่งด้านโต จะแยกจากกันในระหว่างการผลิตก้านสูบแบบผงโลหะอัดขึ้นรูป ทำให้ไม่จำเป็นต้องทำการตั้งศูนย์ ด้วยวิธีใส่สลักนำระหว่างการประกอบตามปกติอีก การตั้งศูนย์นี้ ทำได้โดยอาศัยรอยหยักบนผิว และ ร่องนำสำหรับโบลทของก้านสูบ น้ำหนักตัวรถยนต์ (จุดสี หรือ หมายเลขระบุระดับน้ำหนัก) ไม่จำเป็นอีก เนื่องจากการผลิตที่มีความแม่นยำสูง ในกระบวนการอัดผงโลหะขึ้นรูป (sintered forging process)
ในเครื่องยนต์ M62 จะใช้โบลทกันยืดแบบใหม่ ในการยึดก้านสูบเข้ากับเพลาข้อเหวี่ยง
สำหรับระบบเกียร์อัตโนมัติ จะใช้ฟลายวีลแบบทำด้วยเหล็กชิ้นเดียว รถระบบเกียร์ธรรมดา จะใช้ฟลายวีลสองส่วนแบบรองรับด้วยไฮโดรลิค (ZMS)
ในเครื่องยนต์ M73 ล้อเฟืองส่งสัญญาณสำหรับเซ็นเซอร์ตำแหน่งเพลาข้อเหวี่ยง จะติดตั้งอยู่บนฟลายวีลสำหรับทั้งสองประเภท ตัวกำเนิดพัลส์แบบเหนี่ยวนำ จะติดตั้งอยู่ในห้องเกียร์/เรือนคลัช ตำแหน่งติดตั้งใหม่ของล้อเฟืองส่งสัญญาณที่ฟลายวีล ทำให้ชุดควบคุม DME สามารถตรวจจับการจุดระเบิดไม่ติดได้

ฟลายวีลพร้อมล้อเฟืองส่งสัญญาณ |
|
ในเครื่องยนต์รุ่นก่อนหน้านี้ ล้อเฟืองส่งสัญญาณจะติดตั้งในแนวรัศมีโดยรองรับด้วยยางแข็งแบบอบกำมะถัน สำหรับดูดซับการสั่นสะเทือนที่เกิดจากการบิด ด้วยการจัดแบบนี้ ทำให้ไม่สามารถที่จะตรวจจับความผิดปกติ ของความเร็วเครื่องยนต์ได้
บนฟลายวีล ล้อเฟืองส่งสัญญาณจะยึดแน่นกับเพลาข้อเหวี่ยง โดยไม่มีตัวรองรับ
ด้วยวิธีนี้ ความผิดปกติของความเร็วเครื่องยนต์ ซึ่งอาจเกิดจากสาเหตุต่างๆ เช่น การจุดระเบิดไม่ติด เป็นต้น จะถูกส่งตรงไปที่ล้อเฟืองส่งสัญญาณ นอกจากความเร็วเครื่องยนต์ และ เครื่องหมายอ้างอิงแล้ว การจุดระเบิดไม่ติดซึ่งเกิดจาก ความผิดปกติของการจุดระเบิด หรือ ระบบฉีดน้ำมัน ยังสามารถตรวจจับได้ จากตัวกำเนิดพัลส์แบบเหนี่ยวนำอีกด้วย การตรวจจับจุดระเบิดไม่ติดนี้เป็นข้อกำหนดใน OBD II (US)
สามารถดูรายละเอียดของ หลักการตรวจจับการจุดระเบิดไม่ติด ได้ในหัวข้อ DME
ใน E38 M60 อ่างน้ำมันเครื่องจะเป็นแบบ 2 ชิ้น ส่วนบนทำด้วยอลูมีเนียมหล่อ ส่วนล่างของอ่างน้ำมันเครื่อง เป็นแผ่นเหล็ก 2 ชั้น
ความจุน้ำมันเครื่องจะเหมือนกับในเครื่องยนต์ M60
ความจุน้ำมันเครื่องของเครื่องยนต์ M62 ทั้งสองแบบ เท่ากับ :
ความแตกต่างระหว่าง 'MIN' และ 'MAX' บนก้านวัดระดับน้ำมันเครื่องเท่ากับ 1.5 l
ห้องปั๊มน้ำมันเครื่อง และ ฝาปิดปั๊มน้ำมันเครื่อง ของ M62 ทำจากอลูมีเนียมหล่อ (ใน M60 เป็นแมกนีเซียม) รูปแบบและการทำงานของปั๊มน้ำมันหล่อลื่นไม่ต่างจากใน M60
เครื่องยนต์ M62 ใช้เซ็นเซอร์ระดับน้ำมันเครื่องแบบใช้ความร้อน เช่นเดียวกับใน E38 M60 และ เครื่องยนต์ M73
เซ็นเซอร์ระดับน้ำมันเครื่องนี้ จะส่งสัญญาณที่โมดูเลตตามความกว้างพัลส์ไปยังโมดูลเช็ค-คอนโทรล (E31: CCM; E38/E39: LCM)
จะใช้พัลส์ดิวตี้แฟคเตอร์ของสัญญาณนี้ แสดงระดับน้ำมันเครื่องในเครื่องยนต์ หากระดับน้ำมันลดลงต่ำกว่าระดับที่กำหนดใน ชุดควบคุม CCM/LCM จะมีข้อความ "Check engine oil level" ปรากฏให้คนขับเห็น
สามารถดูคำอธิบายทางเทคนิคได้จาก หนังสือแนะนำการฝึกอบรมเรื่อง ชุดอุปกรณ์อิเล็กทรอนิกส์ของแผงหน้าปัด IKE / เครือข่าย I บัส สำหรับ E38
กรองน้ำมันจะมีรูปแบบเหมือนกับใน M62 แต่ตัวชุดไส้กรองจะยึดติดกับตัวถังรถ
ใน M60 การระบายอากาศห้องเพลาข้อเหวี่ยง จะใช้ระบบควบคุมความดัน รูปแบบของการระบายอากาศห้องเพลาข้อเหวี่ยง จะเหมือนกับระบบที่เคยใช้ใน M60
ก๊าซที่ระบายออกที่เกิดขึ้นในระหว่างเครื่องยนต์ทำงาน จะถูกเก็บไว้ในห้องเพลาข้อเหวี่ยง
ระบบไอดีซึ่งต่อกับห้องเพลาข้อเหวี่ยง ด้วยวาล์วควบคุมความดัน ซึ่งติดตั้งอยู่ที่ฝาปิดตอนท้ายของระบบไอดี สุญญากาศที่เกิดขึ้น จะดูดก๊าซที่ระบายออกเข้าไปในห้องเพลาข้อเหวี่ยง โดยผ่านไซโคลนเซพเพอร์เรเตอร์
ไอน้ำมันที่ปะปนอยู่ในก๊าซที่ระบายออก จะควบแน่นที่ผนังของไซโคลนเซพเพอร์เรเตอร์ซึ่งเย็นกว่า และ กลับคืนสู่อ่างน้ำมันเครื่อง โดยผ่านท่อส่งกลับ ส่วนประกอบของก๊าซที่เหลือ จะถูกส่งผ่านท่อจ่ายในระบบไอดี ไปที่ห้องผสมในชุดตัวเรือนปีกผีเสื้อ

วาล์วควบคุมความดันในระบบไอดี |
|
ฝาสูบ 4 วาล์วของ M62 โดยทั่วไปแล้ว จะคล้ายกับรูปแบบของฝาสูบใน M60 แต่จะไม่ใช้อุปกรณ์พื้นฐาน เพื่อจะสามารถเห็นความแตกต่างจากภายนอกได้ง่าย ให้สังเกตอักษร M60 หรือ M62 รวมทั้งขนาด (เช่น B35) ซึ่งจะแสดงไว้บนที่ว่างส่วนที่ไม่ใช่ตัวเครื่องจักร

ฝาสูบ M62 |
|
ปะเก็นฝาสูบ
ปะเก็นฝาสูบจะไม่มีส่วนผสมของแอสเบสทอส โดยจะแตกต่างกับปะเก็นฝาสูบของ M60 ตรงที่ไม่ครอบคลุมส่วนที่เป็นฝาครอบสายพานไทมิ่ง โดยส่วนดังกล่าว จะติดตั้งประเก็นยางแบบใหม่ไว้แทน (ดูเรื่องฝาครอบสายพานไทมิ่ง) ด้วยเหตุนี้ การระบุข้อมูลของปะเก็นฝาสูบ (3.5 l / 4.4 l) จึงถูกย้ายไปที่ด้านหลัง
ฝาครอบวาล์ว
ฝาครอบวาล์วทำจากแมกนีเซียม
จะต้องระมัดระวังไม่ให้เกิดความเสียหายที่ผิวแมกนีเซียม ของครอบฝาวาล์ว เนื่องจากความเสียหายที่พื้นผิว จะทำให้เป็นสนิมได้ง่ายขึ้น
เพลาลูกเบี้ยว 2 เพลาแบบติดตั้งอยู่บนฝาสูบ เพลาลูกเบี้ยวดังกล่าวเป็นเพลาแข็งทำจากเหล็กหล่อคาร์บอนสูง (high-carbon steel casting) เช่นเดียวกับเพลาลูกเบี้ยวของเครื่องยนต์ M60
มุมลิ่มของเพลาลูกเบี้ยว ถูกปรับให้ใช้กับสลักของ M60 ที่มีอยู่ได้ ดังนั้นสลักของ M60 จึงใช้กับเพลาลูกเบี้ยว M62 ได้

ฝาสูบพร้อมเพลาลูกเบี้ยวและท่อน้ำมันเครื่อง |
|
การระบุข้อมูลเพลาลูกเบี้ยว
เช่นเดียวกับเครื่องยนต์ M60 สามารถรู้ข้อมูลของเพลาลูกเบี้ยว โดยดูที่ชุดตัวอักษรและตัวเลขที่ปั๊มไว้ (E1-4, A1-4, E5-8, A5-5)
จุดประสงค์หลักของการออกแบบกลไกวาล์วคือ การลดขนาดและน้ำหนักของส่วนเคลื่อนที่ ขนาดและน้ำหนักของลูกกระทุ้งไฮดรอลิค, สปริงวาล์ว และ ฐานรองสปริงวาล์วด้านบน จะเกี่ยวข้องกับการลดลงของแรงเสียดทาน และ การลดเสียง ดังนั้น การลดขนาดและน้ำหนัก จะสามารถลดแรงเสียดทานและเสียงได้
วาล์ว
เมื่อคำนึงถึงขนาดและน้ำหนักแล้ว วาล์วจะมีลักษณะเหมือนกับใน M60 (อุปกรณ์พื้นฐาน M60)
ลูกกระทุ้งบักเก็ต HAV
เส้นผ่าศูนย์กลางของลูกกระทุ้งบักเก็ต HAV จะลดลง (M60 : (35 มิลลิเมตร / M62 : (33 มิลลิเมตร) ด้วยวิธีนี้ จึงสามารถที่จะลดน้ำหนักลงได้ 32 กรัมถึง 48 กรัม (M60 : 80 กรัม)(อุปกรณ์พื้นฐาน M52) ซึ่งได้แก่ลูกกระทุ้งบักเก็ต INA, ช่องระบายอากาศในตัว พร้อมลูกเบี้ยวเคลือบผิวด้วยคาร์บอนไนไตรท์
สปริงวาล์ว
การใช้สปริงวาล์วเดี่ยวรูปกรวย ทำให้สามารถลดขนาดและน้ำหนัก ของส่วนเคลื่อนที่ได้มากยิ่งขึ้น
ฐานรองสปริง
น้ำหนักของฐานรองสปริงด้านบนได้รับการปรับให้เหมาะสมด้วย (อุปกรณ์พื้นฐาน M44 และ M52) ฐานรองสปริงด้านล่างเป็นอุปกรณ์พื้นฐานของ M52
โดยรวมแล้ว การลดน้ำหนักของกลไกวาล์ว ทำได้โดยการปฏิบัติตามข้อปฏิบัติ ดังแสดงในตารางข้างล่าง
|
M60B40 |
M62B44 |
|---|---|---|
วาล์วไอดี (กรัม) |
49 |
49 |
วาล์วไอเสีย (กรัม) |
48 |
48 |
ลูกกระทุ้งบักเก็ต HVA (กรัม) |
80 |
48 |
สปริงวาล์ว (กรัม) |
36 |
12 |
ฐานรองสปริงวาล์วด้านบน (กรัม) |
15 |
8 |
ตัวล็อคฐานรองสปริง (กรัม) |
1 |
1 |
ไอดีต่อวาล์ว (กรัม) |
181 |
118 |
ช่องทางออกต่อวาล์ว (กรัม) |
180 |
117 |
โซ่หลัก
เพื่อทำการปรับปรุงในเรื่องเสียง, น้ำหนัก และ แรงเสียดทาน โซ่หลักจะส่งกำลังผ่านโซ่เดี่ยว (M60 : โซ่คู่) จากเพลาข้อเหวี่ยงไปที่เพลาลูกเบี้ยวไอดี จานโซ่หลักจะหุ้มด้วยยาง เพื่อลดเสียงที่เกิดจากโซ่
ล้อเฟืองส่งสัญญาณตำแหน่งเพลาลูกเบี้ยว
ล้อเฟืองส่งสัญญาณซึ่งประกอบด้วยเซ็นเซอร์ 4 ตัวสำหรับกระบอกสูบหมายเลข 1 (DME) ซึ่งติดตั้งอยู่บนจานโซ่เพลาลูกเบี้ยวไอดีสำหรับกระบอกสูบ 1-4.ในเครื่องยนต์ M62 จะใช้เซ็นเซอร์แบบฮอลล์เป็นเซ็นเซอร์ตำแหน่งเพลาลูกเบี้ยว ซึ่งต่างจาก M60 (ใช้เซ็นเซอร์แบบเหนี่ยวนำ)
เนื่องจาก การออกแบบล้อเฟืองส่งสัญญาณตำแหน่งเพลาลูกเบี้ยวใหม่ จึงต้องกำหนดตำแหน่งของล้อเฟืองส่งสัญญาณ สำหรับตัวขับเพลาลูกเบี้ยวใหม่ด้วย ล้อเฟืองส่งสัญญาณตำแหน่งเพลาลูกเบี้ยวในขณะนี้ จะมีเครื่องหมาย (รอยหยัก) จะต้องระมัดระวังเป็นพิเศษในระหว่างการประกอบ เพื่อให้แน่ใจว่าเครื่องหมายนี้หันลง และ ตรงกับแกนกระบอกสูบ สำหรับรายละเอียดเพิ่มเติม ดูที่คำแนะนำการซ่อม

ล้อเฟืองส่งสัญญาณตำแหน่งเพลาลูกเบี้ยว M62 |
|
รางรองรับโซ่ของโซ่หลัก
สำหรับ M62 ล้อรองรับโซ่ในช่องตัว V จะถูกแทนด้วย รางรองรับโซ่อลูมีเนียม พร้อมด้วย ตัวหนีบพลาสติค จะทำการดึงโซ่ได้โดยใช้ตัวดึงระบบไฮโดรลิคด้วยอุปกรณ์จำกัดความดัน

เครื่องยนต์ M62 พร้อมรางรองรับโซ่สำหรับโซ่หลัก |
|
เนื่องจากการใช้รางรองรับโซ่ (แทนล้อรองรับโซ่) จึงต้องตรวจสอบค่าแรงบิดที่เปลี่ยนแปลงไป ในการปรับความตึงของเรล ในระหว่างการประกอบโซ่หลัก (ดูคำแนะนำการซ่อม)
โซ่รอง
โซ่รองจะเป็นแบบโซ่เดี่ยวเช่นเดียวกัน โดยต่อจากเพลาลูกเบี้ยวไอดี ไปยังเพลาลูกเบี้ยวไอเสีย
ตัวปรับความตึงของโซ่ระบบไฮดรอลิค จะติดตั้งอยู่ที่ฝาสูบแต่ละอัน

ฝาสูบ M62 และ โซ่เดี่ยว |
|
สำหรับ M60 ฝาครอบสายพานไทมิ่ง จะติดอยู่ที่ฝาสูบและที่ห้องเพลาข้อเหวี่ยงกลาง
ระบบการซีลเป็นระบบใหม่ :
ฝาครอบสายพานไทมิ่งด้านบนสองตัว จะถูกซีลเพื่อให้เข้ากับฝาสูบ และ ฝาครอบสายพานไทมิ่งด้านล่าง โดยการใช้ปะเก็นยาง ปะเก็นยางเหล่านี้ ทำให้เกิดการชดเชยค่าความคลาดเคลื่อนได้ดีกว่า และ เกิดเสียงระหว่าง ฝาครอบสายพานไทมิ่งด้านบนและด้านล่าง น้อยกว่า
เนื่องจากการใช้ปะเก็นที่ดัดแปลงใหม่ จึงต้องสังเกตขั้นตอนแบบใหม่ ในการประกอบฝาครอบสายพานไทมิ่งด้านบนด้วย เพื่อให้ทำการซีลได้ดีที่สุด คำแนะนำการประกอบไม่มีในคำแนะนำการซ่อม !
ฝาครอบสายพานไทมิ่งด้านล่าง จะซีลเข้ากับห้องเพลาข้อเหวี่ยง โดยการใช้ปะเก็นแบน
ตัวปีกผีเสื้อของ M62 ถูกออกแบบใหม่ โดยติดตั้งช่องผสมที่บริเวณช่องออริฟีส ของระบบอากาศสำหรับการเดินเบา (ZWD 2)
ช่องผสมดังกล่าวประกอบด้วย แผ่นเพลทพร้อมกับช่องออริฟีสที่ออกแบบมาอย่างละเอียด ซึ่งติดตั้งระหว่าง ระบบไอดีและลิ้นปีกผีเสื้อ
อากาศสำหรับตัวควบคุมรอบเดินเบา, อากาศที่ระบายออกจากห้องดักไอน้ำมัน และ ก๊าซที่ระบายออก ซึ่งส่งผ่านมาทางท่อส่ง, วาล์วควบคุมความดันของการระบายอากาศห้องเพลาข้อเหวี่ยง ไปยังห้องปีกผีเสื้อ และ จะไหลมาที่ห้องผสม ที่นี่ ก๊าซที่ระบายออก และ อากาศที่ระบายออกจากห้องดักไอน้ำมัน จะผสมกับอากาศบริสุทธิ์ ทั้งนี้ เพื่อให้แน่ใจว่า กระบอกสูบจะได้รับก๊าซที่ระบายออกอย่างสม่ำเสมอ และ ทำให้เกิดการเดินเบาที่ราบรื่นและเป็นรูปแบบ
ท่อร่วมไอดีของ M62 เป็นพลาสติคชิ้นเดียว มีลักษณะคล้ายท่อรวมไอดีใน M60B40
วาล์วควบคุมความดัน สำหรับการระบายอากาศห้องเพลาข้อเหวี่ยง จะติดตั้งโดยตรงเข้ากับท่อร่วมไอดี ท่อกระจายจะเร่มจากวาล์วควบคุมความดัน ผ่านท่อร่วมไอดี ไปที่ช่องผสมในวาล์วลิ้นปีกผีเสื้อ เพื่อการกระจายก๊าซที่ระบายออก ไปยังกระบอกสูบทั้งหมด
การเชื่อมต่อสำหรับ Master-Vac ของหม้อลมเบรก สามารถต่อได้ที่ฝาปิดของท่อร่วมไอดี
M62 มีคุณสมบัติที่เหมือนกับเครื่องยนต์ BMW ส่วนใหญ่ นั่นคือ มีระบบการกระจายไฟฟ้าที่มีแรงดันไฟฟ้าสูง
คอยล์จุดระเบิด
ใช้คอยล์จุดระเบิดแบบใหม่ในเครื่องยนต์ M62 คอยล์จุดระเบิดมีรูปแบบเหมือนกับในเครื่องยนต์ M52 เนื่องจากมีการดัดแปลงรูปแบบกลไกใหม่ ทำให้คอยล์จุดระเบิดดังกล่าวมีลักษณะเล็กกว่า และ เบากว่าคอยล์จุดระเบิดที่ใช้กันอยู่ในปัจจุบัน

การเปรียบเทียบคอยล์จุดระเบิด M60 และ M62 |
|
คอมแพคอัลเทอร์เนเตอร์ (140 A) พร้อมอากาศไอดี ใช้ในรถยนต์ทั้งหมดที่ติดตั้งเครื่องยนต์ M62
วอเตอร์คูลอัลเทอร์เนเตอร์ 220 A จะใช้ในรถยนต์ E31 (แบตเตอรี่ 2 ตัวในช่องเก็บสัมภาระ!) ซึ่งต้องใช้กำลังมากขึ้นและกระแสไฟฟ้าวงจรปิดสูงขึ้น (เนื่องจากอุปกรณ์พิเศษเช่น โทรศัพท์ติดรถยนต์ หรือ ตัวทำความร้อนอิสระ)
เนื่องจากมีการต่อระบบปรับอากาศซึ่งเป็นอุปกรณ์พิเศษ จึงมีการใช้พัดลมเสริมไฟฟ้าแบบ 3 ระดับ ใน E39
พัดลมเสริมเป็นลัษณะพื้นฐานในโมเดล E31 และ E38 เนื่องจากระบบปรับอากาศ เป็นอุปกรณ์พื้นฐานในรถยนต์รุ่นเหล่านี้
เพื่อทำการควบคุมเสียงที่ดีที่สุด วงจร 2 ระดับแบบเดิมจะถูกขยายเป็น 3 ระดับ จุดเริ่มทำงานในแต่ละระดับ จึงต้องถูกกำหนดใหม่
จุดเริ่มทำงาน
การเริ่มทำงาน |
ระดับ 1 |
คลัทช์ของคอมเพรสเซอร์ทำงาน และ อุณหภูมิภายนอกสูงกว่า 10 o C -อุณหภูมิของน้ำสูงกว่า 91 o C |
การเริ่มทำงาน |
ระดับ 2 |
- เพรสโซสแตทความดันปานกลางปิด > 21 บาร์ |
การเริ่มทำงาน |
ระดับ 3 |
- อุณหภูมิของน้ำสูงกว่า 104 o C (เริ่มทำงาน โดยใช้สวิตช์อุณหภูมิคู่) |
การตัดการทำงาน |
ระดับ 4 |
-คลัทช์ของคอมเพรสเซอร์ไม่ทำงาน - อุณหภูมิภายนอก < 8 o C -อุณหภูมิของน้ำ < 91 o C |
ในเครื่องยนต์ M60 สตาร์ทเตอร์ที่ใช้สำหรับทุกแบบได้แก่ สตาร์ทเตอร์แบบเพลาตาม ของ Bosch 12 V กำลังเอาต์พุต 1.7 กิโลวัตต์
สายไฟและการเดินสายไฟไปที่เทอร์มินอลชาร์จแบตเตอรี่ ในซีรี่ย์ E38 และ E39 เป็นแบบใหม่..สาย B+ จะอยู่ใต้เครื่องยนต์ ไปยังอัลเทอร์เนเตอร์ และ ไปที่เทอร์มินอลชาร์จแบตเตอรี่
เทอร์มินอลชาร์จแบตเตอรี่ จะติดตั้งอยู่บนฝาครอบสายพานไทมิ่ง ของแนวกระบอกสูบ 5 - 8
ใน E31 เทอร์มินอลชาร์จแบตเตอรี่ จะยังคงติดตั้งอยู่ที่ด้านขวาของ แมคเฟอร์สันสตรัททาวเวอร์
ระบบไอเสียทั้งหมด จากท่อร่วมไปถึงท่อส่วนปลาย ทำจากแสตนเลส และ เป็นชิ้นเดียวตั้งแต่หน้าแปลนท่อร่วมลงไป
ท่อร่วมไอเสีย
เครื่องยนต์ M62 ใช้ท่อร่วมไอเสียโลหะแบบฉนวนด้วยช่องว่างอากาศ เหมือนใน M60
เครื่องฟอกไอเสีย
ท่อส่วนแรกก็เป็นท่อแบบสองชั้น โดยฉนวนด้วยช่องว่างอากาศ (ท่อซ้อนท่อ) เช่นเดียวกัน
เครื่องฟอกไอเสียจะเป็นแบบเป็นสองช่อง แต่ละช่อง จะมีแกนเซรามิคแบบเคลือบโลหะผสม (แพลทตินั่ม, พัลลาเดียม, โรเดียม) 2 ชั้น ต่อหนึ่งท่อไอเสีย เพื่อให้เกิดความดันย้อนกลับของไอเสียต่ำที่สุด เท่าที่จะเป็นไปได้ แกนจะมีพื้นที่หน้าตัดเท่ากับใน M73
หลักการออกแบบระบบน้ำ จะเหมือนกับของเครื่องยนต์ M60
ปั๊มน้ำ
การออกแบบปั๊มน้ำ จะเป็นแบบเดียวกับของเครื่องยนต์ M60 ตัวปั๊มน้ำทำด้วยอลูมีเนียมหล่อ และ ยึดอยู่กับฝาครอบสายพานไทมิ่ง เซ็นเซอร์อุณหภูมิแบบคู่สำหรับสารหล่อเย็น จะติดตั้งอยู่ในตัวปั๊มน้ำ ซึ่งจะต่างกับใน M60 เซ็นเซอร์อุณหภูมิแบบคู่นี้ จะอยู่ตรงจุดที่สารหล่อเย็นไหลออกจากเครื่องยนต์

รายละเอียดของปั๊มน้ำและเซ็นเซอร์อุณหภูมิแบบคู่ |
|
หม้อน้ำ
รูปแบบของหม้อน้ำ M62 จะเหมือนกับของเครื่องยนต์ M60
หม้อหล่อเย็นน้ำมันเครื่อง จะติดตั้งเพิ่มเติมสำหรับแบบของแต่ละประเทศ
เทอร์โมสแตทติดตั้งรวมอยู่ในตัวปั๊มน้ำ
เช่นเดียวกับ M60 เทอร์โมสแตทแบบทั่วไปพร้อมวาล์วระบาย จะติดตั้งอยู่ในรุ่น E31 ซึ่งใช้เครื่องยนต์ M62 เทอร์โมสแตทจะเปิดที่อุณหภูมิ 85 o C
เทอร์โมสแตทแบบควบคุมด้วยแผนผังลักษณะการทำงาน แบบใหม่นี้ จะติดตั้งในรถยนต์ซีรี่ย์ E38 และ E39 ซึ่งใช้เครื่องยนต์ M62
ฟังก์ชั่นของเทอร์โมสแตทแบบทั่วไป
การควบคุมระบบการหล่อเย็นเครื่องยนต์ โดยใช้เทอร์โมสแตทแบบทั่วไป จะกำหนดโดยอุณหภูมิของสารหล่อเย็น เท่านั้น ระบบควบคุมนี้ยังสามารถแบ่งการทำงานออกเป็น 3 ช่วงดังนี้ :
โดยอาศัยเทอร์โมสแตทแบบควบคุมด้วยแผนผังลักษณะการทำงาน อุณหภูมิของสารหล่อเย็น จะสามารถเปลี่ยนแปลงอยู่ในช่วงการทำงาน (ช่วงควบคุมของเทอร์โมสแตท)
ด้วยวิธีนี้ จึงสามารถที่จะกำหนดอุณหภูมิสารหล่อเย็นให้สูงขึ้นได้ ในช่วงโหลดบางส่วนของเครื่องยนต์ อุณหภูมิทำงานที่สูงขึ้นในช่วงโหลดบางส่วน จะช่วยทำให้การเผาไหม้ดีขึ้น ส่งผลให้สิ้นเปลืองน้ำมันน้อยลง และ ลดการเกิดมลพิษ
อย่างไรก็ตาม อุณหภูมิทำงานที่สูงขึ้นในช่วงโหลดเต็มที่ อาจทำให้เกิดข้อเสียบางอย่าง (จังหวะการจุดระเบิด (มุม) ลดลงเนื่องจากน็อค) ด้วยเหตุนี้ เทอร์โมสแตท แบบควบคุมด้วยแผนผังลักษณะการทำงาน จะตั้งอุณหภูมิสารหล่อเย็นให้ต่ำลงในช่วงโหลดเต็มที่

|
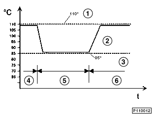
ลักษณะการควบคุมของ การหล่อเย็นแบบควบคุมด้วยแผนผังลักษณะการทำงาน |
|---|---|
1 |
เส้นกราฟลักษณะการทำงานของเทอร์โมสแตทที่ 110 o C |
2 |
เส้นกราฟลักษณะการทำงาน ของเทอร์โมสแตท แบบควบคุมด้วยแผนผังลักษณะการทำงาน |
3 |
เส้นกราฟลักษณะการทำงานของเทอร์โมสแตทที่ 85 o C |
4 |
ช่วงโหลดบางส่วน |
5 |
ช่วงโหลดเต็มที่ |
6 |
ช่วงโหลดบางส่วน |
BMW เป็นบริษัทผู้ผลิตรายแรกของโลก ที่ใช้เทอร์โมสแตทที่ควบคุมด้วยแผนผังลักษณะการทำงาน สำหรับควบคุมอุณหภูมิของสารหล่อเย็น ในการผลิตเครื่องยนต์จำนวนมาก โดยการใช้เทอร์โมสแตทนี้ ทำให้สามารถเพิ่มอุณหภูมิของสารหล่อเย็นในช่วงโหลดบางส่วน ด้วยการเพิ่มอุณหภูมิสารหล่อเย็น ภายใต้สภาวะการทำงานของเครื่องยนต์แบบนี้ สามารถลดการสิ้นเปลืองน้ำมันลงได้ เทอร์โมสแตทแบบควบคุมด้วยแผนผังลักษณะการทำงาน จะควบคุมโดย DME M5.2 ร่วมกับแผนผังลักษณะการทำงาน
แผนผังลักษณะการทำงานนี้ จะกำหนดโดยปัจจัยต่อไปนี้ :
การออกแบบเทอร์โมสแตทแบบควบคุมด้วยแผนผังลักษณะการทำงาน
เทอร์โมสแตทแบบควบคุมด้วยแผนผังลักษณะการทำงาน เป็นเทอร์โมสแตทรวม ซึ่งหมายถึง เทอร์โมสแตทและฝาปิดเทอร์โมสแตทรวมกันเป็นชิ้นเดียว
หลักการออกแบบทางกลไก ของเทอร์โมสแตทแบบควบคุมด้วยแผนผังลักษณะการทำงาน จะเหมือนกับเทอร์โมสแตทธรรมดา อย่างไรก็ตาม จะเพิ่มตัวทำความร้อนเข้าไปในส่วนต่อ (แบบใช้แวกซ์)

ภาพตัดขวางของเทอร์โมสแตท แบบควบคุมด้วยแผนผังลักษณะการทำงาน |
|
ฝาปิดของเทอร์โมสแตทแบบควบคุมด้วยแผนผังลักษณะการทำงาน ทำจากอลูมีเนียมหล่อ จุดต่อไฟฟ้าสำหรับส่วนทำความร้อน ซึ่งต่อไปยังส่วนต่อของเทอร์โมสแตทแบบควบคุมด้วยแผนผังลักษณะการทำงาน ติดตั้งรวมอยู่ในฝาปิดเทอร์โมสแตท

เทอร์โมสแตทแบบควบคุมด้วยแผนผังลักษณะการทำงาน พร้อม จุดต่อไฟฟ้าของส่วนทำความร้อน |
|
ฟังก์ชั่นของเทอร์โมสแตท แบบควบคุมด้วยแผนผังลักษณะการทำงาน
เทอร์โมสแตทแบบควบคุมด้วยแผนผังลักษณะการทำงาน ถูกออกแบบให้เปิดออก (ช่องทางเข้าของเครื่องยนต์) เมื่อ อุณหภูมิของสารหล่อเย็นที่เทอร์โมสแตทเป็น 103 o C โดยไม่มีการขัดจังหวะจากระบบให้ความร้อนรวม เนื่องจาก อุณหภูมิของสารหล่อเย็นจะสูงขึ้นเมื่ออยู่ในเครื่องยนต์ อุณหภูมิที่วัดได้ ณ จุดที่สารหล่อเย็นไหลออกจากเครื่องยนต์ (ตำแหน่งติดตั้งของเซ็นเซอร์อุณหภูมิสารหล่อเย็น สำหรับ DME และ เกจวัดบนแผงหน้าปัด) อยู่ที่ประมาณ110 o C อุณหภูมินี้เป็นอุณหภูมิทำงานของเครื่องยนต์ ซึ่งเทอร์โมสแตทแบบควบคุมด้วยแผนผังลักษณะการทำงาน จะเริ่มเปิด โดยไม่มีการขัดจังหวะการควบคุม
ในการขัดจังหวะการควบคุมโดยชุดควบคุม DME แรงดันไฟฟ้า (12 โวลต์) จะจ่ายให้กับส่วนทำความร้อนในเทอร์โมสแตท การให้ความร้อนแก่ส่วนต่อ หมายความว่า อุณหภูมิสารหล่อเย็นที่ทำให้เทอร์โมสแตทเปิด จะต่ำกว่าในกรณีที่ ไม่มีฟังก์ชั่นการให้ความร้อนเพิ่ม (ช่วงควบคุมเทอร์โมสแตท : ประมาณ 80 o C - 103 o C)

1 |
ทางเปิดของเทอร์โมสแตท |
2 |
อุณหภูมิสารหล่อเย็น |
3 |
การทำงานของส่วนทำความร้อนที่ 12 โวลต์ |
4 |
การทำงานของส่วนทำความร้อนที่ 0 โวลต์ |
เมื่ออุณหภูมิสารหล่อเย็นที่ทางออกของเครื่องยนต์เกิน 113 o C DME จะสั่งให้การทำความร้อนของ เทอร์โมสแตทแบบควบคุมด้วยแผนผังลักษณะการทำงาน เริ่มทำงาน โดยไม่เกี่ยวข้องกับพารามิเตอร์อื่นๆ
6การวิเคราะห์
การต่อสาย และ การทำงาน ของ เทอร์โมสแตทแบบควบคุมด้วยแผนผังลักษณะการทำงาน จะถูกตรวจสอบจากฟังก์ชั่นการวิเคราะห์ในชุดควบคุม DME ความผิดปกติต่างๆ จะถูกเก็บอยู่ในหน่วยความจำรหัสความผิดปกติ ของชุดควบคุม DME
เกจวัดอุณหภูมิสารหล่อเย็น
ลักษณะการแสดงค่าของ เกจวัดอุณหภูมิสารหล่อเย็น ในอุปกรณ์แผงหน้าปัด ถูกปรับปรุงให้ใช้กับระดับอุณหภูมิเครื่องยนต์ที่สูงขึ้น เนื่องจากการใช้ เทอร์โมสแตทแบบควบคุมด้วยแผนผังลักษณะการทำงาน
เข็มของเกจวัดอุณหภูมิสารหล่อเย็น ในอุปกรณ์แผงหน้าปัด จะอยู่ที่ตำแหน่งกลาง เมื่ออุณหภูมิสารหล่อเย็น เป็น
75 o C - 113 o C
ชุดอิเล็กทรอนิกส์สำหรับเครื่องยนต์แบบดิจิตอล DME M5.2 ของ Bosch ที่ใช้ใน M73 ขณะนี้ได้นำมาใช้ใน เครื่องยนต์ M62 ด้วย โดยใช้แทน DME M3.3 ของเครื่องยนต์ M60
DME รุ่นใหม่นี้ ได้รับการพัฒนามาเพื่อให้สนองตอบจุดประสงค์ที่กำหนดในบทนำ และ เพื่อปฏิบัติตามกฏหมายใหม่ของประเทศอเมริกา (เช่น OBD II) มาตรฐานแคลิฟอร์เนียได้ตั้งข้อบังคับที่เคร่งครัดมาก เกี่ยวกับเรื่องการปล่อยมลพิษ
DME M5.2 ตระหนักถึงฟังก์ชั่น CARB (Californian Air Resource Board) เหล่านี้เป็นอย่างดี
รถยนต์ที่ผลิตมาสำหรับตลาดในประเทศอเมริกา จะติดตั้ง ชุดอินเตอร์เฟสการวิเคราะห์แบบออนบอร์ด (OBD) ไว้ด้วย ซึ่งเป็นมาตรฐานของผู้ผลิตรถยนต์ทั้งหมด ชุดอินเตอร์เฟสดังกล่าว ทำให้ผู้ที่มีอำนาจทางจราจรของรัฐ สามารถอ่านข้อมูลที่เกี่ยวข้องกับ OBD จากหน่วยความจำรหัสความผิดปกติ DME ได้ทุกเวลา สามารถติดต่อเพื่อดูข้อมูลในหน่วยความจำรหัสความผิดปกติ ได้โดยใช้รหัสภายในชุดควบคุม DME
คุณลักษณะที่สำคัญที่สุดของ DME M5.2 ได้แก่ :
เพื่อที่จะตรวจสอบค่าขีดจำกัดในการปล่อยมลพิษ กฏหมายของรัฐแคลิฟอร์เนียและของอเมริกา จึงกำหนดให้ตรวจสอบ ส่วนประกอบที่เกี่ยวกับการปล่อยมลพิษทั้งหมด ระหว่างการทำงานของรถยนต์ ซึ่งทำให้ระบบการการวิเคราะห์ตัวเอง จำเป็นต้องมีประสิทธิภาพมากยิ่งขึ้น รวมทั้งฟังก์ชั่นการตรวจจับการจุดระเบิดไม่ติดด้วย หากมีความผิดปกติเกี่ยวกับการปล่อยมลพิษเกิดขึ้น DME จะสั่งให้ไฟ 'ตรวจเช็คเครื่องยนต์' ที่แผงหน้าปัดของรถยนต์ในอเมริกา ติดสว่างขึ้น สัญญานนี้เตือนให้คนขับรู้ว่า มีสิ่งผิดปกติเกิดขึ้นในการจัดการระบบเครื่องยนต์ ซึ่งส่งผลต่อการปล่อยมลพิษ และ จะต้องได้รับการแก้ไขในทันที โดยศูนย์บริการที่เชี่ยวชาญ
ฟังก์ชั่นการวิเคราะห์ที่สำคัญของ OBD II ได้แก่ :
ส่วนประกอบที่สำคัญอีกส่วนหนึ่งของระบบ OBD II ได้แก่ ชุดอินเตอร์เฟส ซึ่งเป็นมาตรฐานสำหรับผู้ผลิตรถยนต์ทุกบริษัท และ ผู้มีอำนาจทางการจราจร สามารถอ่านความผิดปกติเกี่ยวกับการปล่อยมลพิษ ที่เกิดขึ้นและเก็บไว้ในชุดควบคุม ด้วยเครื่องสแกนได้ การเข้าไปอ่านข้อมูลจากหน่วยความจำรหัสความผิดปกติ จะทำได้โดย ผู้มีอำนาจในเรื่องความผิดปกติเกี่ยวกับการปล่อยมลพิษเท่านั้น
โดยมีข้อยกเว้นของฟังก์ชั่น
ฟังก์ชั่นที่เกี่ยวข้องกับการตรวจ OBD II ที่ไม่ได้กำหนดไว้สำหรับตลาดอเมริกาทั้งหมด จะมีอยู่ในชุดควบคุม DME 5.2 ด้วย ชุดอินเตอร์เฟสมาตรฐานของ OBD II ที่ยอมให้ผู้มีอำนาจตรวจข้อมูลในหน่วยความจำรหัสความผิดปกติได้ จะถูกติดตั้งในรถยนต์ในอเมริกาเท่านั้น
ความเร็วรอบของเครื่องยนต์ จะวัดที่ล้อเฟืองส่งสัญญาณ โดยตัวกำเนิดพัลส์แบบเหนี่ยวนำ นอกจากการวัดความเร็วรอบเครื่องแล้ว ยังสามารถตรวจจับการจุดระเบิดไม่ติดใน M62 ได้ด้วย (เหมือนกับ M73)
เพื่อตรวจจับการจุดระเบิดไม่ติด ล้อเฟืองส่งสัญญาณในชุดควบคุมจะถูกแบ่งเป็น 4 เซ็กเมนต์ เพื่อให้สอดคล้องกับระยะระหว่างการจุดระเบิด (ในเครื่องยนต์ 8 สูบ รอบการจุดระเบิด 4 รอบ ต่อการหมุนของเพลาข้อเหวี่ยง 1 รอบ)
ช่วงคาบเวลา (T) ของล้อเฟืองส่งสัญญาณแต่ละเซ็กเมนต์ จะวัดโดยชุดควบคุม หากวงจรการเผาไหม้ในกระบอกสูบทุกสูบเป็นปกติ ช่วงคาบเวลาส่งสัญาณของแต่ละเซ็กเมนต์ทั้งหมด จะเท่ากัน (T1 = T2 = T3 = T4)
หากเกิดความผิดปกติ (จุดระเบิดไม่ติด) ขึ้นในกระบอกสูบหนึ่ง ช่วงคาบเวลาของกระบอกสูบนี้ จะถูกขยายออกไปเป็นเวลาเศษหนึ่งในพันวินาที (ดู รูป : T3> T1, T2, T4) เวลาของเซ็กเมนต์เหล่านี้ จะถูกประเมินผลโดยชุดควบคุม

|
หลักการตรวจจับการจุดระเบิดไม่ติด |
|---|---|
1 |
การทำงานของเครื่องยนต์เป็นปกติ |
2 |
มีการจุดระเบิดไม่ติดในส่วน T3 |
ค่าความผิดปกติสูงสุดที่ยอมได้ ซึ่งหมายถึง การเบี่ยงเบนของช่วงคาบเวลาในเซ็กเมนต์หนึ่งๆ จะถูกเก็บไว้ในแผนผังลักษณะการทำงาน ในรูปแบบของความเร็วรอบเครื่อง, โหลด และ อุณหภูมิเครื่องยนต์
หากเกินค่าที่ยอมได้เหล่านี้ จะทำการบันทึกข้อมูลกระบอกสูบที่ผิดปกติ ลงในหน่วยความจำรหัสความผิดปกติ ในกรณีนี้ สำหรับรถยนต์อเมริกา ไฟ 'ตรวจเช็คเครื่องยนต์' จะติดสว่าง
ขั้นตอนต่อไป การฉีดน้ำมันเชื้อเพลิงของกระบอกสูบที่ผิดปกติจะหยุดทำงาน เพื่อป้องกันมิให้เครื่องฟอกไอเสียมีความร้อนสูงเกินไป
การปรับ
ค่าความคลาดเคลื่อนในการผลิตล้อเฟืองส่งสัญญาณ อาจทำให้ระบบการตรวจจับการจุดระเบิดไม่ติด ทำงานผิดพลาดได้ ด้วยเหตุนี้ DME จึงมีการปรับโดยอัตโนมัติ
ค่าความคลาดเคลื่อนในการผลิตล้อเฟืองส่งสัญญาณ จะถูกปรับในช่วงการปล่อยให้เครื่องยนต์วิ่งโดยไม่เหยียบคันเร่ง ซึ่งจะไม่มีการจุดระเบิดและการฉีดเชื้อเพลิง เครื่องยนต์จะไม่มีความผิดปกติ ที่เกิดจากขั้นตอนการเผาไหม้ในช่วงนี้
หมายเหตุในการบริการ :
หลังจากเปลี่ยนฟลายวีล, ล้อเฟืองส่งสัญญาณ หรือ ชุดควบคุม DME แล้ว จะต้องทำการขับทดสอบอย่างละเอียด เพื่อให้แน่ใจว่า จะต้องมีช่วงปรับสภาพที่นานขึ้น (ประมาณ 10 วินาที) เพื่อให้ชุดควบคุม DME ปรับค่าของฟลายวีลได้
การโอนย้ายข้อมูลดิจิตอลระหว่างชุดควบคุมเหล่านี้ ทำได้โดยผ่านทาง CAN บัส :
วาล์วเจ็ทรูปกรวย (เหมือนใน M60) ของ Bosch และ Lucas จะใช้ในเครื่องยนต์ทั้งสองขนาด
เช่นเดียวกับใน M60 มิเตอร์วัดมวลอากาศแบบฟิล์มร้อน จะใช้ใน M62 เช่นกัน
เช่นดียวกับใน M60 ความเร็วรอบเดินเบาของเครื่องยนต์ M62 จะควบคุมโดยแอ๊คทูเอเตอร์โรตารี่แบบขดลวด 2 ชุด (ZWD 5) ZWD 5 จะดูดอากาศเข้าขณะทำงานที่รอบเดินเบา และ เข้าไปที่ห้องผสมของลิ้นปีกผีเสื้อ
เซ็นเซอร์ออกซิเจนจะติดตั้งอยู่ที่ ด้านอัพสตรีมของเครื่องฟอกไอเสียแต่ละเครื่อง ทั้งสองเครื่อง รุ่น M62 ซึ่งออกแบบสำหรับตลาดอเมริกา จะติดตั้งเซ็นเซอร์ออกซิเจนตัวที่สอง (ตรวจสอบ) ที่ด้านดาวน์สตรีมของเครื่องฟอกไอเสีย เพื่อปฏิบัติตามระเบียบ OBD II เซ็นเซอร์ออกซิเจนมีลักษณะเหมือนกับ ที่ใช้กับเครื่องยนต์ M73 (แบบ : Bosch LSH 25)
M62 มีระบบควบคุมการน็อคด้วยเช่นกัน การควบคุมการน็อค จะช่วยป้องกันการน็อคของเครื่องยนต์ โดยเมื่อมีความเสี่ยงที่จะเกิดการน็อคขึ้น ระบบควบคุมจะถ่วงเวลาการจุดระเบิด ของกระบอกสูบดังกล่าวออกไปให้นานเท่าที่จำเป็น
น็อคเซ็นเซอร์ 4 ตัว ซึ่งติดตั้งอยู่บนชุดวอเตอร์เจ็คเก็ตของเสื้อสูบ ระหว่างกระบอกสูบทั้ง 2 แถว เซ็นเซอร์ 1 ตัว จะตรวจกระบอกสูบที่อยู่ข้างๆ 2 กระบอกสูบ รูปแบบและการทำงานของน็อคเซ็นเซอร์ จะเหมือนกับใน M60
จะใช้เซ็นเซอร์อุณหภูมิแบบคู่ใน M62 (เหมือนใน M52) เพื่อทำการบันทึกอุณหภูมิสารหล่อเย็น ทั้งสำหรับ ระบบจัดการเครื่องยนต์ และ สำหรับรีโมทเทอร์โมมิเตอร์ในอุปกรณ์แผงหน้าปัด ด้วยเหตุนี้ จะติดตั้ง NTC เพลเล็ทเดี่ยวแบบกัลวาไนซ์ 2 ตัว ซึ่งมีเส้นกราฟคาร์เร็คเตอร์ริสติกของค่าความต้านทานต่างกัน ไว้ในเซ็นเซอร์
เซ็นเซอร์อุณหภูมิแบบคู่ จะติดตั้งอยู่บริเวณสุดด้านหน้าของเครื่องยนต์ ในห้องปั๊มน้ำ
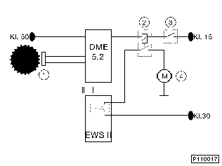
ฟังก์ชั่นสตาร์ทอัตโนมัติ จะช่วยเพิ่มความสะดวกสบายให้แก่ผู้ขับขี่ ระหว่างขั้นตอนการสตาร์ท ในการสตาร์ทเครื่องยนต์ เพียงแค่หมุนกุญแจสตาร์ทไปที่ตำแหน่ง 'สตาร์ท' เป็นเวลาสั้นๆ (เทอร์มินอล 50) เท่านั้น หลังจากชุดควบคุม DME ได้รับสัญญานอินพุตจากเทอร์มินอล 50 แล้ว มอเตอร์สตาร์ทจะทำงาน จนกระทั่งเครื่องยนต์ติด รถยนต์ E38 ซึ่งใช้เครื่องยนต์ M73 ทุกคัน จะติดตั้งฟังก์ชั่นนี้ไว้ด้วย
ขณะนี้รถยนต์ E38 และ E39 ซึ่งมีเครื่องยนต์ M62 จะติดตั้งฟังก์ชั่นสตาร์ทอัตโนมัติ ร่วมกับอุปกรณ์พิเศษคือ เกียร์อัตโนมัติ
การทำงาน
โดยการใช้ฟังก์ชั่นสตาร์ทอัตโนมัติ รีเลย์ของสตาร์ทเตอร์จะไม่ได้รับการสั่งงานโดยตรง ผ่านเทอร์มินอล 50 อีกต่อไป เทอร์มินอล 50 จะเป็นเพียงสัญญาณอินพุต สำหรับ DME 5.2
เมื่อชุดควบคุม DME 5.2 ได้รับสัญญานสตาร์ท (เทอร์มินอล 50) และในเวลาเดียวกัน ชุดควบคุม EWS ตรวจพบรหัสการเปลี่ยนแปลงที่ถูกต้อง แล้ว DME จะสั่งให้รีเลย์ของสตาร์ทเตอร์ทำงาน โดยใช้สัญญาณเอาต์พุต 'สตาร์ทอัตโนมัติ' เงื่อนไขของกรณีนี้ได้แก่ คันเกียร์จะต้องอยู่ที่ตำแหน่ง 'P' หรือ 'N'
รีเลย์ของสตาร์ทเตอร์จะสั่งให้มอเตอร์สตาร์ททำงาน จนกระทั่ง เซ็นเซอร์ตำแหน่งเพลาข้อเหวี่ยงตรวจจับสัญญาณ 'เครื่องยนต์ทำงาน' ได้
'เครื่องยนต์ทำงาน' จะตรวจจับได้เมื่อมีความเร็วรอบ
ซึ่งจะสูงกว่านี้เป็นเวลาช่วงหนึ่ง ในระหว่างขั้นตอนการสตาร์ท
เมื่อตรวจจับสัญญาน 'เครื่องยนต์ทำงาน' ได้ ชุดควบคุม DME จะหยุดการทำงานของรีเลย์ของสตาร์ทเตอร์ หากการสตาร์ทเครื่องยนต์ไม่สำเร็จ ขั้นตอนการสตาร์ทอัตโนมัติจะสิ้นสุดลงหลังจาก 20 วินาที โดยสัญญานเอาท์พุตกราวน์ของ DME

|
แผนภาพการทำงาน 'การสตาร์ทอัตโนมัติ' |
|---|---|
1 |
เซ็นเซอร์ตำแหน่งเพลาข้อเหวี่ยง |
2 |
รีเลย์ของสตาร์ทเตอร์ |
3 |
พร้อมเกียร์อัตโนมัติ (L2) |
รถยนต์ที่ใช้เครื่องยนต์ M62 ทั้งหมดจะติดตั้ง ASC+T เป็นมาตรฐาน ในการใช้ฟังก์ชั่น ASC เครื่องยนต์ M62 จะติดตั้งโช๊ค (เหมือนใน M60) ซึ่งควบคุมโดยแอ๊คทูเอเตอร์ ADS II ซึ่งต้องทำงานร่วมกับ ชุดสายโบว์เดนควบคุมการทำงาน
แอ๊คทูเอเตอร์ ABS II จะควบคุมการทำงานโดยชุดควบคุม ABS/ASC การขัดจังหวะ ASC อื่นๆ เช่น การปรับจังหวะการจุดระเบิด หรือ การจุดระเบิด และ การตัดการฉีดเชื้อเพลิง จะถูกควบคุมโดยชุดควบคุม DME
ตัวควบคุมรอบเดินเบา (ZWD 5) จะใช้ในฟังก์ชันควบคุมแรงฉุดเครื่องยนต์ (MRS) ของเครื่องยนต์ M62 ด้วยเช่นเดียวกัน ตัวควบคุมรอบเดินเบาจะทำงาน เมื่อชุดควบคุมแรงฉุดเครื่องยนต์ (MSR) ทำงานเท่านั้น ซึ่งจะรับสัญญาณที่โมดูเลตตามความกว้างพัลส์จาก DME
ข้อมูลที่สำคัญสำหรับการควบคุมฟังก์ชั่น ASC ในชุดควบคุม DME ถูกส่งผ่าน CAN บัส