ระบบควบคุมลิ้นลมเบรกแบบแอ็คทีฟจะช่วยปรับปรุงระบบแอโรไดนามิกส์ของรถยนต์ให้ดีขึ้น ซึ่งจะช่วยลดปริมาณสารมลพิษ CO2 ทั้งนี้ ขึ้นอยู่กับรุ่นของเครื่องยนต์และอุปกรณ์เสริม รวมทั้งระบบควบคุมลิ้นลมเบรกที่ติดตั้งอยู่ในรถยนต์ด้วย
ภายในระบบจะประกอบไปด้วย :
ลิ้นลมเบรกสองชุดจะติดตั้งลงในกันชนของรถยนต์ วาล์วเปลี่ยนทางติดตั้งอยู่กับเบ้าสปริงด้านซ้าย
ลิ้นลมเบรกจะถูกสั่งงานโดยสุญญากาศระดับต่ำ ปั๊มสุญญากาศที่เครื่องยนต์จะทำหน้าที่สร้างสุญญากาศระดับต่ำขึ้นมา สุญญากาศระดับต่ำจะส่งไปที่กระปุกสุญญากาศระดับต่ำที่ตัวเรือนลิ้นลมเบรก

ดัชนี |
คำอธิบาย |
ดัชนี |
คำอธิบาย |
|---|---|---|---|
1 |
กันชน |
2 |
ลิ้นลมเบรก, ด้านขวา |
3 |
ลิ้นลมเบรก, ด้านซ้าย |
|
|
เซ็นเซอร์แบบฮอลล์ติดตั้งอยู่ที่แต่ละด้านของลิ้นลมเบรก เซ็นเซอร์แบบฮอลล์จะทำหน้าที่ตรวจหาตำแหน่งของลิ้นลมเบรก (เปิดหรือปิด)

ดัชนี |
คำอธิบาย |
ดัชนี |
คำอธิบาย |
|---|---|---|---|
1 |
ลิ้นลมเบรก |
2 |
เซ็นเซอร์แบบฮอลล์ |
3 |
จุดต่อสุญญากาศ |
4 |
กระปุกสุญญากาศระดับต่ำ |
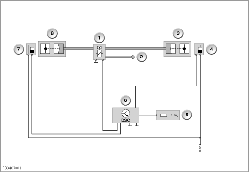
วาล์วเปลี่ยนทางทำงานโดยอาศัยระบบควบคุมเสถียรภาพ (DSC)

ดัชนี |
คำอธิบาย |
ดัชนี |
คำอธิบาย |
|---|---|---|---|
1 |
วาล์วเปลี่ยนทาง |
2 |
จากปั๊มสุญญากาศ |
3 |
ลิ้นลมเบรก, ด้านขวา |
4 |
เซ็นเซอร์แบบฮอลล์, ด้านขวา |
5 |
แหล่งจ่ายไฟ, เทอร์มินอล 30g |
6 |
DSC (ระบบควบคุมเสถียรภาพ) |
3 |
เซ็นเซอร์แบบฮอลล์, ด้านซ้าย |
4 |
ลิ้นลมเบรก, ด้านซ้าย |
การสั่งงานลิ้นลมเบรกจะทำให้ลักษณะการทำงานของระบบแอโรไดนามิกส์ภายในรถยนต์มีประสิทธิภาพมากขึ้น
สถานะของลิ้นลมเบรกมีอยู่ 2 สถานะ ทั้งนี้ ขึ้นอยู่กับการทำงานของเครื่องยนต์ :
ดับเครื่องยนต์ |
ลิ้นลมเบรกเปิด |
เครื่องยนต์ ทำงาน |
ลิ้นลมเบรกปิดหลังจากผ่านไปสองสามวินาที |
เพื่อป้องกันจานเบรกไม่ให้มีความร้อนสูงเกิน ลิ้นลมเบรกจะถูกเปิดเมื่อจานเบรกมีอุณหภูมิตั้งแต่ 250 °C
ถ้ามีความผิดปกติเกิดขึ้น อาจทำให้ไม่สามารถเปิดลิ้นลมเบรกได้
จากนั้น เอาต์พุตของเครื่องยนต์จะลดลงลงเพื่อป้องกันไม่ให้จานเบรกเกิดการโอเวอร์ฮีท
ข้อควรระวัง ! ต้องทำงานทั้งหมดในขณะที่เครื่องยนต์ดับอยู่
ทำงานเกี่ยวกับลิ้นลมเบรก (โดยเฉพาะเมื่อตรวจเช็คลิ้นลมเบรกเพื่อหาว่าเคลื่อนที่ฝืดหรือไม่) เมื่อดับเครื่องยนต์แล้วเท่านั้น หรือมิฉะนั้น อาจทำให้เกิดการบาดเจ็บได้
อาจเกิดความผิดพลาดเนื่องจากการพิมพ์หรือความผิดพลาดอื่นๆ ได้ ข้อมูลทางเทคนิคอาจเปลี่ยนแปลงได้โดยไม่ต้องแจ้งให้ทราบล่วงหน้า