เพื่อให้แน่ใจว่ามีบริการเตือนเกี่ยวกับการจราจร ”ข้อมูลการจราจรตามเวลาจริง (RTTI)” ตัวแบ่งสัญญาณเสาอากาศแบบพาสซีฟได้รับการติดตั้งไว้ที่ชุดควบคุม IBOC ซึ่งทำให้ชุดควบคุม IBOC และ CCC สามารถรับสัญญาณ HF ได้ RTTI จะใช้งานได้เฉพาะเมื่อใช้ร่วมกับระบบนำทาง Professional โดย CCC จะส่งข้อมูลเกี่ยวกับการจราจรที่ได้รับให้กับระบบนำทาง

ดัชนี |
คำอธิบาย |
ดัชนี |
คำอธิบาย |
|---|---|---|---|
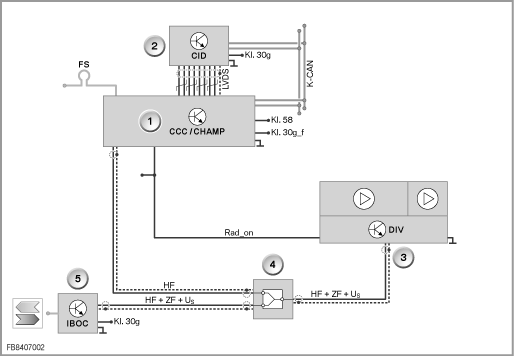
1 |
ชุดควบคุมหลัก |
2 |
จอแสดงข้อมูลส่วนกลาง |
3 |
เครื่องขยายสัญญาณเสาอากาศที่มีโมดูลไดเวอร์ซิตี้ |
4 |
ตัวแบ่งสัญญาณเสาอากาศ |
5 |
ชุดควบคุม IBOC |
ตัวแบ่งสัญญาณ RTTI ประกอบด้วยส่วนต่างๆ ต่อไปนี้ :

ดัชนี |
คำอธิบาย |
ดัชนี |
คำอธิบาย |
|---|---|---|---|
1 |
IBOC |
2 |
ตัวแบ่งสัญญาณ RTTI ที่มีตัวยึด |
3 |
สัญญาณ AM / FM (เครื่องขยายสัญญาณเสาอากาศที่มีโมดูลไดเวอร์ซิตี้) รหัสสีของปลั๊ก : ดำ |
4 |
สัญญาณ AM / FM (CCC) รหัสสีของปลั๊ก : เหลือง |
5 |
สัญญาณ AM / FM (IBOC) รหัสสีของปลั๊ก : ดำ |
ชุดควบคุม IBOC ของวิทยุความละเอียดสูงได้รับการออกแบบมาเป็นตัวปรับหาคลื่นแบบไฮบริดเพื่อรับสัญญาณจากสถานีวิทยุทั้งในแบบดิจิตอลและอนาล็อกในช่วงความถี่ AM และ FM โดยใช้เส้นทางการส่งสัญญาณเดียวกันกับการรับสัญญาณอนาล็อก เพื่อรับสัญญาณดิจิตอล ซึ่งหมายความว่า สามารถใช้อุปกรณ์เดิม คือ 'เครื่องขยายสัญญาณเสาอากาศที่มีโมดูลไดเวอร์ซิตี้' และ 'เสาอากาศสัญญาณ AM และ FM' ได้
ชุดควบคุม IBOC จะถอดรหัสข้อมูลเสียงแบบดิจิตอล และส่งผ่าน MOST บัส (บัส Media Oriented System Transport) ไปยังชุดควบคุมส่วนหน้า ชุดควบคุมส่วนหน้าจะแปลงข้อมูลเสียงเป็นสัญญาณ LF แบบอนาล็อก จากนั้นสัญญาณ LF จะถูกส่งออกไปยังลำโพง
ชุดควบคุม CCC ได้รับการออกแบบมาให้รับสัญญาณจากสถานีวิทยุแบบอนาล็อกในช่วงความถี่ AM และ FM เมื่อรวมกับ IBOC ฟังก์ชั่นจะไม่ถูกใช้งานใน CCC แต่จะอยู่ใน IBOC แทน โดยจะใช้อุปกรณ์ 'เครื่องขยายสัญญาณเสาอากาศที่มีโมดูลไดเวอร์ซิตี้' และ 'เสาอากาศสัญญาณ AM และ FM' เพื่อรับสัญญาณอนาล็อก
เอาต์พุตจากเสาอากาศจะถูกแบ่งออกโดยไม่สมดุลกัน ตัวปรับหาคลื่น IBOC จะได้รับสัญญาณที่ถูกกดลง 1 dB ขณะที่ชุดควบคุมส่วนหน้าได้รับสัญญาณที่ถูกกดลง 10 dB ระดับสัญญาณที่ส่งไปโดยเสาอากาศ FM แบบแอ็คทีฟจะถูกแบ่งโดยอัตราส่วน 9:1 (IBOC:RTTI) เอาต์พุตจากเสาอากาศจะถูกแบ่งโดยตัวแบ่งสัญญาณด้วยอัตราส่วน 10:1 (IBOC:RTTI) การแบ่งสัญญาณของเอาต์พุตเสาอากาศนี้เพียงพอสำหรับ CCC ในการรับข้อมูล RTTI ที่ได้รับ เสาอากาศไดเวอร์ซิตี้ถูกควบคุมโดยชุดควบคุม IBOC
มีโมดูลทดสอบสำหรับทดสอบตัวแบ่งสัญญาณ RTTI ซึ่งสามารถเรียกใช้ได้ผ่านทางการเลือกโปรไฟล์ความผิดปกติของการวิเคราะห์ (65006_CCC : ความผิดปกติของฟังก์ชั่น) หรือตัวเลือกฟังก์ชั่น (รถยนต์/ตัวถังรถ/เครื่องเสียง, วิดีโอ, โทรศัพท์, ระบบนำทาง (วงแหวน MOST)/ระบบนำทาง ทั้งหมด)
อาจเกิดความผิดพลาดเนื่องจากการพิมพ์หรือความผิดพลาดอื่นๆ ได้ ข้อมูลทางเทคนิคอาจเปลี่ยนแปลงได้โดยไม่ต้องแจ้งให้ทราบล่วงหน้า