หมายเหตุ ! ขึ้นอยู่กับประเทศ ออปชั่นพิเศษ 5DF จะมาพร้อมกับออปชั่นเสริมบางอย่างเท่านั้น
ปัจจุบันระบบควบคุมความเร็วคงที่แบบแอ็คทีฟที่มีฟังก์ชั่น Stop&Go จะพร้อมใช้งานกับออปชั่นพิเศษ 205 ”ชุดเกียร์อัตโนมัติ” หรือกับออปชั่นพิเศษ 2TB ”ชุดเกียร์อัตโนมัติแบบสปอร์ต” เท่านั้น
สำหรับบางประเทศ จะมีระบบ ACC ติดตั้งภายในรถโดยที่ไม่มีฟังก์ชั่น Stop&Go อยู่ด้วย เนื่องจากข้อจำกัดการอนุมัติอย่างเป็นทางการ
ข้อแตกต่างเพียงอย่างเดียวสำหรับรถยนต์ที่ติดตั้งระบบ ACC โดยไม่มีฟังก์ชั่น Stop&Go ก็คือ รถยนต์คันดังกล่าวจะไม่มีเซ็นเซอร์ตรวจจับระยะใกล้อยู่
ในประเทศทางยุโรป อุปกรณ์เสริม 5DF จะมีอยู่ร่วมกับระบบนำทางเท่านั้น เหตุผล : เมื่อเข้าใกล้สถานีดาราศาสตร์วิทยุ จะมีการปิดระบบตามที่กฎหมายกำหนดไว้

ดัชนี |
คำอธิบาย |
ดัชนี |
คำอธิบาย |
|---|---|---|---|
1 |
แกนกลางของเซ็นเซอร์ตรวจจับระยะใกล้ด้านซ้าย |
2 |
แกนแนวยาวของรถยนต์ |
3 |
แกนกลางของเซ็นเซอร์ตรวจจับระยะไกล |
4 |
แกนกลางของเซ็นเซอร์ตรวจจับระยะใกล้ด้านขวา |
5 |
เซ็นเซอร์ตรวจจับระยะไกลที่มีตัวยึด |
6 |
เซ็นเซอร์ตรวจจับระยะใกล้ด้านขวาพร้อมตัวยึด |
7 |
ส่วนรองรับกันชน |
8 |
เซ็นเซอร์ตรวจจับระยะใกล้ด้านซ้ายพร้อมตัวยึด |
ปฏิบัติตามข้อมูลการบริการต่อไปนี้ :
ข้อความต่อไปนี้จะอธิบายระบบควบคุมความเร็วคงที่แบบแอ็คทีฟรุ่นใหม่ที่มีฟังก์ชั่น Stop&Go (ออปชั่นพิเศษ 5DF)
ระบบควบคุมความเร็วคงที่แบบแอ็คทีฟที่มีฟังก์ชั่น Stop&Go เป็นส่วนเพิ่มเติมของระบบควบคุมความเร็วคงที่แบบแอ็คทีฟที่คุ้นเคย (ACC)
เนื่องจากเป็นส่วนเสริมให้กับระบบควบคุมความเร็วคงที่แบบแอ็คทีฟที่คุ้นเคย ฟังก์ชั่น Stop&Go จะทำให้ :
สามารถเลือกความเร็วที่ต้องการได้ในช่วงตั้งแต่ 30 กม./ชม. จนถึง 180 กม./ชม. : ปรับความเร็วแบบสะดวกสบายทีละ 10 หรือค่อยๆ ปรับทีละหนึ่งก็ได้ ความเร็วที่ต้องการจะแสดงอยู่ในแผงหน้าปัด นอกจากนั้น ยังสามารถเลือกระหว่าง 4 ระยะได้
ด้วยออปชั่นพิเศษใหม่ จะมีการใช้บัสย่อยใหม่ด้วย : CAN เซ็นเซอร์ (S-CAN)
อุปกรณ์ต่อไปนี้ของ ACC มีคำอธิบายไว้ดังนี้ :
เซ็นเซอร์ตรวจจับระยะใกล้เป็นเซ็นเซอร์แบบเรดาร์ (เรดาร์ระยะสั้น)
สำหรับ ACC ที่มีฟังก์ชั่น Stop&Go นั้น จะมีการติดตั้งเซ็นเซอร์ตรวจจับระยะใกล้ที่เหมือนกัน 2 ตัว เซ็นเซอร์ตรวจจับระยะใกล้จะได้รับการติดตั้งอยู่บนตัวยึดกันชนด้านหน้าที่ผลิตจากพลาสติก

ดัชนี |
คำอธิบาย |
ดัชนี |
คำอธิบาย |
|---|---|---|---|
1 |
เซ็นเซอร์ตรวจจับระยะใกล้ |
2 |
ตัวยึด |
เซ็นเซอร์ตรวจจับระยะใกล้ต่อผ่าน CAN เซ็นเซอร์ (S-CAN) พร้อมกับชุดควบคุม LDM
เซ็นเซอร์ตรวจจับระยะใกล้มีหน้าที่ดังต่อไปนี้ :
จะมีการใช้ข้อมูลวัตถุของเซ็นเซอร์ตรวจจับระยะใกล้กับฟังก์ชั่น Stop&Go ของ ACC เท่านั้น (ไม่ใช่กับระบบช่วยเบรกแบบปรับอัตโนมัติ)
LRR ย่อมาจาก Long Range Radar

ดัชนี |
คำอธิบาย |
ดัชนี |
คำอธิบาย |
|---|---|---|---|
1 |
เซ็นเซอร์ตรวจจับระยะไกล |
2 |
ตัวยึด |
เซ็นเซอร์ตรวจจับระยะไกล (เดิมคือเซ็นเซอร์ ACC) เป็นเซ็นเซอร์แบบเรดาร์ ในขณะเดียวกันเซ็นเซอร์ตรวจจับระยะไกลจะเป็นชุดควบคุมด้วย นั่นหมายความว่าเซ็นเซอร์ตรวจจับระยะไกลจะมีตำแหน่งของชุดควบคุมและสามารถทำการวิเคราะห์และตั้งโปรแกรมได้
เซ็นเซอร์ตรวจจับระยะไกลจะตรวจจับระยะห่าง, มุม และความเร็วในการเคลื่อนที่ของวัตถุ ระยะการตรวจจับจะครอบคลุมในบริเวณด้านหน้าของรถซึ่งมีระยะไกลสูงสุดที่ 150 เมตร ข้อมูลดังกล่าวจะได้รับการประมวลผลในชุดควบคุม LDM (ระบบควบคุมไดนามิกตามแนวยาว)
ชุดควบคุมของระบบควบคุมไดนามิกตามแนวยาวได้รับการติดตั้งบนส่วนรองรับด้านหลังช่องเก็บของ

ดัชนี |
คำอธิบาย |
ดัชนี |
คำอธิบาย |
|---|---|---|---|
1 |
ส่วนรองรับอุปกรณ์ |
2 |
ชุดควบคุม LDM |
สำหรับ ACC ที่มีฟังก์ชั่น Stop&Go นั้น ชุดควบคุม LDM จะดำเนินงานต่อไปนี้ :
LRR และชุดควบคุม LDM ได้รับการจ่ายไฟมาจากชุดควบคุม CAS ที่มีสายกระตุ้นให้กลับมาทำงานต่างหากซึ่งแยกออกจากสายกระตุ้นให้กลับมาทำงานรูปแบบปกติ ที่เลือกวิธีนี้ก็เพราะเซ็นเซอร์ตรวจจับระยะไกลติดตั้งอยู่ในบริเวณที่เสี่ยงต่อการเกิดอุบัติเหตุ (ด้านหน้าของรถยนต์) ถ้าสายกระตุ้นให้กลับมาทำงานของ LRR ได้รับความเสียหายในกรณีที่เกิดอุบัติเหตุ (เช่น ลัดวงจรลงดิน) วิธีนี้จะช่วยจำกัดผลกระทบที่มีต่อชุดควบคุมอื่นๆ ได้
CAN เซ็นเซอร์ (S-CAN) ใหม่ต่อเข้ากับ :
S-CAN เป็นสิ่งจำเป็น เนื่องจากมีปริมาณข้อมูลจำนวนมากได้มาจากเซ็นเซอร์แบบเรดาร์
ปริมาณข้อมูลดังกล่าวไม่สามารถส่งผ่านระบบบัสที่มีอยู่ในปัจจุบันได้

ดัชนี |
คำอธิบาย |
ดัชนี |
คำอธิบาย |
|---|---|---|---|
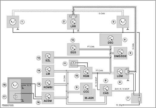
1 |
เซ็นเซอร์ตรวจจับระยะใกล้ด้านซ้าย |
2 |
เซ็นเซอร์ตรวจจับระยะไกล (LRR) |
3 |
เซ็นเซอร์ตรวจจับระยะใกล้ด้านขวา |
4 |
DSC (ระบบควบคุมเสถียรภาพ) |
5 |
DME (ชุดอิเล็กทรอนิกส์ควบคุมเครื่องยนต์แบบดิจิตอล) หรือ DDE (ชุดอิเล็กทรอนิกส์ควบคุมเครื่องดีเซลแบบดิจิตอล) |
6 |
ระบบควบคุมการเคลื่อนที่แบบไดนามิกตามแนวยาว (LDM) |
7 |
ฟิวส์ในช่องเก็บสัมภาระ |
8 |
ระบบการเข้ารถ (CAS) |
9 |
Car Communication Computer (CCC) และตัวควบคุมระบบเสียงแบบมัลติ (M-ASK) |
10 |
โมดูลเกตเวย์ตัวถังรถ (KGM) |
11 |
หน้าสัมผัสประตูคนขับ |
12 |
ระบบควบคุมชุดเกียร์แบบอิเล็กทรอนิกส์ (EGS) |
13 |
แผงสวิตช์ที่คอพวงมาลัย (SZL) |
14 |
โมดูลไฟ (LM) |
15 |
แผงหน้าปัด (KOMBI) |
16 |
โมดูลความปลอดภัยในการชนขั้นสูง (ACSM) |
17 |
หน้าสัมผัสตัวล็อคเข็มขัดนิรภัย |
18 |
แผงเซ็นเซอร์ตรวจจับการใช้ที่นั่ง |
ลักษณะเฉพาะของ CAN เซ็นเซอร์ :
ในเอกสารนี้มีคำอธิบายเกี่ยวกับการทำงานต่างๆ ของระบบต่อไปนี้ :
ในการใช้ฟังก์ชั่น Stop&Go จำเป็นต้องมีระบบรวมแบบซับซ้อนที่มีฟังก์ชั่นการทำงานร่วมในชุดควบคุมอื่นๆ ชุดควบคุม LDM ต่อผ่านบัสข้อมูลพร้อมกับชุดควบคุมอื่นๆ เหล่านี้

ดัชนี |
คำอธิบาย |
ดัชนี |
คำอธิบาย |
|---|---|---|---|
1 |
เซ็นเซอร์ตรวจจับระยะไกล (LRR) |
2 |
เซ็นเซอร์ตรวจจับระยะใกล้ด้านซ้าย |
3 |
เซ็นเซอร์ตรวจจับระยะใกล้ด้านขวา |
4 |
แผงสวิตช์ที่คอพวงมาลัย (SZL) |
5 |
โมดูลเกตเวย์ตัวถังรถ (KGM) |
6 |
แผงหน้าปัด (KOMBI) |
7 |
DSC (ระบบควบคุมเสถียรภาพ) |
8 |
ระบบควบคุมชุดเกียร์แบบอิเล็กทรอนิกส์ (EGS) |
9 |
DME (ชุดอิเล็กทรอนิกส์ควบคุมเครื่องยนต์แบบดิจิตอล) หรือ DDE (ชุดอิเล็กทรอนิกส์ควบคุมเครื่องดีเซลแบบดิจิตอล) |
10 |
ระบบควบคุมการเคลื่อนที่แบบไดนามิกตามแนวยาว (LDM) |
ชุดควบคุมต่อไปนี้มีความเชื่อมโยงกับฟังก์ชั่นต่างๆ ดังนี้ :
ชุดควบคุม |
ฟังก์ชั่น |
|---|---|
DME หรือ DDE : ระบบควบคุมการทำงานเครื่องยนต์ |
การใช้คำสั่งแรงบิด มีสัญญาณ ”เครื่องยนต์ทำงาน” |
DSC : ระบบควบคุมเสถียรภาพ |
สถานการณ์การขับขี่ การใช้การขัดจังหวะการทำงานด้วยการเบรก |
SZL : ชุดสวิตช์ส่วนกลางที่คอพวงมาลัย |
แกนปรับใช้งาน มุมบังคับเลี้ยว การสั่งให้แตรแฟนแฟร์ทำงาน |
CCC, M-ASK : ระบบนำทาง |
ข้อมูลจากระบบนำทาง (มีผลต่อตัวแปรควบคุม) |
KOMBI : แผงหน้าปัด |
ไดอะแกรมการแสดงผล (ACC และข้อความเช็ค-คอนโทรล) |
EGS : การควบคุมชุดเกียร์ |
ตำแหน่งขับ |
CAS : ระบบการเข้ารถ |
สถานะเทอร์มินอลและสายกระตุ้นให้กลับมาทำงาน |
KGM : โมดูลเกตเวย์ตัวถังรถ |
หน้าสัมผัสประตู (ต้องการออกจากรถ) |
AHM : โมดูลเทรลเล่อร์ |
การตรวจจับการลากรถพ่วง |
ACSM โมดูลความปลอดภัยขณะเกิดการชน |
การใช้ที่นั่งคนขับ (ต้องการออกจากรถ) หน้าสัมผัสตัวล็อคเข็มขัด (ต้องการออกจากรถ) |
RLS : เซ็นเซอร์ตรวจจับปริมาณน้ำฝน / เซ็นเซอร์ความสว่างขณะขับขี่ |
สภาพผิวถนน (เปียก) |
SZM : ชุดสวิตช์ส่วนกลางที่คอนโซลกลาง |
ปุ่ม DTC |
LM : โมดูลไฟ |
การสั่งงานของระบบเตือนอันตราย |
ระบบช่วยเบรกแบบปรับอัตโนมัติเป็นฟังก์ชั่นของระบบควบคุมเสถียรภาพ ชุดควบคุม LDM เป็นเกตเวย์ตั้งแต่ S-CAN ไปจนถึง PT-CAN
ระบบช่วยเบรกแบบปรับอัตโนมัติมีประโยชน์อย่างมากในสถานการณ์ที่ต้องเบรกฉุกเฉิน ถ้าคนขับรถคันหน้าทำการเบรกกะทันหัน เซ็นเซอร์ตรวจจับระยะไกลจะตรวจจับสถานการณ์ดังกล่าว
ระบบช่วยเบรกจะช่วยให้คนขับทำการเบรกได้อย่างเหมาะสม ซึ่งจะช่วยป้องกันการชนอย่างฉับพลันได้
ฟังก์ชั่นต่อไปนี้พร้อมใช้งานแล้ว :
ระบบช่วยเบรกแบบปรับอัตโนมัติจะทำงานทุกครั้งที่ ACC ทำงานอยู่
นอกจากนี้ ระบบช่วยเบรกแบบปรับอัตโนมัติยังสามารถใช้งานได้แม้ ACC จะไม่มีฟังก์ชั่น Stop&Go ก็ตาม
สถานการณ์ที่ไม่เป็นปกติอาจเกิดขึ้น ถ้าการทำงานของระบบถึงขีดจำกัดขณะอยู่ในโหมด ACC สถานการณ์ดังกล่าวอธิบายได้ดังต่อไปนี้ :
อาจเกิดความผิดพลาดเนื่องจากการพิมพ์หรือความผิดพลาดอื่นๆ ได้ ข้อมูลทางเทคนิคอาจเปลี่ยนแปลงได้โดยไม่ต้องแจ้งให้ทราบล่วงหน้า