Central Head Unit and Multimedia Platform (CHAMP) คือแพลตฟอร์มสำหรับระบบมัลติมีเดียในรถยนต์ และเป็นอุปกรณ์มาตรฐาน (วิทยุธุรกิจหรืออุปกรณ์เสริม 663 : วิทยุ BMW Professional)
ในรุ่น EU จะใช้ตัวควบคุมระบบเสียงแบบมัลติ (M-ASK) รุ่นต่อไป
CHAMP จะไม่มีระบบนำทาง ซึ่งต่างจาก M-ASK
ฟังก์ชั่นใหม่ของ CHAMP มีดังนี้ :
อุปกรณ์สำหรับ CHAMP มีคำอธิบายไว้ดังนี้ :
CHAMP เป็นเกตเวย์ (ชุดหูฟัง) สำหรับ MOST บัส และ K-CAN

ดัชนี |
คำอธิบาย |
ดัชนี |
คำอธิบาย |
|---|---|---|---|
1 |
ปุ่มรายการโปรด 6 ปุ่ม |
2 |
ปุ่มสำหรับโหมด FM และโหมด AM (มีติดตั้งในรุ่น US) |
3 |
ปุ่ม MODE |
4 |
Central Head Unit and Multimedia Platform (CHAMP) |
ชุดควบคุมจำนวนหนึ่งและไดรฟ์รวมอยู่ด้วยกันในตัวเรือนเดียว CHAMP เป็นโมดูลาร์ในโครงสร้าง กล่าวคือ : บริเวณฟังก์ชั่นการทำงานใน CHAMP จะรวมกันเป็นชุดควบคุม ”เสมือนจริง” ”เสมือนจริง หมายถึง : ถึงแม้ว่าชุดควบคุมแต่ละตัวใน CHAMP จะรวมอยู่เป็นกลุ่ม แต่ก็ทำงานเหมือนกับเป็นชุดควบคุม ”แยก” (เช่น สำหรับการตั้งโปรแกรม)
ชุดควบคุม ”เสมือนจริง” สำหรับการวิเคราะห์แบ่งออกได้ดังนี้ :
พัดลมไฟฟ้าสำหรับระบายความร้อนชุดส่งเอาต์พุตสัญญาณเสียงและหน่วยประมวลผลจะอยู่ด้านหลังตัวเรือนวิทยุ DIN
ปุ่มรายการโปรดเป็นปุ่มสำหรับตั้งโปรแกรม
ปุ่มรายการโปรดช่วยให้สามารถบันทึกฟังก์ชั่นต่อไปนี้ได้เพื่อเข้าถึงการใช้งานได้รวดเร็วขึ้น (ขึ้นอยู่กับออปชั่นพิเศษ) :

ดัชนี |
คำอธิบาย |
ดัชนี |
คำอธิบาย |
|---|---|---|---|
1 |
ไดรฟ์ซีดี |
2 |
ปุ่มรายการโปรด |
ปุ่มรายการโปรดมีเซ็นเซอร์ความจุไฟฟ้าซึ่งจะตอบสนองต่อรายการติดต่อ
การกำหนดการใช้งานปุ่มรายการโปรดทั้งหมดสามารถลบได้ในเมนู ”การตั้งค่า” -> ”รถยนต์” การกำหนดการใช้งานปุ่มรายการโปรดได้อธิบายรายละเอียดไว้ในหนังสือคู่มือสำหรับเจ้าของรถ
CID คือ ชุดแสดงผลกลางแบบกราฟฟิก ขนาดของจอสีเท่ากับ 6.5”

ดัชนี |
คำอธิบาย |
ดัชนี |
คำอธิบาย |
|---|---|---|---|
A |
ด้านหน้า |
B |
ด้านหลัง |
1 |
จอแสดงข้อมูลส่วนกลาง (CID) |
2 |
ปลั๊กต่อสำหรับสายข้อมูล LVDS |
3 |
ปลั๊กต่อสำหรับ CAN บัส และแหล่งจ่ายไฟ |
|
|
สายข้อมูล LVDS (Low Voltage Differential Signalling) จะเชื่อมต่อจอแสดงข้อมูลส่วนกลางใน CHAMP สายข้อมูล LVDS มีเทคโนโลยีการส่งข้อมูลภาพระยะไกลที่เชื่อถือได้ ปลั๊กต่อแบบพิเศษได้พัฒนาขึ้นสำหรับสายข้อมูล LVDS
นอกจากนี้ ยังมีการเชื่อมต่อ CID บน K-CAN (CAN สำหรับระบบตัวถัง) ด้วย
CID ประกอบด้วยโฟโต้ทรานซิสเตอร์สำหรับควบคุมความสว่างของจอ LC (ขึ้นอยู่กับความสว่างโดยรอบ) จอ LC จะมีความร้อนเพิ่มขึ้น
ตัวควบคุมทำหน้าที่ส่งสัญญาณการเลือกเมนูและเมนูย่อย โดยสามารถเลือกเมนูย่อยได้ด้วยการหมุนและ/หรือดันตัวควบคุม เมื่อปล่อยมือ ตัวควบคุมจะเลื่อนกลับมายังตำแหน่งปกติเสมอ

ดัชนี |
คำอธิบาย |
ดัชนี |
คำอธิบาย |
|---|---|---|---|
1 |
ตัวควบคุม |
2 |
ปุ่มเมนู |
3 |
ปุ่มกดพูด |
4 |
ปลั๊กต่อที่ตัวควบคุม |
ปุ่ม MENU และปุ่ม Push-to-Talk อยู่ที่ด้านหลังตัวควบคุม โดยปุ่ม MENU นี้ใช้สำหรับเปิดเมนูเริ่มต้นในจอแสดงข้อมูลส่วนกลาง และปุ่ม Push-to-Talk จะใช้เพื่อเริ่มต้นการสั่งงานด้วยเสียง
ตัวควบคุมจะต่อเข้ากับ K-CAN (CAN สำหรับระบบตัวถัง) เทอร์มินอล 58g จะรับสัญญาณตัวควบคุมผ่านทาง K-CAN
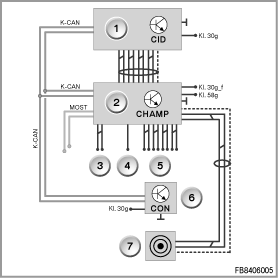
ฟังก์ชั่นระบบสำหรับ CHAMP ได้อธิบายไว้ดังนี้ :

ดัชนี |
คำอธิบาย |
ดัชนี |
คำอธิบาย |
|---|---|---|---|
1 |
จอแสดงข้อมูลส่วนกลาง (CID) |
2 |
Central Head Unit and Multimedia Platform (CHAMP) |
3 |
เข้ากับเสาอากาศไดเวอร์ซิตี้ |
4 |
เข้ากับเสาอากาศไดเวอร์ซิตี้ |
5 |
เข้ากับลำโพง |
6 |
ตัวควบคุม (CON) |
7 |
จุดต่อ AUX-In |
|
|
K-CAN |
CAN สำหรับระบบตัวถัง |
เทอร์มินอล 30 g |
เทอร์มินอล 30 ได้รับการสั่งงาน |
เทอร์มินอล 30g_f |
ในกรณีที่เกิดความผิดปกติขึ้น เทอร์มินอล 30 จะเปลี่ยนไปที่ MOST |
เทอร์มินอล 58g |
ไฟแสดงตำแหน่ง |
MOST |
Media Oriented System Transport (สายเคเบิลไฟเบอร์ออปติก) |
|
|
CHAMP มีตัวปรับหาคลื่นแบบคู่สำหรับ AM/FM ขณะที่ตัวปรับหาคลื่น 1 รับสัญญาณสถานีวิทยุที่ต้องการอยู่ ตัวปรับหาคลื่น 2 ก็จะทำงานอยู่เบื้องหลัง ตัวปรับหาคลื่น 2 จะสแกนหาตำแหน่งที่ตั้งสถานีเพื่อหาสัญญาณเพิ่มเติม ถ้าสถานีวิทยุบนความถี่อื่นส่งสัญญาณแรงกว่า ก็จะมีการเปลี่ยนไปยังความถี่นั้นโดยอัตโนมัติ ตัวปรับหาคลื่นทั้งสองตัวจะรับข้อมูลจากระบบข้อมูลวิทยุ (RDS) ที่ส่งมาพร้อมกับสัญญาณของสถานี FM เมื่อตั้งค่าสถานี AM ไว้ RDS ก็สามารถรับรายงานจราจรจากสถานี FM ได้ ขณะที่ได้รับรายงานจราจรอยู่ สถานี AM จะเงียบเสียงไป และมีรายงานผ่านทางลำโพงออกมา
CHAMP มีหน้าที่เช่นเดียวกับตัวควบคุมระบบเสียงดังนี้ :
ชุดควบคุมยูสเซอร์อินเตอร์เฟส CHAMP (CHAMP-BO) จะประมวลผลสัญญาณจากตัวควบคุม : เช่น การเลือกเมนูและเมนูย่อย CHAMP-BO ยังทำหน้าที่ควบคุมเอาต์พุตการแสดงผลบนจอแสดงข้อมูลส่วนกลาง (CID) ด้วย ข้อมูลในหน่วยประมวลผลกราฟฟิกจะถูกส่งผ่านเป็นสัญญาณดิจิตอลหรือ Low Voltage Differential Signalling (LVDS) ไปยัง CID ทันที
ชุดควบคุมเกตเวย์ CHAMP จะสร้างอินเตอร์เฟสสำหรับรับส่งข้อมูลระหว่าง MOST บัส และ K-CAN (CAN สำหรับระบบตัวถัง) ระบบบัสสองระบบจะส่งฟอร์แม็ทข้อมูลด้วยอัตราการส่งผ่านข้อมูลและรูปแบบที่ต่างกัน ข้อมูลสำหรับบัสแต่ละตัวจะได้รับการกำหนดค่าให้สอดคล้องในเกตเวย์ CHAMP เพื่อติดต่อกับระบบทั้งหมด
การรีเซ็ต CHAMP
CHAMP สามารถรีเซ็ตได้ด้วยวิธีการต่อไปนี้ :
ใน CHAMP จะไม่มีปุ่มรีเซ็ตหรือชุดปุ่มในการรีเซ็ตติดตั้งไว้
หมายเหตุ ! CHAMP อาจถูกเปลี่ยนเป็นชุดที่สมบูรณ์
CHAMP จะได้รับการเปลี่ยนเป็นชุดที่สมบูรณ์ในการให้บริการ
สำหรับ CHAMP สามารถทำการทดสอบจำนวนมากได้ในฟังก์ชั่นชุดควบคุม
ตัวอย่างเช่น : สามารถนำแผ่นซีดีที่ติดอยู่ในไดรฟ์ซีดีออกได้โดยใช้ฟังก์ชั่นชุดควบคุม
สามารถทำการวิเคราะห์ปุ่มรายการโปรดที่นำมาใช้กับ CHAMP (ปุ่มตั้งโปรแกรม) ได้ด้วยฟังก์ชั่นชุดควบคุม
รุ่น EU :
มีการจำหน่ายตัวควบคุมระบบเสียงแบบมัลติ (M-ASK) ในรูปแบบของวิทยุ BMW Professional แทน CHAMP
ปุ่มรายการโปรด 8 ปุ่มสามารถรับรู้ถึง M-ASK ได้

ดัชนี |
คำอธิบาย |
ดัชนี |
คำอธิบาย |
|---|---|---|---|
1 |
ตัวควบคุมระบบเสียงแบบมัลติ |
2 |
ปุ่มตั้งโปรแกรมรายการโปรด 8 ปุ่ม |
อาจเกิดความผิดพลาดเนื่องจากการพิมพ์หรือความผิดพลาดอื่นๆ ได้ ข้อมูลทางเทคนิคอาจเปลี่ยนแปลงได้โดยไม่ต้องแจ้งให้ทราบล่วงหน้า