ระบบป้องกันการสตาร์ทเครื่องแบบอิเล็กทรอนิกส์ (EWS) เป็นทั้งอุปกรณ์กันขโมยและอุปกรณ์ตรวจสอบเพื่อยอมให้มีการสตาร์ทได้
EWS รุ่นที่ 4 เป็นการปรับปรุงพัฒนาจาก EWS รุ่นเก่า การปรับปรุงในรุ่นใหม่นี้จะใช้วิธีการเข้ารหัสแบบใหม่ที่ทันสมัย
รถยนต์แต่ละคันจะถูกระบุด้วยรหัสลับ 128 บิต รหัสลับนี้จะถูกบันทึกไว้ในฐานข้อมูลของ BMW หมายความว่า จะมีเพียง BMW เท่านั้นที่ทราบรหัสลับดังกล่าว
รหัสลับจะถูกตั้งโปรแกรมและล็อคอยู่ในชุดควบคุมต่อไปนี้ :
เมื่อรหัสลับล็อคอยู่ในชุดควบคุมแล้ว จะไม่สามารถลบหรือเปลี่ยนแปลงได้อีกต่อไป หมายความว่า ชุดควบคุมหนึ่งชุดจะถูกกำหนดให้เข้ากับรถยนต์หนึ่งคันเท่านั้น ชุดควบคุมต่างๆ จะระบุตัวมันเองระหว่างกันด้วยรหัสลับและอัลกอริธึมเดียวกัน
ใน EWS รุ่นที่ 4 จะไม่มีสายต่อตรง (สายข้อมูล EWS) ระหว่าง DME/DDE กับ CAS (ไม่รวม E83)
สายส่งข้อมูล CAN (PT-CAN และ K-CAN) และ K บัส (หรือเรียกอีกอย่างว่า CAS บัส) จะใช้ในการรับ-ส่งข้อมูลของสัญญาณ EWS K บัสจะถูกใช้เมื่อ ไม่สามารถส่งสัญญาณ EWS ทางสายส่งข้อมูล CAN
> E83 : ดังเช่นเมื่อก่อน การรับ-ส่งข้อมูลระหว่างชุดควบคุม EWS และ DME/DDE จะเกิดขึ้นผ่านสายข้อมูล EWS โดยตรง
การใช้งาน EWS (รุ่นที่ 4) :
รุ่นที่นำมาใช้ |
เครื่องยนต์ |
ชุดควบคุมเครื่องยนต์ |
|---|---|---|
ระดับประสิทธิภาพ : |
||
E60, E61, E63, E64 |
N52B25U1, N52B25O1, N52B30M1, N52B30O1 |
MSV80 |
N53B25U0, N53B30U0, N53B30O0, N54B30O0 |
MSD80 |
|
N43B20O0 |
MSD80.2 |
|
N46B20O2 |
MEV17.2.1 |
|
N47D20O0 |
DDE70 |
|
E81, E82, E87, E88, E90, E90 M3, E91, E92, E92 M3, E93, E93 M3 |
N43B16, N43B20U0, N43B20O0 |
MSD80.2 |
N45B16O2, N46B20U2, N46B20O2 |
MEV17.2.1 |
|
N51B30M0, N52B25U1, N52B25O1, N52B30U0, N52B30M1, N52B30O1 |
MSV80 |
|
N47D20U0, N47D20O0 |
DDE70 |
|
N53B30U0, N53B30O0, N54B30O0 |
MSD80 |
|
S65 |
MSS60 |
|
E83 |
N52B25O1, N52B30U1, N52B30O1 |
MSV80 |
N46B20O2 |
MEV17.2.1 |
|
N47D20O0 |
DDE70 |
|
E70 |
N52B30O1 |
MSV80 |
R55, R56 |
N12 |
MEV17.2 |
N14 |
MED17.2 |
|
อุปกรณ์ต่างๆ สำหรับ EWS ได้อธิบายไว้ ดังนี้ :
ชิพรับ-ส่งสัญญาณจะถูกบรรจุรวมอยู่ในรีโมทคอนโทรลทุกชุด ซึ่งสามารถทำหน้าที่ทั้งส่งและรับสัญญาณได้ การส่งผ่านข้อมูลจะเกิดขึ้นในแบบเดียวกับตัวแปลงสัญญาณระหว่างเสาอากาศวงแหวนในช่องเสียบกุญแจหรือสวิตช์กุญแจ (E83 เท่านั้น) กับชิพรับ-ส่งสัญญาณ รีโมทคอนโทรลจะส่งข้อมูลไปยังชุดควบคุม EWS หรือชุดควบคุม CAS และรับข้อมูลจากชุดควบคุมดังกล่าว
สิทธิ์การใช้งานรีโมทคอนโทรล สำหรับรถแต่ละคันจะได้รับการให้รหัสไว้ในชิพรับ-ส่งสัญญาณด้วย
ชุดควบคุม EWS หรือชุดควบคุม CAS สามารถควบคุมรีโมทคอนโทรลที่เข้ากันกับชุดควบคุมได้สูงสุด 10 ชุด นั่นคือ สามารถมีรีโมทคอนโทรลสำรองได้สูงสุด 6 ชุด
ชุดควบคุม EWS หรือชุดควบคุม CAS สามารถระบุรีโมทคอนโทรลแต่ละชุดได้ จึงสามารถยกเลิกหรือเปิดใช้งานรีโมทคอนโทรลได้ ถ้าเกิดความผิดปกติในระหว่างการรับส่งสัญญาณระหว่างชุดควบคุม EWS หรือชุดควบคุม CAS กับรีโมทคอนโทรล ความผิดปกตินี้จะถูกบันทึกไว้ในหน่วยความจำรหัสความผิดปกติ โดยแยกเป็นของรีโมทคอนโทรลแต่ละชุด
ช่องเสียบกุญแจรีโมทคอนโทรลหรือบริเวณโดยรอบสวิตช์กุญแจ (E83 เท่านั้น) เป็นเสาอากาศแบบวงแหวน (คอยล์) ที่ทำหน้าที่ตรวจสอบชิพรับ-ส่งสัญญาณ ชิพรับ-ส่งสัญญาณและชุดควบคุม EWS หรือชุดควบคุม CAS จะรับส่งสัญญาณระหว่างกันผ่านทางเสาอากาศแบบวงแหวนนี้
ในรถยนต์ที่มีอินเตอร์ล็อคบังคับเลี้ยวแบบไฟฟ้า จะมีการจ่ายกระแสไฟฟ้าให้หลังจากที่ CAS ตรวจสอบและยืนยันสิทธิ์ผู้ใช้รถว่าถูกต้องแล้ว ซึ่งในขณะนั้น จะสามารถล็อคหรือปลดล็อคได้เฉพาะการบังคับเลี้ยวเท่านั้น เครื่องยนต์จะสตาร์ทได้ก็ต่อเมื่อได้ล็อคหรือปลดล็อคอินเตอร์ล็อคการบังคับเลี้ยวแบบไฟฟ้าแล้ว
> E83
ชุดควบคุม EWS และ DME/DDE จะยืนยันความถูกต้องตรงกันผ่านทางสายข้อมูล EWS
ในรถที่ใช้เกียร์อัตโนมัติ ชุดควบคุม EWS หรือชุดควบคุม CAS จะยอมให้สตาร์ทเครื่องได้ต่อเมื่อคันเกียร์อยู่ในตำแหน่ง ”P” หรือ ”N” เท่านั้น
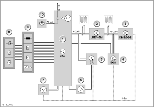
ชุดควบคุมที่เกี่ยวข้องกับระบบป้องกันการสตาร์ทเครื่องแบบอิเล็กทรอนิกส์ (EWS) มีดังนี้ :
> รุ่นที่ไม่ใช่ E83
ชุดควบคุม CAS เป็นชุดควบคุมหลักสำหรับ EWS โดย EWS จะรวมอยู่ใน CAS
ในชุดควบคุม CAS จะบันทึกรหัสลับไว้ และได้มีการป้องกันไม่ให้เปลี่ยนแปลงแก้ไขรหัสลับดังกล่าว
ชุดควบคุม CAS จะต่อเข้ากับบัส บน K-CAN (CAN สำหรับระบบตัวถัง) และ K บัส (บัสตัวถัง)
ชุดควบคุม CAS เป็นอินเตอร์เฟสของช่องเสียบกุญแจรีโมทคอนโทรล

ดัชนี |
คำอธิบาย |
ดัชนี |
คำอธิบาย |
|---|---|---|---|
1 |
ระบบการเข้ารถแบบอัตโนมัติ (CAS) |
2 |
ชุดอิเล็กทรอนิกส์กล่องต่อไฟ (JBE) หรือโมดูลเกตเวย์ตัวถังรถ (KGM) |
3 |
ชุดอิเล็กทรอนิกส์ควบคุมเครื่องยนต์แบบดิจิตอล (DME) หรือ ชุดอิเล็กทรอนิกส์ควบคุมเครื่องดีเซลแบบดิจิตอล (DDE) |
4 |
ระบบควบคุมเกียร์แบบอิเล็กทรอนิกส์ (EGS) |
5 |
ระบบการเข้ารถแบบอัตโนมัติ (CA : Comfort Access) |
6 |
ตัวรับสัญญาณรีโมทคอนโทรล |
7 |
อินเตอร์ล็อคการบังคับเลี้ยวแบบไฟฟ้า |
8 |
ปุ่ม START-STOP |
9 |
ช่องเสียบที่มีรีโมทคอนโทรลอยู่ |
10 |
มอเตอร์สตาร์ท |
Kl. 30L |
เทอร์มินอล 30L |
Kl. 50L |
เทอร์มินอล 50L |
K บัส |
บัสตัวถัง (เรียกอีกอย่างว่า CAS บัส) |
K-CAN |
CAN สำหรับระบบตัวถัง |
PT-CAN |
CAN สำหรับระบบส่งกำลัง |
|
|
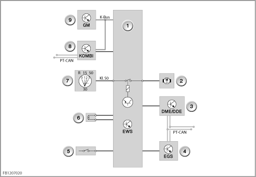
> E83 เท่านั้น
ชุดควบคุม EWS จะต่อเข้ากับ K บัส (บัสตัวถัง)
ชุดควบคุม EWS เป็นอินเตอร์เฟสของสวิตช์กุญแจ

ดัชนี |
คำอธิบาย |
ดัชนี |
คำอธิบาย |
|---|---|---|---|
1 |
ระบบป้องกันการสตาร์ทเครื่องแบบอิเล็กทรอนิกส์ (EWS) |
2 |
มอเตอร์สตาร์ท |
3 |
ชุดอิเล็กทรอนิกส์ควบคุมเครื่องยนต์แบบดิจิตอล (DME) หรือ ชุดอิเล็กทรอนิกส์ควบคุมเครื่องดีเซลแบบดิจิตอล (DDE) |
4 |
ระบบควบคุมชุดเกียร์แบบอิเล็กทรอนิกส์ (EGS) |
5 |
สวิตช์คลัตช์พร้อมเกียร์ธรรมดา (ขึ้นอยู่กับรุ่นประเทศ) |
6 |
เสาอากาศแบบแหวน (ขดลวด) |
7 |
สวิตช์กุญแจสตาร์ท |
8 |
แผงหน้าปัด (KOMBI) |
9 |
โมดูลพื้นฐาน (BM) |
|
|
K บัส |
บอดี้บัส |
เทอร์มินอล 50 |
เทอร์มินอล 50 |
PT-CAN |
CAN สำหรับระบบส่งกำลัง |
|
|
ชุดควบคุม DME/DDE จะยอมให้สตาร์ทเครื่องยนต์ได้ เมื่อได้รับสัญญาณยอมให้ทำงานที่ถูกต้องจากชุดควบคุม EWS หรือชุดควบคุม CAS เท่านั้น ใน DME/DDE จะบันทึกรหัสลับไว้ และได้มีการป้องกันไม่ให้เปลี่ยนแปลงแก้ไขรหัสลับดังกล่าว
> E70, E81, E82, E87, E88, E90, E91, E92, E93, R55, R56
JBE เป็นอินเตอร์เฟสข้อมูล ระหว่าง PT-CAN (CAN สำหรับระบบส่งกำลัง) และ K-CAN (CAN สำหรับระบบตัวถัง)
> E60, E61, E63, E64
KGM เป็นอินเตอร์เฟสข้อมูลระหว่าง PT-CAN (CAN สำหรับระบบส่งกำลัง) และ K-CAN (CAN สำหรับระบบตัวถัง)
> E83
แผงหน้าปัดเป็นอินเตอร์เฟสข้อมูลระหว่าง PT-CAN (CAN สำหรับระบบส่งกำลัง) และ K บัส (บัสตัวถัง)
> E70 เท่านั้น
ระบบควบคุมเกียร์แบบอิเล็กทรอนิกส์ (EGS) รวมอยู่ใน EWS รุ่นที่ 4 โดยทำหน้าที่เป็นอิมโมบิไลเซอร์อีกตัวหนึ่ง ชุดควบคุม EGS จะต่อเข้ากับ K บัส
ฟังก์ชั่นชุดเกียร์จะสามารถใช้งานได้ต่อเมื่อชุดควบคุม CAS และชุดควบคุม EGS ยืนยันความถูกต้องตรงกันเท่านั้น
รุ่นที่มีออปชั่นพิเศษ 322 ”ระบบการเข้ารถแบบอัตโนมัติ” : จำเป็นต้องมีเซ็นเซอร์การระบุข้อมูลแทนรีโมทคอนโทรลปกติ เซ็นเซอร์การระบุข้อมูลจะทำหน้าที่ต่างๆ แทนรีโมทคอนโทรล
ชุดควบคุมระบบการเข้ารถแบบอัตโนมัติ (ชุดควบคุม CA) จะควบคุมเสาอากาศภายในรถและเสาอากาศภายนอกรถ ทรานสมิตเตอร์ ID จะได้รับการสแกน ในขณะเดียวกัน จะมีการสั่งงานตัวรับสัญญาณ FBD สำหรับทรานสมิตเตอร์ ID ชุดใดก็ตามที่อาจมีการตอบสนอง (FBD : ยกเลิกการบริการการควบคุม)
ชุดควบคุม CAS คือชุดควบคุมหลักสำหรับฟังก์ชั่นการทำงานทั้งหมดที่ทำงานโดยใช้ออปชั่นพิเศษระบบการเข้ารถแบบอัตโนมัติ
การทำงานต่างๆ ของระบบต่อไปนี้สำหรับ EWS ได้อธิบายไว้ดังนี้ :
ในระหว่างขั้นตอนการปลดล็อค ขั้นตอนการอนุญาตใช้งานจะตรวจสอบการทำงานระหว่างระบบการเข้า-ออกรถ (CAS) และอินเตอร์ล็อคการบังคับเลี้ยวแบบไฟฟ้า อินเตอร์ล็อคการบังคับเลี้ยวแบบไฟฟ้าจะเริ่มทำการปลดล็อค หลังจากผ่านการตรวจสอบการอนุญาตใช้งานแล้ว ในขณะรถยนต์กำลังขับเคลื่อน จะไม่มีไฟจ่ายไฟยังอินเตอร์ล็อคการบังคับเลี้ยวแบบไฟฟ้า ทั้งนี้เพื่อความปลอดภัย อินเตอร์ล็อคการบังคับเลี้ยวแบบไฟฟ้าจะได้รับแรงดันไฟฟ้า ในขั้นตอนการปลดล็อคและการล็อคเท่านั้น
ถ้าข้อมูลถูกต้อง ชุดควบคุม CAS จะให้มอเตอร์สตาร์ททำงานผ่านทางรีเลย์ในชุดควบคุม ในขณะเดียวกัน ชุดควบคุม CAS จะส่งสัญญาณยอมให้ทำงานที่มีการให้รหัสไว้ไปยังชุดควบคุม DME เพื่อสตาร์ทเครื่องยนต์ ชุดควบคุม DME จะสามารถสตาร์ทเครื่องยนต์ได้ ถ้าสัญญาณยอมให้ทำงานที่ได้รับจากชุดควบคุม CAS ถูกต้อง
หลังจากเสียบกุญแจสตาร์ทในสวิตช์กุญแจหรือเสียบรีโมทคอนโทรลในช่องเสียบแล้ว ขั้นตอนการทำงานต่อไปนี้จะเริ่มขึ้น :
รหัสการเปลี่ยนแปลงที่เหมือนกันจะถูกบันทึกไว้ในชุดควบคุม แต่ค่าของรหัสนั้นจะเปลี่ยนแปลงไปหลังจากการสตาร์ททุกครั้ง รหัสการเปลี่ยนแปลงเกิดขึ้นจากหมายเลขแบบสุ่มกับรหัสลับ
การปรับระบบควบคุมการทำงานของเครื่องยนต์ที่มีระบบป้องกันการสตาร์ทเครื่องแบบอิเล็กทรอนิกส์
ด้วยการนำ EWS รุ่นใหม่ (รุ่นที่ 4) มาใช้งาน ทำให้ไม่มีความจำเป็นต้องทำการปรับระหว่างชุดควบคุมเครื่องยนต์และระบบป้องกันการสตาร์ทเครื่องแบบอิเล็กทรอนิกส์อีกต่อไป
ดังนั้นจากข้อมูลดังกล่าวจะสามารถทำการเปลี่ยนชุดควบคุมบางตัว ได้โดยใช้ชุดควบคุมที่ทำการสั่งซื้อเป็นพิเศษสำหรับรถยนต์แต่ละคันเท่านั้น
หมายเหตุ ! ขั้นตอนการทำงานในกรณีที่ชุดควบคุมผิดปกติ !
ถ้า CAS, EWS (E83 เท่านั้น) หรือ DME / DDE เกิดความผิดปกติ จะต้องปฏิบัติตามขั้นตอนที่กำหนดไว้
ต้องสั่งซื้อชุดควบคุมที่จำเป็นสำหรับรถยนต์ ในกรณีนี้ ต้องใช้ข้อมูลรถยนต์ (หมายเลขตัวถังรถ)
ไม่จำเป็นต้องปรับ EWS หลังจากที่เปลี่ยนชุดควบคุมใหม่
> E70
เมื่อเปลี่ยนระบบควบคุมเกียร์แบบอิเล็กทรอนิกส์แล้ว จำเป็นต้องทำการปรับ ชุดควบคุม CAS จะส่งผ่านรหัสเฉพาะไปยังชุดควบคุม EGS ในระหว่างการปรับ รหัสเฉพาะนี้จำเป็นสำหรับขั้นตอนการอนุญาตใช้งาน เพื่อทำให้ฟังก์ชั่นชุดเกียร์ทำงาน
ข้อสำคัญ
ไม่สามารถ ทดลองเปลี่ยน ชุดควบคุมที่มีรหัสลับได้ !
สามารถขอรับกุญแจสำรองได้จากทางผู้จำหน่าย BMW ที่มีบริการอะไหล่ BMW เท่านั้น กุญแจสำรองดอกหนึ่งในจำนวน 6 ดอกจะได้รับการตั้งโปรแกรมเข้ากับรถยนต์ที่ศูนย์ผู้จำหน่าย กุญแจนี้ไม่ใช่สำเนาของดอกที่หายไป แต่เป็นดอกใหม่
ทั้งนี้ สามารถผลิตและจัดส่งกุญแจสำรองทั้งหมดที่เข้ากันได้กับชุดควบคุม EWS ที่ติดตั้งไว้ ให้ได้ไม่เกิน 6 ดอก
กรณีที่เสียบกุญแจดอกใหม่เข้าไปในสวิตช์กุญแจเป็นครั้งแรก จะสังเกตได้ว่าการสตาร์ทจะล่าช้าออกไปประมาณ 1 ถึง 2 วินาที หลังจากนั้นแล้ว การสตาร์ทจะต้องไม่ล่าช้า
สำหรับกุญแจที่หายไป ต้องทำการยกเลิกกุญแจดังกล่าวผ่านทางการวิเคราะห์ กรุณาดูที่ ”คุณสมบัติพิเศษของโปรแกรมวิเคราะห์”
ข้อควรระวัง !
การขอกุญแจใหม่ทุกครั้ง จะมีการบันทึกเป็นหลักฐาน เพื่อใช้เป็นข้อมูลของทางราชการและบริษัทประกัน
ถ้ารีโมทคอนโทรลหรือกุญแจสตาร์ททั้งหมดสูญหาย จำเป็นต้องใช้ชุดควบคุม EWS หรือชุดควบคุม CAS ชุดใหม่
สามารถยกเลิกหรือเปิดใช้งานทางอิเล็กทรอนิกส์สำหรับรีโมทคอนโทรลหรือกุญแจสตาร์ทแต่ละชุดได้ผ่านทางการวิเคราะห์ (ฟังก์ชั่นบริการ)
ข้อสำคัญ
การยกเลิกการใช้งานทางอิเล็กทรอนิกส์หมายถึงจะไม่สามารถสั่งให้ทั้งสตาร์ทเตอร์ และชุดควบคุมทำการสตาร์ทเครื่องยนต์ได้ อย่างไรก็ตาม ให้ระลึกไว้ว่า กุญแจสตาร์ท ที่ได้ยกเลิกการใช้งานทางอิเล็กทรอนิกส์ไปแล้วยังคงสามารถใช้งานในแง่กลไกได้อยู่ กล่าวคือ ยังสามารถใช้เปิดฝาปิดที่เติมน้ำมันเชื้อเพลิงและประตูได้
ในกรณีนี้ จะมีการแสดงผลว่า ชุดควบคุม EWS หรือชุดควบคุม CAS ได้ตรวจพบกุญแจสตาร์ทแต่ละชุด (รีโมทคอนโทรล) ที่ควบคุมโดยชุดควบคุม EWS หรือชุดควบคุม CAS แล้วอย่างน้อยหนึ่งครั้งหรือไม่ กล่าวคือ สามารถตรวจพบรีโมทคอนโทรลหรือกุญแจสตาร์ทที่ได้นำมาใช้ในรถยนต์นี้แล้วกี่ชุด แม้แต่ในกรณีที่เป็นรถยนต์รุ่นเก่าก็ตาม
อาจเกิดความผิดพลาดเนื่องจากการพิมพ์หรือความผิดพลาดอื่นๆ ได้ ข้อมูลทางเทคนิคอาจเปลี่ยนแปลงได้โดยไม่ต้องแจ้งให้ทราบล่วงหน้า