หมายเหตุ ! โครงสร้างของเอกสารนี้
คำแนะนำสำหรับการวิเคราะห์ที่สำคัญที่สุดได้รับการอธิบายไว้ที่ส่วนแรกของเอกสารนี้ จากนั้น จึงต่อด้วยคำอธิบายลักษณะการทำงาน
ถ้าเกิดปัญหาขึ้นขณะลบหน่วยความจำรหัสความผิดปกติหลังการซ่อม ให้ทำตามขั้นตอนต่อไปนี้ :
จุดสำคัญ !
ในบางกรณี ไฟเลี้ยวและไฟเตือนสำหรับความผิดปกติบางอย่างจะดับไป หลังจากการทดสอบแบบเร็วเท่านั้น
หลังจากมีการการเปลี่ยนชุด DSC หรือชุดควบคุม DSC แล้ว จะต้องเข้ารหัสพารามิเตอร์สำหรับไฟเตือนการสูญเสียความดันลมยาง (RPA) รวมทั้งระบบควบคุมความเร็วคงที่โดยใช้ Progman
ชุดควบคุม DSC จะเข้ารหัสตัวเองตามฟังก์ชั่น DSC ในกรณีนี้จะมีการบันทึกหมายเลขตัวถังรถไว้ด้วย ซึ่งหมายความว่า ไม่จำเป็นต้องทำการปรับเซ็นเซอร์มุมบังคับเลี้ยวด้วย DSC 8/DSC 8Plus ในทุกๆ ครั้งของการเปิดระบบ (บิดสวิตช์กุญแจไปที่ ON), DSC จะเปรียบเทียบหมายเลขตัวถังรถที่บันทึกไว้กับหมายเลขตัวถังรถปัจจุบัน DSC จะสร้างรหัสเองตามประเภทของรถยนต์ ในกรณีที่หมายเลขตัวถังรถไม่ตรงกัน โอกาสนี้จึงใช้เพื่อการรีเซ็ตค่าการปรับเซ็นเซอร์ที่รับรู้และกำหนด เข้ากับการตั้งค่าพื้นฐาน (ข้อยกเว้น : เซ็นเซอร์อัตราเร่งแนวยาว)
ให้ทำงานต่อไปนี้ :
หลังจากทำการเปลี่ยนเซ็นเซอร์ DSC จะต้องเรียกใช้ฟังก์ชั่นบริการ ”การปรับเซ็นเซอร์ DSC” เซ็นเซอร์อัตราเร่งแนวยาวจะปรับเทียบในเซ็นเซอร์ DSC
เซ็นเซอร์มุมบังคับเลี้ยวเป็นส่วนหนึ่งของชุดสวิตช์ส่วนกลางที่คอพวงมาลัย จึงไม่สามารถเปลี่ยนเซ็นเซอร์มุมบังคับเลี้ยวเพียงตัวเดียวได้ ฟังก์ชั่นบริการ ”การปรับเทียบเซ็นเซอร์มุมบังคับเลี้ยว” หรือในกรณีของรถยนต์ที่มีระบบบังคับเลี้ยวแบบแอ็คทีฟ ฟังก์ชั่นบริการ ”การกำหนดการทำงาน/การปรับระบบบังคับเลี้ยวแบบแอ็คทีฟ” ต้องทำหลังจากขั้นตอนดังต่อไปนี้ :
ในรถรุ่น E70 จะมีระบบควบคุมเสถียรภาพ (DSC) ติดตั้งไว้ โดยเป็นมาตรฐานสำหรับรุ่น
E60/E61 ตั้งแต่ 03/2007
DSC คือ DSC 8Plus ที่ได้รับการปรับปรุงขึ้น เพื่อให้เกิดความชัดเจน จึงจะเรียกระบบควบคุมแชสซีนี้ว่า ”DSC Premium” ผู้จำหน่ายระบบสำหรับ DSC คือ Bosch
ฟังก์ชั่นควบคุมของ DSC ได้รับการปรับปรุงให้ดียิ่งขึ้นอยู่ตลอดเวลา กล่าวคือ ได้มีการติดตั้งปั๊มสูบกลับพร้อมลูกสูบ 6 สูบ รวมทั้งชุดอิเล็กทรอนิกส์ที่มีกำลังเพิ่มมากขึ้นด้วย เมื่อเปรียบเทียบกับรุ่นก่อนหน้านี้ (E53) ในรุ่น E70 มีฟังก์ชั่นต่างๆ เพิ่มเติมขึ้นมา ดังนี้ :
ผลลัพธ์ด้านความปลอดภัยบนท้องถนนอื่นๆ ที่ได้รับจากการทำงานร่วมกันของระบบอื่นๆ :
DSC คือระบบการขับเคลื่อนแบบไดนามิกที่ช่วยให้รถยังคงรักษาเสถียรภาพในการเคลื่อนที่เอาไว้ ข้อดีของ DSC :
DSC ยังตรวจจับสถานะการขับเคลื่อนที่ไม่มั่นคง เช่น อาการดื้อโค้ง หรือท้ายปัดอีกด้วย DSC จะช่วยรักษาแนวการขับเคลื่อนที่ปลอดภัยภายใต้ขอบเขตทางกายภาพให้กับรถยนต์
ซึ่งการที่จะทำได้นั้น DSC ต้องทราบตัวแปรการวัดแบบไดนามิกต่อไปนี้ :
รวมทั้งตรวจจับการสั่งงานของคนขับจากมุมบังคับเลี้ยวและความดันเบรกที่คนขับเหยียบลงบนแป้นเบรกด้วย นอกจากนี้ เซ็นเซอร์ความเร็วล้อยังส่งข้อมูลความเร็วล้อแต่ละล้อให้ด้วย ค่าที่วัดได้จะนำมาใช้กำหนดสถานะจริงของรถยนต์ที่กำลังเคลี่อนที่อยู่ในขณะนั้น โดยเปรียบเทียบเงื่อนไขจริงกับค่าเป้าหมายที่คำนวณได้ในชุดควบคุม DSC ถ้าค่าจริงในขณะนั้นต่างจากสถานะเป้าหมาย DSC จะเริ่มทำงาน และเข้าแทรกการทำงานในระบบเบรกหรือระบบควบคุมการทำงานเครื่องยนต์ ขึ้นอยู่กับสถานการณ์ในขณะนั้น
ระบบควบคุมเสถียรภาพประกอบด้วยส่วนต่างๆ ดังต่อไปนี้ :
ชุด DSC ประกอบด้วยชุดควบคุม DSC และชุดไฮดรอลิก ชุดควบคุม DSC จะสั่งงานชุดไฮดรอลิกผ่านสปริงวาล์ว

ดัชนี |
คำอธิบาย |
ดัชนี |
คำอธิบาย |
|---|---|---|---|
1 |
ชุดควบคุม DSC พร้อมปลั๊กต่อ |
2 |
ชุดไฮดรอลิก |
3 |
มอเตอร์ปั๊ม |
|
|
ชุด DSC มีเซ็นเซอร์ความดันเบรก เซ็นเซอร์ความดันเบรกจะจับค่าความดันเบรกที่เกิดขึ้นผ่านทางแป้นเบรกและหม้อลมเบรก
เซ็นเซอร์ความดันเบรกมีช่วงการวัดตั้งแต่ 0 ถึง 250 บาร์ ตำแหน่งศูนย์ของช่วงการวัดจะถูกปรับให้สัมพันธ์กันขณะที่รถยนต์กำลังขับเคลื่อนเท่านั้น
แนวคิดใหม่ของชุด DSC ทำให้สามารถควบคุมได้อย่างแม่นยำมากยิ่งขึ้น โดยจะมีอุปกรณ์ปั๊ม 2 - 3 ตัวที่มีขนาด 6.5 มม.ทำงานอยู่ในมอเตอร์ปั๊ม แนวคิดนี้ส่งผลให้ความดันได้รับการปรับปรุงให้ดีขึ้นอย่างเห็นได้ชัด ซึ่งหมายความว่าระดับการสั่นสะเทือนของแป้นเบรกจะลดลงในระหว่างที่ควบคุม ABS นอกจากนี้ คุณภาพในการควบคุมการขับลงเขา (HDC) ก็จะเพิ่มสูงขึ้นด้วย

ดัชนี |
คำอธิบาย |
ดัชนี |
คำอธิบาย |
|---|---|---|---|
A |
DSC 8Plus |
B |
DSC Premium |
1 |
ปริมาตรการไหล [ลิตร/นาที] |
2 |
เวลา [วินาที] |
ชุดควบคุมการจ่ายกำลังไฟฟ้าที่ชุดอิเล็กทรอนิกส์สำหรับกล่องต่อไฟ (JBE) จะทำหน้าที่เป็นตัวจ่ายไฟให้กับชุด DSC เทอร์มินอล 30 จะสั่งงานปั๊มสูบกลับหนึ่งครั้ง และสั่งงานโซลินอยด์วาล์วอีกหนึ่งครั้ง ชุดควบคุม DSC จะรับเทอร์มินอล 30g
เซ็นเซอร์ความเร็วล้อแบบแอ็คทีฟจะเป็นตัวกำหนดความเร็วล้อโดยรอบของล้อแต่ละล้อ นอกจากนั้น เซ็นเซอร์ความเร็วล้อจะตรวจจับทิศทางการหมุน (ไปข้างหน้าหรือถอยหลัง) เมื่อรถจอดอยู่กับที่ เซ็นเซอร์ความเร็วล้อจะคอยส่งสัญญาณกระตุ้นการทำงานทุกๆ
0.75 วินาที การส่งสัญญาณกระตุ้นดังกล่าวเป็นสิ่งที่แสดงให้ทราบว่ามีเซ็นเซอร์ความเร็วล้ออยู่
ประโยชน์ที่ได้รับจากเซ็นเซอร์ความเร็วล้อแบบแอ็คทีฟมีดังต่อไปนี้ :

ดัชนี |
คำอธิบาย |
ดัชนี |
คำอธิบาย |
|---|---|---|---|
1 |
เซ็นเซอร์ความเร็วล้อ, ช่วงล่างหน้า |
2 |
เซ็นเซอร์ความเร็วล้อ, ช่วงล่างหลัง |
3 |
การกระตุ้นการทำงานสำหรับความเร็วรอบเครื่อง |
4 |
ข้อมูลเพิ่มเติม เช่น ทิศทางการหมุนและช่องว่าง |
5 |
เส้นทางการส่งสัญญาณ |
6 |
ลูกปืนล้อพร้อมแม่เหล็ก |
ที่ช่วงล่างหลังและช่วงล่างหน้าจะมีวงกลมแม่เหล็ก (ล้อส่งสัญญาณ) อยู่รอบลูกปืนล้อ แม่เหล็กขั้วเหนือและขั้วใต้ของล้อส่งสัญญาณติดตั้งอยู่สลับกัน โดยการทำงานจะสัมพันธ์กับการหมุนของล้อในแต่ละครั้ง (เทียบได้กับซี่เฟือง/ระยะช่องว่างของล้อเฟืองส่งสัญญาณ) เซ็นเซอร์ความเร็วล้อประกอบด้วยเซ็นเซอร์แบบฮอลล์ 3 ตัวและชุดประเมินผลอิเล็กทรอนิกส์
เซ็นเซอร์ความเร็วล้อแบบแอ็คทีฟจะทำหน้าที่เปลี่ยนแรงต้านทานไฟฟ้าโดยอยู่ภายใต้อิทธิพลของสนามแม่เหล็ก ขณะที่ล้อหมุนแต่ละครั้งจะทำให้เกิดสัญญาณกระตุ้น 2 สัญญาณในเซ็นเซอร์ความเร็วล้อ (สัญญาณกระตุ้น 96 สัญญาณ / การหมุนของล้อ) สำหรับการส่งผ่านข้อมูลไปยังชุดควบคุม ข้อมูลเพิ่มเติมจะถูกแนบไปกับขอบของสัญญาณกระตุ้น ข้อมูลเพิ่มเติมเหล่านี้จะถูกรประมวลผลเกินกว่าค่าจริงของความเร็วรอบเครื่องที่ตรวจจับได้ เพื่อให้สามารถนำไปใช้งานได้ ต่อไปนี้เป็นตัวอย่างข้อมูลเพิ่มเติมที่อาจเกิดขึ้นได้ เช่น :
เซ็นเซอร์ DSC จะวัด :

ดัชนี |
คำอธิบาย |
ดัชนี |
คำอธิบาย |
|---|---|---|---|
1 |
เซ็นเซอร์ DSC |
2 |
ปลั๊กต่อ |
ส่วนตรวจจับของเซ็นเซอร์ประกอบด้วยเซ็นเซอร์อัตราเร่งแบบพีเอโซอิเล็กทริก 2 ตัว มวลจะแขวนอยู่บนสปริงในเซลวัดของเซ็นเซอร์อัตราเร่ง
ขณะที่มีการเร่งความเร็ว มวล 2 ก้อนที่แขวนบนสปริงจะถูกเร่งความเร็วขึ้นด้วยเช่นกัน แรงที่ใช้ในการเร่งความเร็วนี้จะทำให้เกิดแรงดันไฟฟ้าทางกลขึ้นในวัสดุแบบพีเอโซอิเล็กทริก ขั้วอิเล็กโทรดที่ทำจากโลหะจะจับการเปลี่ยนแปลงในประจุไฟฟ้าที่เกิดขึ้นนี้ และนำไปประมวลผลเป็นสัญญาณไฟฟ้า อัตราการส่ายจะมาจากความแตกต่างระหว่างสัญญาณอัตราเร่งสองสัญญาณ ดังนั้น เซ็นเซอร์ DSC จึงส่งทั้งอัตราการส่ายและสัญญาณอัตราเร่ง
เซ็นเซอร์อัตราเร่งแนวยาวจำเป็นต่อระบบช่วยในการออกตัว
เซ็นเซอร์ DSC จะติดต่อกับชุดควบคุม DSC ผ่านทาง CAN สำหรับแชสซี (F-CAN)
โดยมีชุดควบคุม DDE จ่ายแรงดันไฟให้กับเซ็นเซอร์ DSC
เซ็นเซอร์มุมบังคับเลี้ยวติดตั้งอยู่ในชุดสวิตช์ที่คอพวงมาลัย (SZL) เซ็นเซอร์มุมบังคับเลี้ยวจะใช้แสงในการตรวจวัดมุมพวงมาลัยโดยไม่มีการสัมผัส เซ็นเซอร์มุมบังคับเลี้ยวติดตั้งอยู่ที่แผงวงจรกับชุดประเมินผลอิเล็กทรอนิกส์ เซ็นเซอร์มุมบังคับเลี้ยวประกอบด้วยส่วนต่างๆ ดังต่อไปนี้ : แผ่นรหัสและเซ็นเซอร์แสง
แผ่นรหัสต่ออยู่กับพวงมาลัยผ่านทางตลับบัฟเฟอร์สปริง เมื่อมีการหมุนพวงมาลัย แผ่นรหัสจะเคลื่อนที่อยู่ภายในเซ็นเซอร์แสง ทั้งนี้ รูปแบบการประเมินผลแบบที่ใช้สำหรับแผ่นรหัสจะแตกต่างกันออกไป

ดัชนี |
คำอธิบาย |
ดัชนี |
คำอธิบาย |
|---|---|---|---|
1 |
แผงสวิตช์ที่คอพวงมาลัย (SZL) |
2 |
เซ็นเซอร์แสง |
3 |
แผ่นรหัส |
|
|
เซ็นเซอร์ SZL จะติดต่อกับชุดควบคุม DSC ผ่านทาง CAN สำหรับแชสซี (F-CAN)
ปุ่ม DTC ใช้เพื่อเปลี่ยนโหมดการทำงานของระบบควบคุมแชสซี ปุ่ม DTC สามารถสังเกตได้โดยดูที่ตัวอักษร ”DTC” ปุ่ม DTC สามารถใช้ในการเลือกสถานะการปิดเปิดได้ 3 สถานะ :
E70 :
ปุ่ม DTC อยู่ที่ชุดสวิตช์ส่วนกลางที่คอนโซลกลาง (ไม่มีชุดควบคุม) ชุดสวิตช์ส่วนกลางที่คอนโซลกลางต่ออยู่กับชุดควบคุมสภาพอากาศ (IHKA) / ฮีทเตอร์ แบบรวม IHKA จะทำการส่งสัญญาณบน CAN สำหรับระบบตัวถัง
E60 และ E61 ตั้งแต่ 03/2007 :
ปุ่ม DTC จะอยู่ในชุดสวิตช์ทางด้านซ้ายของที่เขี่ยบุหรี่ โดยชุดสวิตช์นี้จะต่อเข้ากับชุดสวิตช์ส่วนกลางที่คอนโซลกลาง (SZM) ชุดควบคุม SZM จะติดตั้งอยู่ในส่วนรองรับด้านหลังช่องเก็บของ

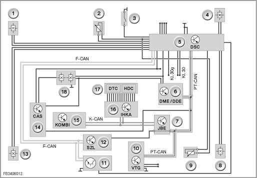
ภาพจะแสดง E70
ดัชนี |
คำอธิบาย |
ดัชนี |
คำอธิบาย |
|---|---|---|---|
1 |
ชุดสวิตช์ส่วนกลางที่คอนโซลกลาง |
2 |
ปุ่ม HDC HDC หมายถึง Hill Descent Control (การควบคุมการขับลงเขา) : การช่วยในการขับลงเขา |
3 |
ปุ่ม DTC |
|
|
E70 :
ปุ่ม HDC จะมีอยู่ในชุดสวิตช์ส่วนกลางที่คอนโซลกลางด้วยเช่นกัน
E60 และ E61 :
การควบคุมการขับลงเขา (HDC) สามารถกำหนดไว้ได้ที่ปุ่มที่ตั้งโปรแกรมได้อย่างอิสระบนพวงมาลัย และยังสามารถสั่ง HDC ให้ทำงานผ่านทาง iDrive ได้อีกด้วย
DSC ได้รับสัญญาณอินพุตเสริมจากส่วนต่างๆ ดังต่อไปนี้ :
จะมีการตรวจจับระดับน้ำมันเบรกต่ำ (ในกระปุกน้ำมันเบรกผ่านรีดคอนแทค) และแจ้งไปยังชุดควบคุม DSC เมื่อระดับน้ำมันเบรกต่ำ DSC จะถูกหยุดการทำงาน มิฉะนั้น อากาศจะถูกดูดเข้าไปในระบบเบรกและเป็นอันตรายได้
การสั่งงานเบรกจะถูกตรวจจับพร้อมกับสัญญาณจากเซ็นเซอร์ความดันเบรก (เฉพาะรุ่นที่มี DSC เท่านั้น)
สวิตช์ไฟเบรกมีสวิตช์ 2 ชุด (2 ระดับ) สัญญาณจะถูกส่งไปยัง DSC ผ่านสาย ชุดควบคุมเครื่องยนต์จะรับสัญญาณทั้งสองชุด ชุดควบคุมเครื่องยนต์ส่งสัญญาณบน PT-CAN ชุดควบคุม DSC จะใช้สัญญาณทั้งสองสัญญาณในการตรวจจับว่ามีการเหยียบแป้นเบรกอยู่หรือไม่

ดัชนี |
คำอธิบาย |
ดัชนี |
คำอธิบาย |
|---|---|---|---|
1 |
สวิตช์ไฟเบรก |
2 |
ปลั๊กต่อ |
ระบบการเข้า-ออกรถ (CAS) จะจ่ายไฟให้กับสวิตช์ไฟเบรกที่เทอร์มินอล R
เซ็นเซอร์การสึกของผ้าเบรก (ด้านหน้าซ้ายและด้านหลังขวาในผ้าเบรกภายใน) จะให้ข้อมูลเพิ่มเติมเกี่ยวกับความหนาของผ้าเบรก ข้อมูลเพิ่มเติมนี้ (ตำแหน่งอ้างอิง 2 ตำแหน่ง) จะนำมาใช้ปรับค่าที่คำนวณได้ของ DSC ให้สัมพันธ์กัน

ดัชนี |
คำอธิบาย |
ดัชนี |
คำอธิบาย |
|---|---|---|---|
1 |
จานเบรก |
2 |
เบรกคาลิเปอร์ |
3 |
เซ็นเซอร์การสึกของผ้าเบรก (เช่น ช่วงล่างหลัง) |
|
|
ความหนาของผ้าเบรกในระดับวิกฤติจะแสดงขึ้นบนแผงหน้าปัดโดยจอแสดงสิ่งที่ต้องทำในการให้บริการ (การให้บริการตามสภาพ หรือ CBS) รวมทั้งไฟเตือนเบรกทั่วไปจะติดสว่างเป็นสีแดง
ชุดควบคุมเสริมต่อไปนี้จะรวมอยู่ในระบบควบคุมเสถียรภาพ :
ในกรณีที่ DSC ทำงานผิดพลาด จะปรากฏสัญลักษณ์เช็ค-คอนโทรลขึ้นในจอ LC สัญลักษณ์เช็ค-คอนโทรลทั้งหมดมีการกำหนดความหมายไว้
ในกรณีที่มีข้อความเช็ค-คอนโทรลปรากฏขึ้น สามารถเรียกดูคำแนะนำเพิ่มเติมได้จากจอแสดงข้อมูลส่วนกลาง (CID)
CAS จะรับสัญญาณความเร็วที่ประมวลผลแล้วจาก DSC CAS จะทราบว่ารถยนต์กำลังหยุดอยู่กับที่หรือเคลื่อนที่อยู่โดยการตรวจจับจากสัญญาณ
ชุดควบคุมการจ่ายกำลังไฟฟ้าที่ชุดอิเล็กทรอนิกส์สำหรับกล่องต่อไฟจะทำหน้าที่เป็นตัวจ่ายไฟให้กับชุด DSC
เทอร์มินอล 30 สำหรับปั๊มสูบกลับ รวมทั้งโซลินอยด์วาล์ว
เทอร์มินอล 30g สำหรับชุดควบคุม DSC

ภาพจะแสดง E70
ดัชนี |
คำอธิบาย |
ดัชนี |
คำอธิบาย |
|---|---|---|---|
1 |
เซ็นเซอร์ความเร็วล้อ, ด้านหน้าซ้าย |
2 |
เซ็นเซอร์การสึกของผ้าเบรก, ด้านหน้าซ้าย |
3 |
สวิตช์ระดับน้ำมันเบรก |
4 |
เซ็นเซอร์ความเร็วล้อ, ด้านหน้าขวา |
5 |
DSC (ระบบควบคุมเสถียรภาพ) |
6 |
ชุดอิเล็กทรอนิกส์ควบคุมเครื่องยนต์แบบดิจิตอล หรือ ชุดอิเล็กทรอนิกส์ควบคุมเครื่องดีเซลแบบดิจิตอล (DME หรือ DDE) |
7 |
ชุดอิเล็กทรอนิกส์สำหรับกล่องต่อไฟ (JBE) |
8 |
เซ็นเซอร์ความเร็วล้อ, ด้านหลังขวา |
9 |
เซ็นเซอร์การสึกของผ้าเบรก, ด้านหน้าซ้าย |
10 |
ห้องเกียร์ (VTG) |
11 |
เซ็นเซอร์ DSC |
12 |
แผงสวิตช์ที่คอพวงมาลัย (SZL) |
13 |
เซ็นเซอร์ความเร็วล้อ, ด้านหลังซ้าย |
14 |
ระบบการเข้ารถ (CAS) |
15 |
แผงหน้าปัด (KOMBI) |
16 |
ระบบทำความร้อนและปรับอากาศอัตโนมัติรวม (IHKA) |
17 |
ชุดสวิตช์ส่วนกลางที่คอนโซลกลาง |
18 |
สวิตช์ไฟเบรก |
F-CAN |
CAN สำหรับแชสซี |
K-CAN |
CAN สำหรับระบบตัวถัง |
เทอร์มินอล 30 |
เทอร์มินอล 30 |
เทอร์มินอล 30 g |
เทอร์มินอล 30g |
PT-CAN |
CAN สำหรับระบบส่งกำลัง |
|
|
ฟังก์ชั่นระบบใหม่ สำหรับ E70 ต่อไปนี้อธิบายไว้สำหรับ DSC :
ฟังก์ชั่นระบบแบบอื่น ที่ใช้กันอยู่แล้วสำหรับ DSC ได้แก่ :
ฟังก์ชั่นเพิ่มเติมต่อไปนี้ไม่ใช่ฟังก์ชั่นในระบบควบคุมการขับเคลื่อนแบบไดนามิกแต่จะมีรวมอยู่ด้วย :
DTC เป็นรุ่นที่พัฒนาขึ้นมาจาก DSC สำหรับใช้งานในบางสภาพถนนที่เกี่ยวข้องกับโมเมนตัมการเคลื่อนที่ไปข้างหน้า ระบบควบคุมแรงฉุดแบบไดนามิก (DTC) จะช่วยให้รถมีประสิทธิภาพในการทรงตัวสูงสุด แต่ในขณะเดียวกันก็อาจส่งผลทำให้เสถียรภาพในการขับขี่ลดลงบางส่วนด้วย ดังนั้น จึงแนะนำให้ใช้สำหรับสถานการณ์ที่มีลักษณะเฉพาะเท่านั้น สถานการณ์ต่างๆ ที่สามารถใช้งาน DTC ได้ในช่วงสั้นๆ มีดังต่อไปนี้ :
ลักษณะการทำงานของ DTC จะเหมือนกับ DSC โดยใช้วิธีการควบคุมที่ดัดแปลงไปเล็กน้อย DTC จะทำงานได้เมื่อปิดระบบ DSC แล้วเท่านั้น (กดปุ่ม DTC) DTC จะเลียนแบบการทำงานของอินเตอร์ล็อคเฟืองดิฟเฟอเรนเชียลแบบทั่วไป โดยใช้การขัดจังหวะการทำงานด้วยการเบรก DTC จะทำการเพิ่มแรงบิดอินพุตให้กับล้อที่อยู่บนผิวถนน โดยใช้ค่าสัมประสิทธิ์ความเสียดทานที่สูงกว่า
ข้อดี : ประสิทธิภาพในการทรงตัวของรถสูงขึ้นเมื่อใช้ระบบ DTC การเข้าแทรกการทำงานเพื่อรักษาเสถียรภาพของรถยนต์ (เช่น การลดเอาต์พุตเครื่องยนต์ลง) จะดำเนินการช้ากว่าเล็กน้อยเมื่อเทียบกับการใช้งาน DSC ในบางสถานการณ์ คนขับจำเป็นต้องเข้าแทรกการทำงานให้ถูกจังหวะเพื่อรักษาสเถียรภาพของรถยนต์
การใช้งานผ้าเบรกตั้งแต่ระยะเริ่มต้นจะช่วยทำให้เบรกตอบสนองการทำงานได้เร็วขึ้น เมื่อลิ้นปีกผีเสื้อปิดเร็ว (มุมของคันเร่ง) ผ้าเบรกจะเริ่มถูกใช้งานทันที DSC จะสร้างความดันเบรกต่ำโดยไม่คำนึงว่าจะมีการลดความเร็วของรถยนต์ลงหรือไม่ ซึ่งจะเป็นการชดเชยระยะห่างระหว่างผ้าเบรกและจานเบรก ในกรณีที่ไม่มีการเบรกภายในครึ่งวินาที ความดันเบรกที่สร้างขึ้นมาในตอนแรกจะกลับสู่สภาพเดิม การใช้งานผ้าเบรกทีระยะเริ่มแรกจะมีผลเมื่อความเร็วในการขับขี่สูงกว่า 70 กม./ชม.
การเบรกแบบไม่ลดความเร็วจะเป็นการขจัดความชื้นที่เกาะอยู่บนจานเบรกออกไป ในขณะที่ขับขี่บนพื้นถนนที่เปียกน้ำหรือมีฝนตก ในกรณีนี้ จะมีการใช้งานผ้าเบรกเพียงเล็กน้อย ฟังก์ชั่นนี้ยังช่วยให้เบรกตอบสนองการทำงานได้เร็วขึ้นด้วย DSC จะสร้างความดันเบรกต่ำเป็นรอบ โดยขึ้นอยู่กับสัญญาณของเซ็นเซอร์ตรวจจับปริมาณน้ำฝนหรือวางของสวิตช์ที่ปัดน้ำฝน ทั้งนี้ การเบรกที่เกิดขึ้นในรถยนต์จะไม่ได้นำมาพิจารณาด้วย จะมีการสั่งงานผ้าเบรกเป็นรอบ ในระหว่างขั้นตอนการทำงาน จานเบรกจะได้รับการเช็ดทำความสะอาดอย่างสม่ำเสมอ ความถี่และระยะเวลาในการสั่งงานผ้าเบรกจะขึ้นอยู่กับ :
ความดันเบรกที่สูญเสียไป หมายถึง : การทำงานของเบรกลดลง เนื่องจากอุณหภูมิของจานเบรกสูงขึ้น DSC จะเพิ่มความดันเบรกให้เกินความดันเบรกที่คนขับใช้ไป เพื่อตรวจสอบดูว่ามีการสูญเสียความดันเบรกหรือไม่ เมื่ออุณหภูมิของจานเบรกเพิ่มสูงขึ้นมาก สิ่งต่อไปนี้จะแสดงขึ้นเพื่อให้ทราบว่าจะต้องทำการชดเชยความดันที่สูญเสียไป :
DSC จะทำการตรวจสอบการสูญเสียความดัน ดังนี้ : DSC จะเปรียบเทียบการลดความเร็วของรถในขณะนั้นกับค่าเป้าหมาย โดยสัมพันธ์กับความดันเบรกในขณะนั้น DSC จะเพิ่มความดันเบรกขึ้นจนกว่าจะถึงค่าการลดความเร็วเป้าหมาย หรือจนกว่าล้อทุกล้อจะถูกควบคุมโดยระบบ ABS ขั้นตอนการทำงานจะสิ้นสุดลงเมื่อไม่พบว่ามีการเหยียบแป้นเบรกอีกต่อไป หรือเมื่อขีดจำกัดของความเร็วลดลงต่ำกว่าขีดจำกัด
ขณะขับออกตัวบนทางลาดชัน ต้องเปลี่ยนจากการเหยียบเบรกไปเป็นการเหยียบคันเร่ง ในกรณีนี้ ระบบช่วยในการออกตัวจะป้องกันไม่ให้รถยนต์เลื่อนไหลในสถานการณ์ต่อไปนี้ :
ในกรณีนี้ จำเป็นต้องใช้ความดันเบรกเพื่อยึดรถยนต์ให้อยู่กับที่ ความเอียงของถนนจะถูกตรวจจับโดยเซ็นเซอร์อัตราเร่งแนวยาวในชุดควบคุม DSC แรงบิดการเบรกหรือแรงบิดเครื่องยนต์ที่จำเป็นจะคำนวณจากความเอียงของพื้นผิวถนน หลังจากตรวจจับความต้องการในการขับออกตัวแล้ว ความดันเบรกจะลดลงทันทีที่มีแรงบิดเครื่องยนต์เพียงพอที่จะทำให้รถยนต์เคลื่อนไปในทิศทางที่ต้องการ ถ้าใช้เบรกจอดรถ จะทำให้ระบบช่วยในการออกตัวไม่ทำงาน หากไม่มีการขับรถออกไปภายในเวลาประมาณ 2 วินาทีหลังจากปลดเบรกแล้ว จะทำให้ระบบช่วยในการออกตัวไม่ทำงานเช่นกัน
ระบบควบคุมความเร็วคงที่พร้อมฟังก์ชั่นเบรกจะทำงานร่วมกันใน DSC ระบบควบคุมความเร็วคงที่จะรักษาความเร็วคงที่ที่เลือกไว้ให้อยู่ที่ระหว่าง 30 กม./ชม. และ 250 กม./ชม.
เมื่อเปรียบเทียบกับระบบควบคุมความเร็วคงที่แบบทั่วไป การทำงานต่อไปนี้จะเพิ่มเติมขึ้นมา :
EMF คือเบรกจอดรถ
ขณะที่เครื่องยนต์กำลังทำงาน DSC จะสั่งงานแบบไฮดรอลิกเพื่อสร้างแรงยึดเกาะ
ขณะที่เครื่องยนต์ไม่ทำงาน EMF จะสร้างแรงยึดเกาะโดยสั่งงานแบบกลไกผ่านทางชุดสั่งงาน
ระบบป้องกันการล็อคของล้อขณะเบรก (ABS) ช่วยป้องกันล้อล็อคขณะกำลังเบรก ข้อดี : ระยะการเบรกลดลง โดยที่ทิศทางการเคลื่อนที่ของรถยนต์ยังคงเป็นไปในทิศทางเดิม และยังคงสามารถควบคุมรถยนต์ได้ ความดันเบรกที่ล้อทั้งสี่จะถูกปรับเพื่อให้ล้อแต่ละล้อมีช่วงการหมุนที่เหมาะสมที่สุด ซึ่งในขั้นตอนนี้ การหมุนจะถูกปรับเพื่อให้สามารถส่งผ่านแรงในการเบรกและการเข้าโค้งได้สูงสุดเท่าที่จะเป็นไปได้
ระบบกระจายแรงเบรกแบบอิเล็กทรอนิกส์ (EBV) เป็นส่วนหนึ่งของ ABS EBV จะกระจายแรงเบรกระหว่างช่วงล่างหน้าและช่วงล่างหลังตามโหลด ข้อดี : รถยนต์มีระยะการเบรกที่ดีที่สุด รวมทั้งมีเสถียรภาพในการเคลื่อนที่สูงสุดในเวลาเดียวกัน โดยไม่ขึ้นกับโหลด การกระจายการสึกหรอของผ้าเบรกจะดีขึ้น แม้ว่า ABS จะไม่ทำงาน ฟังก์ชั่น EBV ยังคงทำงานอยู่ ฟังก์ชั่น EBV ต้องใช้สัญญาณจากเซ็นเซอร์ความเร็วล้ออย่างน้อย 2 ตัวต่อเพลา
ระบบควบคุมการเบรกขณะเข้าโค้ง (CBC) เป็นระบบที่เพิ่มมาจาก ABS CBC ช่วยเพิ่มเสถียรภาพในการเคลื่อนที่เมื่อต้องเหยียบเบรกในขณะเข้าโค้ง (”โลจิกของการเข้าโค้ง”) ข้อดี : มีการปรับเสถียรภาพในการเคลื่อนที่กับการเบรกขณะเข้าโค้งบางส่วนให้อยู่ในระดับดีที่สุด การเปลี่ยนโหลดของล้อขณะเข้าโค้ง (แม้จะเป็นการเบรกเพียงเล็กน้อยก็ตาม) จะทำให้เสถียรภาพในการเคลื่อนที่ลดลง ถ้าจำเป็น CBC จะสร้างแรงบิดย้อนกลับแบบคงที่นอกช่วงการควบคุมแบบป้อนกลับของ ABS ในระหว่างที่ทำการเบรกเพียงเล็กน้อย
ระบบควบคุมแรงฉุดเครื่องยนต์ (MSR) ช่วยป้องกันล้อขับเคลื่อนที่มีแนวโน้มจะเกิดการล็อคในขณะที่ขับรถบนถนนลื่น ขณะลดเกียร์หรือเปลี่ยนโหลดอย่างรวดเร็ว (โดยเฉพาะบนถนนที่มีค่าสัมประสิทธิ์ความเสียดทานต่ำ) ล้อขับเคลื่อนอาจล็อคได้เนื่องจากแรงฉุดเครื่องยนต์ เมื่อใช้เซ็นเซอร์ความเร็วล้อ MSR จะทำการตรวจจับแนวโน้มที่จะเกิดการล็อค แม้ในขณะที่ใกล้จะเกิดขึ้น MSR จะลดแรงฉุดเครื่องยนต์ลงชั่วขณะ โดยการเร่งความเร็วรถขึ้นเล็กน้อย ข้อดี : ล้อขับเคลื่อนยังคงรักษาแรงในการเข้าโค้งไว้ได้ แม้จะอยู่ในโหมดการปล่อยให้วิ่งต่อโดยไม่เหยียบคันเร่ง (โอเวอร์รัน) ก็ตาม
ระบบควบคุมเสถียรภาพโดยอัตโนมัติ (ASC) จะเข้าแทรกการทำงานของเครื่องยนต์และเบรก เพื่อป้องกันล้อหมุนฟรีขณะเร่งความเร็ว ข้อดี : มีแรงฉุดเพิ่มขึ้นและเสถียรภาพในการเคลื่อนที่ดีขึ้น ถ้าล้อแต่ละล้อบนเพลาขับมีระดับการยึดเกาะต่างกัน ล้อที่มีแนวโน้มเกิดการหมุนฟรีจะถูกเบรก ถ้าจำเป็น จะลดกำลังเครื่องยนต์ลง
สถานะการขับเคลื่อนของรถยนต์ในขณะนั้นจะถูกตรวจจับโดยระบบควบคุมเสถียรภาพ (DSC) โดยการประเมินผลสัญญาณเซ็นเซอร์ สถานะการขับเคลื่อนนี้จะถูกเปรียบเทียบกับค่าเป้าหมายที่กำหนดขึ้นโดยใช้โมเดลการคำนวณ ทำให้สามารถตรวจจับสถานะการขับเคลื่อนที่ไม่มีเสถียรภาพได้แม้ในขณะที่กำลังจะเกิดขึ้น ในกรณีที่มีความเบี่ยงเบนสูงเกินขีดจำกัดควบคุมที่บันทึกไว้ในชุดควบคุม DSC รถยนต์จะถูกทำให้มีเสถียรภาพ การทำให้เกิดเสถียรภาพ (ภายใต้ขอบเขตทางกายภาพ) มาจากการลดกำลังเครื่องยนต์ และการเบรกที่ล้อแต่ละล้อ การเข้าแทรกการทำงานของ DSC จะเป็นการยกเลิกการทำงานของระบบ ABS และ ASC สามารถหยุดการทำงานของฟังก์ชั่น DSC ได้โดยใช้ปุ่ม R56 ไม่มีระบบควบคุมการทรงตัวแบบไดนามิก (DTC)
ระบบควบคุมการเบรกแบบไดนามิก (DBC) ช่วยรองรับสถานการณ์ที่ต้องทำการเบรกฉุกเฉิน โดยจะเพิ่มความดันเบรกโดยอัตโนมัติ ข้อดี : สร้างระยะการเบรกที่สั้นที่สุดเท่าที่จะเป็นไปได้ในสถานการณ์ที่ต้องมีการเบรกฉุกเฉิน โดยการสั่งงานจนถึงช่วงการควบคุมแบบป้อนกลับของ ABS กับล้อทั้ง 4 ด้าน ในสถานการณ์การเบรกฉุกเฉิน คนขับมักเหยียบแป้นเบรกไม่แรงพอ ซึ่งจะไม่ถึงช่วงการควบคุมแบบป้อนกลับของ ABS ปั๊มสูบกลับจะช่วยทำให้การเบรกถึงช่วงการควบคุมแบบป้อนกลับของ ABS โดยเพิ่มความดันเบรกขึ้นในสถานการณ์ต่อไปนี้ :
ระบบควบคุมเสถียรภาพ (DSC) จะเป็นตัวกำหนดค่าเป้าหมายสำหรับการควบคุมการขับเคลื่อน 4 ล้อโดยใช้ xDrive ชุดควบคุม DSC จะคำนวณโมเมนต์การล็อคสำหรับชุดแผ่นคลัตช์ในห้องเกียร์ ค่าเป้าหมายจะขึ้นอยู่กับแนวโน้มของรถยนต์ที่อาจเกิดอาการท้ายปัดหรืออาการดื้อโค้ง และการเกิดล้อหมุนฟรี ซึ่งค่าเป้าหมายนี้จะถูกส่งโดย PT-CAN ไปยังชุดควบคุม VTG จากนั้นชุดควบคุม VTG จะส่งโมเมนต์การล็อคที่ได้รับการปรับเรียบร้อยแล้วกลับคืนไปที่ชุดควบคุม DSC ชุดควบคุม DSC จะคำนวณโมเมนต์การล็อคของชุดแผ่นคลัตช์ ดังนี้ :
การควบคุมการขับลงเขา (HDC) คือระบบควบคุมความเร็วคงที่แบบอัตโนมัติสำหรับการขับรถลงเขา สำหรับรถที่มีระบบขับเคลื่อน 4 ล้อ HDC สามารถสั่งงานและยกเลิกการทำงานได้ที่ชุดสวิตช์ส่วนกลางที่คอนโซลกลาง HDC จะช่วยลดความเร็วในการขับขี่ลงโดยอัตโนมัติ ความเร็วในการขับขี่จะถูกสั่งงานให้ลดลงจนเหลือระดับความเร็วที่สูงกว่าการเดินเท้าเพียงเล็กน้อย โดยการขัดจังหวะการทำงานด้วยการเบรกบนล้อทั้ง 4 ซึ่งจะทำให้สามารถขับรถลงเขาได้อย่างมั่นคงในทุกสภาพถนน ไม่ว่าจะเป็นพื้นถนนที่มีน้ำแข็งเกาะ, พื้นที่ลาดชันหรือทางเรียบก็ตาม HDC จะทำหน้าที่รักษาระดับความเร็วดังกล่าวให้คงที่ (ฟังก์ชั่น DSC ทั้งหมดจะยังคงทำงาน) คันเร่งและแป้นเบรก หรือก้านปรับที่คอพวงมาลัยสำหรับระบบควบคุมความเร็วคงที่ อุปกรณ์ทั้งหมดนี้สามารถใช้เพื่อปรับความเร็วในการขับขี่ได้อย่างอิสระโดยไม่เกินค่าที่กำหนด ปุ่มที่ตั้งโปรแกรมไว้อย่างอิสระส่วนล่างบนพวงมาลัยมัลติฟังก์ชั่นใช้สำหรับปรับตั้ง HDC โดยเป็นอุปกรณ์ที่ติดตั้งมาจากโรงงาน
การควบคุมเสถียรภาพในการลากพ่วงเป็นการตรวจจับการส่ายไปมาของรถพ่วงรอบแกนแนวตั้ง ระบบจะทำงานเมื่อระดับความเร็วรถอยู่ที่ประมาณ 65 กม./ชม. และคอนเนคเตอร์ไฟฟ้าของรถพ่วงต่ออยู่ ระบบควบคุมเสถียรภาพ (DSC) จะตรวจจับการส่ายของรถยนต์โดยอาศัยเซ็นเซอร์ DSC ในกรณีที่เกินค่าขีดจำกัดการส่ายของรถพ่วง เอาต์พุตเครื่องยนต์จะลดลง นอกจากนี้ DSC จะสั่งงานให้มีการเบรกที่ล้อทั้ง 4 โดยอัตโนมัติด้วย ถ้าไม่ได้สั่งงานหรือ DSC เกิดความผิดปกติ จะส่งผลให้ไม่สามารถควบคุมเสถียรภาพในการลากพ่วงได้
ไฟเตือนการสูญเสียความดันลมยาง (RPA) ไม่ใช่ฟังก์ชั่นของระบบควบคุมการขับเคลื่อนแบบไดนามิก RPA จะรวมอยู่ในชุดควบคุม DSC ทั้งนี้ ฟังก์ชั่นนี้จำเป็นต้องใช้สัญญาณความเร็วล้อ 4 ตัวเช่นกัน ระบบจะใช้ความเร็วล้อทั้ง 4 ค่าเพื่อเปรียบเทียบความเบี่ยงเบนในเส้นรอบวงการหมุนของล้อแต่ละล้อ ซึ่งหมายถึงการตรวจหาการสูญเสียความดันลมยางนั่นเอง
ไฟเตือนการสูญเสียความดันลมยางสามารถกำหนดการทำงานได้ดังนี้ :
CBS ไม่ใช่ฟังก์ชั่นของระบบควบคุมการขับเคลื่อนแบบไดนามิก การให้บริการตามสภาพหมายถึง ”การให้บริการตามความจำเป็น” รายการการซ่อมบำรุงต่างๆ จะรวมอยู่ใน CBS เช่น น้ำมันเครื่อง, หัวเทียน และผ้าเบรก ระยะทางที่เหลือสำหรับผ้าเบรกด้านหน้าและด้านหลัง จะถูกคำนวณแยกต่างหากในชุดควบคุม DSC สถานะของเซ็นเซอร์การสึกของผ้าเบรกต้องนำมาใช้ในการคำนวณด้วย (ตำแหน่งอ้างอิงที่ 6 มม. และ 4 มม.)
จุดสำคัญ ! การเปลี่ยนชุดควบคุม DSC
ต้องปฏิบัติตามคำแนะนำการซ่อม ขณะทำการเปลี่ยนชุดควบคุม DSC (จำเป็นต้องใช้เครื่องมือพิเศษ)
ฟังก์ชั่นบริการที่มีอยู่ในระบบการวิเคราะห์ของ BMW มีดังนี้ :
หลังจากทำการเปลี่ยนแล้ว ต้องให้รหัสชุดควบคุม DSC
หลังจากการสตาร์ทเครื่องยนต์ทุกครั้ง จะสามารถใช้งาน DSC ได้
อาจเกิดความผิดพลาดเนื่องจากการพิมพ์หรือความผิดพลาดอื่นๆ ได้ ข้อมูลทางเทคนิคอาจเปลี่ยนแปลงได้โดยไม่ต้องแจ้งให้ทราบล่วงหน้า