สามารถติดตั้งอุปกรณ์เสริม 2VA ”ระบบ Adaptive Drive” ใน E70 ได้ อุปกรณ์เสริมนี้ประกอบด้วยระบบ 2 ระบบ ได้แก่ :
การควบคุมระบบไดนามิกในแนวตั้ง (VDM) และระบบกันโคลงแบบแอ็คทีฟ (ARS : คำที่ใช้ในการขายเรียกว่า Dynamic Drive) เอกสารนี้จะอธิบายเกี่ยวกับการควบคุมระบบไดนามิกในแนวตั้ง
การควบคุมระบบไดนามิกในแนวตั้งมีข้อดีดังนี้ :

ดัชนี |
คำอธิบาย |
ดัชนี |
คำอธิบาย |
|---|---|---|---|
1 |
ชุดควบคุม VDM |
2 |
โช้คอัพที่มีแดมเปอร์แซทเทิลไลท์ ด้านหลังขวา (EDCSHR) |
3 |
เซ็นเซอร์ระดับความสูง, ด้านหลังขวา |
4 |
เซ็นเซอร์ระดับความสูง, ด้านหลังซ้าย |
5 |
โช้คอัพที่มีแดมเปอร์แซทเทิลไลท์ ด้านหลังซ้าย (EDCSHR) |
6 |
โช้คอัพที่มีแดมเปอร์แซทเทิลไลท์ ด้านหน้าซ้าย (EDCSHR) |
7 |
เซ็นเซอร์ะดับความสูง, ด้านหน้าซ้าย |
8 |
เซ็นเซอร์ระดับความสูง, ด้านหน้าขวา |
9 |
โช้คอัพที่มีแดมเปอร์แซทเทิลไลท์ ด้านหน้าขวา (EDCSHR) |
|
|
F-CAN |
CAN สำหรับแชสซี |
FlexRay |
บัสย่อย |
PT-CAN |
CAN สำหรับระบบส่งกำลัง |
|
|
EDC หมายถึง : Electronic Damper Control (ระบบกันสะเทือนแบบอิเล็กทรอนิกส์)
การควบคุมระบบไดนามิกในแนวตั้ง (VDM) คือระบบกันสะเทือนแบบอิเล็กทรอนิกส์ (EDC-K) ที่ได้รับการพัฒนาปรับปรุงอย่างต่อเนื่องมาจาก E65 VDM ประกอบด้วยชุดควบคุมศูนย์กลางและแดมเปอร์แซทเทิลไลท์อัจฉริยะ 4 ตัวที่ต่ออย่างแน่นหนากับโช้คอัพ
บัสข้อมูล FlexRay ได้ถูกนำมาใช้เป็นสายส่งข้อมูลเป็นครั้งแรก
ส่วนต่างๆ ของการควบคุมระบบไดนามิกในแนวตั้งมีคำอธิบายดังนี้ :
ชุดควบคุม VDM จะติดตั้งอยู่บนส่วนรองรับอุปกรณ์ในช่องเก็บสัมภาระด้านหลังขวา

ดัชนี |
คำอธิบาย |
ดัชนี |
คำอธิบาย |
|---|---|---|---|
1 |
ระบบการเข้ารถแบบอัตโนมัติ (CA) |
2 |
โมดูลเทรลเล่อร์ (AHM) |
3 |
ระบบควบคุมระยะการจอด (PDC) |
4 |
การควบคุมระบบไดนามิกในแนวตั้ง (VDM) |
5 |
ระบบควบคุมความสูงแบบอิเล็กทรอนิกส์ (EHC) |
|
|
ระบบ VDM จะช่วยเพิ่มความนิ่มนวลให้กับการขับขี่รถบนถนน ท่านจะสามารถทำการขับรถที่มีความนิ่มนวลมากยิ่งขึ้นขณะขับขี่บนถนนเนื่องจากตัวถังรถจะมีการเคลื่อนที่ในแนวตั้งน้อยที่สุดเท่าที่จะทำได้ : ไม่ว่าจะเป็นในกรณีที่ท่านขับรถหักหลบบนท้องถนน (พื้นผิวถนนไม่เรียบ, ทางแยก) หรือในกรณีที่เข้าโค้ง
ชุดควบคุม VDM จะกำหนดแดมเปอร์แซทเทิลไลท์ที่จะทำการสั่งงานโช้คอัพ (แรงสำหรับลดการสั่นสะเทือนสำหรับแต่ละล้อจะต่างกัน) เพื่อการนี้ ชุดควบคุม VDM จะถูกต่อเข้ากับแดมเปอร์แซทเทิลไลท์ผ่านทางบัสข้อมูลความเร็วสูง FlexRay
ด้วยอัตราการส่งผ่านข้อมูลที่ 10 เมกะบิต/วินาที ทำให้ FlexRay มีความสามารถในการส่งผ่านข้อมูลด้วยความเร็วมากกว่าบัสข้อมูลที่ใช้ในรถยนต์ทั่วไปในปัจจุบันอย่างเห็นได้ชัด (ในบริเวณตัวถังรถและตัวขับ หรือแชสซี) FlexRay ไม่เพียงแต่รองรับการทำงานของแบนด์วิธที่มีความเร็วในการส่งข้อมูลสูงเท่านั้นแต่ยังรองรับการรับ-ส่งข้อมูลที่ใช้เวลาสั้นมากด้วย สามารถทำการกำหนดค่า FlexRay ได้ในกรณีที่ค่าความคลาดเคลื่อนผิดปกติ
แดมเปอร์แซทเทิลไลท์มีอยู่ 4 ตัวด้วยกัน :
แดมเปอร์แซทเทิลไลท์จะควบคุมแรงสำหรับลดการสั่นสะเทือนด้วยระบบอิเล็กทรอนิกส์ แดมเปอร์แซทเทิลไลท์และวาล์ว EDC จะถูกเชื่อมต่อเข้ากับโช้คอัพจนสนิท แดมเปอร์แซทเทิลไลท์แต่ละตัวจะมีเซ็นเซอร์อัตราเร่งในแนวดิ่ง ซึ่งแดมเปอร์แซทเทิลไลท์จะมีหน้าที่ต่อไปนี้ (เป็นแค่ส่วนหนึ่งเท่านั้น) :

แดมเปอร์แซทเทิลไลท์ : เช่น ที่อยู่บนช่วงล่างหน้า, ด้านหน้าซ้าย
ดัชนี |
คำอธิบาย |
ดัชนี |
คำอธิบาย |
|---|---|---|---|
1 |
แดมเปอร์แซทเทิลไลท์, ด้านหน้าซ้าย (EDCSVL) |
2 |
สปริงเหล็ก |
3 |
โช้คอัพ |
4 |
วาล์ว EDC |

แดมเปอร์แซทเทิลไลท์ : เช่น ที่อยู่บนช่วงล่างหลัง, ด้านหลังขวา
ดัชนี |
คำอธิบาย |
ดัชนี |
คำอธิบาย |
|---|---|---|---|
1 |
แดมเปอร์แซทเทิลไลท์, ด้านหลังขวา (EDCSHR) |
2 |
วาล์ว EDC |
3 |
โช้คอัพ |
|
|
เซ็นเซอร์ระดับความสูงมี 4 ตัวดังนี้ :
เซ็นเซอร์ระดับความสูงทั้ง 4 ตัวจะถูกเชื่อมต่อเข้ากับชุดควบคุม VDM เซ็นเซอร์ระดับความสูงทั้งหมดจะทำหน้าที่ในการส่งผ่านข้อมูลการเคลื่อนที่เกี่ยวกับความสูงของตัวถังรถไปยังชุดควบคุม VDM การควบคุมระบบไดนามิกในแนวตั้งใช้ข้อมูลนี้เพื่อคำนวณการเคลื่อนไหวของตัวถังรถ รวมทั้งอัตราเร่งของล้อ
นอกจากนั้น เซ็นเซอร์ยังส่งข้อมูลไปยังระบบควบคุมปรับแนวลำแสงไฟหน้าในแนวดิ่งอัตโนมัติอีกด้วย
เซ็นเซอร์ระดับความสูงแบบคู่ที่อยู่บนช่วงล่างหลังจะทำหน้าที่ในการส่งสัญญาณไปยังชุดควบคุม VDM และชุดควบคุม EHC โดยจะมีตัวอักษร ”การส่งสัญญาณคู่” แสดงอยู่บนตัวเรือนของเซ็นเซอร์ระดับความสูงแบบส่งสัญญาณคู่

เซ็นเซอร์ระดับความสูง : เช่น ที่อยู่บนช่วงล่างหน้า, ด้านหน้าซ้าย
ดัชนี |
คำอธิบาย |
ดัชนี |
คำอธิบาย |
|---|---|---|---|
1 |
เซ็นเซอร์ระดับความสูง |
2 |
ก้านข้อต่อ |

เซ็นเซอร์ระดับความสูง : เช่น ที่อยู่บนช่วงล่างหลัง, ด้านหลังซ้าย
ดัชนี |
คำอธิบาย |
ดัชนี |
คำอธิบาย |
|---|---|---|---|
1 |
เซ็นเซอร์ระดับความสูง |
2 |
ก้านข้อต่อ |
ปุ่ม SPORT จะอยู่ในคอนโซลกลางด้านหลังสวิตช์เลือกเกียร์ (GWS) ปุ่ม SPORT จะทำหน้าที่ในการเปลี่ยนลักษณะเฉพาะของการลดการสั่นสะเทือน :
แบบนิ่มนวล <-> แบบสปอร์ต
ปุ่ม SPORT จะเชื่อมต่อแบบไฟฟ้าที่สวิตช์เลือกเกียร์ (GWS) GWS คือชุดควบคุมแยกต่างหาก จากนั้น จะมีการส่งสัญญาณบน PT CAN

ดัชนี |
คำอธิบาย |
ดัชนี |
คำอธิบาย |
|---|---|---|---|
1 |
ปุ่มเบรกจอดรถ |
2 |
สวิตช์เลือกเกียร์ (GWS) |
3 |
ปุ่มสปอร์ต |
|
|
ไฟ LED ควบคุมในปุ่ม SPORT จะแสดงให้ทราบว่ามีการสั่งงานโปรแกรมการขับขี่แบบสปอร์ต นอกจากนั้น ยังมี ”SPORT” แสดงบนจอ LCD ในแผงหน้าปัดอีกด้วย
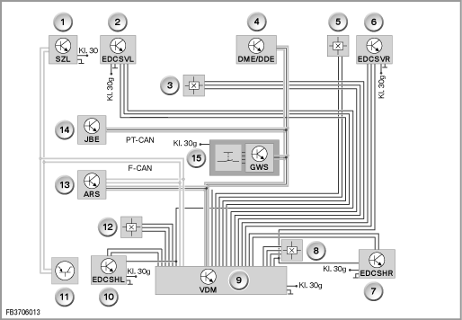
ชุดควบคุมอื่นๆ ต่อไปนี้จะทำหน้าที่ในการส่งสัญญาณของการควบคุมระบบไดนามิกในแนวตั้ง :
ชุดควบคุม ARS จะส่งผ่านอัตราเร่งแนวขวางไปยัง VDM ผ่านทาง PT-CAN ชุดควบคุม VDM ต้องการสัญญาณเป็นค่าแทน
ชุดควบคุม DSC จะส่งความเร็วในการขับขี่และความดันเบรกผ่าน PT-CAN ไปยัง VDM
SZL จะส่งสัญญาณเซ็นเซอร์มุมบังคับเลี้ยวผ่าน F-CAN ไปยัง VDM (การตรวจจับการเข้าโค้งแบบแอดวานซ์)
ระบบควบคุมการทำงานเครื่องยนต์จะส่งสัญญาณ ”เครื่องยนต์กำลังทำงาน” โดยสัญญาณนี้จะถูกส่งผ่านทาง PT CAN
JBE จะส่งสถานะเทอร์มินอล นอกจากนี้ JBE ยังเป็นเกตเวย์ระหว่าง PT-CAN และ K-CAN ด้วย

ดัชนี |
คำอธิบาย |
ดัชนี |
คำอธิบาย |
|---|---|---|---|
1 |
แผงสวิตช์ที่คอพวงมาลัย (SZL) |
2 |
แดมเปอร์แซทเทิลไลท์, ด้านหน้าซ้าย (EDCSVL) |
3 |
เซ็นเซอร์ะดับความสูง, ด้านหน้าซ้าย |
4 |
ชุดอิเล็กทรอนิกส์ควบคุมเครื่องยนต์แบบดิจิตอล /หรือ ชุดอิเล็กทรอนิกส์ควบคุมเครื่องดีเซลแบบดิจิตอล |
5 |
เซ็นเซอร์ระดับความสูง, ด้านหน้าขวา |
6 |
แดมเปอร์แซทเทิลไลท์, ด้านหน้าขวา (EDCSVR) |
7 |
แดมเปอร์แซทเทิลไลท์, ด้านหลังขวา (EDCSHR) |
8 |
เซ็นเซอร์ระดับความสูง, ด้านหลังขวา |
9 |
ชุดควบคุม VDM |
10 |
แดมเปอร์แซทเทิลไลท์, ด้านหลังซ้าย (EDCSHL) |
11 |
เซ็นเซอร์ DSC |
12 |
เซ็นเซอร์ระดับความสูง, ด้านหลังซ้าย |
13 |
ระบบกันโคลงแบบแอ็คทีฟ (ARS : ระบบไดนามิกไดรฟ์) |
14 |
ชุดอิเล็กทรอนิกส์สำหรับกล่องต่อไฟ (JBE) |
15 |
สวิตช์เลือกเกียร์ที่มีปุ่ม Sport |
|
|
การควบคุมระบบไดนามิกในแนวตั้งมีการทำงานดังนี้ :
การเคลื่อนที่ของรถยนต์จะถูกตรวจสอบ เพื่อลดการสั่นสะเทือนจากการเคลื่อนไหวของล้อและตัวถังรถ โดยจะมีแกนต่างๆ ต่อไปนี้ :
ยกตัวอย่างเช่น สัญญาณต่อไปนี้จะใช้สำหรับตรวจสอบ :
สัญญาณจะใช้ในการคำนวณสภาพการขับขี่ใตปัจจุบัน
สำหรับแกนแนวตั้งของรถยนต์ การควบคุมการลดการสั่นสะเทือนจะถูกแยกออกเป็น 'ความนุ่มนวล' และ 'ความปลอดภัย'
การควบคุมระบบไดนามิกในแนวตั้งลดการสั่นสะเทือนจากการเคลื่อนไหวของตัวถังรถเมื่อต้องการความนุ่มนวล
และลดการสั่นสะเทือนจากการเร่งของล้อเมื่อต้องการความปลอดภัย ในขณะเดียวกัน ต้องแน่ใจว่าล้อยังคงสัมผัสกับพื้นผิวถนนอยู่ และต้องทำการส่งผ่านแรงในแนวดิ่งให้ดีที่สุด ทั้งนี้ขึ้นอยู่กับสถานการณ์
นอกจากนี้ การควบคุมระบบไดนามิกในแนวตั้งยังพิจารณาถึงมุมบังคับเลี้ยวด้วย (เช่น การเปลี่ยนจากการขับในทางตรงไปเป็นการเข้าโค้ง) ถ้าตรวจพบว่ามีการเพิ่มขึ้นของมุมบังคับเลี้ยวอย่างรวดเร็ว ชุดควบคุม VDM จะสรุปว่าเป็นการเริ่มเข้าโค้ง ซึ่งหมายความว่า สามารถสั่งโช้คอัพให้ทำงานอย่างสอดคล้องกันได้ล่วงหน้า ในขณะเดียวกัน การควบคุมระบบไดนามิกในแนวตั้งจะทำการรองรับระบบกันโคลงแบบแอ็คทีฟ (ARS) ซึ่งหมายความว่า VDM จะมีส่วนในการลดอาการโคลงของรถยนต์ได้
นอกจากนี้ การควบคุมระบบไดนามิกในแนวตั้งยังทำหน้าที่ในการตรวจจับการเบรกและการเร่งอีกด้วย ในการตรวจจับนี้ DSC จะส่งสัญญาณของความดันในเบรกและอัตราเร่งแนวยาว ความดันเบรกที่มากเกินปกติจะทำให้รถยนต์เกิดการเคลื่อนที่แบบมีอาการหน้าทิ่ม VDM จะป้องกันอาการหน้าทิ่มนี้โดยทำการปรับตั้งโช้คอัพด้านหน้าให้มีความแข็งขึ้น ซึ่งจะป้องกันอาการหน้าทิ่มในขณะเร่งของรถยนต์อีกด้วย
ระดับของแรงสำหรับลดการสั่นสะเทือนจะถูกปรับโดยชุดควบคุม VDM ทั้งนี้ขึ้นอยู่กับลักษณะเฉพาะของการลดการสั่นสะเทือนที่เลือกไว้ (การขับขี่แบบนุ่มนวลหรือการขับขี่แบบสปอร์ตโดยใช้ปุ่ม Sport) แต่ก็จะมีการใช้ความปลอดภัยสูงสุดสำหรับการขับขี่ในสภาพการขับขี่ขั้นวิกฤติ โดยไม่ขึ้นกับโปรแกรมการขับขี่ที่เลือกไว้
การป้องกันการทำงานผิดพลาดจะเกิดขึ้นใน 3 ระดับ ขึ้นอยู่กับประเภทของความผิดปกติที่เกิดขึ้น :

ดัชนี |
คำอธิบาย |
ดัชนี |
คำอธิบาย |
|---|---|---|---|
1 |
ข้อความเช็ค-คอนโทรล |
|
|
จุดสำคัญ ! เมื่อมีการเปลี่ยนโช้คอัพ ให้ระบุตำแหน่งติดตั้ง
โช้คอัพ, แดมเปอร์แซทเทิลไลท์ และวาล์ว EDC รวมกันอยู่เป็นชุดอุปกรณ์ที่สามารถทำการเปลี่ยนได้ทั้งชุด เมื่อทำการสั่งซื้ออุปกรณ์ใหม่ จะต้องทำการระบุประเภทรถยนต์และตำแหน่งติดตั้ง (เช่น ด้านหน้าซ้าย) โดยต้องคำนึงถึงสิ่งอื่นๆ เช่น : รุ่นเครื่องยนต์, ระบบกันสะเทือน รวมทั้งอุปกรณ์เสริม (เช่น ที่นั่งแถวที่ 3)
หมายเหตุ : จำนวนหน่วยความจำรหัสความผิดปกติในการควบคุมระบบไดนามิกในแนวตั้ง
ชุดควบคุม VDM จะบันทึกเฉพาะความผิดปกติของชุดควบคุมลงในหน่วยความจำรหัสความผิดปกติเท่านั้น ความผิดปกติในแดมเปอร์แซทเทิลไลท์จะถูกบันทึกไว้ในหน่วยความจำรหัสความผิดปกติของแดมเปอร์แซทเทิลไลท์ และนี่คือเหตุผลที่จะต้องทำการอ่านหน่วยความจำรหัสความผิดปกติทั้งของแดมเปอร์แซทเทิลไลท์และของชุดควบคุม VDM ในกรณีที่เกิดความผิดปกติ ระบบการวิเคราะห์ของ BMW จะต้องสามารถติดต่อกับแดมเปอร์แซทเทิลไลท์ได้ ด้วยเหตุนี้ ชุดควบคุม VDM จึงต้องทำหน้าที่เป็นเกตเวย์สำหรับการวิเคราะห์ระหว่าง PT-CAN และ FlexRay ด้วย
จุดสำคัญ ! ทำการปรับเซ็นเซอร์ระดับความสูง
หลังจากเปลี่ยนชุดควบคุม VDM รวมทั้งเซ็นเซอร์ระดับความสูงแล้ว จะต้องทำการรับรู้และกำหนดค่าการปรับของเซ็นเซอร์ระดับความสูงใหม่ โดยต้องใช้ฟังก์ชั่นบริการ ”การปรับเทียบความสูง” ในระบบการวิเคราะห์ของ BMW
จุดสำคัญ ! ทำการปรับเซ็นเซอร์อัตราเร่งแนวดิ่ง
หลังจากเปลี่ยนแดมเปอร์แซทเทิลไลท์ตัวใดตัวหนึ่งหรือหลายตัว จะต้องทำการปรับเซ็นเซอร์อัตราเร่งแนวดิ่งเสมอ โดยใช้ฟังก์ชั่นบริการ ”การปรับเซ็นเซอร์อัตราเร่งแนวดิ่ง” ในระบบการวิเคราะห์ของ BMW
และรถยนต์จะต้องอยู่กับที่ บนพื้นระดับ
หลังจากทำการเปลี่ยนแล้ว ต้องให้รหัสชุดควบคุม VDM ใหม่อีกครั้ง
การควบคุมระบบไดนามิกในแนวตั้งจะทำงานภายใต้เงื่อนไขต่อไปนี้ :
อาจเกิดความผิดพลาดเนื่องจากการพิมพ์หรือความผิดพลาดอื่นๆ ได้ ข้อมูลทางเทคนิคอาจเปลี่ยนแปลงได้โดยไม่ต้องแจ้งให้ทราบล่วงหน้า