ฟังก์ชั่นของระบบเซ็นทรัลล็อคใน R70 จะทำงานร่วมกันระหว่างชุดควบคุมหลายๆ ชุด ระบบการเข้า-ออกรถ (CAS) มีหน้าที่ตรวจสอบกระบวนการทำงานทั้งหมดในระบบเซ็นทรัลล็อค CAS จึงเป็นชุดควบคุมหลักของระบบเซ็นทรัลล็อค
ชุดควบคุมที่เกี่ยวข้องในระบบเซ็นทรัลล็อคได้แก่ :
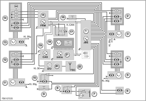
คำอธิบายสำหรับส่วนต่างๆ ของระบบเซ็นทรัลล็อคมีดังนี้ :
กระบอกแกนตัวล็อคประตูคนขับทำให้สามารถทำการล็อค/การล็อคนิรภัย และการปลดล็อครถยนต์แบบแมนนวลได้ ในกรณีที่ระบบไฟฟ้าในรถยนต์ที่จ่ายไฟไปยังมอเตอร์ผิดปกติ จะสามารถปลดล็อคประตูคนขับโดยใช้กุญแจกลไกที่อยู่ในรีโมทคอนโทรลได้
โมดูลช่องวางเท้า (FRM)จะรับสัญญาณจากหน้าสัมผัสประตู จากนั้น FRM จะส่งต่อสัญญาณผ่านทาง K-CAN ไปที่อิเล็กทรอนิกส์กล่องต่อไฟ (JBE)
รีโมทคอนโทรลทำให้สามารถทำการล็อคและปลดล็อครถโดยใช้รีโมทได้ ตัวรับสัญญาณรีโมทคอนโทรลจะรับสัญญาณคลื่นวิทยุจากรีโมทคอนโทรล และจะส่งต่อสัญญาณไปยังระบบการเข้า-ออกรถ (CAS) ตัวรับสัญญาณรีโมทคอนโทรลติดตั้งอยู่ในกระจกมองหลังภายในรถ
ปุ่มเซ็นทรัลล็อคทำให้สามารถล็อค/ปลดล็อครถจากภายในห้องโดยสารได้ โดยจะมีการล็อค / ปลดล็อคส่วนต่างๆ ดังนี้ :
ไม่สามารถทำการปลดดับเบิ้ลล็อคและล็อคนิรภัยโดยใช้ปุ่มเซ็นทรัลล็อค
ปุ่มฝากระโปรงหลัง / ประตูท้ายภายในรถจะอยู่ในแผงสวิตช์ที่คอนโซลกลาง (SZM) ปุ่มฝากระโปรงหลังภายนอกรถสามารถใช้เพื่อเปิดฝากระโปรงหลัง ถ้ามีการปลดล็อครถและรถจอดอยู่กับที่
ฟังก์ชั่นทั้งหมดในการควบคุมระบบเซ็นทรัลล็อคจะรวมอยู่ในชุดควบคุม CAS คำสั่งต่างๆ จะถูกส่งผ่านทาง K-CAN ไปยังชุดอิเล็กทรอนิกส์กล่องต่อไฟ (JBE)
JBE เป็นชุดควบคุมการสั่งงานสำหรับระบบเซ็นทรัลล็อค JBE มีหน้าที่ควบคุมการสั่งงานของมอเตอร์เซ็นทรัลล็อคทั้งหมด JBE ประกอบด้วยชุดอิเล็กทรอนิกส์กล่องต่อไฟและตัวจ่ายกำลังไฟฟ้า กล่องต่อไฟติดตั้งอยู่ข้างใต้ช่องเก็บของ
FRM จะประเมินสถานะของหน้าสัมผัสประตู เมื่อมีการล็อคหรือปลดล็อครถโดยใช้ส่วนที่เป็นกุญแจกลไก FRM จะตรวจจับการเรียกขอนี้ จากนั้น FRM จะส่งข้อความไปยังชุดควบคุม CAS ผ่านทาง K-CAN FRM ติดตั้งอยู่ที่เสา A ในช่องวางเท้าด้านคนขับ

แผนผังวงจร E70
ดัชนี |
คำอธิบาย |
ดัชนี |
คำอธิบาย |
|---|---|---|---|
1 |
ชุดอิเล็กทรอนิกส์สำหรับกล่องต่อไฟ (JBE) |
2 |
มอเตอร์เซ็นทรัลล็อค, ด้านผู้โดยสารด้านหน้า |
3 |
ระบบปิดแบบผ่อนแรงกระแทกอัตโนมัติ (SCA), ประตูด้านผู้โดยสารด้านหน้า |
4 |
มอเตอร์เซ็นทรัลล็อค, ที่นั่งด้านหลังด้านผู้โดยสาร |
5 |
ระบบปิดแบบผ่อนแรงกระแทกอัตโนมัติ (SCA), ที่นั่งด้านหลังด้านผู้โดยสาร |
6 |
มอเตอร์เซ็นทรัลล็อคสำหรับฝาปิดที่เติมน้ำมันเชื้อเพลิง |
7 |
รีเลย์สำหรับมอเตอร์ของระบบปิดแบบผ่อนแรงกระแทกอัตโนมัติ (SCA) |
8 |
ระบบปิดแบบผ่อนแรงกระแทกอัตโนมัติ (SCA), ฝากระโปรงหลัง |
9 |
ปุ่มฝากระโปรงหลัง |
10 |
ระบบทำการเซ็นทรัลล็อค, ฝากระโปรงท้าย |
11 |
ระบบปิดแบบผ่อนแรงกระแทกอัตโนมัติ (SCA), ที่นั่งด้านหลังด้านคนขับ |
12 |
มอเตอร์เซ็นทรัลล็อค, ที่นั่งด้านหลังด้านคนขับ |
13 |
ระบบปิดแบบผ่อนแรงกระแทกอัตโนมัติ, (SCA) ประตูคนขับ |
14 |
มอเตอร์เซ็นทรัลล็อค, ประตูด้านคนขับ |
15 |
โมดูลช่องวางเท้า (FRM) |
16 |
ปุ่มช่องเก็บของ |
17 |
ปุ่มเซ็นทรัลล็อค |
18 |
แผงสวิตช์ที่คอนโซลกลางพร้อมด้วยปุ่มฝากระโปรงหลัง |
19 |
ระบบการเข้ารถ (CAS) |
20 |
ตัวรับสัญญาณรีโมทคอนโทรล |
21 |
ระบบทำความร้อนและปรับอากาศอัตโนมัติแบบรวม (IHKA) |
22 |
เสาอากาศกระจกด้านหลัง |
คำอธิบายสำหรับฟังก์ชั่นต่างๆ ในระบบเซ็นทรัลล็อคมีดังนี้ :
ประตูที่ล็อคอยู่ไม่สามารถเปิดจากภายนอกได้ อย่างไรก็ตาม ยังสามารถเปิดประตูจากภายในรถได้ โดยจะต้องดึงมือจับประตูสองครั้ง จะมีการสั่งงานการล็อคเมื่อ
ประตูที่มีการล็อคนิรภัยอยู่จะไม่สามารถเปิดได้จากทั้งภายในและภายนอกรถ จะมีการล็อคนิรภัยประตู ถ้ามีการล็อครถโดยใช้กระบอกแกนตัวล็อคที่ประตูคนขับหรือรีโมทคอนโทรล เงื่อนไขสำหรับการล็อคนิรภัย :
เมื่อมีการล็อคนิรภัยรถยนต์ ระบบสัญญาณกันขโมย (DWA) จะพร้อมทำงานด้วยเช่นกัน
ประตูที่ปลดล็อคแล้วสามารถเปิดได้ทั้งจากภายในและภายนอกรถ เมื่อมีการปลดล็อครถยนต์ ระบบสัญญาณกันขโมย (DWA) จะหยุดการทำงานเช่นกัน ในกรณีที่แหล่งจ่ายไฟผิดปกติ จะสามารถปลดล็อคประตูคนขับได้โดยใช้กุญแจกลไกในรีโมทคอนโทรล
การชนจะถูกตรวจจับโดยระบบความปลอดภัยขณะเกิดอุบัติเหตุ (MRS) สัญญาณการชนจะส่งไปยัง CAS โดยจะส่งข้อความผ่านทาง K-CAN CAS จะปลดล็อครถ ตำแหน่งการสั่งงานทั้งหมดจะใช้งานไม่ได้เมื่อมีสัญญาณการชน ทั้งนี้ เพื่อป้องกันไม่ให้ระบบเซ็นทรัลล็อคทำงานโดยไม่ได้ตั้งใจเนื่องจากการลัดวงจรที่เกิดจากอุบัติเหตุ หลังจากการชน จะสามารถสั่งงานระบบเซ็นทรัลล็อคได้อีกครั้งเมื่อเทอร์มินอล R หยุดทำงานเป็นเวลาอย่างน้อย 3 วินาที
เมื่อ CAS ตรวจพบว่ารีโมทคอนโทรลล็อคเข้าที่อยู่ในช่องเสียบ จะมีการปลดระบบเซ็นทรัลล็อค ระบบเซ็นทรัลล็อคจะเข้าสู่ตำแหน่ง ”ล็อค” ระบบสัญญาณกันขโมยจะหยุดทำงานในระหว่างการปลดล็อคแบบฉุกเฉินด้วยเช่นกัน
เพื่อป้องกันไม่ให้คนขับล็อครถซ้ำโดยไม่ได้ตั้งใจ ตำแหน่งการสั่งงานทั้งหมดจะถูกล็อคเมื่อประตูคนขับเปิดออก ซึ่งทำให้ไม่จำเป็นต้องมีระบบป้องกันการล็อคซ้ำแบบกลไกเพิ่มเติมในตัวล็อคประตู
เพื่อป้องกันมอเตอร์เซ็นทรัลล็อคไม่ให้เกิดการโอเวอร์โหลด CAS จะตรวจสอบการทำงานซ้ำ โดยจะมีการตรวจสอบที่ประตู, ฝากระโปรงหลัง, ช่องเก็บของ และฝาปิดที่เติมน้ำมันเชื้อเพลิง ถ้ามีความพยายามที่จะสั่งงานมากกว่า 15 ครั้ง ภายใน 1 นาที มอเตอร์จะไม่มีการปลดล็อคเป็นระยะเวลาหนึ่ง
ถ้ามีการปลดล็อคระบบเซ็นทรัลล็อคโดยใช้รีโมทคอนโทรลและไม่มีการเปิดประตูหรือฝากระโปรงหลังภายในเวลา 2 นาที จะมีการล็อคอีกครั้งโดยอัตโนมัติ
ช่วงการทำงานสำหรับระบบเซ็นทรัลล็อคมีการกำหนดไว้ให้อยู่ในช่วงตั้งแต่ 9 ถึง 16 โวลท์ ถ้าแรงดันไฟเกินจากช่วงดังกล่าว มอเตอร์จะไม่ทำงาน ถ้าแหล่งจ่ายไฟหยุดการทำงาน สถานะของระบบเซ็นทรัลล็อคจะไม่เปลี่ยนแปลง (ระบบป้องกันสำหรับการกันขโมย !)
ในครั้งแรกที่มีคำสั่งปลดล็อค จะมีการปลดล็อคเฉพาะประตูคนขับเท่านั้น ระบบเซ็นทรัลล็อคจะปรับตั้งประตูบานอื่นทั้งหมดจากล็อคนิรภัยไปเป็นล็อคปกติ DWA จะหยุดทำงานและประตูยังคงล็อคอยู่ เมื่อมีคำสั่งปลดล็อคเป็นครั้งที่สอง ประตูที่เหลือจะปลดล็อค ฟังก์ชั่นนี้สามารถสั่งงานผ่านทางหน่วยความจำรถและกุญแจได้ (ขึ้นอยู่กับรุ่นประเทศ)
ระบบเซ็นทรัลล็อคจะล็อคโดยอัตโนมัติตั้งแต่ความเร็วรถที่ประมาณ 16 กม./ชม. เป็นต้นไป ฟังก์ชั่นนี้สามารถสั่งงานผ่านทางหน่วยความจำรถและกุญแจได้
ฟังก์ชั่นหน่วยความจำรถและกุญแจเกือบทั้งหมดจะมีการตั้งโปรแกรมภายในรถยนต์
อาจเกิดความผิดพลาดเนื่องจากการพิมพ์หรือความผิดพลาดอื่นๆ ได้ ข้อมูลทางเทคนิคอาจเปลี่ยนแปลงได้โดยไม่ต้องแจ้งให้ทราบล่วงหน้า