กระจกมองข้างแบบปรับไฟฟ้าจะติดตั้งอยู่ใน E70 เป็นอุปกรณ์มาตรฐานของซีรี่ส์ กระจกมองข้างสามารถปรับได้จากส่วนกลางโดยใช้สวิตช์ปรับกระจกมองข้างในประตูคนขับ กระจกมองข้างแบบปรับไฟฟ้ามีรุ่นอุปกรณ์ 2 รุ่น (รุ่นปกติและรุ่นพิเศษ)
คำอธิบายสำหรับส่วนต่างๆ ของกระจกมองข้างแบบปรับไฟฟ้ามีดังนี้ :
กระจกมองข้างแบบปรับไฟฟ้าสามารถปรับได้โดยใช้สวิตช์ปรับกระจกมองข้างในประตูคนขับ สำหรับข้อกำหนดของอุปกรณ์ ”รุ่นปกติ” สวิตช์ปรับกระจกมองข้างจะสั่งงานมอเตอร์ของกระจกมองข้างแบบปรับไฟฟ้าโดยตรง สำหรับข้อกำหนดของอุปกรณ์ ”รุ่นพิเศษ” สัญญาณควบคุมจะถูกส่งต่อผ่านทาง LIN บัสไปยังโมดูลช่องวางเท้า (FRM) และกระจกมองข้างแบบปรับไฟฟ้า
เซ็นเซอร์อุณหภูมิภายนอกจะตรวจวัดอุณหภูมิบรรยากาศ จากนั้นเซ็นเซอร์อุณหภูมิภายนอกจะส่งข้อมูลนี้ไปยังแผงหน้าปัดโดยตรง
แผงหน้าปัดจะประมวลผลข้อมูลที่ได้มาจากเซ็นเซอร์อุณหภูมิภายนอก เมื่ออุณหภูมิบรรยากาศต่ำกว่า 3 °C แผงหน้าปัดจะส่งข้อความผ่านทาง K-CAN ไปยังชุดควบคุมที่รับผิดชอบ สำหรับข้อกำหนดของอุปกรณ์ ”รุ่นปกติ” ข้อความจะถูกส่งไปยังชุดอิเล็กทรอนิกส์กล่องต่อไฟ (JBE) ดังนั้น JBE จะสั่งงานที่ทำความร้อนกระจกมองข้างด้วยไฟฟ้า สำหรับข้อกำหนดของอุปกรณ์ ”รุ่นพิเศษ” ข้อความจะถูกส่งไฟยังโมดูลช่องวางเท้า (FRM) จากนั้น FRM จะรายงานข้อความดังกล่าวไปยังกระจกมองข้างแบบปรับไฟฟ้าผ่านทาง LIN บัส
FRM ทำหน้าที่ควบคุมไฟของสวิตช์ปรับกระจกมองข้าง สำหรับข้อกำหนดของอุปกรณ์ ”รุ่นพิเศษ” FRM จะเชื่อมต่อกับสวิตช์ปรับกระจกมองข้างและกระจกมองข้างแบบปรับไฟฟ้าผ่านทาง LIN บัส
JBE มีหน้าที่ในการจ่ายไฟให้กับกระจกมองข้างแบบปรับไฟฟ้าและสวิตช์ปรับกระจกมองข้าง สำหรับข้อกำหนดของอุปกรณ์ ”รุ่นปกติ” JBE จะสั่งงานที่ทำความร้อนกระจกมองข้างด้วยไฟฟ้า JBE จะได้รับสัญญาณให้เพิ่มความร้อนให้กับที่ทำความร้อนกระจกมองข้าง ทั้งนี้ ขึ้นอยู่กับอุณหภูมิ โดย JBE จะได้รับสัญญาณผ่าน K-CAN
กระจกมองข้างสามารถปรับได้ทั้งแนวนอนและแนวตั้งด้วยมอเตอร์ที่แยกต่างหาก โดยจะมีโพเทนชิออมิเตอร์ปรับตำแหน่งอยู่ที่มอเตอร์ โพเทนชิออมิเตอร์จะตรวจจับตำแหน่งของมอเตอร์และส่งกลับตำแหน่งดังกล่าว
กระจกมองข้างประกอบด้วยฐานกระจกและตัวเรือนกระจก มอเตอร์สำหรับพับกระจกมองข้างจะติดตั้งอยู่ในฐานกระจก กระจกจะพับเข้าหรือกางออกโดยมีการสลับทิศทางการหมุนของมอเตอร์ไปในทิศทางตรงข้าม

ภาพจะแสดง E70
ดัชนี |
คำอธิบาย |
ดัชนี |
คำอธิบาย |
|---|---|---|---|
1 |
สวิตช์ปรับกระจกมองข้าง |
2 |
สวิตช์เลื่อนสำหรับการเลือกด้านซ้ายหรือขวา |
3 |
ปุ่มสำหรับการพับกระจกมองข้าง |
|
|

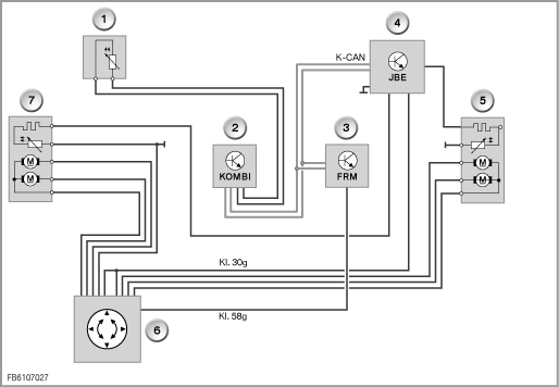
แผนผังวงจร E70, ข้อกำหนดของอุปกรณ์ ”รุ่นปกติ”
ดัชนี |
คำอธิบาย |
ดัชนี |
คำอธิบาย |
|---|---|---|---|
1 |
เซ็นเซอร์อุณหภูมิภายนอก |
2 |
แผงหน้าปัด |
3 |
โมดูลช่องวางเท้า (FRM) |
4 |
ชุดอิเล็กทรอนิกส์สำหรับกล่องต่อไฟ (JBE) |
5 |
กระจกมองข้างที่ด้านผู้โดยสาร |
6 |
สวิตช์ปรับกระจกมองข้าง |
7 |
กระจกมองข้างที่ประตูคนขับ |
|
|

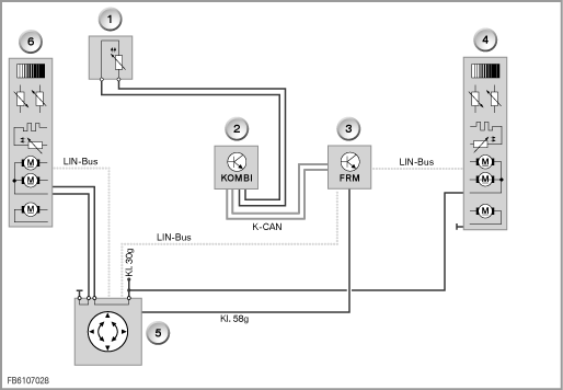
แผนผังวงจร E70, ข้อกำหนดของอุปกรณ์ ”รุ่นพิเศษ”
ดัชนี |
คำอธิบาย |
ดัชนี |
คำอธิบาย |
|---|---|---|---|
1 |
เซ็นเซอร์อุณหภูมิภายนอก |
2 |
แผงหน้าปัด |
3 |
โมดูลช่องวางเท้า (FRM) |
4 |
กระจกมองข้างที่ด้านผู้โดยสาร |
5 |
สวิตช์ปรับกระจกมองข้างพร้อมสวิตช์พับกระจกมองข้าง |
6 |
กระจกมองข้างที่ประตูคนขับ |
คำอธิบายสำหรับฟังกืชั่นต่างๆ ของกระจกมองข้างแบบปรับไฟฟ้ามีดังนี้ :
กระจกมองข้างแบบปรับไฟฟ้าสามารถปรับได้ตั้งแต่เทอร์มินอล R ON เป็นต้นไป กระจกมองข้างแบบปรับไฟฟ้าสามารถปรับได้ทั้งในแนวนอนและแนวตั้งโดใยใช้แผงปุ่มในสวิตช์ปรับกระจกมองข้าง สวิตช์เลื่อนจะเป็นการเลือกสลับระหว่างด้านคนขับกับด้านผู้โดยสารด้านหน้า ทั้งนี้ จะสามารถปรับกระจกมองข้างในแนวนอนหรือแนวตั้งได้เพียงหนึ่งทิศทางในแต่ครั้ง เมื่อกระจกมองข้างพับอยู่ จะไม่สามารถทำการปรับได้ เวลาการปรับจะถูกจำกัดไว้ไม่เกิน 10 วินาที เพื่อป้องกันมอเตอร์และกลไก เมื่อใดที่เวลาเกินกว่าเวลาการปรับสูงสุดแล้ว จะไม่สามารถปรับกระจกมองข้างได้ต่อไปเป็นเวลา 10 วินาที
เพื่อที่จะลดความกว้างของรถ กระจกมองข้างสามารถพับเข้ามายังกระจกประตู โดยสามารถพับกระจกมองข้างได้ตั้งแต่เทอร์มินอล R ON เป็นต้นไป การพับกระจกมองข้างเข้าสามารถสั่งงานได้โดยการกดปุ่มสำหรับพับกระจกมองข้างที่อยู่ในประตูคนขับ หลังจากที่กระจกมองข้างพับเข้าหรือกางออก การกดปุ่มอีกครั้งจะเป็นการพับหรือกางกระจกมองข้างในทิศทางตรงข้ามอีกครั้ง ทั้งนี้ จะมีระบบป้องกันการทำงานซ้ำรวมอยู่เพื่อช่วยป้องกันไม่ให้มีการพับเข้าหรือกางออกบ่อยครั้งจนเกินไป
ฟังก์ชั่นการจอดรถอัตโนมัติจะมาพร้อมกับอุปกรณ์เสริม ”หน่วยความจำกระจกมองข้างด้านคนขับ” เท่านั้น เพื่อให้สามารถมองเห็นขอบถนนในขณะถอยรถได้ดียิ่งขึ้น กระจกของกระจกมองข้างที่ด้านผู้โดยสารด้านหน้าจะปรับลงด้านล่าง ฟังก์ชั่นนี้จะสามารถทำงานได้เฉพาะภายใต้เงื่อนไขดังต่อไปนี้ :
จะมีการตรวจจับการติดขัดในมอเตอร์เพื่อป้องกันไม่ให้ตัวขับเกิดการโอเวอร์โหลด ถ้าตัวขับเกิดการติดขัด กระแสไฟในมอเตอร์จะเพิ่มขึ้น ชุดควบคุมแต่ละชุดจะเปรียบเทียบกระแสไฟขณะที่ตัวขับติดขัดกับกระแสไฟเริ่มต้นในโหมดการทำงานปกติ ดังนั้น สิ่งกีดขวางจึงถูกตรวจพบจากความแตกต่างของกระแสไฟ และจึงทำให้มอเตอร์หยุดการทำงาน
อาจเกิดความผิดพลาดเนื่องจากการพิมพ์หรือความผิดพลาดอื่นๆ ได้ ข้อมูลทางเทคนิคอาจเปลี่ยนแปลงได้โดยไม่ต้องแจ้งให้ทราบล่วงหน้า