ระบบช่วยปรับไฟสูง (FLA) ใน E70 จะช่วยคนขับด้วยการทำงานของไฟสูง โดยจะเปิดและปิดไฟสูงโดยอัตโนมัติตามสภาพการจราจร ระบบช่วยปรับไฟสูงจะตรวจจับรถยนต์ที่แล่นสวนทางมาและรถที่แล่นอยู่ด้านหน้า รวมทั้งตรวจจับปริมาณแสงสว่างโดยรอบอย่างต่อเนื่องด้วย
อุปกรณ์ต่างๆ สำหรับระบบช่วยปรับไฟสูงได้อธิบายไว้ ดังนี้ :
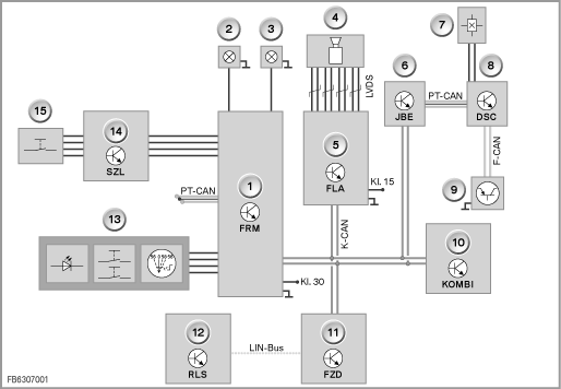
จะสามารถสั่งให้ระบบช่วยปรับไฟสูงทำงานได้ก็ต่อเมื่อสวิตช์ไฟอยู่ในตำแหน่ง ”A” เท่านั้น ตำแหน่งสวิตช์ ”A” ย่อมาจาก Automatic driving light control หรือระบบควบคุมไฟขณะขับขี่อัตโนมัติ
สามารถสั่งงานและยกเลิกการทำงานของระบบช่วยปรับไฟสูงได้โดยใช้สวิตช์สัญญาณไฟเลี้ยว/ไฟสูงใน SZL ซึ่ง SZL นี้ทำหน้าที่รับและประเมินสัญญาณสวิตช์จากสวิตช์สัญญาณไฟเลี้ยว/ไฟสูง จากนั้น SZL จะส่งสัญญาณสวิตช์จากสวิตช์สัญญาณไฟเลี้ยว/ไฟสูงไปยังโมดูลช่องวางเท้า (FRM) โดยตรง
RLSS ทำหน้าที่วัดความสว่างโดยรอบ ตั้งแต่ช่วงพลบค่ำเป็นต้นไป โมดูลช่องวางเท้า (FRM) จะเปิดไฟต่ำ ส่วนระบบช่วยปรับไฟสูง (FLA) จะทำงานได้ก็ต่อเมื่อเปิดไฟต่ำไว้เท่านั้น ทั้งนี้ สวิตช์ไฟต้องอยู่ในตำแหน่ง ”A” RLSS จะส่งข้อมูลของตัวเองไปยังชุดไฟแสดงที่หลังคา (FZD) ผ่านทาง LIN บัส
FZD จะประมวลข้อมูลจาก RLSS จากนั้นจะส่งสัญญาณเกี่ยวกับเงื่อนไขการเริ่มทำงานของ RLSS ไปยังโมดูลช่องวางเท้า (FRM) ผ่านทาง K-CAN
แผงหน้าปัดมีการแสดงผลดังต่อไปนี้ :
เซ็นเซอร์ภาพเป็นกล้องแบบพิเศษที่ใช้สำหรับตรวจจับแสงสว่าง เซ็นเซอร์ภาพจะส่งภาพต่างๆ ไปยังระบบช่วยปรับไฟสูง (FLA) ซึ่งภาพจะถูกส่งผ่านสายส่งข้อมูลแบบ LVDS (LVDS : Low Voltage Differential Signalling - สัญญาณความแตกต่างของแรงดันไฟฟ้าต่ำ) FLA จะประเมินภาพเหล่านี้ จากนั้น FLA จะส่งคำแนะนำให้เปิดหรือปิดไฟสูงไปยังโมดูลช่องวางเท้า (FRM) ผ่านทาง K-CAN คำแนะนำให้เปิดหรือปิดไฟสูงจะขึ้นอยู่กับสภาพการจราจร, แสงสว่างภายนอก และความเร็วรถ
ชุดควบคุม DSC คำนวณความเร็วรถโดยใช้สัญญาณจากเซ็นเซอร์ความเร็วล้อ DSC จะใช้สัญญาณจากเซ็นเซอร์ DSC ในการคำนวณอัตราการส่าย และระบบช่วยปรับไฟสูงจะใช้ข้อมูลเกี่ยวกับอัตราการส่ายเพื่อปรับการประเมินผลเมื่อรถเข้าโค้ง DSC จะส่งผลการคำนวณความเร็วในการขับขี่และอัตราการส่ายไปยังชุดอิเล็กทรอนิกส์กล่องต่อไฟ (JBE) ผ่านทาง PT-CAN
FRM จะรับตัวแปรอินพุตสำหรับไฟสูงหลายอย่าง
FRM จะประมวลตัวแปรอินพุตต่อไปนี้ :
FRM จะตัดสินว่าควรจะเปิดหรือปิดไฟสูงโดยพิจารณาจากตัวแปรอินพุต และ FRM จะสั่งให้ไฟสูงทำงาน รวมทั้งสั่งงานไฟแสดงในแผงหน้าปัดด้วยเช่นกัน สัญลักษณ์เช็ค-คอนโทรลจะปรากฏขึ้นถ้าระบบช่วยปรับไฟสูงไม่ทำงาน FRM จะต่อเข้ากับ K-CAN
JBE จะรับการคำนวณจาก DSC ผ่านทาง PT-CAN จากนั้น JBE จะส่งข้อมูลของตัวเองไปยัง FRM ผ่านทาง K-CAN

ภาพกราฟฟิกแสดงกระจกมองหลังภายในรถใน E70
ดัชนี |
คำอธิบาย |
ดัชนี |
คำอธิบาย |
|---|---|---|---|
1 |
โซลาร์เซ็นเซอร์วัดปริมาณน้ำฝน/แสงสว่าง (RLSS) |
2 |
ชุดควบคุม FLA ในกระจกมองหลังภายในรถ |
3 |
ปุ่มสำหรับรีโมทคอนโทรลยูนิเวอร์ซัลแบบรวม |
4 |
ไฟ LED สำหรับระบบสัญญาณกันขโมย |
5 |
เซ็นเซอร์ภาพ |
6 |
ฝาปิด |

แผนผังวงจร E70
ดัชนี |
คำอธิบาย |
ดัชนี |
คำอธิบาย |
|---|---|---|---|
1 |
โมดูลช่องวางเท้า (FRM) |
2 |
ไฟสูง, ด้านซ้าย |
3 |
ไฟสูง, ด้านขวา |
4 |
เซ็นเซอร์ภาพ |
5 |
ระบบช่วยปรับไฟสูง (FLA) |
6 |
ชุดอิเล็กทรอนิกส์สำหรับกล่องต่อไฟ (JBE) |
7 |
เซ็นเซอร์ความเร็วล้อ |
8 |
DSC (ระบบควบคุมเสถียรภาพ) |
9 |
เซ็นเซอร์ DSC |
10 |
แผงหน้าปัด |
11 |
แผงควบคุมที่หลังคา |
12 |
โซลาร์เซ็นเซอร์วัดปริมาณน้ำฝน/แสงสว่าง (RLSS) |
13 |
สวิตช์ไฟ |
14 |
สวิตช์คอพวงมาลัย (SZL) |
15 |
สวิตช์สัญญาณไฟเลี้ยว / ไฟสูง |
|
|
ระบบช่วยปรับไฟสูงจะส่งคำแนะนำให้เปิดหรือคำแนะนำให้ปิดไฟสูงไปยัง FRM ตามสภาพการจราจร FRM จะตัดสินว่าควรจะเปิดหรือปิดไฟสูงโดยพิจารณาจากตัวแปรอินพุต
ระบบช่วยปรับไฟสูงมีการทำงานของระบบ ดังนี้ :

ระยะจับภาพของเซ็นเซอร์ภาพ
ดัชนี |
คำอธิบาย |
ดัชนี |
คำอธิบาย |
|---|---|---|---|
1 |
กรวยแสงของไฟหน้า |
2 |
ไฟท้ายของรถยนต์ที่กำลังเคลื่อนที่อยู่ด้านหน้า |
3 |
ระยะจับภาพไปทางด้านหน้าของเซ็นเซอร์ภาพ |
4 |
ไฟหน้าของรถยนต์ที่แล่นสวนทางมา |
กรวยแสงของไฟสูงมีระยะประมาณ 400 ม. เซ็นเซอร์ภาพสามารถตรวจจับแสงสว่างได้ภายในระยะประมาณ 1000 ม. กรวยแสงของไฟสูงทำให้มั่นใจได้ว่าเซ็นเซอร์ภาพจะตรวจพบว่ามีรถยนต์แล่นสวนทางมาได้ก่อนที่ไฟจะส่องเข้าตาคนขับ เมื่อเซ็นเซอร์ภาพตรวจพบว่ามีรถสวนทางมา ชุดควบคุม FLA จะส่งคำแนะนำให้ปิดไฟสูงไปยัง FRM และ FRM จะทำการปิดไฟสูง
เมื่อเซ็นเซอร์ภาพตรวจพบว่ามีรถแล่นอยู่ข้างหน้า ชุดควบคุม FLA จะส่งคำแนะนำให้ปิดไฟสูงไปยัง FRM และ FRM จะทำการปิดไฟสูง
เมื่อเซ็นเซอร์ภาพตรวจพบว่ามีแสงสว่างภายนอกเพียงพอ ชุดควบคุม FLA จะส่งคำแนะนำให้ปิดไฟสูงไปยัง FRM และ FRM จะทำการปิดไฟสูง แสงสว่างภายนอกที่เพียงพอหมายถึง :
ถ้าไม่มีสาเหตุให้ต้องใช้ไฟต่ำ FRM จะทำการเปิดไฟสูง ไฟสูงจะกลับมาทำงานอีกครั้ง
ไฟแสดงระบบช่วยปรับไฟสูงในแผงหน้าปัดจะติดสว่างขึ้นทันทีที่มีการสั่งงานระบบช่วยปรับไฟสูง (FLA) และทันทีที่เปิดไฟสูง ไฟแสดงไฟสูงก็จะติดสว่างขึ้น (สีน้ำเงิน) ในลักษณะปกติเช่นกัน ถ้า FLA ตรวจพบว่าระบบผิดปกติ จะมีสัญลักษณ์เช็ค-คอนโทรลปรากฏขึ้น (สีเหลือง)
ระบบช่วยปรับไฟสูง (FLA) อาจมีขีดจำกัดการทำงานได้ภายใต้กรณีต่อไปนี้ :
เพื่อให้แน่ใจว่าระบบช่วยปรับไฟสูงจะทำงานได้อย่างสมบูรณ์ จะต้องมีการปรับแนวเซ็นเซอร์ภาพให้ขนานกับแกนกลาง เมื่อขับขี่ในตอนกลางคืน ระบบช่วยปรับไฟสูงจะสามารถแก้ไขแนวการปรับไปทางซ้ายได้ถึง 3° และไปทางขวาได้ถึง 3° ได้โดยอัตโนมัติ การปรับเปลี่ยนดังกล่าวจะช่วยชดเชยความเบี่ยงเบนเล็กน้อยจากแนวแกนกลาง เงื่อนไขในการขับขี่ของการปรับทิศทางอัตโนมัติของระบบช่วยปรับไฟสูง มีดังนี้ :
อาจเกิดความผิดพลาดเนื่องจากการพิมพ์หรือความผิดพลาดอื่นๆ ได้ ข้อมูลทางเทคนิคอาจเปลี่ยนแปลงได้โดยไม่ต้องแจ้งให้ทราบล่วงหน้า