จะสามารถใช้งานไฟส่องสว่างขณะเลี้ยวร่วมกับอุปกรณ์เสริมไฟหน้าแบบปรับอัตโนมัติเท่านั้น ไฟส่องสว่างขณะเลี้ยวจะช่วยเสริมการทำงานของไฟหน้าแบบปรับอัตโนมัติในการส่องสว่างบริเวณด้านหน้าและด้านข้างของรถยนต์
ไฟส่องสว่างขณะเลี้ยวประกอบด้วยอุปกรณ์ต่อไปนี้ :
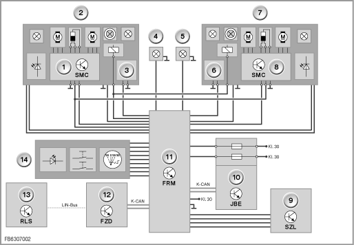
จะสามารถสั่งงานไฟส่องสว่างขณะเลี้ยวได้ก็ต่อเมื่อสวิตช์ไฟอยู่ที่ตำแหน่ง ”A” เท่านั้น สำหรับชุดควบคุมไฟขณะขับขี่อัตโนมัติ สวิตช์ไฟจะมีไฟแสดงเป็นสีเขียว ถ้าตรวจพบความผิดปกติของระบบ ไฟแสดงจะกะพริบ สวิตช์ไฟจะเชื่อมต่อตรงเข้ากับโมดูลช่องวางเท้า (FRM)
ไฟส่องสว่างขณะเลี้ยวจำเป็นต้องมีไฟตัดหมอกแบบพิเศษ ซึ่งไฟตัดหมอกดังกล่าวจะมีตัวสะท้อนแสงของไฟส่องสว่างขณะเลี้ยว ทันทีที่เปิดไฟตัดหมอก แสงของหลอดไฟตัดหมอกจะส่องไปยังตัวสะท้อนแสงของไฟส่องสว่างขณะเลี้ยว ตัวสะท้อนแสงนี้จะมีรูปร่างพิเศษซึ่งจะทำหน้าที่สะท้อนแสงไฟที่อยู่ในพื้นที่ที่จะทำการเลี้ยว จะสามารถระบุไฟตัดหมอกที่มีฟังก์ชั่นไฟส่องสว่างขณะเลี้ยวในตัวสะท้อนแสงที่ครอบด้วยโครเมี่ยมทั้งชุดจากภายนอกได้
RLSS จะติดตั้งอยู่ที่กระจกหน้าในฐานของกระจกมองหลังภายในรถ RLSS จะตรวจจับแสงเวลาพลบค่ำหรือความมืด เมื่อตรวจพบว่าไม่มีแสงสว่างอยู่ในค่าที่กำหนดไว้ RLSS จะส่งข้อความไปยังชุดไฟแสดงที่หลังคา (FZD) RLSS จะต่อเข้ากับ FZD ผ่าน LIN บัส FZD จะส่งข้อความมีแสงสว่างไม่เพียงพอไปยังโมดูลช่องวางเท้า (FRM) ผ่านทาง K-CAN
ใน SZL จะมีสวิตช์ไฟสูงในสัญญาณไฟเลี้ยวที่ทำหน้าที่ส่งสัญญาณของตัวเองไปยัง SZL และ SZL จะส่งสัญญาณที่ได้รับต่อไปยังโมดูลช่องวางเท้า (FRM)
ไฟส่องสว่างขณะเลี้ยวจะถูกควบคุมโดย FRM นอกจากนี้ FRM จะทำหน้าที่ควบคุมไฟแสดงในสวิตช์ไฟด้วย FRM จะรับเงื่อนไขทั้งหมดที่จำเป็นสำหรับการเปิดไฟโดยตรงหรือรับโดยผ่านทาง K-CAN FRM จะติดตั้งอยู่ที่ด้านข้างของช่องวางเท้าที่ด้านคนขับใต้แผงหน้าปัด
JBE มีหน้าที่สำหรับแหล่งจ่ายไฟ JBE จะต่อเข้ากับ FRM ผ่านทาง K-CAN JBE จะติดตั้งอยู่ในช่องวางเท้าด้านผู้โดยสารใต้แผงหน้าปัด

โครงสร้างของไฟตัดหมอกสำหรับ E70
ดัชนี |
คำอธิบาย |
ดัชนี |
คำอธิบาย |
|---|---|---|---|
1 |
ตัวสะท้อนแสงของไฟส่องสว่างขณะเลี้ยว |
2 |
ตัวสะท้อนแสงไฟตัดหมอก |
3 |
หลอดไฟตัดหมอก |
|
|

แผนผังวงจร E70
ดัชนี |
คำอธิบาย |
ดัชนี |
คำอธิบาย |
|---|---|---|---|
1 |
ตัวควบคุมสเต็ปมอเตอร์ (SMC), ด้านซ้าย |
2 |
ไฟหน้า, ด้านซ้าย |
3 |
ชุดควบคุมไฟหน้าซีนอน, ด้านซ้าย |
4 |
ไฟตัดหมอกด้านหน้าซ้าย |
5 |
ไฟตัดหมอกด้านหน้าขวา |
6 |
ชุดควบคุมไฟหน้าซีนอน, ด้านขวา |
7 |
ไฟหน้า, ด้านขวา |
8 |
ตัวควบคุมสเต็ปมอเตอร์ (SMC), ด้านขวา |
9 |
สวิตช์คอพวงมาลัย (SZL) |
10 |
ชุดอิเล็กทรอนิกส์สำหรับกล่องต่อไฟ (JBE) |
11 |
โมดูลช่องวางเท้า (FRM) |
12 |
แผงควบคุมที่หลังคา |
13 |
โซลาร์เซ็นเซอร์วัดปริมาณน้ำฝน/แสงสว่าง (RLSS) |
14 |
สวิตช์ไฟ |
ไฟส่องสว่างขณะเลี้ยวจะไม่ติดสว่างขึ้นหรือดับลงในทันที ไฟส่องสว่างขณะเลี้ยวจะติดสว่างขึ้นหรือดับลงซึ่งจะค่อยๆ หรี่แสงลงตามค่าพารามิเตอร์เวลาแบบพิเศษ ไฟส่องสว่างขณะเลี้ยวจะติดสว่างขึ้นและดับลงขณะเข้าโค้ง ทั้งนี้ขึ้นอยู่กับแต่ละประเทศ
ฟังก์ชั่นระบบต่างๆ ของไฟส่องสว่างขณะเลี้ยวมีดังนี้ :
ถ้ารถจอดอยู่กับที่ ไฟส่องสว่างขณะเลี้ยวจะหยุดทำงานโดยอัตโนมัติหลังจากผ่านไปเป็นระยะเวลาหนึ่ง เช่น ขณะที่รถจอดรอสัญญาณไฟจราจร อย่างไรก็ตาม จะสามารถเปิดไฟส่องสว่างขณะเลี้ยวได้อีกครั้งโดยใช้สวิตช์ไฟสูง/สัญญาณไฟเลี้ยว
จะสามารถเปิดไฟส่องสว่างขณะเลี้ยวด้านข้างได้เมื่อเป็นไปตามเงื่อนไขต่อไปนี้ :
การขับรถไปข้างหน้า
การถอยหลัง
เฉพาะรุ่น US เท่านั้น :
ถ้าตรวจพบความผิดปกติในไฟส่องสว่างขณะเลี้ยว ข้อความเช็ค-คอนโทรลข้อความเดิมที่ที่ใช้กับไฟตัดหมอกจะแสดงขึ้น
อาจเกิดความผิดพลาดเนื่องจากการพิมพ์หรือความผิดพลาดอื่นๆ ได้ ข้อมูลทางเทคนิคอาจเปลี่ยนแปลงได้โดยไม่ต้องแจ้งให้ทราบล่วงหน้า