Central Head Unit and Multimedia Platform (CHAMP) araçta bir Multimedia platformudur. CHAMP standart donanım (Radio Business veya SA 663: BMW Professional radyo).
EURO-modelinde Çoklu Audio sistem kontrolörünün (M-ASK) takip jenerasyonu yerleştirilir.
CHAMP, M-ASK'a karşılık hiçbir navigasyon sisteminde kullanılmaz.
Aşağıdaki kapsamlar CHAMP için yeni:
CHAMP için aşağıdaki parçalar tanımlanır:
CHAMP, MOST-Bus ve K-CAN için gateway'dir (Headunit).

İndeks |
Açıklama |
İndeks |
Açıklama |
|---|---|---|---|
1 |
6 Favori tuşları |
2 |
FM işletimi ve AM işletimi için tuş (US modelinde sabit) |
3 |
MODE tuşu |
4 |
Central Head Unit and Multimedia Platform (CHAMP) |
Birçok kontrol ünitesi ve sürücü bir muhafaza içine entegre edilmiştir. CHAMP modüler olarak kurulmuştur: CHAMP içinde fonksiyon alanları ”sanal” kontrol üniteleri olarak bir araya getirilmiştir. ”sanalın anlamı: Münferit kontrol üniteleri CHAMP içinde bir araya getirilmiş olsa bile, bunlar ”ayrı” kontrol üniteleriymiş gibi çalışırlar (örneğin programlamada).
Aşağıdaki ”sanal” kontrol üniteleri diyagnoz için ayırt edilir:
Audio son kademelerin ve işlemcilerin soğutulması için bir elektro fan Radyo-DIN-muhafazasının arka yüzünde bulunur.
Favori tuşları programlanabilir tuşlardır.
Favori tuşları hızlı erişim için aşağıdaki fonksiyonların kaydını sağlar (özel donanıma bağlı olarak):

İndeks |
Açıklama |
İndeks |
Açıklama |
|---|---|---|---|
1 |
CD- sürücüsü |
2 |
Favori tuşları |
Favori tuşlarında dokunmaya tepki veren kapasitif sezici mevcuttur.
Tüm favori tuşlarının yerleşimi ”Ayarlar” -> ”Araç” menüsünde silinebilir. Favori tuşlarının yerleşimi ayrıntılı bir şekilde kullanım kılavuzunda mevcuttur.
CID, merkezi grafiksel gösterge ünitesidir. Renkli ekranın büyüklüğü 6,5”.

İndeks |
Açıklama |
İndeks |
Açıklama |
|---|---|---|---|
A |
Ön taraf |
B |
Arka bölüm |
1 |
Merkezi bilgi ekranı (CID) |
2 |
LVDS veri hattı için soket bağlantısı |
3 |
CAN-Bus ve besleme için soket bağlantısı |
|
|
Merkezi bilgi ekranı, bir LVDS veri hattı ile (Low Voltage Differential Signaling) CHAMP'a bağlanmıştır. LVDS veri hattı, grafik verilerinin güvenli olarak uzun bir mesafe üzerinden aktarıldığı tekniktir. LVDS-veri hattı için özel soket bağlantısı geliştirilmiştir.
CID, K-CAN'a da bağlanmıştır.
CID, LC ekranın aydınlık kumandası için bir foto transistör içerir (ortam aydınlığına bağlı olarak). LC ekranı ısıtılıyor.
Kontrolör menüler ve alt menülerin seçimi için sinyalleri verir. Alt menüler kontrolör döndürülerek ve/veya itilerek seçilir. Controller, bırakıldıktan sonra her zaman tekrar kendi başlangıç pozisyonuna geri döner.

İndeks |
Açıklama |
İndeks |
Açıklama |
|---|---|---|---|
1 |
Kontrolör |
2 |
MENU-tuşu |
3 |
Push-toTalk- tuşu |
4 |
Controller'da soket bağlantısı |
Control devresinin arkasında menü tuşu ve bas ve konuş tuşu bulunur. MENU tuşu ile merkezi bilgi ekranında başlangıç menüsünün çağrılabilir. Bas ve konuş tuşu ile sesli giriş başlatılabilir.
Controller K-CAN'a bağlanmıştır. Terminal 58g'yi Controller, K-CAN vasıtasıyla alır.
CHAMP için aşağıdaki sistem fonksiyonları tanımlanır:

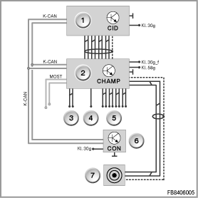
İndeks |
Açıklama |
İndeks |
Açıklama |
|---|---|---|---|
1 |
Merkezi bilgi ekranı (CID) |
2 |
Central Head Unit and Multimedia Platform (CHAMP) |
3 |
Anten değiştiricisi |
4 |
Anten değiştiricisi |
5 |
Hoparlörlere |
6 |
Kontrolör (CON) |
7 |
AUX-In bağlantısı |
|
|
K-CAN |
Gövde-CAN |
Kl. 30g |
Terminal 30 devrede |
Kl. 30g_f |
Terminal 30 hata durumunda MOST'ta devreye girer |
Kl. 58g |
Arama aydınlatması |
MOST |
Kayıt ortamlı sistem transportu (fiber optik kablo) |
|
|
CHAMP, AM/FM için çiftli alıcıya sahiptir. Alıcı 1 istenilen radyo istasyonunu çekerken, alıcı 2 arka planda çalışır. Alıcı 2, ilave sinyallere göre yayın alanını arar. Bir radyo vericisi başka bir frekansta daha güçlü bir sinyal gönderirse, otomatik olarak bu alternatif frekansa geçilir. Her iki alıcı, FM alıcısı ile yayınlanan verici sinyali ile radyo veri sisteminden (RDS) bilgi alır. Eğer bir AM istasyonu ayarlandıysa, FM istasyonundan RDS trafik duyuruları alınabilir. Eğer bir trafik duyurusu alınırsa, AM istasyonu kapatılır ve mesaj hoparlörlerden verilir.
CHAMP, audio sistemi kontrolörü olarak aşağıdaki görevlere sahiptir:
Kontrol ünitesi CHAMP-kumanda elemanı (CHAMP-BO) controller'ın sinyallerini işler: örn. menü ve alt menü seçimi. Buna ek olarak CHAMP-BO merkezi bilgi ekranı (CID) üzerinde göstergelerin gösterilmesini de kumanda eder. İşlemci içinde grafik için bulunan veriler hemen dijital sinyal Low Voltage Differential Signaling (LVDS) olarak CID'e aktarılır.
CHAMP-gateway kontrol ünitesi MOST-Bus ve K-CAN arasında veri alışverişi için arabirimi oluşturur. Her iki Bus sistemi farklı veri aktarım oranları ve şekillerinde veri formatı aktarırlar. Tüm sistemler ile iletişim kurabilmek için, CHAMP-Gateway'de veriler ilgili Bus için uygun şekilde yapılandırılırlar.
CHAMP geriye alma
CHAMP aşağıdaki önlemler ile geri alınabilir:
CHAMP'ta geriye almak için tuş veya tuş kombinasyonu yoktur.
Uyarı! CHAMP değişimi sadece komple.
CHAMP, serviste komple ünite olarak değiştirilir.
CHAMP için kontrol ünitesi fonksiyonunda yüksek sayıda kontroller kullanıma sunulur.
Örnek: CD sürücüsünde mevcut CD, kontrol ünitesi fonksiyonları ile dışarı çıkarılabilir.
CHAMP ile kullanıma sunulan favori tuşları (programlanabilir tuşlar) kontrol ünitesi fonksiyonu ile diyagnoz edilebilir.
Avrupa modeli:
CHAMP yerine Çoklu Audio sistem kontrolörü (M-ASK) BMW Professional radyo olarak çalıştırılabilir.
M-ASK, 8 favori tuşundan tanınabilir.

İndeks |
Açıklama |
İndeks |
Açıklama |
|---|---|---|---|
1 |
Multi Audio Sistem Kontrolörü |
2 |
8 yerleştirilebilir favori tuşları |
Yazım hatası, yanlışlıklar ve teknik değişiklikler saklıdır.