Koltuk ısıtması E70'de özel donanım olarak sunuluyor. Koltuk ısıtması elektrikli olarak çalıştırılır. Koltuk ısıtması, koltuğun konforlu şekilde ısıtılmasını sağlar. Koltuk ısıtması iki donanım özelliğinde (düşük ve yüksek) sunulur.
Koltuk ısıtması için aşağıdaki yapı elemanları açıklanmıştır:
Koltuk ısıtması IHKA'daki dış tuşlar üzerinden devreye alınır. IHKA, ilgili tuş sinyalini düzenler. Seçilen her sıcaklık kademesi için tuşta bir kontrol lambası yanar. IHKA, K-CAN üzerinden irtibat kutusu elektroniğine (JBE) bir mesaj gönderir.
JBE, koltuk ısıtmasının elektrikli beslemesini üstlenir. Sürücü koltuğunun ısıtma elemanları sürücü koltuk modülü (SMFA) üzerinden kumanda edilir. Donanım özelliği ”Düşük”te JBE, yolcu tarafındaki ısıtma elemanlarının kumandasını üstlenir. JBE, seçilen sıcaklık kademesine göre, yolcu tarafındaki ısıtma elemanlarının çalıştırıldığı bir pals genişlik modülasyonlu sinyali oluşturur. Donanım özelliği ”Yüksek”te yolcu koltuk modülü (SMBF) ısıtma elemanlarının kumandasını üstlenir.
Koltuk ısıtması birden çok ısıtma elemanından oluşur. Isıtma elemanı, esnek elektrikli kablolardan oluşur. Isıtma elemanları, sürücü ve ön yolcu koltuğu ve arkalık kılıflarına monte edilmiştir. Isıtma elemanı, oturma bölgesinin koltuk kılıfını ve arkalığı kaplar.

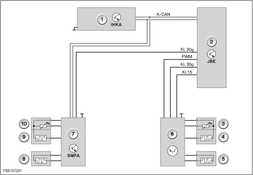
Blok devre planı E70, donanım özelliği ”Low” (düşük)
İndeks |
Açıklama |
İndeks |
Açıklama |
|---|---|---|---|
1 |
Tam otomatik iklimlendirme sistemi (IHKA) |
2 |
İrtibat kutusu elektroniği (JBE) |
3 |
Ön yolcu tarafı ısıtma elemanı sıcaklık sezicisi |
4 |
Ön yolcu tarafı koltuğu ısıtma elemanı |
5 |
Ön yolcu tarafı koltuk arkalığı ısıtma elemanı |
6 |
Ön yolcu tarafı koltuk ısıtma modülü |
7 |
Sürücü koltuk modülü (SMFA) |
8 |
Sürücü tarafı koltuk arkalığı ısıtma elemanı |
9 |
Sürücü tarafı koltuk ısıtma elemanı |
10 |
Sürücü tarafı ısıtma elemanı sıcaklık sezicisi |

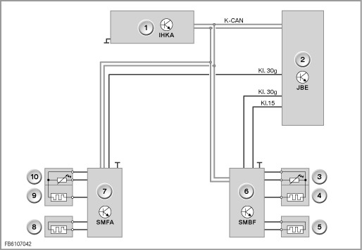
Blok devre planı E70, donanım özelliği ”High” (yüksek)
İndeks |
Açıklama |
İndeks |
Açıklama |
|---|---|---|---|
1 |
Tam otomatik iklimlendirme sistemi (IHKA) |
2 |
İrtibat kutusu elektroniği (JBE) |
3 |
Ön yolcu tarafı ısıtma elemanı sıcaklık sezicisi |
4 |
Ön yolcu tarafı koltuğu ısıtma elemanı |
5 |
Ön yolcu tarafı koltuk arkalığı ısıtma elemanı |
6 |
Ön yolcu koltuk modülü (SMBF) |
7 |
Sürücü koltuk modülü (SMFA) |
8 |
Sürücü tarafı koltuk arkalığı ısıtma elemanı |
9 |
Sürücü tarafı koltuk ısıtma elemanı |
10 |
Sürücü tarafı ısıtma elemanı sıcaklık sezicisi |
Koltuk ısıtması için aşağıdaki sistem fonksiyonları açıklanmıştır:
IHKA'daki ilgili tuşa basılarak ilgili koltuk ısıtması devreye alınır. Tuşa tekrar basılması ile koltuk ısıtmasının ısıtma gücü değişir. Ayarlanan sıcaklık kademesi ilgili tuştaki kontrol lambaları ile gösterilir.
Koltuk ısıtması bir sıcaklık sezicisi (NTC ısıl direnci) tarafından denetlenir. Sıcaklık sezicisi, koltuk ısıtmasının ısıtma elemanındadır. Sıcaklık sezicisi, sıcaklık denetimini ve aşırı ısınmaya karşı koruma görevini üstlenir.
Hiçbir kontrol lambası yanmayıncaya kadar ilgili tuşun üzerine basılması ile koltuk ısıtması devreden çıkar. Koltuk ısıtması, ilgili tuşun uzun süreli basılı tutulması ile kapatılabilir.
Yazım hatası, yanlışlıklar ve teknik değişiklikler saklıdır.