Elektrikli cam krikosu regülatörü fonksiyonu birçok kontrol ünitesi tarafından gerçekleştirilir. Ayak bölümü modülü ön cam krikosunu kumanda eder. Arka cam krikoları eğer takılıysa, irtibat kutusu elektroniği tarafından kumanda edilir.

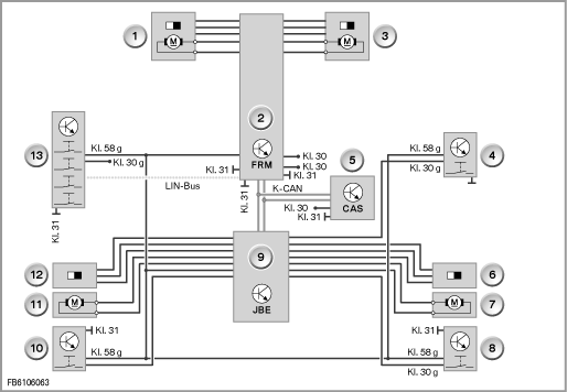
Grafik E70'i gösteriyor
İndeks |
Tanımlama |
İndeks |
Tanımlama |
1 |
Sürücü tarafı ön cam krikosu motoru |
2 |
Ayak bölümü modülü (FRM) |
3 |
Ön yolcu tarafı cam krikosu motoru |
4 |
Ön yolcu tarafı cam krikosu şalteri |
5 |
Car Access System (CAS) |
6 |
Ön yolcu tarafı arka cam krikosu hall sezicisi |
7 |
Arka yolcu tarafı cam krikosu motoru |
8 |
Ön yolcu tarafı arka cam krikosu şalteri |
9 |
İrtibat kutusu elektroniği (JBE) olan irtibat kutusu |
10 |
Sürücü tarafı arka cam krikosu şalteri |
11 |
Sürücü tarafı arka cam krikosu motoru |
12 |
Sürücü tarafı arka cam krikosu hall sezicisi |
13 |
Sürücü kapısı şalter bloğu |
|
|
Katılımcı kontrol üniteleri araçtaki bilgi busları üzerinden iletişime geçerler. Kontrol üniteleri irtibat kutusu ile gerilimle beslenir.
Yazım hatası, yanlışlıklar ve teknik değişiklikler saklıdır.