Elektrikli bagaj kapağı kaldırıcısı E70'te 10/07'den itibaren kullanıma sunulacaktır. İlke defa bir mil tahrikli sistem kullanılacaktır.
Üst bagaj kapağı tuşa basarak otomatik olarak kapatılabilir veya açılabilir. Alt bagaj kapağı manüel olarak açılabilir.
Bagaj kapağı açılma açısı merkezi bilgi ekranındaki bir menü sayesinde controler üzerinden beş farklı düzeyde belirlenebilir. Bagaj kapağı bu durumda yalnızca ayarlanan açı kadar açılır.
Bagaj kapağı kaldırıcı için aşağıdaki yapı elemanları tanımlanır:
Tahrik milleri, bagaj kapağının sağına ve soluna, gaz basınçlı yayların yerine monte edilir. Tahrik mili aşağıdaki parçalardan oluşur:

İndeks |
Açıklama |
İndeks |
Açıklama |
|---|---|---|---|
1 |
Yay paketi |
2 |
Mil |
3 |
Dişli kutusu düzeyi |
4 |
Tahrik mili motoru |
5 |
Hall sezicileri |
|
|

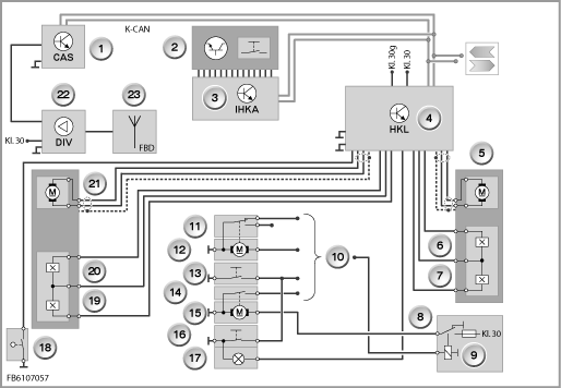
İndeks |
Açıklama |
İndeks |
Açıklama |
|---|---|---|---|
1 |
Araç Erişim Sistemi (CAS) |
2 |
Orta konsol kumanda merkezinde bagaj kapağı tuşu. |
3 |
Tam otomatik iklimlendirme sistemi (IHKA) |
4 |
Bagaj kapağı kaldırıcısı (HKL) |
5 |
Sağ tahrik mili motoru |
6 |
Sağ Hall sezicisi |
7 |
Sağ Hall sezicisi |
8 |
Arka akım dağıtıcı |
9 |
Yumuşak kapama otomatiği (SCA) rölesi |
10 |
İrtibat kutusu kumanda ünitesi bağlantıları |
11 |
Bagaj kapağı kontak şalteri |
12 |
Üst bagaj kapağı kilit motoru |
13 |
Bagaj kapağı dış bagaj kapağı tuşu |
14 |
Yumuşak kapama otomatiği kontak tahriği |
15 |
Bagaj kapağı yumuşak kapama otomatiği motoru |
16 |
Bagaj kapağı iç bagaj kapağı tuşu |
17 |
Bagaj kapağı iç bagaj kapağı tuşu aydınlatması |
18 |
Alt bagaj kapağı mikro şalteri |
19 |
Sol Hall sezicisi |
20 |
Sol Hall sezicisi |
21 |
Sol tahrik mili motoru |
22 |
Uzaktan kumanda alıcısı |
23 |
Sol Hall sezicisi |
|
|

İndeks |
Açıklama |
İndeks |
Açıklama |
|---|---|---|---|
1 |
Bagaj kapağı kaldırıcısı kumanda ünitesi |
|
|
Bagaj kapağı kaldırıcısı, bagaj içindeki cihaz taşıyıcısının sağına monte edilir. HKL otomatik bagaj kapağı tetiklenmesi fonksiyonunu kumanda eder ve denetler.
Kumanda mantık devresi 30g terminaline bağlanır. Tahrik milleri yük akımı için HKL ek olarak 30 terminaline de bağlanır.
Bagaj kapağı kaldırıcısı 9 V ile 16 V aralığında çalışır. Bu alanın dışında fonksiyonlar düzgün biçimde çalışmaz.
Araç Erişim Sistemi (CAS) uzaktan kumandanın veya tanım vericinin sinyalini alır ve bu sinyali kontrol eder. Kontrol (kimlik doğrulama) başarılı olursa CAS bagaj kapağı kilidinin açılmasına onay verir.
İrtibat kutusu elektroniği bagaj kapağı kilidinin açılmasını yürütür. İrtibat kutusu elektroniği ön akım dağıtıcı kutusunun içindedir.
Bagaj kapağı tuşu şasiye karşı devreye sokulur. Bagaj kapağı tuşunun sinyali irtibat kutusu elektroniği tarafından girilir. İrtibat kutusu elektroniği K-CAN üzerinden bagaj kapağı düğmesinin durumunu HKL'ye sinyalle bildirir.
İç bagaj kapağı tuşu, dış bagaj kapağı tuşuna paralel olarak irtibat kutusu elektroniğine bağlanır. Bu yüzden irtibat kutusu elektroniği bu iki bagaj kapağı tuşunu birbirinden ayıramaz.
Uzaktan kumandanın radyo sinyali arka cam anteni tarafından alınır. Diversity modülündeki uzaktan kumanda alıcısı sinyali K-Can üzerinden Araç Erişim Sistemine iletir. Araç Erişim Sistemi, merkezi kilitleme fonksiyonunun merkezi sorumluluğuna sahiptir. Konforlu girişe sahip araçlarda kullanılan tanım vericiler de uzaktan kumanda ile aynı fonksiyonu gerçekleştirir.
Bagaj kapağı tuşu dirençle kodlanmıştır. Bagaj kapağı tuşunun durumu klima sisteminin kumanda ünitesi aracılığıyla değerlendirilir. Klima sisteminin kumanda ünitesi durumu K-CAN üzerinden gönderir.
Bagaj kapağı kontak şalteri bagaj kapağı kapalıyken şasiye karşı devreye sokulur. Bagaj kapağı kontak şalterinin durumu irtibat kutusu elektroniği tarafından değerlendirilir ve kullanılır.

İndeks |
Açıklama |
İndeks |
Açıklama |
|---|---|---|---|
1 |
Alt bagaj kapağı mikro şalteri |
|
|
Alt bagaj kapağının kontağı mikro şalter olarak yürütülür ve şasiye karşı devreye sokulur. Mikro şalterin durumu HKL tarafından değerlendirilir. Alt bagaj kapağı doğru biçimde kapanmadıysa otomatik bagaj kapağı tetikleme yürütülemez. Bagaj kapağı kaldırıcı bu durumda bir Check-Control-Mesajı üretir ve bu mesajı K-CAN üzerinden gönderir.
Bagaj kapağı kaldırıcı için aşağıdaki sistem fonksiyonları tanımlanmaktadır:
Bagaj kapağı tuşu tetiklendiğinde bagaj kapağı otomatik olarak açılır veya kapanır. Orta konsol kumanda merkezindeki bagaj kapağı tuşu için bu geçerli değildir. Bu tuş ile yalnızca otomatik olarak açmak mümkündür.
CAS tarafından onaylandıktan sonra irtibat kutusu elektroniği bagaj kapağının kilidini açar. Önce yumuşak kapama otomatiğinin kumandası tahrik edilir, böylece bagaj kapağı serbest bırakılır. Daha sonra bagaj kapağı kilidi kumanda edilir.
Bagaj kapağı kontak şalteri kapalı konumdan açık konuma geçer ve tahrik milleri açmak için tahrik edilir.
Bagaj kapağı tamamen veya ayarlanan açılma açısı kadar açılır. Bagaj kapağı hareketi sırasında blokaj koşullarından biri (blokaj koşullarına bakınız) aktif olursa bagaj kapağı hareketi durur.
Açma sırasında bagaj kapağı tuşuna kısa süre basılırsa açma durdurulur.
HKL içinde ”Yumuşak başlama” veya ”Yumuşak bitirme” fonksiyonları entegre edilmiştir. Yani bagaj kapağı varacağı noktaya varmak üzereyken kapama veya açma hızı yavaşlatılarak kapamanın veya açmanın yumuşak biçimde gerçekleşmesi sağlanır. (İstisna: Kapamada yumuşak bitirme olmaz). Bunun için kumanda geriliminin puls genişliği değiştirilir.
Konforlu girişe sahip araçlarda bagaj kapağını açmak araç kilitliyken de mümkündür. Dış bagaj kapağı tuşuna basıldığında bagaj kapağı otomatik olarak açılır. Bunun için araç yakınlarında araca uygun yalnızca bir tanım vericili bulunmalıdır.
otomatik bagaj kapağı tetikleme sürüş sırasında etkinleştirilemez, yalnızca araç dururken kullanılabilir.
Bagaj kapağı kısmen açıldığında elle ”YUKARI” veya ”AŞAĞI” hareket ettirilebilir.
Tahrik millerine birer motor entegre edilmiştir. Motorda karşılıklı konumlandırılmış iki Hall sezicisi mevcuttur. Böylece motorun dönüş yönü algılanabilir. Hall sezicisi dürtüleri sayesinde yol uzaklığı ve buna dayanarak bagaj kapağı açılma açısı algılanabilir. Hall sezicisi dürtüleri örneğin merkezi bilgi ekranı aracılığıyla açılma açısının ayarlanması için kullanılır.
Blokaj belirlemesi bagaj kapağının açılması ve kapanması sırasında etkili olur. Açma sırasında bagaj kapağı hareketi bloke edildiğinde bagaj kapağı hareketi hemen durdurulur. Kapama sırasında bagaj kapağı hareketi bloke edilirse HKL tahrik millerini kısa süreyle ters yönde (= geri hareket) kumanda eder. Bagaj kapağındaki blokaj devam ederse tahrik milleri daha fazla kumanda edilmez.
Hall sezicisi dürtüleri gelmezse veya motor akımı artarsa bir blokaj olduğu algılanır.
Motorların aşırı ısınmasını engellemek için HKL içinde bir tekrarlama blokajı entegre edilmiştir. Tekrarlama blokajı için motor çalışma süresi eklenir. Tüm çalışma sürelerinin toplamı 2 dakikayı geçerse yeniden tetikleme kabul edilmez. Devam etmekte olan işlem her zaman bitirilir. 6 dakikalık bir soğuma fazından sonra tekrar 2 saniyelik bir motor çalışma süresi mümkündür.
Bagaj kapağı aracın hasar görmesini engelleyebilmek için bazı durumlarda tetiklenemez.
Blokaj nedenleri aşağıda listelenmiştir:
Blokaj koşulları |
Açıklama/not |
|---|---|
Araç hızı vmax>3 km/h |
İstisna: Kapatma emri tamamlanır. K-CAN üzerinden gösterge panelinden hız sinyali. |
Dış sıcaklık < - 30 °C ve +80 °C |
K-CAN üzerinden gösterge panelinden dış sıcaklık sinyali |
Araç şebekesi <9 V ile 16 V> |
|
Alt bagaj kapağı kapanmıyor |
Bagaj kapağı hareket halindeyken arıza, bagaj kapağı kullanımı bloke edilir. Açmak mümkündür. |
Motoru çalıştırmak (”Terminal 50 açık” durumu) |
K-CAN üzerinden CAS sinyali. Bagaj kapağı hareket halindeyken arıza, bagaj kapağı kullanımı bloke edilir. |
Geçersiz hız veya sıcaklık sinyali durumunda bagaj kapağını hareket ettirmek mümkündür.
Arızalı bir tahrik mili komple değiştirilmelidir.
Tahrik millerini değiştirirken Terminal 30g kapalı kalmalıdır. Bunun dışında bir arıza hafıza kaydı üretilir ve bagaj kapağı tetikleme işlemez.
Bagaj kapağı kaldırıcısı kumanda ünitesini veya tahrik milini değiştirdikten sonra üst kapanma noktasını yeniden öğrenmek gereklidir. Bunun için bagaj kapağı ilk açma sırasında en üst noktaya, bloke edilinceye kadar hareket ettirilir.
Bagaj kapağının bloke edilmesi ve tahrik mili Hall sezicilerinin dürtülerinin olmaması bagaj kapağının azami açılma açısı noktası işaretlenir. Bu noktadan toplam Hall sezici dürtülerinin %5'i kadar bir değer çıkarılır. Bu, bagaj kapağının gelecekteki açılma açısıdır. Bu nokta yumuşak stop olarak da adlandırılır.
Yumuşak durma sayesinde bagaj kapağının son noktaya kadar açılması ve bu yüzden zarar görmesi engellenir.
Alt son nokta, bagaj kapağı kilitindeki bagaj kapağı kontak şalterinin açıktan kapalıya değiştirilmesiyle belirlenir.
Bagaj kapağı hareketi ancak bagaj kapağı tuşu serbest bırakıldıktan sonra başlar.
Bagaj kapağının uzaktan kumanda üzerinden kapatılması mümkün değildir.
Yazım hatası, yanlışlıklar ve teknik değişiklikler saklıdır.