E70'deki uzun far asistanı (FLA) sürücüyü uzun far kullanımında destekler. Uzun far asistanı yardımı ile uzun far trafik durumuna bağlı olarak otomatik açılır ve kapatılır. Uzun far asistanı önde giden ve karşıdan gelen araçları aynı şekilde kesintisiz aydınlanmış yerleşim yerlerini tanır.
Uzun far asistanı için aşağıdaki yapı elemanları tanımlanır:
Uzun far asistanı sadece, far şalteri ”A” şalter konumdaysa devreye alınabilir. Şalter konumu ”A”, otomatik far kontrolü içindir.
SZL'deki sürüş istikameti uzun far şalteri ile uzun far asistanı devreye alınır ve devre dışı bırakılır. Sürüş istikameti uzun far şalterinin şalter sinyalleri SZL'de okunur ve değerlendirilir. SZL uzun far/sinyal kolunun şalter sinyallerini doğrudan ayak bölümü modülüne (FRM) gönderir.
RLSS ortam aydınlığını ölçer. Havanın kararmaya başlamasından itibaren ayak bölümü modülü (FRM) kısa farı açar. Uzun far asistanı (FLA) sadece kısa far açıkken devreye alınabilir. Far şalterinin ”A” şalter konumunda olması şarttır. RLSS bilgilerini LIN-Bus üzerinden tavan fonksiyon merkezine (FZD) iletir.
FZD, RLSS'nin bilgilerini düzenler. FZD, ayak bölümü modülüne (FRM) K-CAN üzerinden RLSS'nin açma koşullarını işaret eder.
Gösterge panelinde aşağıdaki göstergeler bulunur:
Görüntü sezicisi, ışık kaynaklarının algılanması için özel bir kameradır. Görüntü sezicisi görüntüleri uzun far asistanına (FLA) aktarır. Görüntüler bir LVDS veri hattı vasıtasıyla (LVDS: Low Voltage Differential Signaling) aktarılır. FLA bu görüntüleri değerlendirir. FLA, uzun far için K-CAN üzerinden ayak bölümü modülüne açma veya kapatma önerisi gönderir. Bu emir trafik şartlarına, ışık etkilerine ve araç hızına bağlıdır.
DSC, tekerlek devir sayısı sezicisinin sinyallerinden sürüş hızını hesaplar. DSC, DSC sezicisindeki sinyalden dönme hızı oranını hesaplar. FLA görüntüyü virajda daha iyi değerlendirebilmek için dönme hızı oranı bilgisinden faydalanır. DSC, araç hızı ve dönme hızı oranı hesaplama sonuçlarını PT-CAN üzerinden irtibat kutusu elektroniğine (JBE) gönderir.
FRM uzun far için değişik giriş değerleri içerir.
Aşağıdaki giriş değerleri FRM tarafından düzenlenir:
FRM, giriş değerleri vasıtasıyla uzun farın açılacağına veya kapatılacağına karar verir. FRM uzun farın farını kumanda eder. FRM gösterge panelinde kontrol lambasını kumanda eder. Uzun far asistanı devre dışı kalırsa bir Check-Control sembolü gösterilir. FRM, K-CAN'a bağlanmıştır.
JBE, PT-CAN üzerinden DSC'nin hesaplamalarını alır. JBE, bilgilerini K-CAN üzerinden FRM'ye gönderir.

Grafikte E70 iç dikiz aynası gösterilir
İndeks |
Açıklama |
İndeks |
Açıklama |
|---|---|---|---|
1 |
Yağmur far solar sezicisi (RLSS) |
2 |
İç dikiz aynası içindeki FLA kontrol ünitesi |
3 |
Entegre edilmiş üniversal uzaktan kumanda tuşları |
4 |
Alarm sistemi ışıklı diyotları |
5 |
Görüntü sezicisi |
6 |
Kapak |

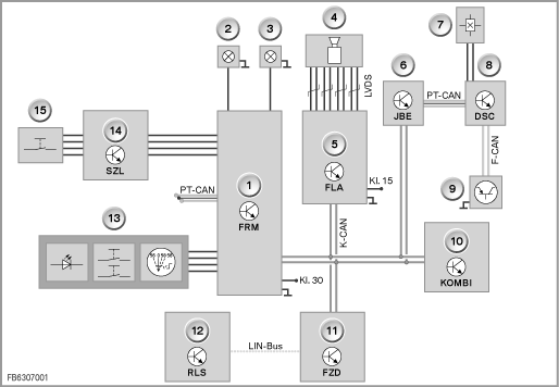
Blok devre planı E70
İndeks |
Açıklama |
İndeks |
Açıklama |
|---|---|---|---|
1 |
Ayak bölümü modülü (FRM) |
2 |
Sol uzun far |
3 |
Sağ uzun far |
4 |
Görüntü sezicisi |
5 |
Uzun far yardımcısı (FLA) |
6 |
İrtibat kutusu elektroniği (JBE) |
7 |
Tekerlek devir sayısı sezicisi |
8 |
Dinamik denge kontrolü (DSC) |
9 |
DSC-Sezicisi |
10 |
Gösterge paneli |
11 |
Tavan fonksiyon merkezi (FZD) |
12 |
Yağmur far solar sezicisi (RLSS) |
13 |
Işık şalteri |
14 |
Direksiyon kolonu kumanda merkezi (SZL) |
15 |
Uzun far/sinyal kolu |
|
|
Uzun far asistanı trafik şartlarına bağlı olarak uzun far için FRM'ye bir açma veya kapama emri gönderir. Bu emir ve diğer değişik giriş değerleri nedeniyle FRM, uzun farın açılıp açılmayacağına karar verir.
Uzun far asistanı için aşağıdaki sistem fonksiyonları tanımlanmaktadır:

Görüntü sezicisinin kayıt bölgesi
İndeks |
Açıklama |
İndeks |
Açıklama |
|---|---|---|---|
1 |
Uzun farın ışık konisi |
2 |
Önde giden bir aracın arka lambaları |
3 |
Görüntü sezicisinin kayıt bölgesi öne doğru |
4 |
Karşıdan gelen bir aracın farları |
Uzun farın ışık konisi yaklaşık 400 m etki mesafesine sahiptir. Görüntü sezicisinin kayıt bölgesi yaklaşık 1000 m etki mesafesine sahiptir. Bu sayede görüntü sezicisinin karşıdan gelen araçları, uzun farın ışık konisi ile etkilenmeden önce algılaması sağlanır. Görüntü sezicisi karşıdan gelen bir aracı algıladığında FLA, FRM'ye kapatma emri gönderir. FRM uzun farı kapatır.
Görüntü sezicisi önde giden bir aracı algıladığında FLA, FRM'ye kapatma emri gönderir. FRM uzun farı kapatır.
Görüntü sezicisi yeterli aydınlatmaya sahip bir çevre algıladığında FLA, FRM'ye kapatma emri gönderir. FRM uzun farı kapatır. Yeterli aydınlatma:
Uzun farın karartılması için hiç bir neden yoksa, FRM uzun farı açar. Farlar yanar.
FLA devrede ise uzun far asistanı kontrol lambası gösterge panelinde yanar (turuncu). İlaveten uzun farın açık olması durumunda da uzun far kontrol lambası yanar (mavi). FLA bir sistem arızası tanırsa, bir Check-Control sembolü görüntülenir (sarı).
Aşağıdaki şartlar altında FLA'da fonksiyon kısıtlamaları meydana gelebilir:
Uzun far asistanının kusursuz fonksiyonunu garanti etmek için görüntü sezicisi orta eksene paralel ayarlanmalıdır. FLA gece sürüşlerinde maks. 3° sola ve 3° sağa otomatik olarak ayarlanabilir. Bu şekilde düşük sapmalar orta eksen tarafından dengelenir. Uzun huzmeli far asistanının otomatik ayarı için gerekli olan koşullar:
Yazım hatası, yanlışlıklar ve teknik değişiklikler saklıdır.