Viraj aydınlatması sadece adaptif viraj ışığı özel donanımı ile birlikte mevcuttur. Viraj aydınlatması, adaptif viraj ışığına ilave olarak aracın ön ve yan tarafını aydınlatır.
Viraj aydınlatması için aşağıdaki parçalar tanımlanır:
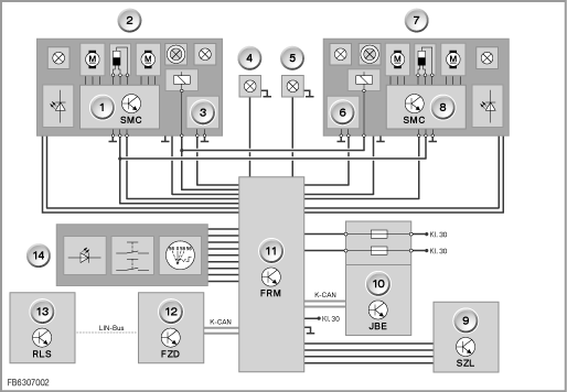
Viraj aydınlatması devreye alınması için, far şalteri ”A” şalter konumunda olması gerekir. Otomatik far kontrolü için far şalterinde yeşil bir kontrol ışığı mevcuttur. Sistem arızası tanınırsa, kontrol ışığı yanıp sönmeye başlar. Far şalteri doğrudan ayak bölümü modülü (FRM) ile bağlıdır.
Viraj aydınlatması için özel bir sis farı gereklidir. Sis farı, viraj aydınlatması için bir reflektöre sahip. Sis farı devreye alındığı takdirde, sis farı lambasının ışığı, viraj aydınlatmasının reflektörüne erişir. Reflektör özel şekillendirilmiş ve ışığı dönüş bölgesine doğru yansıtmaktadır. Dış taraftan viraj aydınlatması fonksiyonlu sis farı, komple krom kaplı reflektörden tanınabilir.
RLSS ön cama, iç dikiz aynası ayağına entegre edilmiştir. RLSS havanın kararmaya başlamasını veya karanlığı algılamaktadır. Eşik değeri aşıldığı takdirde, RSLL tavan fonksiyon merkezine (FZD) bir mesaj gönderir. RLSS FZD ile LIN-Bus üzerinden bağlıdır. FZD bu mesajı K-CAN üzerinden ayak bölümü modülüne (FRM) devam iletir.
Uzun far/sinyal kolu SZL'de bulunur. Uzun far/sinyal kolu sinyallerini SZL'ye gönderir. SZL alınan sinyalleri doğrudan ayak bölümü modülüne (FRM) devam gönderir.
Viraj aydınlatmasının kumanda edilmesini FRM üstlenir. FRM far şalterindeki kontrol ışığını da kumanda eder. FRM tüm açma şartlarını doğrudan veya K-CAN üzerinden alıyor. FRM, sürücü tarafındaki ayak bölmesinin yan tarafında gösterge panelinin altında bulunur.
JBE gerilim beslemesinden sorumludur. JBE, K-CAN üzerinden FRM ile bağlıdır. JBE ön yolcu ayak bölümünde gösterge panelinin altında bulunur.

E70'de sis farın tasarımı
İndeks |
Açıklama |
İndeks |
Açıklama |
|---|---|---|---|
1 |
Viraj aydınlatması reflektörü |
2 |
Sis farı reflektörü |
3 |
Sis farı lambası |
|
|

Blok devre planı E70
İndeks |
Açıklama |
İndeks |
Açıklama |
|---|---|---|---|
1 |
Sol kademeli motor kontrolörü (SMC): |
2 |
Sol ana far |
3 |
Sol Xenon kontrol ünitesi |
4 |
Sol sis farı |
5 |
Sağ sis farı |
6 |
Sağ Xenon kontrol ünitesi |
7 |
Sağ ana far |
8 |
Sağ kademeli motor kontrolörü (SMC): |
9 |
Direksiyon kolonu kumanda merkezi (SZL) |
10 |
İrtibat kutusu elektroniği (JBE) |
11 |
Ayak bölümü modülü (FRM) |
12 |
Tavan fonksiyon merkezi (FZD) |
13 |
Yağmur far solar sezicisi (RLSS) |
14 |
Işık şalteri |
Viraj aydınlatması aniden açıp kapatılmıyor. Viraj aydınlatması açılır ve kapatılır, ışık şiddeti özel parametrelere göre yükseltilip azaltılır. Viraj aydınlatması ülkeye bağlı olarak virajlarda açıp kapatılır.
Viraj aydınlatması için aşağıdaki sistem fonksiyonları belirtilmiştir:
Duruş esnasında dönüş aydınlatması belirli bir süre sonra kapatılır, örn. trafik ışıklarında beklerken. Sinyal lambası ancak uzun far/sinyal kolu üzerinden yeniden açılabilir.
Devreye alınacak tarafın viraj aydınlatması aşağıdaki koşullara bağlıdır:
İleri doğru sürüş istikameti
Geri sürüş istikameti
Sadece US modelinde:
Sinyal lambasında bir arıza ortaya çıkarsa, sis farı için geçerli olan Check Control mesajlarının aynısı geçerlidir.
Yazım hatası, yanlışlıklar ve teknik değişiklikler saklıdır.