Elektronik çalıştırma engeli (EWS) alarm sistemi ve ilk çalıştırma onayını sağlar.
4. jenerasyon EWS, şimdiye kadarki EWS'lerin geliştirilmiş halidir. Bu geliştirme, yeni ve modern bir şifreleme yöntemini kullanır.
Her araç 128 bit'lik uzun bir gizli şifre ile düzenlenir. Bu gizli şifre bir BMW veri bankasında kaydedilir. Böylece sayede gizli şifre sadece BMW tarafından tanınır.
Gizli şifre aşağıdaki kontrol ünitelerinde programlanır ve kilitlenir:
Gizli şifre kontrol ünitelerinde kilitlenmiş ise, bir daha silinemez veya değiştirilemez. Böylece belirli bir aracın her kontrol ünitesi düzenlenmiştir. Kontrol üniteleri bu gizli şifre ve aynı algoritma ile karşılıklı olarak birbirlerini tanır.
4. jenerasyon EWS'de DME/DDE ile CAS arasında artık doğrudan hat (EWS-Veri hattı) yoktur (E83 hariç).
EWS-Sinyallerinin veri aktarımı için CAN-Veri hattı (PT-CAN ve K-CAN) ve K-Bus (CAS-Bus olarak da adlandırılır) kullanılır. K-Bus ancak EWS-Sinyali CAN-Veri hattı üzerinden gönderilemediğinde kullanılır.
> E83: EWS-Kontrol ünitesi ile DME/DDE arasındaki veri aktarımı eskisi gibi direkt EWS-Veri hattı üzerinden gerçekleştirilir.
EWS'nin kullanımı (4. jenerasyon):
Geliştirme modeli |
Motorlar |
Motor kontrol ünitesi |
|---|---|---|
Performans düzeyi: |
||
E60, E61, E63, E64 |
N52B25U1, N52B25O1, N52B30M1, N52B30O1 |
MSV80 |
N53B25U0, N53B30U0, N53B30O0, N54B30O0 |
MSD80 |
|
N43B20O0 |
MSD80.2 |
|
N46B20O2 |
MEV17.2.1 |
|
N47D20O0 |
DDE70 |
|
E81, E82, E87, E88, E90, E90 M3, E91, E92, E92 M3, E93, E93 M3 |
N43B16, N43B20U0, N43B20O0 |
MSD80.2 |
N45B16O2, N46B20U2, N46B20O2 |
MEV17.2.1 |
|
N51B30M0, N52B25U1, N52B25O1, N52B30U0, N52B30M1, N52B30O1 |
MSV80 |
|
N47D20U0, N47D20O0 |
DDE70 |
|
N53B30U0, N53B30O0, N54B30O0 |
MSD80 |
|
S65 |
MSS60 |
|
E83 |
N52B25O1, N52B30U1, N52B30O1 |
MSV80 |
N46B20O2 |
MEV17.2.1 |
|
N47D20O0 |
DDE70 |
|
E70 |
N52B30O1 |
MSV80 |
R55, R56 |
N12 |
MEV17.2 |
N14 |
MED17.2 |
|
EWS için aşağıdaki yapı elemanları tanımlanır:
Her uzaktan kumandada hem verici hem de alıcı (transpondör) olabilen bir yonga entegre edilmiştir. Veri aktarımı anahtar yuvasındaki veya kontak kilidindeki (yalnız E83) bilezik anten ile transpondör yongası arasındaki bir transformatör ile gerçekleştirilir. Uzaktan kumanda verileri EWS- veya CAS-Kontrol ünitesine gönderir ve bunların gönderdiği verileri alır.
Transpondör yongada ilgili aracın uzaktan kumandası için bir yetki de kodlanmıştır.
EWS- veya CAS-Kontrol ünitesi, kontrol ünitesine uygun uzaktan kumandalardan en fazla 10 tanesini yönetebilir, yani yedek olarak en fazla 6 uzaktan kumanda sağlanabilir.
EWS- veya CAS-Kontrol ünitesi her bir uzaktan kumandayı tek tek tanımlayabilir. Böylece tek bir kumandayı bloke etmek veya onaylamak mümkün olur. EWS- veya CAS-Kontrol ünitesi ile münferit uzaktan kumadalar arasında iletişim sırasında hatalar ortaya çıkarsa bu hatalar arıza hafızasında - her uzaktan kumanda için ayrı olarak - saklanır.
Uzaktan kumanda için anahtar yuvasında veya kontak kilidi çevresinde (yalnız E83) transpondör yongayı sorgulamak için bir bilezik anten (bobin sarımlı) bulunur. Bu bilezik anten üzerinden transpondör yonga ile EWS- veya CAS-Kontrol ünitesi arasında iletişim kurulur.
Direksiyon kilidine sahip araçlarda direksiyon kilidi CAS ile doğrulama sağlandıktan sonra elektrikle beslenir. Ancak şimdi bir kilidin açılması veya kilitlenmesi yürütülebilir. Motor çalıştırmaya, sadece direksiyon kilitlenmesi açılmış ve emniyete alınmış ise izin verilir.
> E83
EWS-Veri hattı üzerinden EWS-Kontrol ünitesi ve DME/DDE arasında karşılıklı doğrulama yürütülür.
Otomatik şanzımanlı araçlarda EWS- veya CAS-Kontrol ünitesi aracılığıyla ilk çalıştırma onayı ancak vites kolu konumu ”P” veya ”N” ise mümkündür.
Aşağıdaki kontrol üniteleri elektronik çalıştırma engeliyle (EWS) bağlantılıdır:
E83 değil
CAS kontrol ünitesi, EWS için mastır kontrol ünitesidir. EWS CAS'a entegre edilmiştir.
CAS-Kontrol ünitesinde, gizli şifre maniple edilemeyecek biçimde saklanmıştır.
CAS-Kontrol ünitesi, K-CAN'da (Gövde-CAN) ve K-Bus'ta (Gövde- Bus) Bus-katılımcısıdır.
CAS-Kontrol ünitesi uzaktan kumanda için anahtar yuvası arabirimidir.

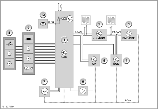
İndeks |
Açıklama |
İndeks |
Açıklama |
|---|---|---|---|
1 |
Comfort Access System (CAS) |
2 |
İrtibat kutusu elektroniği (JBE) veya Gövde-Gateway-Modülü (KGM) |
3 |
Dijital motor elektroniği (DME) veya dijital dizel elektroniği (DDE) |
4 |
Elektronik şanzıman kontrolü (EGS) |
5 |
Konforlu giriş (CA: Comfort Access) |
6 |
Uzaktan kumanda alıcısı |
7 |
Direksiyon kilidi |
8 |
Start-Stop tuşu |
9 |
Uzaktan kumandalı anahtar yuvası |
10 |
Marş motoru |
Kl. 30L |
Terminal 30L |
Kl. 50L |
Terminal 50L |
K-Busu |
Gövde-Bus (CAS-Bus olarak da adlandırılır) |
K-CAN |
Gövde-CAN |
PT-CAN |
Powertrain-CAN |
|
|
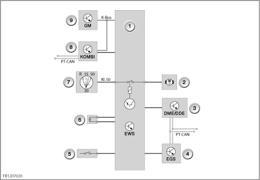
> yalnız E83
EWS-Kontrol ünitesi K-Bus'ta (Gövde-Bus) bir Bus-katılımcısıdır.
EWS-Kontrol ünitesi kontrol kilidinin arabirimidir.

İndeks |
Açıklama |
İndeks |
Açıklama |
|---|---|---|---|
1 |
Elektronik çalıştırma engeli (EWS) |
2 |
Marş motoru |
3 |
Dijital motor elektroniği (DME) veya dijital dizel elektroniği (DDE) |
4 |
Elektronik şanzıman kumandası (EGS) |
5 |
Manüel şanzımanda debriyaj şalteri (ülkeye özgü versiyonlara bağlı) |
6 |
Bilezik anten (bobin sarımlı) |
7 |
Marş şalteri |
8 |
Gösterge paneli (KOMBI) |
9 |
Temel modül (GM) |
|
|
K-Busu |
Gövde Busu |
Kl. 50 |
Terminal 50 |
PT-CAN |
Powertrain-CAN |
|
|
DME/DDE kontrol ünitesi sadece, EWS veya CAS kontrol ünitesinden doğru bir onay sinyali geliyorsa motoru çalıştırmaya izin verir. DME/DDE içinde gizli şifre maniple edilemeyecek biçimde saklanmıştır.
> E70, E81, E82, E87, E88, E90, E91, E92, E93, R55, R56
JBE, PT-CAN (Powertrain-CAN) ve K-CAN (Gövde-CAN) arasındaki veri arabirimidir.
> E60, E61, E63, E64
KGM, PT-CAN (Powertrain-CAN) ile K-CAN (Gövde-CAN) arasındaki veri arabirimidir.
> E83
KGM gösterge paneli PT-CAN (Powertrain-CAN) ile K-Bus (Gövde-Bus) arasındaki veri arabirimidir.
> yalnız E70
Elektronik şanzıman kontrolü (EGS) 4. jenerasyon EWS içinde ek çalıştırma engeli olarak dahil edilmiştir. EGS-Kontrol ünitesi K-Bus'ta Bus-katılımcısıdır.
Şanzıman fonksiyonun onaylanması ancak CAS-Kontrol ünitesi ile EGS-Kontrol ünitesi karşılıklı olarak kimlik doğrulaması yaptığında mümkün olur.
SA 322”Konforlu girişi”nde (CA: Comfort Access) uzaktan kumanda yerine bir tanım vericisi gereklidir. Tanım vericisi, uzaktan kumandanın diğer fonksiyonlarını da yerine getirir.
Konforlu giriş kontrol ünitesi (CA-Kontrol ünitesi) iç mekan ve dış mekan antenlerini kumanda eder. Bununla olası tanım vericileri sorgulanır. Aynı anda FBD alıcısı, cevap veren tanım vericileri için devreye girer (FBD: Uzaktan kumanda hizmeti)
CAS-Kontrol ünitesi, SA ”Konforlu giriş” fonksiyonlarının tümü için mastır kontrol ünitesidir:
Aşağıdaki sistem fonksiyonları EWS için tanımlanmıştır:
Kilit açma işleminde araç erişim sistemi (CAS) ve direksiyon kilitlenmesi arasında bir güvenlik yöntemi gerçekleşir. Direksiyon kilitlenmesi, kilidin açılmasını sadece güvenlik yönteminde pozitif bir çıkıştan sonra başlatabilir. Güvenlik nedeniyle direksiyon kilitlenmesi sürüş esnasında beslenmez. Direksiyon kilitlenmesi sadece kilit açma işlemi veya kilitleme işlemi için gerilim ile beslenir.
Tanımlama verileri doğru ise CAS kontrol ünitesi, kontrol ünitesinde bulunan marş motoru rölesi üzerinden kumanda edilir. CAS kontrol ünitesi aynı zamanda DME kontrol ünitesine motoru çalıştırmak için kodlanmış bir onay sinyalini gönderir. DME kontrol ünitesi sadece, CAS kontrol ünitesinden doğru bir onay sinyali geliyorsa starta izin verir.
Kontak anahtarını kontak kilidine taktıktan sonra veya uzaktan kumandayı anahtar yuvasına yerleştirdikten sonra aşağıdaki akış yürütülür:
Kontrol ünitelerinde değerleri her motor çalıştırma işleminden sonra değiştirilen özdeş değişken kodlar saklanır. Değişken kod rastgele bir sayıdan ve gizli şifreden oluşur.
Elektronik çalıştırma engeli olan dengeleme motor kumandası
Yeni EWS'nin (4. jenerasyon) girişiyle motor kumanda üniteleriyle elektronik çalıştırma engeli arasında karşılaştırma artık yoktur.
Bu tarihten itibaren belirli kontrol üniteleri sadece ilgili araç için özel olarak sipariş edilen kontrol üniteleri ile değiştirilebilir.
Uyarı! Arızalı kontrol ünitesinde yapılacak işlem!
CAS, EWS (yalnız E83) veya DME/DDE arızalı ise, belirli bir hareket tarzına uyulmalıdır.
Gerekli olan kontrol ünitesi araca uygun olarak sipariş edilmelidir. Bunun için araç verileri (şasi numarası) gereklidir.
Kontrol ünitesi değiştirildikten sonra EWS karşılaştırması gerekli değildir.
> E70
Elektronik şanzıman kontrolü değiştirilirse karşılaştırma gerekli olacaktır. Karşılaştırma sırasında CAS-Kontrol ünitesi EGS-Kontrol ünitesinde özel bir kod gönderir. Bu özel kod kimlik doğrulama yöntemiyle şanzıman fonksiyonlarının onaylanması için gereklidir.
Önemli!
Gizli şifreli kontrol ünitelerinde deneme değişimi olanaksızdır!
Yedek anahtarlar sadece BMW yetkili satıcılarındaki BMW yedek parça satış bölümlerinden temin edilebilir. Burada 6 yedek anahtardan biri araca uygun olarak programlanır. Bu anahtar kaybolan anahtarın bir kopyası olmasından çok yeni bir anahtardır.
Takılan EWS kontrol ünitesine uygun en fazla 6 yedek anahtar üretilebilir veya teslim edilebilir.
Yeni bir anahtar ilk defa kontak kilidine takıldığında motor 1 ila 2 saniyelik bir gecikmeyle çalışmaya başlar. Bundan sonra çalıştırma işlemi gecikmesiz olarak yürümelidir.
Kayıp anahtarlar diyagnoz aracılığıyla bloklanmalıdır. Bakınız ”Diyagnoz programının özel fonksiyonları”.
Dikkat!
Bir anahtar için her talep kayıt altına alınır ve böylece yetkililerce ve sigorta şirketlerinden gelen bu talepler takip edilebilir.
Tüm uzaktan kumandaların veya kontak anahtarlarının kaybedilmesi durumunda yeni bir EWS- veya CAS-Kontrol ünitesi gereklidir.
Özgün uzaktan kumandaların ve kontak anahtarlarının diyagnoz fonksiyonları (servis fonksiyonları) vasıtasıyla elektronik olarak etkinleştirilmesi veya etkinliğinin kaldırılması mümkündür.
Önemli!
Elektronik olarak etkinliğinin kaldırılması, motor kontrol ünitesinin olduğu marş motorunun da çalıştırma işlemi için serbest bırakılmadığı anlamına gelir. Elektronik olarak etkinliğinin kaldırılan anahtarın hala mekanik olarak işlediği, yani bütün kapakları, kaputu ve kapıları açabildiği akılda tutulmalıdır.
Burada EWS- veya CAS-Kontrol ünitesi tarafından yönetilen kontak anahtarlarının (uzaktan kumandalar) her biri için EWS- veya CAS-Kontrol ünitesi tarafından en az bir kere tanınıp tanınmadığı görüntülenir, yani eski araçlarda da o ana kadar kaç uzaktan kumanda veya kontak anahtarının kullanıldığı görülebilir.
Yazım hatası, yanlışlıklar ve teknik değişiklikler saklıdır.