”Gerçek zaman trafik bilgisi (RTTI)” trafik uyarı hizmetinin sağlanması için IBOC kontrol ünitesinde pasif bir anten dağıtıcısı monte edilmiştir. Bununla HF sinyalleri IBOC kontrol ünitesinde ve CCC'de kullanıma sunulur. RTTI sadece navigasyon sistemiyle bağlantılı durumda profesyonel olarak hizmet verir. CCC algılanan trafik bilgilerini navigasyon sisteminin hizmetine sunar.

İndeks |
Açıklama |
İndeks |
Açıklama |
|---|---|---|---|
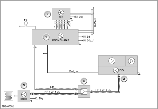
1 |
Merkez ünite |
2 |
Merkezi Bilgi ekranı |
3 |
Diversity modüllü anten amplifikatörü |
4 |
Anten dağıtıcı |
5 |
Kontrol ünitesi IBOC |
RTTI dağıtıcısı için aşağıdaki parçalar tanımlanır:

İndeks |
Açıklama |
İndeks |
Açıklama |
|---|---|---|---|
1 |
IBOC |
2 |
Tutuculu RTTI dağıtıcısı |
3 |
AM-/FM sinyali (Diversity modüllü anten amplifikatörü) soket renk kodu: Siyah |
4 |
AM-/FM sinyali (CCC) soket renk kodu: köri sarısı |
5 |
AM-/FM sinyali (IBOC) soket renk kodu: Siyah |
Yüksek hassasiyetli radyonun IBOC kontrol ünitesi, AM ve FM frekans aralığındaki dijital radyo istasyonlarının dinlenmesi için hibrid alıcı olarak tasarlanmıştır. Dijital sinyallerin alınmasında, analog sinyallerin alınmasında kullanılan sinyal yolunun aynısı kullanılır. Bu sebeple diversity modüllü ve AM ve FM antenli anten amplifikatörlerinin bilinen bileşenleri de kullanılabilir.
IBOC kontrol ünitesi dijital Audio verilerini ayıklar ve bunları MOST Bus üzerinden (medya oryantasyonlu sistem transport busu) üzerinden ana üniteye gönderir. Ana ünite Audio verilerini analog NF sinyallerine dönüştürür. NF sinyalleri hoparlörlerden verilir.
Kontrol ünitesi CCC, AM ve FM frekans aralığındaki radyo istasyonlarının analog alışı için tasarlanmıştır. IBOC ile kombinasyonlu olarak fonksiyon, CCC sisteminde değil aksine IBOC sisteminde değiştirilir. Analog sinyallerinin alınması için diversity modüllü ve AM ve FM antenli anten amplifikatörleri kullanılır.
Anten gücü asimetrik olarak dağıtılmıştır. IBOC alıcı 1 dB sönümlü, ana ünite ise 10 dB sönümlü sinyalleri alır. Aktif FM anteninden gelen sinyal seviyesi böylece 9:1 (IBOC:RTTI) oranında bölünür. Anten gücü dağıtıcı tarafından 10:1 oranında (IBOC:RTTI) bölünür. Anten gücünün bu bölünmesi CCC'nin RTTI verilerini algılayabilmesi için yeterlidir. Anten değiştiricisi IBOC kontrol ünitesi tarafından kumanda edilir.
RTTI ayırıcısının kontrolü için bir test modülü mevcuttur. Arıza belirtisi seçimi diyagnozu (65006_CCC:fonksiyon arızası) veya fonksiyon seçimi (komple araç/gövde/audio, video, telefon, navigasyon (MOST-Ring)/navigasyon) üzerinden erişilebilir.
Yazım hatası, yanlışlıklar ve teknik değişiklikler saklıdır.