The active brake air flap control improves the aerodynamics of the vehicle. A reduction in the CO2emissions is achieved in this way. Depending on the engine variant and optional extra, the brake air flap control system is fitted in the vehicle.
The system consists of:
The two brake air flaps are fitted down in the vehicle bumper. The switchover valve is attached to the left-hand spring strut dome.
The brake air flaps are activated by partial vacuum. The vacuum pump on the engine generates this partial vacuum. The partial vacuum is applied to a partial-vacuum canister on the housing of the brake air flap.

Index |
Explanation |
Index |
Explanation |
|---|---|---|---|
1 |
Bumper |
2 |
Brake air flap, right |
3 |
Brake air flap, left |
|
|
A Hall sensor is fitted to each of the two brake air flaps. The Hall sensors determine the position of the brake air flaps (open or closed).

Index |
Explanation |
Index |
Explanation |
|---|---|---|---|
1 |
Brake air flap |
2 |
Hall-effect sensor |
3 |
Vacuum connection |
4 |
Partial-vacuum canister |
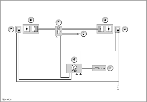
The switchover valve is activated by the Dynamic Stability Control (DSC).

Index |
Explanation |
Index |
Explanation |
|---|---|---|---|
1 |
Changeover valve |
2 |
From the vacuum pump |
3 |
Brake air flap, right |
4 |
Hall sensor, right |
5 |
Power supply, terminal 30g |
6 |
DSC (Dynamic Stability Control) |
3 |
Hall sensor, left |
4 |
Brake air flap, left |
Activation of the brake air flaps optimizes the aerodynamic characteristics of the vehicle.
Depending on engine operation, 2 states result for the brake air flaps:
Engine OFF |
Brake air flaps open |
Engine ON |
Brake air flaps close after a few seconds |
In order to prevent the brake discs from overheating, the brake air flaps are opened as of a brake-disc temperature of 250 °C.
If there is a fault, it might not be possible to open the brake air flaps.
The engine output is then reduced to provide overheating protection for the brake discs.
Warning! Perform all work with the engine switched off.
Work may only be carried out on the brake air flaps (in particular checking the flaps for stiff movement) with the engine switched off. Otherwise, there is a risk of injury.
No liability can be accepted for printing or other faults. Subject to changes of a technical nature