In order to guarantee the traffic warning service ”Real Time Traffic Information (RTTI)”, a passive antenna splitter is fitted at the IBOC control module. This enables the HF signals to be made available to the IBOC control module and the CCC. RTTI is only available in conjunction with the Professional navigation system. The CCC provides the received traffic information to the navigation system.

Index |
Explanation |
Index |
Explanation |
|---|---|---|---|
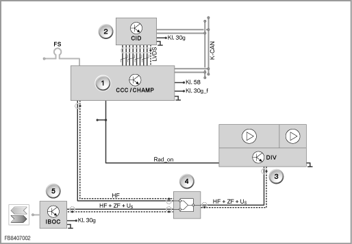
1 |
Head unit |
2 |
Central Information Display |
3 |
Antenna amplifier with diversity module |
4 |
Antenna splitter |
5 |
IBOC control module |
The following components are described for the RTTI splitter:

Index |
Explanation |
Index |
Explanation |
|---|---|---|---|
1 |
IBOC |
2 |
RTTI splitter with bracket |
3 |
AM / FM signal (antenna amplifier with diversity module) Connector colour code: black |
4 |
AM / FM signal (CCC) Connector colour code: curry-yellow |
5 |
AM / FM signal (IBOC) Connector colour code: black |
The IBOC control module of the High Definition Radio is designed as a hybrid tuner for reception of digital and analog radio stations in the AM and FM frequency ranges. To receive the digital signals, the same signal path is used as for reception of the analog signals. This means that the familiar components 'antenna amplifier with diversity module' and 'AM and FM antennas' can be used.
The IBOC control module decrypts the digital audio data and sends it across the MOST bus (Media Oriented System Transport bus) to the head unit. The head unit transforms the audio data into analog LF signals. The LF signals are output across the loudspeakers.
The CCC control module is designed to receive analog radio stations in the AM and FM frequency range. In combination with IBOC, the function is not implemented in the CCC, rather in the IBOC. The components 'antenna amplifier with diversity module' and 'AM and FM antennas' are used to receive the analog signals.
The antenna output is divided asymmetrically. The IBOC tuner receives a signal attenuated by 1 dB, the head unit a signal attenuated by 10 dB. The level delivered by the active FM antenna is this divided in a ratio of 9:1 (IBOC:RTTI).
The antenna output is divided by the splitter with a ratio of 10:1 (IBOC:RTTI). This division of the antenna output is adequate for the CCC to receive the RTTI Data received.
The antenna diversity is controlled by the IBOC control module.
A test module is available to test the RTTI splitter. This can be reached via the diagnosis fault profile selection (65006_CCC:function fault) or the function selection (Complete vehicle/Body/Audio, Video, Telephone, Navigation (MOST Ring)/Navigation).
No liability can be accepted for printing or other faults. Subject to changes of a technical nature