The Central Head Unit and Multimedia Platform (CHAMP) is a multimedia platform in the vehicle. CHAMP is standard equipment (Business radio or optional extra 663: BMW Professional radio).
In the EURO version, the next generation of the Multi Audio System controller (M-ASK) is deployed.
In contrast to the M-ASK, the CHAMP has no navigation system.
The following functions are new for CHAMP:
The following components are described for CHAMP:
CHAMP is the gateway (head unit) for the MOST bus and the K-CAN.

Index |
Explanation |
Index |
Explanation |
|---|---|---|---|
1 |
6 favourite buttons |
2 |
Button for FM mode and AM mode (fixed in the US version) |
3 |
MODE button |
4 |
Central Head Unit and Multimedia Platform (CHAMP) |
A number of control modules and the drive are integrated in one housing. CHAMP is modular in structure: In the CHAMP, the functional areas are grouped into ”virtual” control modules. ”Virtual means: although the individual control modules in the CHAMP are grouped, they work as if they were ”separate” control modules (e.g. for programming).
The following ”virtual” control modules are distinguished for diagnosis:
An electric fan for cooling the audio output stages and the processors is located on the back of the radio DIN housing.
The favourite buttons are programmable buttons.
The favourite buttons permit storage of the following functions for more rapid access (depending on the optional extras):

Index |
Explanation |
Index |
Explanation |
|---|---|---|---|
1 |
CD drive |
2 |
Favourite buttons |
The favourite buttons contain a capacitive sensor that reacts to contact.
The assignment of all favourite buttons can be deleted in the menu ”Settings” -> ”Vehicle”. The assignment of favourite buttons is described in detail in the Owner's Manual.
The CID is the central graphical display unit. The size of the colour monitor is 6.5”.

Index |
Explanation |
Index |
Explanation |
|---|---|---|---|
A |
Front |
B |
Back |
1 |
Central Information Display (CID) |
2 |
Plug-in connection for LVDS data line |
3 |
Plug-in connection for CAN bus and power supply |
|
|
The Central Information Display is connected by an LVDS data line (Low Voltage Differential Signalling) on the CHAMP. The LVDS data line involves technology that reliably transfers graphical data over a longer distance. For the LVDS data line, special plug connections have been developed.
The CID is also connected on the K-CAN (body CAN).
The CID contains a photo-transistor for brightness control of the LC display (depending on the surrounding brightness). The LC display is heated.
The controller delivers the signals for selection of the menus and submenus. The submenus are selected by turning and/or pushing the controller. When released, the controller always returns to its rest position.

Index |
Explanation |
Index |
Explanation |
|---|---|---|---|
1 |
Controller |
2 |
MENU button |
3 |
Push-to-talk button |
4 |
Plug-in connection at the controller |
The MENU button and the push-to-talk button are behind the controller. The MENU button can be used to open the start menu in the Central Information Display. The push-to-talk button can be used to start the voice input.
The controller is connected to the K-CAN (body CAN). Terminal 58g receives the controller via the K-CAN.
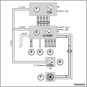
The following system functions are described for CHAMP:

Index |
Explanation |
Index |
Explanation |
|---|---|---|---|
1 |
Central Information Display (CID) |
2 |
Central Head Unit and Multimedia Platform (CHAMP) |
3 |
To the antenna diversity |
4 |
To the antenna diversity |
5 |
To the loudspeakers |
6 |
Controller (CON) |
7 |
AUX-In connection |
|
|
K CAN |
Body CAN |
Terminal 30g |
Terminal 30 switched |
Terminal 30g_f |
In the event of a fault, terminal 30 switches at the MOST |
Terminal 58g |
Locating light |
MOST |
Media Oriented System Transport (fibre-optic cable) |
|
|
CHAMP has a double tuner for AM/FM. While tuner 1 is receiving the desired radio station, tuner 2 works in the background. Tuner 2 scans the station landscape for additional signals. If a radio station on another frequency is transmitting a stronger signal, there is an automatic switch to this alternative frequency.
Both tuners pick up information from the radio data system (RDS), transmitted with the signal of the FM station. When an AM station is set, RDS can received traffic reports from an FM station. When a traffic report is picked up, the AM station is faded out and the report is issued across the loudspeakers.
As audio system controller, CHAMP has the following tasks:
The control module CHAMP user interface (CHAMP-BO) processes the signals of the controller: e.g. selection of the menus and submenus. The CHAMP-BO also controls the output of displays on the Central Information Display (CID). The data present in the graphics processor is immediately transferred as digital signals - Low Voltage Differential Signalling (LVDS) - to the CID.
The CHAMP gateway control module forms the interface for data exchange between the MOST bus and the K-CAN (body CAN). The two bus systems transfer data formats with different data transfer rates and formats.
In order to communicate with all systems, the data for each bus is configured accordingly in the CHAMP gateway.
Resetting CHAMP
CHAMP can be reset with the following measures:
On the CHAMP, no reset button or reset button combination is implemented.
Note! CHAMP may only be replaced as a complete unit.
CHAMP is replaced in service as a complete unit.
For the CHAMP, a large number of tests are available in the control-module functions.
Example: a CD that is jammed in the CD-drive can be ejected using the control-module functions.
The favourite buttons introduced with CHAMP (programmable buttons) can be diagnosed by a control-module function.
European version:
Instead of CHAMP, the Multi Audio System controller (M-ASK) is sold as the BMW Professional radio.
The M-ASK can be recognized by its 8 favourite buttons.

Index |
Explanation |
Index |
Explanation |
|---|---|---|---|
1 |
Multi Audio System Controller |
2 |
8 programmable favourite buttons |
No liability can be accepted for printing or other faults. Subject to changes of a technical nature