The electronic immobilizer (EWS) is both an anti-theft device and start release.
The 4th generation EWS is an enhancement of the EWS used to date. This enhancement uses a new and modern encryption method.
Each vehicle is assigned a 128-bit secret code. This secret code is stored in a BMW database. This means that the secret code is only known to BMW.
The secret code is programmed and locked in the following control module:
When the secret code is locked in the control modules, it can no longer be deleted or changed. This means that each control module is assigned to a certain vehicle. The control modules mutually identify themselves with the secret code and the same algorithm.
In the 4th generation EWS, there is no direct line (EWS data line) between DME/DDE and CAS (not E83).
The CAN data line (PT-CAN and K-CAN) and the K bus (also called CAS bus) are used for data interchange of the EWS signal. The K bus is used when an EWS signal cannot be sent on the CAN data line.
> E83: As before, data interchange between the EWS control module and DME/DDE takes place across the direct EWS data line.
Deployment of the EWS (4th generation):
Development model series |
Engines |
Engine control module |
|---|---|---|
Performance stages: |
||
E60, E61, E63, E64 |
N52B25U1, N52B25O1, N52B30M1, N52B30O1 |
MSV80 |
N53B25U0, N53B30U0, N53B30O0, N54B30O0 |
MSD80 |
|
N43B20O0 |
MSD80.2 |
|
N46B20O2 |
MEV17.2.1 |
|
N47D20O0 |
DDE70 |
|
E81, E82, E87, E88, E90, E90 M3, E91, E92, E92 M3, E93, E93 M3 |
N43B16, N43B20U0, N43B20O0 |
MSD80.2 |
N45B16O2, N46B20U2, N46B20O2 |
MEV17.2.1 |
|
N51B30M0, N52B25U1, N52B25O1, N52B30U0, N52B30M1, N52B30O1 |
MSV80 |
|
N47D20U0, N47D20O0 |
DDE70 |
|
N53B30U0, N53B30O0, N54B30O0 |
MSD80 |
|
S65 |
MSS60 |
|
E83 |
N52B25O1, N52B30U1, N52B30O1 |
MSV80 |
N46B20O2 |
MEV17.2.1 |
|
N47D20O0 |
DDE70 |
|
E70 |
N52B30O1 |
MSV80 |
R55, R56 |
N12 |
MEV17.2 |
N14 |
MED17.2 |
|
The following components are described for the EWS:
A transponder chip is integrated in every remote control; this can both transmit and receive. The data transfer takes place in the same way as a transformer between the loop aerial in the insertion slot or ignition lock (only E83) and the transponder chip. The remote control sends data to the EWS or CAS control module and receives data from it.
The authorization of the remote control for each vehicle is also coded in the transponder chip.
The EWS or CAS control module can manage a maximum of 10 remote controls that match the control module, i.e. a maximum of 6 remote controls can be obtained as replacements.
The EWS or CAS control module can identify the individual remote controls. This means it is possible to disable or enable individual remote controls. If faults occur during communication between the EWS or CAS control module and the individual remote controls, these are stored in the fault memory - separately for each individual remote control.
The insertion slot for the remote control or around the ignition lock (only E83) is a ring antenna (coil) to query the transponder chip. The transponder chip and EWS or CAS control module communicate via the ring antenna.
On vehicles with an electrical steering interlock, this is supplied with electrical current after authentication by the CAS. Only now can the steering be unlocked or locked. An engine start is only permitted when the electrical steering interlock has been unlocked and secured.
> E83
The EWS control module and DME/DDE mutually authenticate one another across the EWS data line.
On vehicles with automatic transmission, start release is only given by the EWS or CAS control module of the selector lever is in position ”P” or ”N”.
The following control modules are involved in the electronic immobilizer (EWS):
> not E83
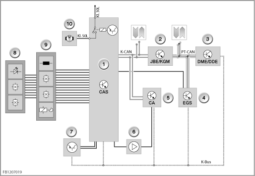
The CAS control module is the master control module for the EWS. The EWS is integrated in the CAS.
The secret code is stored in the CAS control module and is secure against manipulation.
The CAS control module is attached to the bus on the K-CAN (body CAN) and the K bus (body bus).
The CAS control module is the interface to the insertion slot for the remote control.

Index |
Explanation |
Index |
Explanation |
|---|---|---|---|
1 |
Comfort Access System (CAS) |
2 |
Junction box electronics (JBE) or body gateway module (KGM) |
3 |
Digital Engine Electronics (DME) or Digital Diesel Electronics (DDE) |
4 |
Electronic Transmission Control (EGS) |
5 |
Comfort Access (CA: Comfort Access) |
6 |
Remote control receiver |
7 |
Electric Steering Lock |
8 |
START-STOP button |
9 |
Insertion slot with remote control |
10 |
Starter motor |
Kl. 30L |
Terminal 30L |
Kl. 50L |
Terminal 50L |
K bus |
Body bus (also call the CAS bus) |
K CAN |
Body CAN |
PT-CAN |
Powertrain CAN |
|
|
> only E83
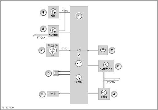
The EWS control module is attached to the K bus (body bus).
The EWS control module is the interface to the ignition lock.

Index |
Explanation |
Index |
Explanation |
|---|---|---|---|
1 |
Electronic immobilizer (EWS) |
2 |
Starter motor |
3 |
Digital Engine Electronics (DME) or Digital Diesel Electronics (DDE) |
4 |
Electronic Transmission Control (EGS) |
5 |
Clutch switch with manual transmission (depending on national version) |
6 |
Loop antenna (coil) |
7 |
Ignition and starting switch |
8 |
Instrument cluster (KOMBI) |
9 |
Base module (BM) |
|
|
K bus |
Body bus |
Terminal 50 |
Terminal 50 |
PT-CAN |
Powertrain CAN |
|
|
The DME / DDE control module only enables the engine start if a correct enable signal is received from the EWS or CAS control module. The secret code is stored in the DME/DDE and is secure against manipulation.
> E70, E81, E82, E87, E88, E90, E91, E92, E93, R55, R56
The JBE is the data interface between the PT-CAN (Powertrain CAN) and K-CAN (body CAN).
> E60, E61, E63, E64
The KGM is the data interface between the PT-CAN (Powertrain-CAN) and K-CAN (body CAN).
> E83
The instrument cluster is the data interface between the PT-CAN (Powertrain-CAN) and K bus (body bus).
> only E70
The Electronic Transmission Control (EGS) is integrated in the 4th generation EWS as another immobilizer. The EGS control module is attached to the K bus.
The transmission function is only enabled when the CAS control module and EGS control module authenticate one another.
With optional extra 322 ”Comfort Access”: An identification sensor is required instead of the usual remote control. The identification sensor also performs the usual functions of the remote control.
The control module for Comfort Access (CA control module) controls the vehicle interior aerials and the vehicle exterior aerials. An ID transmitter scan is carried out. At the same time, the FBD receiver is activated for any ID transmitters which may respond (FBD: remove control service).
The CAS control module is the master control module for all functions
run by the Comfort Access optional extra.
The following system functions are described for the EWS:
During the unlocking procedure, an authentication procedure is run between the Car Access System (CAS) and the electrical steering interlock. The electrical steering interlock may only commence unlocking after a positive result in the authentication procedure. For safety reasons, the electrical steering interlock is not supplied with current while the vehicle is being driven. The electrical steering interlock is only supplied with voltage for the unlocking procedure or locking procedure.
If the identification data is correct, the CAS control module activates the starter motor via a relay in the control module. At the same time, the CAS control module sends the DME control module a coded release signal for the engine start. The DME control module only enables the engine start if a correct enable signal is received from the CAS control module.
After inserting the ignition key in the ignition lock or the remote control in the insertion slot, the following sequence begins:
Identical changing codes are stored in the control modules; their value changes after every starting operation. The changing code is formed from a random number and the secret code.
Calibration of engine management system with electronic immobilizer
With the introduction of the new EWS (4th generation), the calibration between the engine control module and electronic immobilizer is no longer required.
From this point onwards, certain control modules can only be replaced with control modules specifically ordered for each vehicle.
Note! Procedure in the event of a defective control module!
If the CAS, EWS (only E83) or DME / DDE is defective, a certain procedure must be followed.
The required control module must be ordered exactly for the vehicle. This requires the vehicle data (vehicle identification number).
An EWS calibration is not necessary after renewing the control module.
> E70
When replacing the Electronic Transmission Control, a calibration is necessary. During calibration, the CAS control module transfers an individual code to the EGS control module. This individual code is required for the authentication procedure to enable the transmission function.
Important
A trial replacement of the control modules with secret code is not possible!
Spare keys can only be obtained through a BMW dealer with BMW Parts Service. There, one of the 6 spare keys is programmed to match the vehicle. This key is not a copy of the lost key, but rather a new key.
A total of no more than 6 spare keys that match the fitted EWS control module can be manufactured and delivered.
If a new key is inserted for the first time in the ignition lock, there is a noticeable start delay of 1 to 2 seconds. Thereafter, the starting operation must be without any delay.
Lost keys must be blocked via the diagnosis. Refer to ”Special features of the diagnosis program”.
CAUTION!
Each request for a key is documented so that inquiries from insurance companies and authorities can be followed up.
If all remote controls or ignition keys are lost, a new EWS or CAS control module is required.
It is possible to electronically block or release individual remote controls or ignition keys via the diagnosis (service functions).
Important
Electronically blocked means that both the starter and the engine control module are not enabled for a start. It must be borne in mind that an electronically blocked ignition key still fits mechanically, i.e. all flaps and door can still be opened.
Here, it is displayed whether each individual ignition key (remote control) managed by the EWS or CAS control module has already been detected at least once by the EWS or CAS control module, i.e. it is possible even in the case of older vehicles to recognize how many remote controls or ignition keys have already been used in this vehicle.
No liability can be accepted for printing or other faults. Subject to changes of a technical nature