The power window regulator function is implemented by a number of control modules. The footwell module actuates the front power windows. The rear power windows, if fitted, are activated through the junction box electronics.

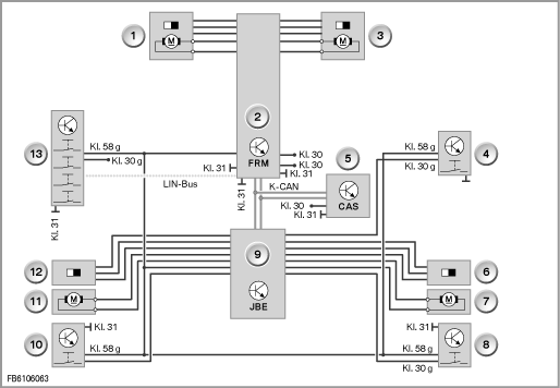
The graphic shows the E70
Index |
Description |
Index |
Description |
1 |
Power-window motor, driver's side at front |
2 |
Footwell module (FRM) |
3 |
Power windows motor, passenger's side at front |
4 |
Power windows switch, passenger's side at front |
5 |
Car Access System (CAS) |
6 |
Hall sensor for power window, passenger's side at rear |
7 |
Power windows motor, passenger's side at rear |
8 |
Rear passenger's side power windows switch |
9 |
Junction box with junction box electronics (JBE) |
10 |
Rear driver's side power windows switch |
11 |
Power windows motor, driver's side at rear |
12 |
Hall sensor for power window, driver's side at rear |
13 |
Switch block, driver's door |
|
|
The control modules involved communicate via the data buses in the vehicle. The junction box supplies the control modules with voltage.
No liability can be accepted for printing or other faults. Subject to changes of a technical nature